StepMaster ver.1 - Отзывы, Вопросы, Советы.

Контроллеры, драйверы, датчики, управляющие устройства.
Аватара пользователя
michael-yurov
Почётный участник
Почётный участник
Сообщения: 11731
Зарегистрирован: 26 июл 2012, 00:10
Репутация: 4703
Настоящее имя: Михаил Львович
Откуда: Новоуральск
Контактная информация:

Re: StepMaster - Отзывы, Вопросы, Советы.

Сообщение michael-yurov »

keyy писал(а):- Контакт №15 -"5V". Это общий провод для всех сигнальных PUL, DIR, Home ? Почему соединяется только с Enable ?
Это +5 В от блока питания компьютера.
keyy писал(а):- Контакт №14 - G. Земля. С чем соеденена на плате NcStudio, только с корпусом? Тогда как сигнальные токи будут поступать на StepMaster, у неё земля соеденина с минусом, а у NcStudio только с корпусом?
С корпусом и нулем питания. У компьютера обычно ноль питания соединен с корпусом в самом блоке питания.
keyy
Кандидат
Сообщения: 43
Зарегистрирован: 17 дек 2013, 07:12
Репутация: 3
Контактная информация:

Re: StepMaster - Отзывы, Вопросы, Советы.

Сообщение keyy »

То есть на выходе NcStudio +5В, 0В и -5В?

До установки StepMaster у меня контакт №15-5V был объеденён и соеденён со всеми плюсами Pul и Dir драйверов, а минусы с сигнальными выводами.
Может контакт №15 соединить с GND StepMaster, а датчики Home и Probe завести как и раньше на NcStudio?
Сегодня отключали все входные клемы в StepMaster, ось Х говорят задвигалась нормально но остальные оси попрежнему срывались. При отсоединении провода GND соединяющий платы оси дёргались но не двигались.
Аватара пользователя
michael-yurov
Почётный участник
Почётный участник
Сообщения: 11731
Зарегистрирован: 26 июл 2012, 00:10
Репутация: 4703
Настоящее имя: Михаил Львович
Откуда: Новоуральск
Контактная информация:

Re: StepMaster - Отзывы, Вопросы, Советы.

Сообщение michael-yurov »

keyy писал(а):То есть на выходе NcStudio +5В, 0В и -5В?
Точно не минус 5 В.
А вот может ли там быть плюс 5 В - вопрос открытый.
keyy писал(а):Может контакт №15 соединить с GND StepMaster
Сгорит тогда что-то.
keyy писал(а):а датчики Home и Probe завести как и раньше на NcStudio?
С датчиками лучше потом.
keyy писал(а):Сегодня отключали все входные клемы в StepMaster, ось Х говорят задвигалась нормально но остальные оси попрежнему срывались.
Вообще - странно, т.к. все идентично.
keyy писал(а):При отсоединении провода GND соединяющий платы оси дёргались но не двигались.
Стоит все же проверить - может ли NCStudio выдавать сигнал положительной полярности.
Можно просто тестером проверить изменение сигнала Dir любой из осей при смене направления (отключив StepMaster или его питание).
Измерить нужно напряжение на выходе Dir относительно клеммы GND или, относительно корпуса компьютера.
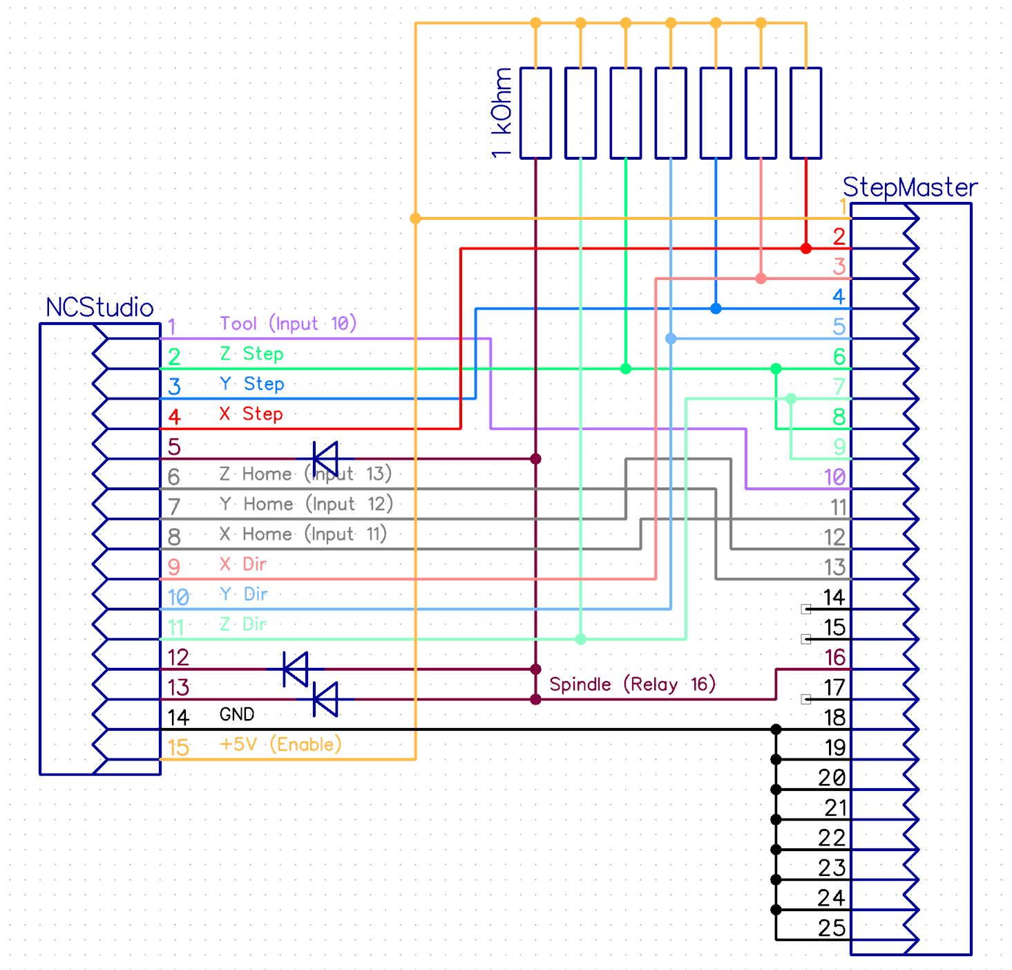
Возможно, NCStudio не может выдавать +5 В, а работает в режиме открытый коллектор.

В этом случае понадобятся дополнительные подтягивающие резисторы на 1 кОм между выходами Step, Dir и +5В

Второй вариант проверить выходы NCStudio - подключить к выходу светодиод (через резистор 200 Ом - 1 кОм). Плюс - к выходу Step или Dir, а минус - к GND NCStudio.
Аватара пользователя
shalek
Почётный участник
Почётный участник
Сообщения: 3023
Зарегистрирован: 25 авг 2014, 10:40
Репутация: 2583
Настоящее имя: Александр
Откуда: РБ Бобруйск
Контактная информация:

Re: StepMaster - Отзывы, Вопросы, Советы.

Сообщение shalek »

Может чем поможет. У меня так.
stepmaster1.jpg (4404 просмотра) <a class='original' href='./download/file.php?id=35653&sid=96dd52371743817e7bb41c9b42e3c7bf&mode=view' target=_blank>Загрузить оригинал (1.64 МБ)</a>
Если ты не можешь решить проблему, значит это не твоя проблема!
Мой канал на YouTube: YouTube
ЧПУ "Бобр" 600x500 мм
shalek64@gmail.com
keyy
Кандидат
Сообщения: 43
Зарегистрирован: 17 дек 2013, 07:12
Репутация: 3
Контактная информация:

Re: StepMaster - Отзывы, Вопросы, Советы.

Сообщение keyy »

michael-yurov писал(а):Второй вариант проверить выходы NCStudio - подключить к выходу светодиод (через резистор 200 Ом - 1 кОм). Плюс - к выходу Step или Dir, а минус - к GND NCStudio.
На этой плате видно, что светодиоды установлены минусами к клемам.
Вложения
DSCN4112-1.jpg (4403 просмотра) <a class='original' href='./download/file.php?id=35655&sid=96dd52371743817e7bb41c9b42e3c7bf&mode=view' target=_blank>Загрузить оригинал (1.45 МБ)</a>
keyy
Кандидат
Сообщения: 43
Зарегистрирован: 17 дек 2013, 07:12
Репутация: 3
Контактная информация:

Re: StepMaster - Отзывы, Вопросы, Советы.

Сообщение keyy »

shalek писал(а): У меня так.
У меня тоже почти также. Только не подключена клема 5V и G (на рисунке стрелкой). Ни как ни пойму зачем на неё подавать питание если оно и так должно подаватся с платы. Мне кажется она с оединена с клемами №15 и №14. У меня раньше с этой клемы шли провода на датчики Home.

Возникает подазрение, может плата NcStudio не рабочая. попробую подключить оси напрямую минуя StepMaster.
Вложения
Фото 2.jpg (4397 просмотров) <a class='original' href='./download/file.php?id=35657&sid=96dd52371743817e7bb41c9b42e3c7bf&mode=view' target=_blank>Загрузить оригинал (1.78 МБ)</a>
Аватара пользователя
vovafed
Мастер
Сообщения: 1822
Зарегистрирован: 08 фев 2013, 16:19
Репутация: 325
Настоящее имя: Владимир
Откуда: башкортостан
Контактная информация:

Re: StepMaster - Отзывы, Вопросы, Советы.

Сообщение vovafed »

http://www.ti.com.cn/cn/lit/ds/symlink/sn7407.pdf на моей плате эти микросхемы
выход открытый коллектор без подтягивающих резисторов
Аватара пользователя
michael-yurov
Почётный участник
Почётный участник
Сообщения: 11731
Зарегистрирован: 26 июл 2012, 00:10
Репутация: 4703
Настоящее имя: Михаил Львович
Откуда: Новоуральск
Контактная информация:

Re: StepMaster - Отзывы, Вопросы, Советы.

Сообщение michael-yurov »

keyy писал(а):На этой плате видно, что светодиоды установлены минусами к клемам.
Я понимаю, может быть из за этого и работает (а может быть из за того, что использованы новые микросхемы в выходном каскаде платы),
но проверить нужно, как раз, возможность работы не от плюса к выходу, а от выхода к нолю.
Аватара пользователя
michael-yurov
Почётный участник
Почётный участник
Сообщения: 11731
Зарегистрирован: 26 июл 2012, 00:10
Репутация: 4703
Настоящее имя: Михаил Львович
Откуда: Новоуральск
Контактная информация:

Re: StepMaster - Отзывы, Вопросы, Советы.

Сообщение michael-yurov »

vovafed писал(а):http://www.ti.com.cn/cn/lit/ds/symlink/sn7407.pdf на моей плате эти микросхемы
выход открытый коллектор без подтягивающих резисторов
Блин, и правда!
Значит проблема в этом.

Значит нужны дополнительные подтягивающие резисторы номиналом около 470 Ом - 1 кОм.
Аватара пользователя
vovafed
Мастер
Сообщения: 1822
Зарегистрирован: 08 фев 2013, 16:19
Репутация: 325
Настоящее имя: Владимир
Откуда: башкортостан
Контактная информация:

Re: StepMaster - Отзывы, Вопросы, Советы.

Сообщение vovafed »

получается что светодиоды на плате shalek работают как подтягивающие резисторы :thinking:
keyy
Кандидат
Сообщения: 43
Зарегистрирован: 17 дек 2013, 07:12
Репутация: 3
Контактная информация:

Re: StepMaster - Отзывы, Вопросы, Советы.

Сообщение keyy »

Все в магазинчик Тенгеля!!!
Аватара пользователя
michael-yurov
Почётный участник
Почётный участник
Сообщения: 11731
Зарегистрирован: 26 июл 2012, 00:10
Репутация: 4703
Настоящее имя: Михаил Львович
Откуда: Новоуральск
Контактная информация:

Re: StepMaster - Отзывы, Вопросы, Советы.

Сообщение michael-yurov »

vovafed писал(а):получается что светодиоды на плате shalek работают как подтягивающие резисторы :thinking:
Получается - так.

Выходит, что нужно добавить еще резисторов вот так:
2014-10-27 23-35-32 Скриншот экрана.png (4386 просмотров) <a class='original' href='./download/file.php?id=35663&sid=96dd52371743817e7bb41c9b42e3c7bf&mode=view' target=_blank>Загрузить оригинал (83.12 КБ)</a>
keyy
Кандидат
Сообщения: 43
Зарегистрирован: 17 дек 2013, 07:12
Репутация: 3
Контактная информация:

Re: StepMaster - Отзывы, Вопросы, Советы.

Сообщение keyy »

Попробую одну ось с резистором. Если заработает лучше куплю красную плату, она поинтересней и не дорогая.
Аватара пользователя
solanto
Почётный участник
Почётный участник
Сообщения: 963
Зарегистрирован: 02 апр 2014, 09:10
Репутация: 94
Настоящее имя: Александр
Откуда: Карачаево-Черкесская республика, г.Черкесск
Контактная информация:

Re: StepMaster - Отзывы, Вопросы, Советы.

Сообщение solanto »

keyy, ну так заработало или нет? Просто интересует поврос на будущее, т.к. возможно скора разживусь синей платко nc-studio.
Мне пофигу, что думают обо мне люди, пока они не начинают меня бить.

Вектроник А4-12: от заказа до готовности - http://cnc-club.ru/forum/viewtopic.php?f=3&t=5248
Токарник по дереву - http://cnc-club.ru/forum/viewtopic.php?f=3&t=5623

Изображение
Аватара пользователя
shalek
Почётный участник
Почётный участник
Сообщения: 3023
Зарегистрирован: 25 авг 2014, 10:40
Репутация: 2583
Настоящее имя: Александр
Откуда: РБ Бобруйск
Контактная информация:

Re: StepMaster - Отзывы, Вопросы, Советы.

Сообщение shalek »

solanto писал(а):возможно скора разживусь синей платко nc-studio
Я бы посоветовал всетаки красную. Разница в цене не существенная, а возможности лучше. Хотя-бы в плане частоты.
А вообще с фильтром любая отлично должна работать. Даже на Mach3 я больше не ругаюсь. И движки заметно меньше греются и сбоев никаких. Вот думаю ток еще добавить? Или лишнее? Сейчас на 2.8А моторах установлен Peak 3.31
Если ты не можешь решить проблему, значит это не твоя проблема!
Мой канал на YouTube: YouTube
ЧПУ "Бобр" 600x500 мм
shalek64@gmail.com
keyy
Кандидат
Сообщения: 43
Зарегистрирован: 17 дек 2013, 07:12
Репутация: 3
Контактная информация:

Re: StepMaster - Отзывы, Вопросы, Советы.

Сообщение keyy »

solanto писал(а):keyy, ну так заработало или нет?
Решили сразу ставить с "красной" платой. Ждёмс.
shalek писал(а):Хотя-бы в плане частоты.
А можно подробней об отличиях "красной" платы от "синей"?
Аватара пользователя
shalek
Почётный участник
Почётный участник
Сообщения: 3023
Зарегистрирован: 25 авг 2014, 10:40
Репутация: 2583
Настоящее имя: Александр
Откуда: РБ Бобруйск
Контактная информация:

Re: StepMaster - Отзывы, Вопросы, Советы.

Сообщение shalek »

keyy писал(а):А можно подробней об отличиях "красной" платы от "синей"?
Не знаю как там со схемотехникой у той и у другой, как с прошивками, но то, что красная с коэффициентом 3 - работает на частоте 141Мгц против 47Мгц у стандартной синей или зеленой. А это позволяет вовсю пользоваться микрошагом. Хотя с изобретением Михаилом фильтра микрошаг можно тоже поболее ставить. Просто синяя когда у меня была, то максимум на 1/10 шага, скорость можно было 7050мм/мин ставить, а на красной при шаге 1/32 максимум 6609.375мм/мин. Да и мне кажется по ощущениям красная как-то мягче моторы крутит, хотя может из за микрошага.
Ну а тандем красной платы + фильтр вообще бесподобно! И с Mach3 также чудно все. Тем более если все в одном флаконе. Хошь Ncstudio, хошь Mach3 врубай. Все прекрасно на одном компе уживается. На данный момент установлен на драйверах микрошаг 1/24, включен средний режим фильтрации. Скорости в обеих программах настроены по X, Y - 8000мм/мин, Z -5000мм/мин. Ускорения по для X, Y - 800, Z - 1200. Это для Mach3. Для нцшки ускорения 800 и 1000. Стартовое ускорение 0. Вообщем электроникой доволен!
DSCN4160.JPG (4243 просмотра) <a class='original' href='./download/file.php?id=36249&sid=96dd52371743817e7bb41c9b42e3c7bf&mode=view' target=_blank>Загрузить оригинал (5.46 МБ)</a>
DSCN4116-1.jpg (4243 просмотра) <a class='original' href='./download/file.php?id=36248&sid=96dd52371743817e7bb41c9b42e3c7bf&mode=view' target=_blank>Загрузить оригинал (1.48 МБ)</a>
Если ты не можешь решить проблему, значит это не твоя проблема!
Мой канал на YouTube: YouTube
ЧПУ "Бобр" 600x500 мм
shalek64@gmail.com
keyy
Кандидат
Сообщения: 43
Зарегистрирован: 17 дек 2013, 07:12
Репутация: 3
Контактная информация:

Re: StepMaster - Отзывы, Вопросы, Советы.

Сообщение keyy »

shalek писал(а):работает на частоте 141Мгц против 47Мгц у стандартной синей или зеленой
Так это в корне меняет дело! Остаётся пожелать Михаилу в следующем варианте своей уникальной платы предусмотреть сразу два разъёма LPT и NcStudio, что бы как у Александра можно было работать со всеми программами.
Аватара пользователя
michael-yurov
Почётный участник
Почётный участник
Сообщения: 11731
Зарегистрирован: 26 июл 2012, 00:10
Репутация: 4703
Настоящее имя: Михаил Львович
Откуда: Новоуральск
Контактная информация:

Re: StepMaster - Отзывы, Вопросы, Советы.

Сообщение michael-yurov »

keyy писал(а):
shalek писал(а):работает на частоте 141Мгц против 47Мгц у стандартной синей или зеленой
Так это в корне меняет дело! Остаётся пожелать Михаилу в следующем варианте своей уникальной платы предусмотреть сразу два разъёма LPT и NcStudio, что бы как у Александра можно было работать со всеми программами.
Тут не совсем честные 141 МГц, а примерно, как в моей плате на каждый импульс генерируется три,
так что особой разницы при использовании степмастера не будет.

За исключением организации выходного каскада на плате NCStudio.
Аватара пользователя
shalek
Почётный участник
Почётный участник
Сообщения: 3023
Зарегистрирован: 25 авг 2014, 10:40
Репутация: 2583
Настоящее имя: Александр
Откуда: РБ Бобруйск
Контактная информация:

Re: StepMaster - Отзывы, Вопросы, Советы.

Сообщение shalek »

michael-yurov писал(а):тут не совсем честные 141 МГц
Да! Я выше упоминал про это.
Если ты не можешь решить проблему, значит это не твоя проблема!
Мой канал на YouTube: YouTube
ЧПУ "Бобр" 600x500 мм
shalek64@gmail.com
Ответить

Вернуться в «Электроника»