И ещё один вопрос - Уп при загрузке в МАч не запускается , только при принудительном задании на код G90 .
Спринт Лаут + Степ Кам + Мач = не работает .
- Mark 24.ru
- Кандидат
- Сообщения: 58
- Зарегистрирован: 23 май 2015, 07:03
- Репутация: 0
- Настоящее имя: Анатолий Егорович
- Контактная информация:
Спринт Лаут + Степ Кам + Мач = не работает .
Здравствуйте . Я решил сделать регулятор для двигателя от стиралки . Нашёл файл в инете формата lay соответственно , скачал и загрузил в прогу Спринт Лаут соответственно , чтоб сгенерить файл для Степа , Всё проходит хорошо , Скинул В СтепКам и сгенерил УП . Всё хорошо . Но вот дошла очередь до МАЧа - загрузил УП и станок уезжает за рабочее поле станка ( спасают концевики ) . Почему то по оси Y ( основное по длине ) . По оси X этого не происходит . Я стал копаться в чём трабла и заметил в Спринт Лауте что координаты по Y стоят в минусовом значении , по X в плюсе . Так вот собственно вопрос - как в Спринт Лауте изменить начало координат на + по одной оси Y ? И это , я полагаю повлияет на " оборот " платы как то , или не повлияет ? Не понятно , однако . Собственно , есть способ простого смещения по полю проги просто чтоб координаты все были в плюсе , и всё . То есть исходник каким то образом был создан с одной координатой в минусе . Я при создании своего файла ( пришла идея фрезернуть ручку для ножовки из фанерки
, создавая поле никаких минусов не было , обе координаты в плюсе .
И ещё один вопрос - Уп при загрузке в МАч не запускается , только при принудительном задании на код G90 .
И ещё один вопрос - Уп при загрузке в МАч не запускается , только при принудительном задании на код G90 .
- Mark 24.ru
- Кандидат
- Сообщения: 58
- Зарегистрирован: 23 май 2015, 07:03
- Репутация: 0
- Настоящее имя: Анатолий Егорович
- Контактная информация:
Re: Спринт Лаут + Степ Кам + Мач = не работает .
Сделал скрин , в нижнем углу справа " измеритель " показывает минус по Y
- Mark 24.ru
- Кандидат
- Сообщения: 58
- Зарегистрирован: 23 май 2015, 07:03
- Репутация: 0
- Настоящее имя: Анатолий Егорович
- Контактная информация:
Re: Спринт Лаут + Степ Кам + Мач = не работает .
И ещё не понятно с отображением в пред просмотре Степа видно что дорожки продольно перерезают другие - это чей косяк ? Причём при полном удалении текста с платы вроде нормализуется и косяки не выползают , но не всегда . (Лоут версия 6 , почитал на форуме радиолюбителей что это русская версия ломаного Лоута 5 , похоже её не стоит использовать . А про Степ похожих проблем не упоминали , к тому ж там на форуме присутствует сам автор этой проги . Попробую Спринт Лоут 5 поставить оригинал , отпишусь .
-
maxx2000orel
- Мастер
- Сообщения: 365
- Зарегистрирован: 24 апр 2016, 18:53
- Репутация: 94
- Настоящее имя: Максим Кузнецов
- Контактная информация:
Re: Спринт Лаут + Степ Кам + Мач = не работает .
А вы гляньте на линейку слева на скрине Лайаута. Там же видно что у Вас как ноль взят Верхний левый угол. Вот и получается, что Х у Вас положительный. а У отрицательный. Найдите на экране маркер начальной точки и перетащите куда Вам удобно. .Mark 24.ru писал(а):Сделал скрин ,
Я предпочитаю другую связку Layout(вывод в plt )-импорт в Corel-экспорт в dxf-любая доступная CAM.
- Mark 24.ru
- Кандидат
- Сообщения: 58
- Зарегистрирован: 23 май 2015, 07:03
- Репутация: 0
- Настоящее имя: Анатолий Егорович
- Контактная информация:
Re: Спринт Лаут + Степ Кам + Мач = не работает .
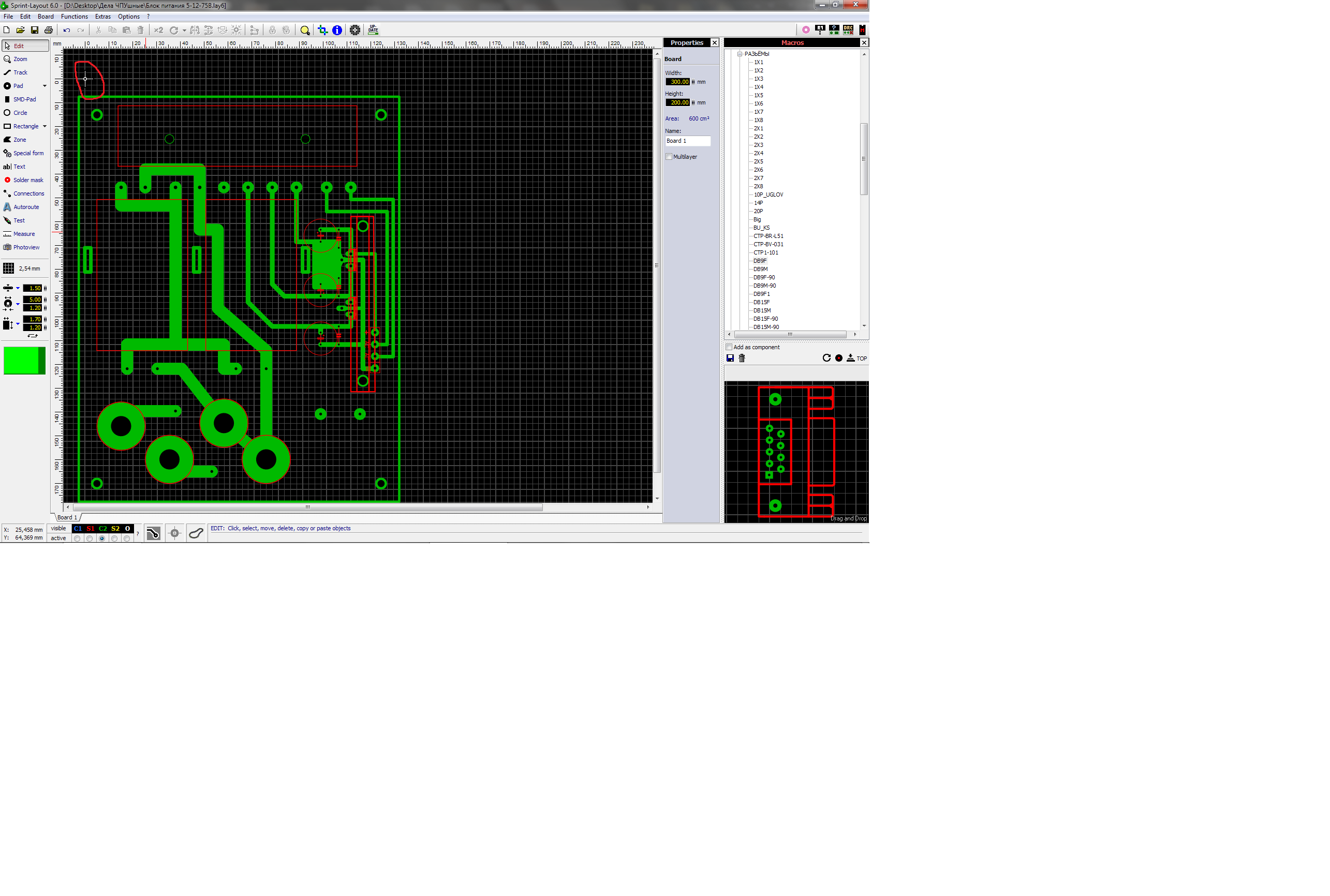
Во , теперь увидел . Спасибо . Действительно так . Поменял , всё встало как надо . Но я всё равно пошёл немного другим путём . Поскольку результат всё равно плохой , это по тому что наверно СпринтЛоут ломанный ( скачал 7 версию уже , КСТАТИ в 7 увеличено поле до 300*300 ) . Так вот , я в СпринтЛоуте правлю плату и конвертирую в BMP формат , потом открываю в Пайннете и обращаю цвета , открываю в Арткаме , в векторной вкладке обращаю растр в вектор , с созданием наружного контура , выделяю всё и в 2D обработке по профилю создаю УП . Гораздо лучше получается . Правда не весь лишний метал убирается - главное прорезать , а там Лут в помощь ( можно перманентным маркером закрасить наконец нужное ) . Надо додумать как лишнюю медь фрезой убрать . Конечный вариант УП ...maxx2000orel писал(а):А вы гляньте на линейку слева на скрине Лайаута. Там же видно что у Вас как ноль взят Верхний левый угол. Вот и получается, что Х у Вас положительный. а У отрицательный. Найдите на экране маркер начальной точки и перетащите куда Вам удобно. .Mark 24.ru писал(а):Сделал скрин ,
Я предпочитаю другую связку Layout(вывод в plt )-импорт в Corel-экспорт в dxf-любая доступная CAM.
-
maxx2000orel
- Мастер
- Сообщения: 365
- Зарегистрирован: 24 апр 2016, 18:53
- Репутация: 94
- Настоящее имя: Максим Кузнецов
- Контактная информация:
Re: Спринт Лаут + Степ Кам + Мач = не работает .
Я вам дал рецепт, а там дело Ваше. Результат на картинке в моём предыдущем сообщении. BMP это растр со всеми вытекающими, я же предлагаю Вам через промежуточный формат получить сразу вектор и работать с ним.Mark 24.ru писал(а):Надо додумать как лишнюю медь фрезой убрать . Конечный вариант УП ...
- Mark 24.ru
- Кандидат
- Сообщения: 58
- Зарегистрирован: 23 май 2015, 07:03
- Репутация: 0
- Настоящее имя: Анатолий Егорович
- Контактная информация:
Re: Спринт Лаут + Степ Кам + Мач = не работает .
Спасибо . Буду и это тоже юзать . У вас довольно приличный результат , мне нравится .maxx2000orel писал(а):Я вам дал рецепт
- Mark 24.ru
- Кандидат
- Сообщения: 58
- Зарегистрирован: 23 май 2015, 07:03
- Репутация: 0
- Настоящее имя: Анатолий Егорович
- Контактная информация:
Re: Спринт Лаут + Степ Кам + Мач = не работает .
Ещё хочу спросить - не встречал кто такие переходники , хочу через них подключить к ноутбуку обычную карточку с портом LPT , будет работать нет ? Меня интересует для ЛУТа , размеры хотя б мини платки . Разводку постараюсь в нете найти .
-
Morroc
- Мастер
- Сообщения: 202
- Зарегистрирован: 22 ноя 2015, 03:17
- Репутация: 22
- Настоящее имя: Александр
- Контактная информация:
Re: Спринт Лаут + Степ Кам + Мач = не работает .
Вы lpt карту на обычном компе с мач3 завели ? У меня какая то была - не взлетела, а вот как раз ноутбучная такая https://www.aliexpress.com/item/Hidden- ... 07726.html заработала (только адрес порта нестандартный и иногда меняется если карту перетыкивать, в настройках мач менять нужно).
вряд ли (впрочем я пользуюсь 6м)Mark 24.ru писал(а):Поскольку результат всё равно плохой , это по тому что наверно СпринтЛоут ломанный ( скачал 7 версию уже , КСТАТИ в 7 увеличено поле до 300*300 ) .
Не надо так - доведите или один способ или другой до качественного результата если это, конечно, не последняя плата, которую собрались делать (если бы мне все равно пришлось совать плату в жидкость - я бы на станке только сверлил, необходимость что то куда то наливать/травить, промывать и т.д. почти лишает смысла фрезерование т.к. полностью ЛУТом должно получаться лишь немного хуже, а вся прелесть фрезерования - воткнул заготовку, пошумел, готово). Если нужна плата на которой только немного дорожек и нет меди - лучше и быстрее ЛУТ, но часто лишняя медь совсем не мешает и достаточно дорожки по контуру прорезать в несколько проходов с увеличивающимся отступом (sprintlayout - экспорт в .plt, задать N проходов со смещением 25-50% - stepcam).Mark 24.ru писал(а):Правда не весь лишний метал убирается - главное прорезать , а там Лут в помощь ( можно перманентным маркером закрасить наконец нужное ).
Поставить фрезу поширьше, сделать УП для мелкой и для широкой и убрать, одной мелкой фрезой будет очень непроизводительно такое делать. Очень желательно использовать программы для считывания рельефа текстолита и корректировки УП - оно там все автоматом делает если разобраться и результат будет лучше, мусора меньше, гравер живет дольше.Mark 24.ru писал(а): Надо додумать как лишнюю медь фрезой убрать . Конечный вариант УП ...
- Mark 24.ru
- Кандидат
- Сообщения: 58
- Зарегистрирован: 23 май 2015, 07:03
- Репутация: 0
- Настоящее имя: Анатолий Егорович
- Контактная информация:
Re: Спринт Лаут + Степ Кам + Мач = не работает .
у меня обычный комп со встроенным LPT есть , я хочу на моноблок " перелезть " ( стоит без дела ) да и покомпактнее он чем комп стационарник , а в нём , в моноблоке , есть только миниписиекспес свободный , из под вафли . В него и хочу удлинитель переходник ( со шлейфом IDE ) сделать на PCI или на PCIxE карточки LPT ( они дешевле потому что чем предложенный адаптер ) . Всё это заморачиваюсь для того что б переносной блок был , станка предполагается два в разных местах . Просто моноблок достался по случаю , из этого и буду делать .Morroc писал(а):Вы lpt карту на обычном компе с мач3 завели ?
- Mark 24.ru
- Кандидат
- Сообщения: 58
- Зарегистрирован: 23 май 2015, 07:03
- Репутация: 0
- Настоящее имя: Анатолий Егорович
- Контактная информация:
Re: Спринт Лаут + Степ Кам + Мач = не работает .
вот это может быть вполне так оказатьсяMorroc писал(а):не последняя плата
-
Morroc
- Мастер
- Сообщения: 202
- Зарегистрирован: 22 ноя 2015, 03:17
- Репутация: 22
- Настоящее имя: Александр
- Контактная информация:
Re: Спринт Лаут + Степ Кам + Мач = не работает .
Дешевле, но стоит убедиться, что винда его увидит "правильно" для мач3 (что у кого то эта модель так заработала), а то придется покупать другую - есть такие, что кроме принтера почти ни для чего не годятся.Mark 24.ru писал(а):В него и хочу удлинитель переходник ( со шлейфом IDE ) сделать на PCI или на PCIxE карточки LPT ( они дешевле потому что чем предложенный адаптер ) .
- Mark 24.ru
- Кандидат
- Сообщения: 58
- Зарегистрирован: 23 май 2015, 07:03
- Репутация: 0
- Настоящее имя: Анатолий Егорович
- Контактная информация:
Re: Спринт Лаут + Степ Кам + Мач = не работает .
Пробую фрезеровать и ЛУТить -
- Mark 24.ru
- Кандидат
- Сообщения: 58
- Зарегистрирован: 23 май 2015, 07:03
- Репутация: 0
- Настоящее имя: Анатолий Егорович
- Контактная информация:
Re: Спринт Лаут + Степ Кам + Мач = не работает .
Попытка номер 2 . Здесь я решил просто фрезеровать , после лишнее удалял канцеляриком помаленьку . Без всякого ЛУТа . Заглубление правда всё равно как следует не выставил - сломил кончик фрезы , надо отдельную плашку для плат завести , на скотч наверное , а то крепление по краям саморезами несколько выгибает платку .
-
Morroc
- Мастер
- Сообщения: 202
- Зарегистрирован: 22 ноя 2015, 03:17
- Репутация: 22
- Настоящее имя: Александр
- Контактная информация:
Re: Спринт Лаут + Степ Кам + Мач = не работает .
Так вы пользуйтесь автоуровнем со сканированием высоты - в опилках будет в основном медь если минимум снимать, заодно скорость повыше можно сделать без поломки кончика.
- Mark 24.ru
- Кандидат
- Сообщения: 58
- Зарегистрирован: 23 май 2015, 07:03
- Репутация: 0
- Настоящее имя: Анатолий Егорович
- Контактная информация:
Re: Спринт Лаут + Степ Кам + Мач = не работает .
Я " копавшись " на разных сайтах выяснил что производитель контроллеров ( разные производители контроллеров ) ставят основной чип с поддержкой всех либо не всех режимов работы , то есть также " обрезки " присутствуют . Я думаю если не " заводятся " то это платы которые " обрезаны " .Morroc писал(а):что винда его увидит "правильно" для мач3
- sergey27rus
- Почётный участник

- Сообщения: 1146
- Зарегистрирован: 15 авг 2013, 07:22
- Репутация: 730
- Настоящее имя: Сергей
- Откуда: Хабаровск Дальний Восток РФ
- Контактная информация:
-
Morroc
- Мастер
- Сообщения: 202
- Зарегистрирован: 22 ноя 2015, 03:17
- Репутация: 22
- Настоящее имя: Александр
- Контактная информация:
Re: Спринт Лаут + Степ Кам + Мач = не работает .
Попробуйте поискать с чипом Oxford 952, у меня в ноуте карточка с таким - mach3 работает, но номер порта нестандартный, нужно в настройках mach3 менять на тот, что в св-вах устройства в винде (изредка он меняется если карточку перетыкивать). Похоже вот такая для обычного компа может подойти https://www.oldi.ru/catalog/element/0208927/Mark 24.ru писал(а):Я " копавшись " на разных сайтах выяснил что производитель контроллеров ( разные производители контроллеров ) ставят основной чип с поддержкой всех либо не всех режимов работы , то есть также " обрезки " присутствуют . Я думаю если не " заводятся " то это платы которые " обрезаны " .Morroc писал(а):что винда его увидит "правильно" для мач3
- Mark 24.ru
- Кандидат
- Сообщения: 58
- Зарегистрирован: 23 май 2015, 07:03
- Репутация: 0
- Настоящее имя: Анатолий Егорович
- Контактная информация:
Re: Спринт Лаут + Степ Кам + Мач = не работает .
В общем запилил я плату - регулятор коллекторного двигателя ( Александр Шенрок ) , но она не работает , может куда направите кто сталкивался с такой проблемой ? Может микра не работает ? Как её проверить ( есть ещё парочка ) .
- Mark 24.ru
- Кандидат
- Сообщения: 58
- Зарегистрирован: 23 май 2015, 07:03
- Репутация: 0
- Настоящее имя: Анатолий Егорович
- Контактная информация:
Re: Спринт Лаут + Степ Кам + Мач = не работает .
Диод не светится , все детали с магаза , новые ...