ремап M3 + выбор профиля

Обсуждение установки, настройки и использования LinuxCNC. Вопросы по Gкоду.
Аватара пользователя
odekolon
Мастер
Сообщения: 1125
Зарегистрирован: 05 ноя 2014, 14:53
Репутация: 360
Настоящее имя: Борис
Контактная информация:

ремап M3 + выбор профиля

Сообщение odekolon »

Всем привет
в процессе разработки - конфигурация для волоконного лазера.(в общем-то конфигурация уже работает, но как обычно, хочется совершенства :D )
профили материалов ( параметры прокола/реза/гравировки/высота и тп) лежат в файлах профилей, оформленных как подпрограммы
ну например p41 - резка нержавейки толщиной 1 мм
в программе M3, заменяю на call<p41> (где p41.ngc - файл, лежащий в папке подпрограмм) и получаю результат.

теперь сделал Remap M3
в pyvcp прикрутил спинбокс, в который можно ввести номер профиля.
но наступил на грабли :hehehe: оказывается нельзя прописать вызов файла-подпрограммы через переменную
то есть конструкция call<p#10> - не работает!
конечно можно написать скрипт на g-коде с использованием конструкций if
ну типа

Код: Выделить всё

if [#10 EQ 41]
call <p41>
elseif [#10 EQ 42]
call <p42>
.....
endif
ну или через
конструкцию

Код: Выделить всё

call[o#10]
....
o41 sub
  call<p41>
o41 endsub

но как-то кривовато...
прежде всего потому, что при добавлении нового профиля придется править этот скрипт, либо сразу кучу шаблонов профилей городить
Внимание вопрос:
есть ли путь вызова нужной процедуры (файла) в зависимости от значения переменной в hal?
"Капиталистом стать можно лишь тогда, когда обогатишь свою память знанием всех тех богатств, которые выработало человечество"
Аватара пользователя
Serg
Мастер
Сообщения: 21923
Зарегистрирован: 17 апр 2012, 14:58
Репутация: 5183
Заслуга: c781c134843e0c1a3de9
Настоящее имя: Сергей
Откуда: Москва
Контактная информация:

Re: ремап M3 + выбор профиля

Сообщение Serg »

А зачем это делать именно в M3? Что, каждое включение лазера может иметь разный профиль даже в пределах одной УП/детали? :)

Параметры реза (профиль) правильнее указать в начале самой УП, а оператору соотв. настройками либо разрешают менять профиль на ЧПУ (возможно в небольших пределах), либо нет. В итоге задача оператора упрощается: положить заготовку, запустить УП и более не умничать, чтоб ничего не испортить. :)
Я не Христос, рыбу не раздаю, но могу научить, как сделать удочку...
Аватара пользователя
odekolon
Мастер
Сообщения: 1125
Зарегистрирован: 05 ноя 2014, 14:53
Репутация: 360
Настоящее имя: Борис
Контактная информация:

Re: ремап M3 + выбор профиля

Сообщение odekolon »

Фигня в том,что управление лазером требует кучи параметров типа "высота реза высота начала прокола высота окончания прокола время прокола колич импульсов на мм длит импульса мощность лазера" Найти постпроцессор который будет обрабатывать всю эту хрень, сложно а иногда и невозможно. А ремап M3 позволяет вообще не искать постпроцессор. Оператор просто запустит программу ,выбрав нужный профиль для нужного материла.. Каждое примение M3 вызовет процедуру прокола и выставит нужные параметры реза. Испортить что либо трудно. Кстати я щас подумал что возможно интереснее будет добавлять в заголовок программы код материала вручную. Это позволит гравировать и резать в одной программе . Хотя для гравировки и последующей резки проще использовать разные программы.
ЗЫ.
Вопрос остался без ответа...
"Капиталистом стать можно лишь тогда, когда обогатишь свою память знанием всех тех богатств, которые выработало человечество"
Аватара пользователя
merkwurdigliebe
Мастер
Сообщения: 609
Зарегистрирован: 17 дек 2013, 22:14
Репутация: 580
Откуда: București
Контактная информация:

Re: ремап M3 + выбор профиля

Сообщение merkwurdigliebe »

с номерными подпрограммами косвенные вызовы работают. если назвать файл 123.ngc:

Код: Выделить всё

o123 sub
(debug, hello world)
o123 endsub
то можно сделать

Код: Выделить всё

#1 = 120
o[#1+3] call
Аватара пользователя
Serg
Мастер
Сообщения: 21923
Зарегистрирован: 17 апр 2012, 14:58
Репутация: 5183
Заслуга: c781c134843e0c1a3de9
Настоящее имя: Сергей
Откуда: Москва
Контактная информация:

Re: ремап M3 + выбор профиля

Сообщение Serg »

odekolon писал(а):Фигня в том,что управление лазером требует кучи параметров типа "высота реза высота начала прокола высота окончания прокола время прокола колич импульсов на мм длит импульса мощность лазера" Найти постпроцессор который будет обрабатывать всю эту хрень, сложно а иногда и невозможно.
А не нужен такой многомудрый постпроцессор. Вполне достаточно например такого, который в начало УП вставит в виде комента тип металла и толщину. Далее при загрузке такой УП в LinuxCNC фильтр увидев такой комент добавит после него в УП необходимый набор параметров, взятых из "таблицы профилей".
Я не Христос, рыбу не раздаю, но могу научить, как сделать удочку...
Аватара пользователя
odekolon
Мастер
Сообщения: 1125
Зарегистрирован: 05 ноя 2014, 14:53
Репутация: 360
Настоящее имя: Борис
Контактная информация:

Re: ремап M3 + выбор профиля

Сообщение odekolon »

это получается нужен постпроцессор постропроцессора :hehehe:
честно говоря не знаю как это сделать срествами линукс....
где хранить "таблицу профилей"?
опять же прокол - это некоторая процедура, ее тоже придется вставлять в текст проги....
не факт, что это окажется реально удобнее готового скрипта на G-коде который вместо M3 выполнит все что нужно.
вы, как часто бывает, уводите дискуссию в сторону от основного вопроса.
Любую задачу можно решить разными способами. Готового решения вы не предложили.
я всего лишь хотел узнать как можно вызвать нужную процедуру из набора процедур, оформленных в виде файлов-подпрограмм, используя параметр G-кода или hal-переменную?
merkwurdigliebe писал(а):с номерными подпрограммами косвенные вызовы работают. если назвать файл 123.ngc:

Код: Выделить всё

o123 sub
(debug, hello world)
o123 endsub
то можно сделать

Код: Выделить всё

#1 = 120
o[#1+3] call
О как! щас попробую!
просто мне показалось, что для вызова подпрограммы косвенным образом, она (подпрограмма) должна быть в теле основной программы
"Капиталистом стать можно лишь тогда, когда обогатишь свою память знанием всех тех богатств, которые выработало человечество"
Аватара пользователя
odekolon
Мастер
Сообщения: 1125
Зарегистрирован: 05 ноя 2014, 14:53
Репутация: 360
Настоящее имя: Борис
Контактная информация:

Re: ремап M3 + выбор профиля

Сообщение odekolon »

Спасибо. все получилось.
Не надо было в имени процедуры использовать буквы. Достаточно цифр.
"Капиталистом стать можно лишь тогда, когда обогатишь свою память знанием всех тех богатств, которые выработало человечество"
Аватара пользователя
odekolon
Мастер
Сообщения: 1125
Зарегистрирован: 05 ноя 2014, 14:53
Репутация: 360
Настоящее имя: Борис
Контактная информация:

Re: ремап M3 + выбор профиля

Сообщение odekolon »

Так. Новые грабли. Похоже M3 не ремапится...
Кто-нибудь ремапил М3?
"Капиталистом стать можно лишь тогда, когда обогатишь свою память знанием всех тех богатств, которые выработало человечество"
Аватара пользователя
merkwurdigliebe
Мастер
Сообщения: 609
Зарегистрирован: 17 дек 2013, 22:14
Репутация: 580
Откуда: București
Контактная информация:

Re: ремап M3 + выбор профиля

Сообщение merkwurdigliebe »

вряд ли.. в документации написано, что

REMAP=<code> <options>
where <code> may be one of T,M6,M61,S,F (existing codes) or any of the unallocated M-codes or G-codes.
Аватара пользователя
odekolon
Мастер
Сообщения: 1125
Зарегистрирован: 05 ноя 2014, 14:53
Репутация: 360
Настоящее имя: Борис
Контактная информация:

Re: ремап M3 + выбор профиля

Сообщение odekolon »

Эт я читал...
"Капиталистом стать можно лишь тогда, когда обогатишь свою память знанием всех тех богатств, которые выработало человечество"
Аватара пользователя
Serg
Мастер
Сообщения: 21923
Зарегистрирован: 17 апр 2012, 14:58
Репутация: 5183
Заслуга: c781c134843e0c1a3de9
Настоящее имя: Сергей
Откуда: Москва
Контактная информация:

Re: ремап M3 + выбор профиля

Сообщение Serg »

odekolon писал(а):это получается нужен постпроцессор постропроцессора :hehehe:
Да хоть постпроцессор постпроцессора постпроцессора. Тут никто не ограничивает полёт фантазии. :)
odekolon писал(а):честно говоря не знаю как это сделать срествами линукс....
Можно написать программку на любом языке, можно воспользоваться готовыми (sed, ed, ...)
odekolon писал(а):где хранить "таблицу профилей"?
Да где угодно - в файле, в БД, да хоть в облаке. :)
odekolon писал(а):опять же прокол - это некоторая процедура, ее тоже придется вставлять в текст проги....
Процедура, имеющая определённый набор действий и параметров...
Лично я прокол делаю средствами HAL а M3 только запускает последовательность действий.
odekolon писал(а):вы, как часто бывает, уводите дискуссию в сторону от основного вопроса.
Любую задачу можно решить разными способами. Готового решения вы не предложили.
Готовых решений, особенно "через одно место" стараюсь не предлагать. Хотел рассказать о своих способах решения подобных задач с проколом на плазме/лазере, но раз интересует исключительно ремап M3, то не буду уводить тему в сторону. :)
Я не Христос, рыбу не раздаю, но могу научить, как сделать удочку...
Аватара пользователя
odekolon
Мастер
Сообщения: 1125
Зарегистрирован: 05 ноя 2014, 14:53
Репутация: 360
Настоящее имя: Борис
Контактная информация:

Re: ремап M3 или 9 преимуществ G-кода против HAL

Сообщение odekolon »

UAVpilot писал(а):Лично я прокол делаю средствами HAL а M3 только запускает последовательность действий.
я на плазме тоже так делаю...
ну примерно ТАК
но сейчас думаю "а не перевести ли плазму на g-код...?" :thinking:
вот именно по такой схеме как у меня сейчас на лазере
преимущества:
1. неограниченное количество профилей с разным(!) функционалом "прокол-резка" - "резка от края"-"гравировка"-"разметка" и т.п.
2. возможность "ну самых извращенных операций прокола ;) " . вообще нет границ! :shock: .
3. оператору не нужно помнить режимы для каждого материала, достаточно взять номер профиля из таблицы на стенке и ввести номер в панели pyvcp.
4. при желании, профили легко переключаются из УП (в одной уп можно работать с разными профилями)
5. для реализации, не нужны дополнительные компоненты и глубокие навыки программирования (в hal, вообще, мало кто разбирается :( )
6. Легкая реализация постпроцессора (даже если не получается с ремап М3) то попросить построцессор вместо М3 написать М33 (или любой другой M код) - задача тривиальная
7. эстеты, смогут реализовать список материалов на Глэйд и оператор будет выбирать не код, а материал из таблицы :hehehe:
8. реализация профилей на НАL непроста и требует дебаггинга с обязательной перезагрузкой системы после каждой итеррации. при реализации профилей на g-коде
достаточно перезагрузить просто перезагрузить УП!
9. создание новых профилей очень простая процедура, решаемая копипастингом готового профиля и внесением нужных изменений. Выполняется оператором(наладчиком) на раз-два.


ЗЫ Ну а если кто подскажет как заремапить M3, буду длагодарен!
"Капиталистом стать можно лишь тогда, когда обогатишь свою память знанием всех тех богатств, которые выработало человечество"
Аватара пользователя
Serg
Мастер
Сообщения: 21923
Зарегистрирован: 17 апр 2012, 14:58
Репутация: 5183
Заслуга: c781c134843e0c1a3de9
Настоящее имя: Сергей
Откуда: Москва
Контактная информация:

Re: ремап M3 + выбор профиля

Сообщение Serg »

odekolon писал(а):но сейчас думаю "а не перевести ли плазму на g-код...?" :thinking:
А зачем? Например на 3-4х осевых плазме/лазере логичней вообще исключить из управления планировщиком координату Z.

Нет смысла именно в ремапе. В LinuxCNC можно просто по команде M3 выполнить свою собственную последовательность действий
odekolon писал(а):1. неограниченное количество профилей с разным(!) функционалом "прокол-резка" - "резка от края"-"гравировка"-"разметка" и т.п.
"прокол-резка" и "резка от края" - это разная последовательность действий и задаваться она должна в УП программистом, ибо в случае "резка от края" есть координаты двух разных точек: точка начала реза детали (или поиска металла) и точка включения дуги. Как это можно задать профилем?
odekolon писал(а):2. возможность "ну самых извращенных операций прокола ;) " . вообще нет границ! :shock: .
Каких например? Спиральное врезание? :)
odekolon писал(а):3. оператору не нужно помнить режимы для каждого материала, достаточно взять номер профиля из таблицы на стенке и ввести номер в панели pyvcp.
Даже знать не нужно - профиль указывается сразу в УП. Конечно-же остаётся возможность разово изменить профиль (не в УП в файле!) через панель, в моих реализациях это доступно не любому оператору, в этом случае ЧПУ просто игнорит то, что задано в УП.
odekolon писал(а):5. для реализации, не нужны дополнительные компоненты и глубокие навыки программирования (в hal, вообще, мало кто разбирается :( )
В HAL, да и просто в конфигурировании вообще мало кто желает разбираться (судя по вопросам на форуме). Ну а желающих разбираться в remap ещё меньше, да и навыки программирования понадобятся не менее глубокие. :)
Я надеюсь мы тут говорим не про квалификацию оператора, а про квалификацию конструктора станка... :)
odekolon писал(а):8. реализация профилей на НАL непроста и требует дебаггинга с обязательной перезагрузкой системы после каждой итеррации. при реализации профилей на g-коде
достаточно перезагрузить просто перезагрузить УП!
Ахренеть! А я не знал и как лох обхожусь без этих ужасов... :)

По всем остальным пунктам никаких проблем нет.
odekolon писал(а):ЗЫ Ну а если кто подскажет как заремапить M3, буду длагодарен!
В доке ж написано, что никак.
Я нашёл только один приемлимый вариант:
UAVpilot писал(а):средствами HAL, а M3 только запускает последовательность действий.
P.S. А номер профиля никто не мешает и командой S задавать.
Я не Христос, рыбу не раздаю, но могу научить, как сделать удочку...
Аватара пользователя
odekolon
Мастер
Сообщения: 1125
Зарегистрирован: 05 ноя 2014, 14:53
Репутация: 360
Настоящее имя: Борис
Контактная информация:

Re: ремап M3 + HAL vs G-код

Сообщение odekolon »

UAVpilot писал(а):odekolon писал(а):
но сейчас думаю "а не перевести ли плазму на g-код...?"
А зачем? Например на 3-4х осевых плазме/лазере логичней вообще исключить из управления планировщиком координату Z.
Основное преимущество HAL - это параллельность выполнения операций. Весь hal "пролетает" за один сервопериод или даже за base-thread.
выполнять в нем поледовательные операции - гемор еще тот...
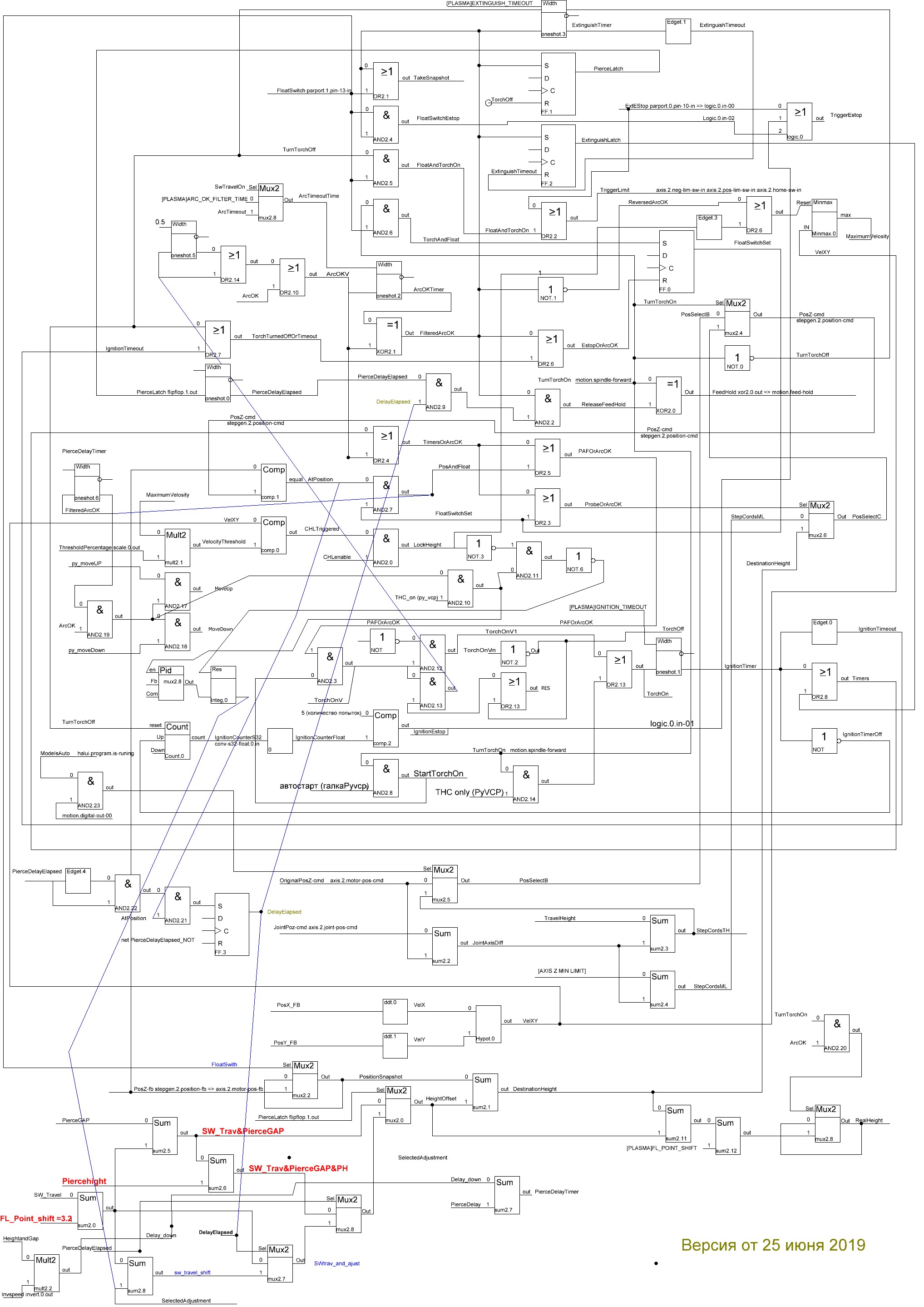
вот, любуемся на хал-схему плазмы: :shock:
THC_17~1.JPG (3433 просмотра) <a class='original' href='./download/file.php?id=183930&mode=view' target=_blank>Загрузить оригинал (697.57 КБ)</a>
"хочешь еще задержку" - ставь доп таймер,
"хочешь еще перемещения по Z" - городи мультиплексор
"хочешь менять скорость по z при проколе" - придумай как реализовать
и всем этим огородом еще и управлять нужно....
где-то хранить профили, подставлять данные из них в таймеры, мультиплексоры и т.п.
в приведенной на схеме конфигурации оператор, вручную выставляет каждый параметр
что явно неудобно
а вот "высоту факела держать" или скажем брекнуть прогу по пропаданию тока дуги - вот тут без хал не обойтись. И это правильно.


а вот на g-коде написать процедуру прокола - да "как два байта переслать"

Код: Выделить всё

g38  - ищем поверхность
G90  
G0 zвысота прокола
M3 - вкл дугу
g0 высота подпрыжки
G04 P  ждем прокол
G0 высота реза
G91
F cкорость реза
M xx - включить режим слежения по напряжению дуги
 едем дальше
ВСЕ!!!!!!!!!!!!!!
На практике, конечно все несколько сложнее, но думаю суть ясна
причем таких прог можно сделать сколько угодно под кучу материалов и режимов резания
все что нужно помнить оператору - номер профиля (да и тот можно мнемонить по принципу материал-толщина-что нибудь еще)
UAVpilot писал(а):"прокол-резка" и "резка от края" - это разная последовательность действий и задаваться она должна в УП программистом, ибо в случае "резка от края" есть координаты двух разных точек: точка начала реза детали (или поиска металла) и точка включения дуги. Как это можно задать профилем?
да это одна и та же операция просто резка от края не требует прокола.
у меня в конфигурации специальная галка есть "отключить прокол" это чтоб переменные прокола не сбрасывать.
а практически можно применить в одной УП

Код: Выделить всё

#199=21  выбираем профиль с подпрыжкой
M33  запускаем профиль
режем отверстие
G0 X0 Y0 - едем к краю листа
#199=01  выбираем профиль без подпрыжки
M33 Запускаем профиль
режем от края.
На лазере, это уже работает
и мне это гораздо больше нравится, чем моя плазма
UAVpilot писал(а):odekolon писал(а):
3. оператору не нужно помнить режимы для каждого материала, достаточно взять номер профиля из таблицы на стенке и ввести номер в панели pyvcp.

Даже знать не нужно - профиль указывается сразу в УП. Конечно-же остаётся возможность разово изменить профиль (не в УП в файле!) через панель, в моих реализациях это доступно не любому оператору, в этом случае ЧПУ просто игнорит то, что задано в УП.
Это возможно работает в больших конторах "оператор отдельно, программист отдельно.
Чуть менее чем, все,конфигурации linuxCNC - конфигурации любительские.
Чаще всего "конструктор,он же программист он же оператор" :hehehe:
опять же служебные программы можно "запрятать подальще"
Этим кстати фанук не брезгует,
у японцев есть область служебных подпрограмм, посмотреть которые можно только установив соотвествующий бит в параметрах.
кстати, я видел в китайском фрезере с фануком подпрограмму смены инструмента на G-коде!
UAVpilot писал(а):odekolon писал(а):
2. возможность "ну самых извращенных операций прокола " . вообще нет границ! .
Каких например? Спиральное врезание?
Ну скажем буквально сегодня обсуждали, как экономить сопла при проколе толстого материала
один из вариантов был такой
"стартануть как обчычно,
поднять повыше,
подождать пока факел пробъет дыру и дуга погаснет
опуститься пониже, запустить резку от края."
на хале такое реализовать, только чтоб попробовать - "да нахрен надо"
а на G-коде - легко реализовать , времени займет немного.
UAVpilot писал(а):odekolon писал(а):
8. реализация профилей на НАL непроста и требует дебаггинга с обязательной перезагрузкой системы после каждой итеррации. при реализации профилей на g-коде
достаточно перезагрузить просто перезагрузить УП!

Ахренеть! А я не знал и как лох обхожусь без этих ужасов...
А вот тут, если скажете КАК, буду очень благодарен!
"Капиталистом стать можно лишь тогда, когда обогатишь свою память знанием всех тех богатств, которые выработало человечество"
Аватара пользователя
Serg
Мастер
Сообщения: 21923
Зарегистрирован: 17 апр 2012, 14:58
Репутация: 5183
Заслуга: c781c134843e0c1a3de9
Настоящее имя: Сергей
Откуда: Москва
Контактная информация:

Re: ремап M3 + выбор профиля

Сообщение Serg »

odekolon писал(а):выполнять в нем поледовательные операции - гемор еще тот...
Да ну нафик! Кто мешает конечный автомат соорудить?
Для примера старенький, но рабочий вариант:
THC_System.png (3427 просмотров) <a class='original' href='./download/file.php?id=183931&mode=view' target=_blank>Загрузить оригинал (112.69 КБ)</a>
odekolon писал(а):а вот на g-коде написать процедуру прокола - да "как два байта переслать"
Толстый металл так пробовал прожечь? Это когда в процессе прокола надо не тупо в паузе стоять, а двигаться вниз по времени или по напряжению?..
odekolon писал(а):где-то хранить профили, подставлять данные из них в таймеры, мультиплексоры и т.п.
Место и способ хранения в любом варианте зависит только от фантазии разработчика и желания заказчика. :)
odekolon писал(а):в приведенной на схеме конфигурации оператор, вручную выставляет каждый параметр
что явно неудобно
Тогда надо гнать такого разработчика, если он не может сделать удобно. :)
odekolon писал(а):Чуть менее чем, все,конфигурации linuxCNC - конфигурации любительские.
Любые конфигурации любительские, если их делают любители. Инструментарий тут не виноват.
odekolon писал(а):А вот тут, если скажете КАК, буду очень благодарен!
В чём сложность отладки например вот этого? Что и зачем тут нужно перезагружать?
THCController.py.gz
(5.21 КБ) 329 скачиваний
P.S. В общем дело хозяйское. я не настаиваю...
Я не Христос, рыбу не раздаю, но могу научить, как сделать удочку...
Аватара пользователя
odekolon
Мастер
Сообщения: 1125
Зарегистрирован: 05 ноя 2014, 14:53
Репутация: 360
Настоящее имя: Борис
Контактная информация:

Re:Gкод vs HAL

Сообщение odekolon »

UAVpilot писал(а):Да ну нафик! Кто мешает конечный автомат соорудить?
Для примера старенький, но рабочий вариант:
Это примерно то же, что и у меня в конфиурации плазмы, токо нарисовано покрасивше :)
Ну может плюшк больше, а так - аналогично.
UAVpilot писал(а): odekolon писал(а):
а вот на g-коде написать процедуру прокола - да "как два байта переслать"
Толстый металл так пробовал прожечь? Это когда в процессе прокола надо не тупо в паузе стоять, а двигаться вниз по времени или по напряжению?..
Вы передергиваете...
Я уже писал - что ЛЮБОЙ алгоритм легко реализуем
Был описан простейший вариант
хотите с плавным опусканием дуги по напряжению - пожалуйста

Код: Выделить всё

o100 sub
G38  - ищем поверхность
G90  
G0 Z высота прокола
M3 - вкл дугу
g0 Z высота подпрыжки
G04 P  немного жжем, если хочестся
G0 A180 - зададим желаемое напряжение дуги
M xx - включим режим слежения по напряжению дуги
G01 А110 F20   опускаемся  до желаемого напряжение дуги (кстати нужную скорость можно расчитать на том же G-коде )
G91
F cкорость реза выставм скорость по материалу
<_hal[halpin]>=3      выставим  таймер блокировки  клевка в начале реза
o100 endsub  едем дальше
да хоть спиралькой, хоть крестиком!
UAVpilot писал(а): odekolon писал(а):
где-то хранить профили, подставлять данные из них в таймеры, мультиплексоры и т.п.
Место и способ хранения в любом варианте зависит только от фантазии разработчика и желания заказчика.
Ну если заказчика "нахлобучить"нужно, тогда конечно... :hehehe:
"Зачем просто, когда можно сложно"

UAVpilot писал(а): В чём сложность отладки например вот этого? Что и зачем тут нужно перезагружать?
THCController.py.gz
Вы опять передергиваете - я писал про внесение изменений в HAL - а вы код на питоне подсовываете...
Понятно, что большую часть процедур можно в компонент перенести, но без хал -компонентов все равно не обойтись...
UAVpilot писал(а):odekolon писал(а):
в приведенной на схеме конфигурации оператор, вручную выставляет каждый параметр
что явно неудобно
Тогда надо гнать такого разработчика, если он не может сделать удобно.
Что ж мне самого себя выгнать? :hehehe:
нас самом деле так - нужно было решить задачу - я ее решил.
а щас так - "улучшайзинг"
но "городить огород" - когда можно сделать "в разы проще и гибче" - нахрена?
опять же мои профили-подпрограммы может любой программист-оператор поправить, а в вашем случае, нужен разработчик или сравнимый с ним по квалификации инженер.
а от рукожопого оператора файлы можно дааалеко запрятать и не давать прав на редактирование.
"Капиталистом стать можно лишь тогда, когда обогатишь свою память знанием всех тех богатств, которые выработало человечество"
Аватара пользователя
Serg
Мастер
Сообщения: 21923
Зарегистрирован: 17 апр 2012, 14:58
Репутация: 5183
Заслуга: c781c134843e0c1a3de9
Настоящее имя: Сергей
Откуда: Москва
Контактная информация:

Re: ремап M3 + выбор профиля

Сообщение Serg »

odekolon писал(а):Это примерно то же, что и у меня в конфиурации плазмы, токо нарисовано покрасивше :)
Тут совсем другой принцип - в коментах всё расписано.
odekolon писал(а):хотите с плавным опусканием дуги по напряжению - пожалуйста
И внезапно где-то в середине этой процедуры гаснет дуга...
odekolon писал(а):Ну если заказчика "нахлобучить"нужно, тогда конечно... :hehehe:
Каким образом? Заказчик уже выдал ТЗ и работа ведётся по нему за ранее оговоренную плату. А исполнитель сам выбирает наиболее подходящий способ хранения данных. Я например предпочитаю БД sqlite.
odekolon писал(а):Вы опять передергиваете - я писал про внесение изменений в HAL - а вы код на питоне подсовываете...
Нет это вы передёргиваете! Я нигде не предлагал "вносить изменения в HAL". Более того, я всегда выступаю категорически против использования нестандартных компонентов, которые могут вдруг перестать работать при штатном апгрейде LinuxCNC. В данном случае компонент на питоне это не компонент LinuxCNC, а лишь часть данной конкретной конфигурации, примерно тоже-самое, что и обработчики событий galdevcp панели.
odekolon писал(а):нас самом деле так - нужно было решить задачу - я ее решил.
Задачи можно решать по разному. Можно решить здесь и сейчас, но я предпочитаю такие решения, чтобы они в процессе эксплуатации не требовали моего присутствия по каждому чиху. :)
odekolon писал(а):опять же мои профили-подпрограммы может любой программист-оператор поправить, а в вашем случае, нужен разработчик или сравнимый с ним по квалификации инженер.
Мои как правило править не требуется - всё предусмотрено заранее. :) И в любом случае всё максимально документировано.
odekolon писал(а):а от рукожопого оператора файлы можно дааалеко запрятать и не давать прав на редактирование.
В моём случае это так - файлы конфигурации ему не доступны. А вот расскажи как в твоём случае спрятать от него MDI с помощью которого он сможет даже менять значения пинов/параметров HAL?..

P.S. Этот бессмысленный и беспощадный спор ни о чём мне окончательно надоел. Своим опытом я поделился как смог, никого обращать в другую веру не собираюсь.
Я не Христос, рыбу не раздаю, но могу научить, как сделать удочку...
Аватара пользователя
odekolon
Мастер
Сообщения: 1125
Зарегистрирован: 05 ноя 2014, 14:53
Репутация: 360
Настоящее имя: Борис
Контактная информация:

Re: ремап M3 + выбор профиля

Сообщение odekolon »

UAVpilot писал(а):odekolon писал(а):
хотите с плавным опусканием дуги по напряжению - пожалуйста

И внезапно где-то в середине этой процедуры гаснет дуга...
а вот тут сработет детектор на HAL и поставит прогу на стоп...
заново дырить со старым профилем на том же месте, уже бессмысленно ...
оператор выберет другой подходящий профиль и запустит его.
UAVpilot писал(а):odekolon писал(а):
Вы опять передергиваете - я писал про внесение изменений в HAL - а вы код на питоне подсовываете...
Нет это вы передёргиваете! Я нигде не предлагал "вносить изменения в HAL"
вот мое сообщение:
odekolon писал(а): реализация профилей на НАL непроста и требует дебаггинга с обязательной перезагрузкой системы после каждой итеррации. при реализации профилей на g-коде
достаточно перезагрузить просто перезагрузить УП!
и ваш ответ на него:
UAVpilot писал(а):Ахренеть! А я не знал и как лох обхожусь без этих ужасов...

UAVpilot писал(а):Мои как правило править не требуется - всё предусмотрено заранее. И в любом случае всё максимально документировано.
всего заранее предусмотреть невозможно. Сделать под ТЗ - да можно. Ачто там еще захочется при эксплуатации ....
UAVpilot писал(а):P.S. Этот бессмысленный и беспощадный спор ни о чём мне окончательно надоел. Своим опытом я поделился как смог, никого обращать в другую веру не собираюсь.
ну да, ну да. грустно только что больше никого эта тема не заинтересовала...

к несчастью, мало кто в хале ковыряется, не говоря уж о своих компонентах :(
"Капиталистом стать можно лишь тогда, когда обогатишь свою память знанием всех тех богатств, которые выработало человечество"
ex71
Мастер
Сообщения: 759
Зарегистрирован: 18 май 2019, 13:23
Репутация: 109
Настоящее имя: Андрей
Контактная информация:

Re: ремап M3 + выбор профиля

Сообщение ex71 »

капец вы тут спорите.. я по своему опыту работы на лазере просто хочу вас немного раздвинуть в вашем желании друг друга перепечатать )
в кратце: параметры лазера должны меняться на лету. Это крайне часто бывает нужно. На лету это когда в режиме паузы можно поменять скорость или давление газа, или время прокола, а потом продолжить выполнение.
Почему так?
потому что... потому что металл бывает разный, листы бывают разные. У нас по началу каждый лист 12мм стали резался по своему. Через ПОЛ ГОДА только, смогли сделать усредненные настройки, при которых режется любой лист 12мм стали. Поставщик один. Но оптимизация резки нужна постоянно. Иногда ржавчина влияет. Иногда грязь/масло. Да даже состав кислорода иногда меняется от партии к партии. И перезаписывать под каждый вариант заного УП из САПР - ну вааапще не вариант.
Хотя в большом объеме резки с уже готовыми параметрами не часто что-то перестраивается.
UAVpilot писал(а):Каких например? Спиральное врезание?
Проколы иногда надо делать отдельно. То есть сначала весь лист проколоть (или часть), потом резать. Это спасет от перегрева и падения качества реза. Да бывает что проколы на одном краю листа делаются за 2 секунды (и все прошлые листы шли за 2с), а на другом краю и 4 не хватает. Нужно менять параметры на лету.


Да конфиги(профили) должны быть отдельно. При чем лучше если они будут выведены в окно системы. Где можно будет менять значения не останавливая станок с последующим перезапуском сначала.
Мои друзья уже 11 лет режут лазером. У них самодельный станок, на заводской стойке. Все это "наше", не китай или европа. И вот по сравнению с современным китайским CypCut - у них просто жопа.. Надо в одной проге сделать раскладку, сохранить ее, вывести ее в gcode, потом самописным конвертером очистить лишние перемещения (+некоторая оптимизация делается), после грузим в стойку, и жмем старт. Вовзрат вперед/назад не возможен. Начать резать одну выбранную деталь нельзя (скажем перерезать или пройти второй раз по ней - бывает надо).
А если что-то поменять - заного возвращаетмся в раскладку, там делаем изменения, сохраняем, оптимизируем, грузим, жерем.. Занимает минут 5 это.
Я тоже самое за 10 секунд делал в CypCut.

Я не могу вам помочь в хале или в хранении профилей. Я могу лишь посоветовать купить CypCut. Ну еще могу подсказать как было бы удобнее со стороны оператора.
Если лазер промышленный, или свой и на него будет много работы - все эти LinuxCNC или даже НЦ(современная) - фуфло. С ними денег не заработаете. Стоимость лазера (вернее окупаемость) много выше чем экономия на проф. системе. Она окупится за 3-4 месяца.
Это все актуально для волоконника. С газовыми проще, они так сказать "легче"
Аватара пользователя
Serg
Мастер
Сообщения: 21923
Зарегистрирован: 17 апр 2012, 14:58
Репутация: 5183
Заслуга: c781c134843e0c1a3de9
Настоящее имя: Сергей
Откуда: Москва
Контактная информация:

Re: ремап M3 + выбор профиля

Сообщение Serg »

ex71 писал(а):в кратце: параметры лазера должны меняться на лету.
ex71 писал(а):Проколы иногда надо делать отдельно.
ex71 писал(а):Да конфиги(профили) должны быть отдельно. При чем лучше если они будут выведены в окно системы. Где можно будет менять значения не останавливая станок с последующим перезапуском сначала.
А тут кто-то был против этого?.. :)
ex71 писал(а):Я могу лишь посоветовать купить CypCut.
Надо было сразу это писать, а не заставлять всех читать то, против чего здесь никто не возражает. :lol:
Только не понятно причём тут раздел форума про LinuxCNC? Или мы становимся свидетелями рождения ещё одной "группы поддержки"? :)
Я не Христос, рыбу не раздаю, но могу научить, как сделать удочку...
Ответить

Вернуться в «LinuxCNC»