COM-порт: клавиатура и другие "антикризисные" решения.
- solanto
 - Почётный участник

 - Сообщения: 963
 - Зарегистрирован: 02 апр 2014, 09:10
 - Репутация: 94
 - Настоящее имя: Александр
 - Откуда: Карачаево-Черкесская республика, г.Черкесск
 - Контактная информация:
 
Re: COM-порт, клавиатура и другие "антикризисные" решения.
Купил сегодня 3 энкодера фирмы ALPS по 60р 
  Скоро буду пробовать делать пульт.
			
			
									
									Мне пофигу, что думают обо мне люди, пока они не начинают меня бить.
Вектроник А4-12: от заказа до готовности - http://cnc-club.ru/forum/viewtopic.php?f=3&t=5248
Токарник по дереву - http://cnc-club.ru/forum/viewtopic.php?f=3&t=5623

						Вектроник А4-12: от заказа до готовности - http://cnc-club.ru/forum/viewtopic.php?f=3&t=5248
Токарник по дереву - http://cnc-club.ru/forum/viewtopic.php?f=3&t=5623

- Сергей Саныч
 - Мастер
 - Сообщения: 9116
 - Зарегистрирован: 30 май 2012, 14:20
 - Репутация: 2858
 - Откуда: Тюмень
 - Контактная информация:
 
Re: COM-порт: клавиатура и другие "антикризисные" решения.
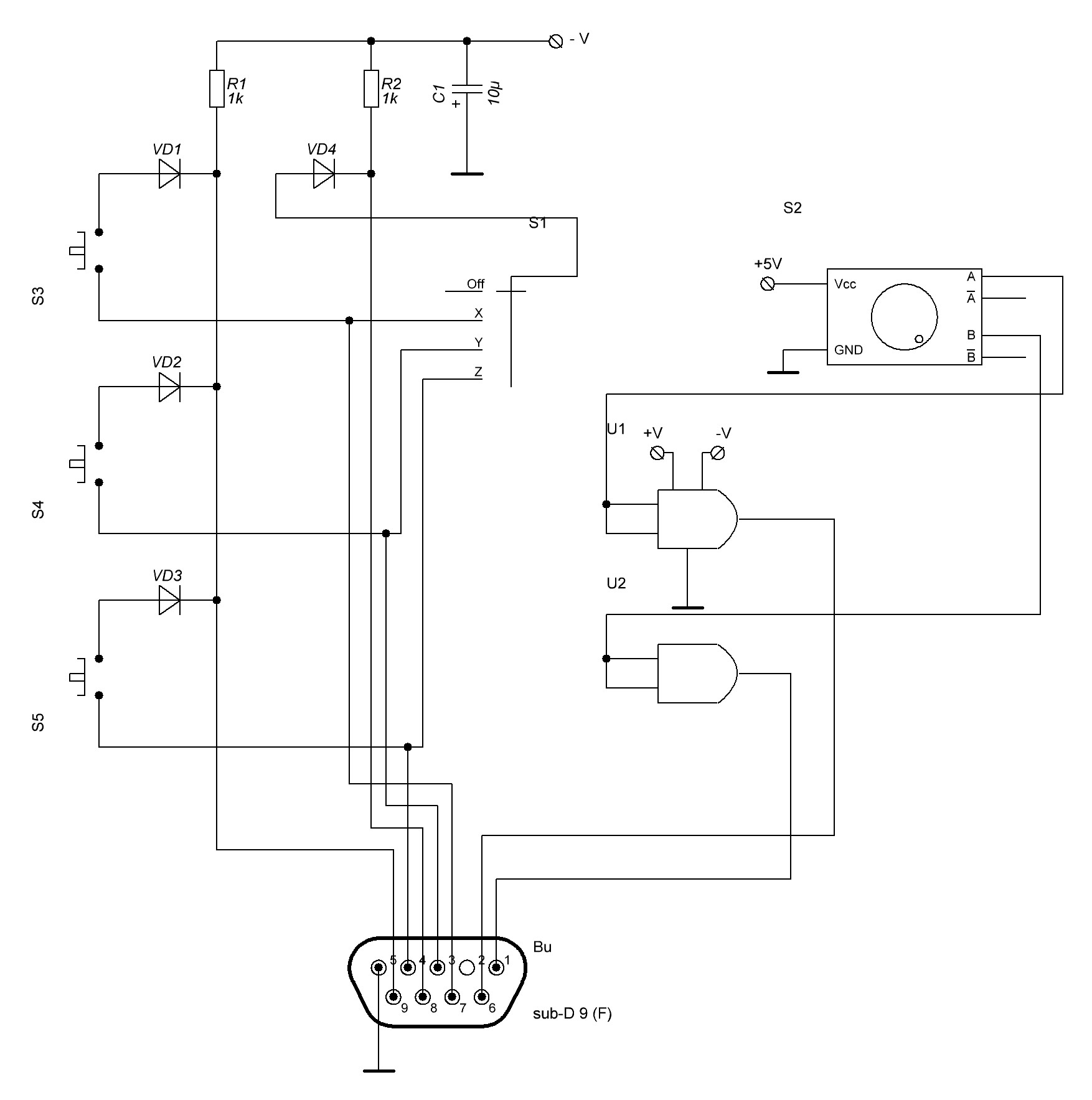
Сделал прототип пульта с "настоящим" штурвалом.
Штурвал (он же MPG, РГИ) - энкодер на 100 импульсов/оборот, питание 5В, выход ТТЛ.
Для согласования уровней с COM-портом служит классическая микросхема МС1488. К сожалению, имеющийся в моем распоряжении штурвал потребляет около 80 мА, поэтому запитать его от сигналов порта, как предыдущие схемы, не выйдет. Пришлось использовать внешнее питание. Проще всего протянуть от БП компьютера +5, +12 и -12 вольт или сделать несложный преобразователь.
я пошел по второму пути, поскольку под рукой не было гибкого кабеля на 11 проводов, зато была платка для одного устройства, где имелась разводка под необходимую схему
Трехпозиционный тумблер на боковой стенке предназначен для выбора координаты - X, Y или Z.
Тестовые файлы
			
			
									
									Для согласования уровней с COM-портом служит классическая микросхема МС1488. К сожалению, имеющийся в моем распоряжении штурвал потребляет около 80 мА, поэтому запитать его от сигналов порта, как предыдущие схемы, не выйдет. Пришлось использовать внешнее питание. Проще всего протянуть от БП компьютера +5, +12 и -12 вольт или сделать несложный преобразователь.
я пошел по второму пути, поскольку под рукой не было гибкого кабеля на 11 проводов, зато была платка для одного устройства, где имелась разводка под необходимую схему
Тестовые файлы
Чудес не бывает. Бывают фокусы.
						- solanto
 - Почётный участник

 - Сообщения: 963
 - Зарегистрирован: 02 апр 2014, 09:10
 - Репутация: 94
 - Настоящее имя: Александр
 - Откуда: Карачаево-Черкесская республика, г.Черкесск
 - Контактная информация:
 
Re: COM-порт: клавиатура и другие "антикризисные" решения.
ИМХО лучше не трёх позиционник а галетник на 4 позиции: X, Y, Z, OffСергей Саныч писал(а):Трехпозиционный тумблер на боковой стенке предназначен для выбора координаты - X, Y или Z.
Мне пофигу, что думают обо мне люди, пока они не начинают меня бить.
Вектроник А4-12: от заказа до готовности - http://cnc-club.ru/forum/viewtopic.php?f=3&t=5248
Токарник по дереву - http://cnc-club.ru/forum/viewtopic.php?f=3&t=5623

						Вектроник А4-12: от заказа до готовности - http://cnc-club.ru/forum/viewtopic.php?f=3&t=5248
Токарник по дереву - http://cnc-club.ru/forum/viewtopic.php?f=3&t=5623

- solanto
 - Почётный участник

 - Сообщения: 963
 - Зарегистрирован: 02 апр 2014, 09:10
 - Репутация: 94
 - Настоящее имя: Александр
 - Откуда: Карачаево-Черкесская республика, г.Черкесск
 - Контактная информация:
 
Re: COM-порт: клавиатура и другие "антикризисные" решения.
Например так:
			
			
									
									Мне пофигу, что думают обо мне люди, пока они не начинают меня бить.
Вектроник А4-12: от заказа до готовности - http://cnc-club.ru/forum/viewtopic.php?f=3&t=5248
Токарник по дереву - http://cnc-club.ru/forum/viewtopic.php?f=3&t=5623

						Вектроник А4-12: от заказа до готовности - http://cnc-club.ru/forum/viewtopic.php?f=3&t=5248
Токарник по дереву - http://cnc-club.ru/forum/viewtopic.php?f=3&t=5623

- Сергей Саныч
 - Мастер
 - Сообщения: 9116
 - Зарегистрирован: 30 май 2012, 14:20
 - Репутация: 2858
 - Откуда: Тюмень
 - Контактная информация:
 
Re: COM-порт: клавиатура и другие "антикризисные" решения.
Можно, почему нет?
			
			
									
									Чудес не бывает. Бывают фокусы.
						- solanto
 - Почётный участник

 - Сообщения: 963
 - Зарегистрирован: 02 апр 2014, 09:10
 - Репутация: 94
 - Настоящее имя: Александр
 - Откуда: Карачаево-Черкесская республика, г.Черкесск
 - Контактная информация:
 
Re: COM-порт: клавиатура и другие "антикризисные" решения.
ИМХО так думаю лучше т.к. не будет вероятности случайно повернув штурвал сместить фрезу просто поставив переключатель выбора оси в положение "Off"
			
			
									
									Мне пофигу, что думают обо мне люди, пока они не начинают меня бить.
Вектроник А4-12: от заказа до готовности - http://cnc-club.ru/forum/viewtopic.php?f=3&t=5248
Токарник по дереву - http://cnc-club.ru/forum/viewtopic.php?f=3&t=5623

						Вектроник А4-12: от заказа до готовности - http://cnc-club.ru/forum/viewtopic.php?f=3&t=5248
Токарник по дереву - http://cnc-club.ru/forum/viewtopic.php?f=3&t=5623

- Nick
 - Мастер
 - Сообщения: 22776
 - Зарегистрирован: 23 ноя 2009, 16:45
 - Репутация: 1735
 - Заслуга: Developer
 - Откуда: Gatchina, Saint-Petersburg distr., Russia
 - Контактная информация:
 
Re: COM-порт: клавиатура и другие "антикризисные" решения.
Наверное можно еще медальку дать...
Но давай ответы на три вопроса:
1. Что нравится?
2. Что не нравится?
3. Что в следующий раз сделаешь по другому, или как можно дальше расширить возможности пульта?
- Serg
 - Мастер
 - Сообщения: 21923
 - Зарегистрирован: 17 апр 2012, 14:58
 - Репутация: 5183
 - Заслуга: c781c134843e0c1a3de9
 - Настоящее имя: Сергей
 - Откуда: Москва
 - Контактная информация:
 
Re: COM-порт: клавиатура и другие "антикризисные" решения.
Гораздо удобнее три отдельные кнопки на боковой стенке пульта, чтоб можно было нажимать пальцем руки, которой держишь пульт - пока кнопка нажата штурвал работает для соотв. оси.solanto писал(а):ИМХО лучше не трёх позиционник а галетник на 4 позиции: X, Y, Z, Off
Это позволяет не "забывать" переключаться на нужную ось.
Я не Христос, рыбу не раздаю, но могу научить, как сделать удочку...
						- solanto
 - Почётный участник

 - Сообщения: 963
 - Зарегистрирован: 02 апр 2014, 09:10
 - Репутация: 94
 - Настоящее имя: Александр
 - Откуда: Карачаево-Черкесская республика, г.Черкесск
 - Контактная информация:
 
Re: COM-порт: клавиатура и другие "антикризисные" решения.
А это кстати идея. Надо прикинуть вечером, как это будет работать.UAVpilot писал(а):Это позволяет не "забывать" переключаться на нужную ось.
Мне пофигу, что думают обо мне люди, пока они не начинают меня бить.
Вектроник А4-12: от заказа до готовности - http://cnc-club.ru/forum/viewtopic.php?f=3&t=5248
Токарник по дереву - http://cnc-club.ru/forum/viewtopic.php?f=3&t=5623

						Вектроник А4-12: от заказа до готовности - http://cnc-club.ru/forum/viewtopic.php?f=3&t=5248
Токарник по дереву - http://cnc-club.ru/forum/viewtopic.php?f=3&t=5623

- Сергей Саныч
 - Мастер
 - Сообщения: 9116
 - Зарегистрирован: 30 май 2012, 14:20
 - Репутация: 2858
 - Откуда: Тюмень
 - Контактная информация:
 
Re: COM-порт: клавиатура и другие "антикризисные" решения.
1. Что нравится?Nick писал(а):Но давай ответы на три вопроса:
Поскольку пульт делался как "антикризисный", в нем, кроме штурвала, нет ни одной специально купленной детали. Подключается к COM-порту, который обычно тоже "валяется без дела".
Очень удобно подгонять координаты к нужной точке, особенно в сочетании с АКПП для РГИ
2. Что не нравится?
Что я вряд ли соберусь перетащить этот прототип в нормальный, эргономичный корпус вместо этой дурацкой коробочки
3. Что в следующий раз сделаешь по другому, или как можно дальше расширить возможности пульта?
Корпус нормальный нужен, кнопки получше и побольше количеством. Причем желательно сохранить "бюджетность" пульта, хотя бы из "спортивного интереса"
Чудес не бывает. Бывают фокусы.
						- 
				_taras_
 - Мастер
 - Сообщения: 546
 - Зарегистрирован: 16 мар 2011, 15:19
 - Репутация: 69
 - Контактная информация:
 
Re: COM-порт: клавиатура и другие "антикризисные" решения.
Сергей Саныч!
Как вы подвели питание? Отдельным кабелем? На фотографиях пульта не видно.
Какой энкодер используете? Название напишите плз, чтоб можно было заказать аналогичный.
			
			
									
									
						Как вы подвели питание? Отдельным кабелем? На фотографиях пульта не видно.
Какой энкодер используете? Название напишите плз, чтоб можно было заказать аналогичный.
- Сергей Саныч
 - Мастер
 - Сообщения: 9116
 - Зарегистрирован: 30 май 2012, 14:20
 - Репутация: 2858
 - Откуда: Тюмень
 - Контактная информация:
 
Re: COM-порт: клавиатура и другие "антикризисные" решения.
+12В подал по тому же кабелю, контакт 2, вместо сигнала RxD, который не используется._taras_ писал(а):Как вы подвели питание? Отдельным кабелем? На фотографиях пульта не видно.
Энкодер ZSS600-001-100B-5L DC5V покупал у sergey27rus здесь Re: Комплектующие ЧПУ #16
Чудес не бывает. Бывают фокусы.
						- sergey27rus
 - Почётный участник

 - Сообщения: 1146
 - Зарегистрирован: 15 авг 2013, 07:22
 - Репутация: 730
 - Настоящее имя: Сергей
 - Откуда: Хабаровск Дальний Восток РФ
 - Контактная информация:
 
Re: COM-порт: клавиатура и другие "антикризисные" решения.
С Днем Рождения! Пожелать можно многое, но пожелаю только одно ЗДОРОВЬЯ!
			
			
									
									
						- 
				Mihaill
 - Мастер
 - Сообщения: 238
 - Зарегистрирован: 02 июн 2014, 12:06
 - Репутация: 68
 - Откуда: Ярославль
 - Контактная информация:
 
Re: COM-порт: клавиатура и другие "антикризисные" решения.
Спасибо, отличная идея обязательно применю это для своего оборудования, уважаемые форумчане если кто то делал макет печатной платы поделитесь пожалуйста, сам я к сожалению имею слишком мало знаний в подобных вопросах.
			
			
									
									
						- solanto
 - Почётный участник

 - Сообщения: 963
 - Зарегистрирован: 02 апр 2014, 09:10
 - Репутация: 94
 - Настоящее имя: Александр
 - Откуда: Карачаево-Черкесская республика, г.Черкесск
 - Контактная информация:
 
Re: COM-порт: клавиатура и другие "антикризисные" решения.
Тут только самостоятельно, ведь некто не знает какой у Вас корпус и какие комплектующие.Mihaill писал(а):уважаемые форумчане если кто то делал макет печатной платы поделитесь пожалуйста
Мне пофигу, что думают обо мне люди, пока они не начинают меня бить.
Вектроник А4-12: от заказа до готовности - http://cnc-club.ru/forum/viewtopic.php?f=3&t=5248
Токарник по дереву - http://cnc-club.ru/forum/viewtopic.php?f=3&t=5623

						Вектроник А4-12: от заказа до готовности - http://cnc-club.ru/forum/viewtopic.php?f=3&t=5248
Токарник по дереву - http://cnc-club.ru/forum/viewtopic.php?f=3&t=5623

- 
				Mihaill
 - Мастер
 - Сообщения: 238
 - Зарегистрирован: 02 июн 2014, 12:06
 - Репутация: 68
 - Откуда: Ярославль
 - Контактная информация:
 
Re: COM-порт: клавиатура и другие "антикризисные" решения.
Корпуса вообще не будет, размещю на панели управления, а энкодер 12 вольтовый на 100 импульсов, вчера начал макетировать получается коряво, попробую проконсультироватся у электронщиков, может не пошлют далеко.solanto писал(а):какой у Вас корпус и какие комплектующие
- Сергей Саныч
 - Мастер
 - Сообщения: 9116
 - Зарегистрирован: 30 май 2012, 14:20
 - Репутация: 2858
 - Откуда: Тюмень
 - Контактная информация:
 
Re: COM-порт: клавиатура и другие "антикризисные" решения.
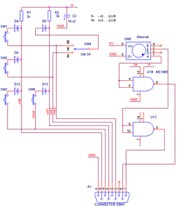
Продолжаем извлекать пользу из COM-порта 
 
Сегодня - ввод сигналов аналоговых датчиков и управление твердотельным реле. Разберем на примере конкретного устройства - схемы управления вакуум-насосом и контроля вакуума.
При работе с вакуумным столом полезно знать величину разрежения - показывает, насколько плотно прилегает деталь к столу, а кроме того, позволяет экстренно остановить станок, если деталь вдруг сорвет со стола. Для это нам потребуются:
- сенсор, преобразующий значение остаточного давления в электрический сигнал.
- аналого-цифровой преобразователь
- схема интерфейса АЦП и управляющего компьютера.
- программная часть
В качестве сенсора был применен датчик абсолютного давления. Такие используются в системе управления двигателем современных автомобилей. Напряжение питания 5В, выходное напряжение - от 0,2 до 4,8В при изменении давления на входе от 15 до 102 кПа (примерно 110..760 мм.рт.ст).
Поскольку требуется только оценочная точность, в качестве АЦП был использован простой преобразователь напряжение-частота на крайне распространенной микросхеме - таймере 555 (отечественный аналог К1006ВИ1). Цепочка C2R4 симметрирует выходной сигнал ПНЧ относительно нуля для лучшего согласования со входом порта. С этой же целью питание ПНЧ выбрано достаточно высокое (12В). Частотный сигнал в диапазоне примерно от 400 до 900 Гц через один из входов COM-порта поступает в компьютер, где обрабатывается LinuxCNC. Для измерения частоты используется компонент encoder в режиме counter-mode. U1 - стабилизатор. Обеспечивает 5В для питания сенсора.
В нижней части схемы - цепь управления вакуум-насосом. Для включения насоса применено твердотельное реле (SSR). Входная цепь этого реле рассчитана на напряжение 3..32В и потребляет при напряжении 9В около 7мА, что позволяет управлять им непосредственно сигналом от COM-порта.
			
			
									
									Сегодня - ввод сигналов аналоговых датчиков и управление твердотельным реле. Разберем на примере конкретного устройства - схемы управления вакуум-насосом и контроля вакуума.
При работе с вакуумным столом полезно знать величину разрежения - показывает, насколько плотно прилегает деталь к столу, а кроме того, позволяет экстренно остановить станок, если деталь вдруг сорвет со стола. Для это нам потребуются:
- сенсор, преобразующий значение остаточного давления в электрический сигнал.
- аналого-цифровой преобразователь
- схема интерфейса АЦП и управляющего компьютера.
- программная часть
В качестве сенсора был применен датчик абсолютного давления. Такие используются в системе управления двигателем современных автомобилей. Напряжение питания 5В, выходное напряжение - от 0,2 до 4,8В при изменении давления на входе от 15 до 102 кПа (примерно 110..760 мм.рт.ст).
Поскольку требуется только оценочная точность, в качестве АЦП был использован простой преобразователь напряжение-частота на крайне распространенной микросхеме - таймере 555 (отечественный аналог К1006ВИ1). Цепочка C2R4 симметрирует выходной сигнал ПНЧ относительно нуля для лучшего согласования со входом порта. С этой же целью питание ПНЧ выбрано достаточно высокое (12В). Частотный сигнал в диапазоне примерно от 400 до 900 Гц через один из входов COM-порта поступает в компьютер, где обрабатывается LinuxCNC. Для измерения частоты используется компонент encoder в режиме counter-mode. U1 - стабилизатор. Обеспечивает 5В для питания сенсора.
В нижней части схемы - цепь управления вакуум-насосом. Для включения насоса применено твердотельное реле (SSR). Входная цепь этого реле рассчитана на напряжение 3..32В и потребляет при напряжении 9В около 7мА, что позволяет управлять им непосредственно сигналом от COM-порта.
Чудес не бывает. Бывают фокусы.
						- Сергей Саныч
 - Мастер
 - Сообщения: 9116
 - Зарегистрирован: 30 май 2012, 14:20
 - Репутация: 2858
 - Откуда: Тюмень
 - Контактная информация:
 
Re: COM-порт: клавиатура и другие "антикризисные" решения.
Добавил демонстрационные файлы .hal и .xml и видео.
https://www.youtube.com/watch?v=szoVywVN1BQ
			
							https://www.youtube.com/watch?v=szoVywVN1BQ
- Вложения
 - 
			
		
		
				
- vacuum.zip
 - (1.1 КБ) 611 скачиваний
 
 
Чудес не бывает. Бывают фокусы.
						- solo
 - Мастер
 - Сообщения: 1374
 - Зарегистрирован: 20 окт 2011, 18:39
 - Репутация: 272
 - Настоящее имя: Юрий Соловьев
 - Откуда: Украина Харьков
 - Контактная информация:
 
Re: COM-порт: клавиатура и другие "антикризисные" решения.
о так это наверное можно термисторы прилепить к такой штучке , чтобы читать и регулировать температуру для 3д принтера , на базе LCNCСергей Саныч писал(а):Поскольку требуется только оценочная точность, в качестве АЦП был использован простой преобразователь напряжение-частота на крайне распространенной микросхеме - таймере 555 (отечественный аналог К1006ВИ1). Цепочка C2R4 симметрирует выходной сигнал ПНЧ относительно нуля для лучшего согласования со входом порта. С этой же целью питание ПНЧ выбрано достаточно высокое (12В). Частотный сигнал в диапазоне примерно от 400 до 900 Гц через один из входов COM-порта поступает в компьютер, где обрабатывается LinuxCNC. Для измерения частоты используется компонент encoder в режиме counter-mode
