ТПК-125 Восстановление

Токарные станки с ЧПУ.
aftaev
Зачётный участник
Зачётный участник
Сообщения: 34042
Зарегистрирован: 04 апр 2010, 19:22
Репутация: 6194
Откуда: Казахстан.
Контактная информация:

Re: ТПК-125 Восстановление

Сообщение aftaev »

Duhas писал(а):ссылочку\модельку\ что гуглить можно ? )
на 2000рисок
http://www.aliexpress.com/item/Free-Shi ... 67877.html

на 100рисок
http://www.aliexpress.com/item/New-Enco ... 15426.html
Дилетанту сложные вещи кажутся очень простыми, и только профессионал понимает насколько сложна самая простая вещь
Кто хочет - ищет возможности, кто не хочет - ищет оправдание.
Найди работу по душе и тебе не придется работать.
Duhas
Мастер
Сообщения: 1961
Зарегистрирован: 10 окт 2015, 23:25
Репутация: 285
Настоящее имя: Андрей
Откуда: Красноярск
Контактная информация:

Re: ТПК-125 Восстановление

Сообщение Duhas »

просто энкодер понятно, я видимо кривовато влез, я про маховички писал, т.е. энкодер с ручкой-лимбом.
aftaev
Зачётный участник
Зачётный участник
Сообщения: 34042
Зарегистрирован: 04 апр 2010, 19:22
Репутация: 6194
Откуда: Казахстан.
Контактная информация:

Re: ТПК-125 Восстановление

Сообщение aftaev »

Duhas писал(а):я про маховички писал, т.е. энкодер с ручкой-лимбом.
По нашему называется РГИ(ручной генератор импульсов) или MPG cnc - по англиШскому ;)
Если у тебя на станке есть трещетки, то на свой специально купил энкодер на 100рисок (вторая сцылка)
Дилетанту сложные вещи кажутся очень простыми, и только профессионал понимает насколько сложна самая простая вещь
Кто хочет - ищет возможности, кто не хочет - ищет оправдание.
Найди работу по душе и тебе не придется работать.
Аватара пользователя
rebire
Мастер
Сообщения: 219
Зарегистрирован: 25 сен 2015, 00:43
Репутация: 25
Настоящее имя: Дмитрий
Откуда: ульяновск
Контактная информация:

Re: ТПК-125 Восстановление

Сообщение rebire »

Hanter писал(а):ээээ скажите - а нахрена эта грыжа 15ти вольтовая нужна за сотку зелени?? чем омрон за 30-ник не устраивает ? если нада - могу со своего снять и подарить.. всеравно выброшу....
эта грыжа 5ти вольтовая,(обозначение А-15в,А5-5в),а омрон какой,параметры?да если бы сразу знать что омрон подойдет купил бы уже давно,когда задавал вопросы на форуме про энкодер,автаев писал что он мне не нужен пока,вообщем ни кто не подсказал,но резьбу я решил резать резцом может и прав автаев вся эта затея с энкодером пустая но надо попробывать и успакоется,пока и сам смутно понимаю как это все работать будет но уже со многим разобрался благодаря форуму и с этим разберусь,вот и искал сам сначала купил со штурвалом прождал две недели пока придет не тот нет ноль метки,сейчас прождал две недели пришло не то,(прошол месяц),сегодня с ними созвонился сказали что вышлют на следующей недели,вообщем если бы заказал на али уже давно пришел.
aftaev писал(а):rebire, по моей сцылке занимаются производством, по твоей или б/у или перепродажа
да точно,понял из ихнего разговора,мол нам пришлют от куда-то,а мы вам.
посмотрим.
_____________________
Собрали и смело включайте, лишнее выгорит!
Аватара пользователя
Hanter
Мастер
Сообщения: 5414
Зарегистрирован: 27 янв 2012, 14:52
Репутация: 4338
Настоящее имя: Алексей
Откуда: Питер
Контактная информация:

Re: ТПК-125 Восстановление

Сообщение Hanter »

о пардон... у меня просто все 15ти вольтовые были.. от всех почти избавился просто раздав их знакомым.. ибо нахрен не нужны.. и работают грубо. трещетка как серпом по ... осталось чисто в виде энкодера одна на ТПКшке как раз... на днях выкорчуюю ее оттуда.. если просто энкодер нужен - вот эти дешево и сердито: http://www.ebay.com/itm/252049900204?_t ... EBIDX%3AIT если именно МПГ нужен - крутилка с ручкой - я вот этих десяток брал http://www.ebay.com/itm/161823278146?_t ... EBIDX%3AIT - без проблем живут и вполне приятно работают. но если говорить о "феншуе" - по работе мне больше всего нравятся вот такие: http://www.ebay.com/itm/1-PC-New-Fanuc- ... Swl9BWLuMU - по тактильным ощущениям самые приятные из всего что пробовал..
Опыт - это когда на смену вопросам: "Что? Где? Когда? Как? Почему?" Приходит единственный вопрос: "Нахрена?"
==========================================
фрезерная и токарная обработка на станках с чпу.
Резка, гибка, сварка и порошковая окраса.
Аватара пользователя
rebire
Мастер
Сообщения: 219
Зарегистрирован: 25 сен 2015, 00:43
Репутация: 25
Настоящее имя: Дмитрий
Откуда: ульяновск
Контактная информация:

Re: ТПК-125 Восстановление

Сообщение rebire »

Hanter писал(а):если просто энкодер нужен - вот эти дешево и сердито: http://www.ebay.com/itm/252049900204?_t ... EBIDX%3AIT
да в следующий раз буду брать такой,а пока беру на 100 импульсов ибо лпт порт говорят больше не потянет :) .
Hanter писал(а):если именно МПГ нужен - крутилка с ручкой - я вот этих десяток брал http://www.ebay.com/itm/161823278146?_t ... EBIDX%3AIT - без проблем живут и вполне приятно работают. но если говорить о "феншуе" - по работе мне больше всего нравятся вот такие: http://www.ebay.com/itm/1-PC-New-Fanuc- ... Swl9BWLuMU - по тактильным ощущениям самые приятные из всего что пробовал..
крутилку с ручкой(штурвалом) приобрел самым первым по низнанки правдо пяти вольтовая может и сгодится для чего нибудь
ве.jpg (3809 просмотров) <a class='original' href='./download/file.php?id=65627&mode=view' target=_blank>Загрузить оригинал (70.49 КБ)</a>
У меня возник вопрос.Сегодня подключил частотник ABB350 к компу(lдостался мне без панельки управления)и увидел в настройках что можно задать две фиксированые скорости,так вот я понимаю так,допустим фиксированая 1000об.мин энкодер считывает по факту 1010об.мин и исходя из этих 1010об синхронизирует подачу резца для нарезания резьбы правильно я понимаю? :thinking:
и если использовать не фиксированую скорость а шим преобразователь тогда в программе через S указывать число оборотов,а энкодер и лпт порт уже синхронизируют подачу? :thinking:
и как лучше или через что подключать частотник из вашего опыта?
_____________________
Собрали и смело включайте, лишнее выгорит!
aftaev
Зачётный участник
Зачётный участник
Сообщения: 34042
Зарегистрирован: 04 апр 2010, 19:22
Репутация: 6194
Откуда: Казахстан.
Контактная информация:

Re: ТПК-125 Восстановление

Сообщение aftaev »

rebire писал(а):по низнанки правдо пяти вольтовая может и сгодится для чего нибудь
5ти вольтовая скорее и подойдет, ее то нужно в ЧПУ заводить ;)
Дилетанту сложные вещи кажутся очень простыми, и только профессионал понимает насколько сложна самая простая вещь
Кто хочет - ищет возможности, кто не хочет - ищет оправдание.
Найди работу по душе и тебе не придется работать.
aftaev
Зачётный участник
Зачётный участник
Сообщения: 34042
Зарегистрирован: 04 апр 2010, 19:22
Репутация: 6194
Откуда: Казахстан.
Контактная информация:

Re: ТПК-125 Восстановление

Сообщение aftaev »

rebire писал(а):У меня возник вопрос.Сегодня подключил частотник ABB350 к компу(lдостался мне без панельки управления)и увидел в настройках что можно задать две фиксированые скорости,так вот я понимаю так,допустим фиксированая 1000об.мин энкодер считывает по факту 1010об.мин и исходя из этих 1010об синхронизирует подачу резца для нарезания резьбы правильно я понимаю?
У частотников обычно есть несколько входов под фиксированную частоту. Замкнул этот сигнал на землю и частотник крутит двиг скажем с 1й скоростью - 100 об/мин, подключил второй вход на земл мотор крутиться с 500об/мин. К ЧПУ эти режимы не применимы, разве что толчковый режим как то прилипендить к нему ;)
rebire писал(а):и как лучше или через что подключать частотник из вашего опыта?
через аналоговый вход +-10в.
Выложи картинку с мануала где нарисовано как подключать сигналы - нарисую куды подключать ;)
Дилетанту сложные вещи кажутся очень простыми, и только профессионал понимает насколько сложна самая простая вещь
Кто хочет - ищет возможности, кто не хочет - ищет оправдание.
Найди работу по душе и тебе не придется работать.
Аватара пользователя
rebire
Мастер
Сообщения: 219
Зарегистрирован: 25 сен 2015, 00:43
Репутация: 25
Настоящее имя: Дмитрий
Откуда: ульяновск
Контактная информация:

Re: ТПК-125 Восстановление

Сообщение rebire »

aftaev писал(а):5ти вольтовая скорее и подойдет, ее то нужно в ЧПУ заводить
да он пяти вольтовый только у него нет нулевой метки есть только фаза а и б,в этом весь вопрос изначально и встал.
aftaev писал(а):Выложи картинку с мануала где нарисовано как подключать сигналы - нарисую куды подключать
0083.jpg (3787 просмотров) <a class='original' href='./download/file.php?id=65633&mode=view' target=_blank>Загрузить оригинал (663.74 КБ)</a>
_____________________
Собрали и смело включайте, лишнее выгорит!
aftaev
Зачётный участник
Зачётный участник
Сообщения: 34042
Зарегистрирован: 04 апр 2010, 19:22
Репутация: 6194
Откуда: Казахстан.
Контактная информация:

Re: ТПК-125 Восстановление

Сообщение aftaev »

2 и 3 контакт по схеме вход аналогового задания.
Дилетанту сложные вещи кажутся очень простыми, и только профессионал понимает насколько сложна самая простая вещь
Кто хочет - ищет возможности, кто не хочет - ищет оправдание.
Найди работу по душе и тебе не придется работать.
Аватара пользователя
rebire
Мастер
Сообщения: 219
Зарегистрирован: 25 сен 2015, 00:43
Репутация: 25
Настоящее имя: Дмитрий
Откуда: ульяновск
Контактная информация:

Re: ТПК-125 Восстановление

Сообщение rebire »

aftaev писал(а):2 и 3 контакт по схеме вход аналогового задания
спасибо,
попробую подключу,а там видно будет.
_____________________
Собрали и смело включайте, лишнее выгорит!
aftaev
Зачётный участник
Зачётный участник
Сообщения: 34042
Зарегистрирован: 04 апр 2010, 19:22
Репутация: 6194
Откуда: Казахстан.
Контактная информация:

Re: ТПК-125 Восстановление

Сообщение aftaev »

Берешь и туды подключаешь батарейку на 1.5в и мотор должен начать медленно вращаться ;)
Дилетанту сложные вещи кажутся очень простыми, и только профессионал понимает насколько сложна самая простая вещь
Кто хочет - ищет возможности, кто не хочет - ищет оправдание.
Найди работу по душе и тебе не придется работать.
Аватара пользователя
rebire
Мастер
Сообщения: 219
Зарегистрирован: 25 сен 2015, 00:43
Репутация: 25
Настоящее имя: Дмитрий
Откуда: ульяновск
Контактная информация:

Re: ТПК-125 Восстановление

Сообщение rebire »

пишу программу потихоньку для обработки,пока жду энкодер
скажите кто какой код использует G33 или G76(линукс cnc) для нарезания внутренней резьбы глухой? :thinking:
_____________________
Собрали и смело включайте, лишнее выгорит!
Аватара пользователя
rebire
Мастер
Сообщения: 219
Зарегистрирован: 25 сен 2015, 00:43
Репутация: 25
Настоящее имя: Дмитрий
Откуда: ульяновск
Контактная информация:

Re: ТПК-125 Восстановление

Сообщение rebire »

rebire писал(а):пишу программу потихоньку для обработки,пока жду энкодер
скажите кто какой код использует G33 или G76(линукс cnc) для нарезания внутренней резьбы глухой?

немного разобрался G33 это синхронизированная подача,а
G76 нашел два варианта
1 G76 P- Z- I- J- R- K- Q- H- E- L-

2 G76 P010060 Q300 R0.1
G76 X16.933 Z-30 P1530 Q500 F2.5
какой код надо использовать чтобы не делать канавку в конце отв для выхода резца,если это возможно ?
управление linux cnc
_____________________
Собрали и смело включайте, лишнее выгорит!
aftaev
Зачётный участник
Зачётный участник
Сообщения: 34042
Зарегистрирован: 04 апр 2010, 19:22
Репутация: 6194
Откуда: Казахстан.
Контактная информация:

Re: ТПК-125 Восстановление

Сообщение aftaev »

rebire писал(а):какой код надо использовать чтобы не делать канавку в конце отв для выхода резца,если это возможно ?
Надо G76 x x x x x x x x Е=0 x
Если скорость шпинделя будет большой, а ось Х тормознутой - то не будет успевать отводить резец и будет канавка ;)
Gcode Lcnc.rar
(150.43 КБ) 438 скачиваний
Дилетанту сложные вещи кажутся очень простыми, и только профессионал понимает насколько сложна самая простая вещь
Кто хочет - ищет возможности, кто не хочет - ищет оправдание.
Найди работу по душе и тебе не придется работать.
Аватара пользователя
rebire
Мастер
Сообщения: 219
Зарегистрирован: 25 сен 2015, 00:43
Репутация: 25
Настоящее имя: Дмитрий
Откуда: ульяновск
Контактная информация:

Re: ТПК-125 Восстановление

Сообщение rebire »

вопрос по циклу G54 токарная обработка(Переключиться на заданную оператором систему координат).
я так понимаю станок в начале программы нашел нули по осям,а циклом G54 можно эти нули перенести в любое место,например G54 G0 Z10 X10 и при следующим вводе координат за нули принимать Z10 X10,ПРАВИЛЬНО Я ПОНИМАЮ?

попробывал написать начало программы,знающие люди скажите так можно
пока проверить не где,сгорел комп с linux cnc.
прога.txt
(240 байт) 999 скачиваний
_____________________
Собрали и смело включайте, лишнее выгорит!
Аватара пользователя
Nick
Мастер
Сообщения: 22776
Зарегистрирован: 23 ноя 2009, 16:45
Репутация: 1735
Заслуга: Developer
Откуда: Gatchina, Saint-Petersburg distr., Russia
Контактная информация:

Re: ТПК-125 Восстановление

Сообщение Nick »

Нет.
Отступ системы координат задается через Gкод G10 L2 или G10 L20
http://linuxcnc.org/docs/html/gcode/g-c ... ode:g10-l2


если хочешь по месту 0 выставить, то лучше использовать G92

G92 X10 Y10 Z.... - сделает текущие координаты такими, которые стоят в XYZA....
Аватара пользователя
rebire
Мастер
Сообщения: 219
Зарегистрирован: 25 сен 2015, 00:43
Репутация: 25
Настоящее имя: Дмитрий
Откуда: ульяновск
Контактная информация:

Re: ТПК-125 Восстановление

Сообщение rebire »

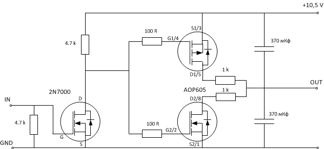
Здравствуйте,
подключил частотник к эл двигателю,но вот вопрос
спаял вот такой шим-преобразователь
shema_shim___0-10.png (3547 просмотров) <a class='original' href='./download/file.php?id=68118&mode=view' target=_blank>Загрузить оригинал (13.65 КБ)</a>
запитываю схему от частотника Опорное напряжение 10 В ±1 %, не более 10 мА, R < 10 кОм(по паспорту)
и если не подключать выход с платы на частотник,померил в холостую напряжение изменяется от 0 до 9.82 что вполне нормально,
но как только подключаю выход к частотнику напряжение изменяется от 0 максимум до 2-3 в и обороты двигателя поднимаются до 1800,а в настройках частотника 3000 об,не пойму в чем может быть дело падения напряжения при подключении частотника?
да еще если просто подключить как говорил автаев
aftaev писал(а):Берешь и туды подключаешь батарейку на 1.5в и мотор должен начать медленно вращаться
только опорное напряжение 10в все работает,двиг набирает 3000об. :thinking:

еще в характеристики частотника
Два аналоговых входа

Сигнал по напряжению

Однополярный От 0 (2) до 10 В, Rвх > 312 кОм

Двухполярный От -10 до 10 В, Rвх > 312 кОм

Сигнал по току

Однополярный От 0 (4) до 20 мА, Rвх = 100 Ом

Двухполярный От -20 до 20 мА, Rвх = 100 Ом

Опорное напряжение 10 В ±1 %, не более 10 мА, R < 10 кОм
_____________________
Собрали и смело включайте, лишнее выгорит!
Аватара пользователя
raddd
Почётный участник
Почётный участник
Сообщения: 1564
Зарегистрирован: 10 фев 2015, 08:50
Репутация: 540
Настоящее имя: Alexey Rodionov
Откуда: Беларусь Минский р-н
Контактная информация:

Re: ТПК-125 Восстановление

Сообщение raddd »

вобще с полевиками не так просто.мало его откыть, его еще и закрыть надо!
схема не очень корректная.
вот лучше http://electronics.stackexchange.com/qu ... ing-dimmer
Вложения
4869913000_1353397817_thumb.jpg (3531 просмотр) <a class='original' href='./download/file.php?id=68127&mode=view' target=_blank>Загрузить оригинал (16.07 КБ)</a>
||||||||||||
||||||||||||
Аватара пользователя
raddd
Почётный участник
Почётный участник
Сообщения: 1564
Зарегистрирован: 10 фев 2015, 08:50
Репутация: 540
Настоящее имя: Alexey Rodionov
Откуда: Беларусь Минский р-н
Контактная информация:

Re: ТПК-125 Восстановление

Сообщение raddd »

и еще
Вложения
electronique_conv_pwm_tension_001.gif
electronique_conv_pwm_tension_001.gif (10.59 КБ) 3528 просмотров
||||||||||||
||||||||||||
Ответить

Вернуться в «Токарные станки»