Японец BROTHER TC-229

Тяжелые фрезерные станки по металлу.
Аватара пользователя
ScrewDriver
Мастер
Сообщения: 1942
Зарегистрирован: 06 сен 2016, 01:44
Репутация: 498
Настоящее имя: Василий
Откуда: Москва
Контактная информация:

Re: Японец BROTHER TC-229

Сообщение ScrewDriver »

фильтрация помех это, высоковольтных
Промышленная автоматика, ПЛК, приводы, SCADA системы
Мой Ютуб канал.
aftaev
Зачётный участник
Зачётный участник
Сообщения: 34042
Зарегистрирован: 04 апр 2010, 19:22
Репутация: 6194
Откуда: Казахстан.
Контактная информация:

Re: Японец BROTHER TC-229

Сообщение aftaev »

john1987887 писал(а):Во.
Запросто находиться, первая попавшая сцылка: https://prom.ua/p492909299-varistor-myg-20k911.html на 910вольт ;)
Дилетанту сложные вещи кажутся очень простыми, и только профессионал понимает насколько сложна самая простая вещь
Кто хочет - ищет возможности, кто не хочет - ищет оправдание.
Найди работу по душе и тебе не придется работать.
john1987887
Мастер
Сообщения: 3296
Зарегистрирован: 08 сен 2013, 17:26
Репутация: 1802
Контактная информация:

Re: Японец BROTHER TC-229

Сообщение john1987887 »

А что так много? В сети 380 напряжение может прыгнуть до 910?
Аватара пользователя
ScrewDriver
Мастер
Сообщения: 1942
Зарегистрирован: 06 сен 2016, 01:44
Репутация: 498
Настоящее имя: Василий
Откуда: Москва
Контактная информация:

Re: Японец BROTHER TC-229

Сообщение ScrewDriver »

john1987887 писал(а):В сети 380 напряжение может прыгнуть до 910?
импульсные помехи от ПЧ так срубаются. Это не защита от сети, это защита сети от ПЧ, что стоит в шкафу.
Промышленная автоматика, ПЛК, приводы, SCADA системы
Мой Ютуб канал.
aftaev
Зачётный участник
Зачётный участник
Сообщения: 34042
Зарегистрирован: 04 апр 2010, 19:22
Репутация: 6194
Откуда: Казахстан.
Контактная информация:

Re: Японец BROTHER TC-229

Сообщение aftaev »

john1987887 писал(а):А что так много? В сети 380 напряжение может прыгнуть до 910?
Просто поставь как было и все. Стоит, значит нюжнЁ :)
Дилетанту сложные вещи кажутся очень простыми, и только профессионал понимает насколько сложна самая простая вещь
Кто хочет - ищет возможности, кто не хочет - ищет оправдание.
Найди работу по душе и тебе не придется работать.
john1987887
Мастер
Сообщения: 3296
Зарегистрирован: 08 сен 2013, 17:26
Репутация: 1802
Контактная информация:

Re: Японец BROTHER TC-229

Сообщение john1987887 »

aftaev писал(а):Просто поставь как было и все.
Поставлю. :)
john1987887
Мастер
Сообщения: 3296
Зарегистрирован: 08 сен 2013, 17:26
Репутация: 1802
Контактная информация:

Re: Японец BROTHER TC-229

Сообщение john1987887 »

Долго и кропотливо делаю новый шкаф. Заложил место и всякие автоматы/пускатели под 4-ю ось.
Присутствует полная номенклатура напряжений:
100 В, 220 В - одна фаза
200 В, 380 В - три фазы
Вложения
Безымянный.png (3867 просмотров) <a class='original' href='./download/file.php?id=139328&mode=view' target=_blank>Загрузить оригинал (887.68 КБ)</a>
Безымянный2.png (3867 просмотров) <a class='original' href='./download/file.php?id=139329&mode=view' target=_blank>Загрузить оригинал (830.58 КБ)</a>
john1987887
Мастер
Сообщения: 3296
Зарегистрирован: 08 сен 2013, 17:26
Репутация: 1802
Контактная информация:

Re: Японец BROTHER TC-229

Сообщение john1987887 »

Привет. Есть вопрос по подключению тормозных резисторов к драйверам. На дровах есть три контакта В1, В2, В3. Резистор подключается между В1 и В2. Интересует, что за символ "+" нарисован рядом с контактом В1? В мануале он тоже нарисован, но никаких пояснений нету. У резистора ведь нету полярности. Я так понимаю, что это просто кусок проволоки (типа нихрома?) залитый в кирпич из керамики. Есть ли разница как его подключать? На выходах с резистора провода никак не обозначены.
Вложения
IMG_20180821_174854.jpg (3486 просмотров) <a class='original' href='./download/file.php?id=144805&mode=view' target=_blank>Загрузить оригинал (260.58 КБ)</a>
Duhas
Мастер
Сообщения: 1961
Зарегистрирован: 10 окт 2015, 23:25
Репутация: 285
Настоящее имя: Андрей
Откуда: Красноярск
Контактная информация:

Re: Японец BROTHER TC-229

Сообщение Duhas »

разницы быть не должно, +сом обозначен скорее всего горячий конец резистора, подключенный к положительному проводнику звена постоянного тока, а к минусу он коммутируется ключом.
Аватара пользователя
Hanter
Мастер
Сообщения: 5414
Зарегистрирован: 27 янв 2012, 14:52
Репутация: 4338
Настоящее имя: Алексей
Откуда: Питер
Контактная информация:

Re: Японец BROTHER TC-229

Сообщение Hanter »

+1. Резистор без разницы как подключать. насколько помню - где то упоминалось что на эти концы может быть заведена система регенерации, плюс помечен для нее. Плюс некоторые усилки могут быть подключены по ДС линии. может быть что и тут такая возможность заложена. Но для резистора пофигу.
Опыт - это когда на смену вопросам: "Что? Где? Когда? Как? Почему?" Приходит единственный вопрос: "Нахрена?"
==========================================
фрезерная и токарная обработка на станках с чпу.
Резка, гибка, сварка и порошковая окраса.
john1987887
Мастер
Сообщения: 3296
Зарегистрирован: 08 сен 2013, 17:26
Репутация: 1802
Контактная информация:

Re: Японец BROTHER TC-229

Сообщение john1987887 »

Duhas писал(а):+сом обозначен скорее всего горячий конец резистора
Родной провод от японца, идущий к резисторам, для каждой оси имел обозначения типа XRY и XRCOM, где Х - обозначение оси, R - resistor, Y и COM - соотв. контакты на драйвере. Получается мне нужно цеплять СОМ на В1, а У на В2? Или можно наоборот?

Пока писал уже ответили. Всем спасибо.
MGG
Мастер
Сообщения: 3673
Зарегистрирован: 08 фев 2016, 16:33
Репутация: 1010
Настоящее имя: Манн Геннадий Геннадьевич
Откуда: Москва
Контактная информация:

Re: Японец BROTHER TC-229

Сообщение MGG »

Мануал глянул, b1 и b2 если внешний тормоз, b2 и b3 между собой воткнуть если встроенным пользоваться.
Понимаю что уже не актуально, но все же :hehehe:

Мануал чуть позже на почту свежий закину, что я кидал электронный первые версии, сейчас сам глянул испугался. Сейчас все гораздо лучше
http://www.cnc-club.ru/forum/viewtopic. ... 76#p304076 Поставки оборудования для ваших станков
https://www.instagram.com/dtw.moscow/
dtw.moscow@gmail.com
john1987887
Мастер
Сообщения: 3296
Зарегистрирован: 08 сен 2013, 17:26
Репутация: 1802
Контактная информация:

Re: Японец BROTHER TC-229

Сообщение john1987887 »

Привет! Есть вопрос по подключению индуктивного датчика NPN к плате развязки.

У меня на автосменщике установлен индуктивный NPN, который сигналит о том, что карусель вышла в нужное положение. Датчик на 24 вольта.

Ниже представлен отрывок из мануала на плату, из которого следует, что входы для датчиков имеют оптопары. И приведен пример подключения датчика. Я правильно понял, что пример представлен для PNP датчика?
Датчик.jpg (3094 просмотра) <a class='original' href='./download/file.php?id=147943&mode=view' target=_blank>Загрузить оригинал (107.41 КБ)</a>
Соответственно, что подключить мой датчик, мне нужно действовать по следующей схеме? Или есть нюансы?
мой датчик.jpg (3094 просмотра) <a class='original' href='./download/file.php?id=147944&mode=view' target=_blank>Загрузить оригинал (20.15 КБ)</a>
Lunatic
Мастер
Сообщения: 460
Зарегистрирован: 09 мар 2015, 20:25
Репутация: 75
Настоящее имя: Дмитрий
Контактная информация:

Re: Японец BROTHER TC-229

Сообщение Lunatic »

Резистора от +24 до черного провода не хватает 1 кОм. Но тогда схема инверсная получается - при активном датчике входная оптопара не активна, и наоборот.
Lunatic
Мастер
Сообщения: 460
Зарегистрирован: 09 мар 2015, 20:25
Репутация: 75
Настоящее имя: Дмитрий
Контактная информация:

Re: Японец BROTHER TC-229

Сообщение Lunatic »

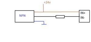
NPN.jpg (3071 просмотр) <a class='original' href='./download/file.php?id=147947&mode=view' target=_blank>Загрузить оригинал (32.55 КБ)</a>
Или так с прямой логикой - датчик активен, оптопара активна.
Lunatic
Мастер
Сообщения: 460
Зарегистрирован: 09 мар 2015, 20:25
Репутация: 75
Настоящее имя: Дмитрий
Контактная информация:

Re: Японец BROTHER TC-229

Сообщение Lunatic »

Судя по мануалу в нем нарисован NPN датчик.
john1987887
Мастер
Сообщения: 3296
Зарегистрирован: 08 сен 2013, 17:26
Репутация: 1802
Контактная информация:

Re: Японец BROTHER TC-229

Сообщение john1987887 »

Спасибо! Разобрался. Сначала не понял, что за значок на схеме у датчика, оказалось, что это нагрузка, которая и есть вход в оптопару.
john1987887
Мастер
Сообщения: 3296
Зарегистрирован: 08 сен 2013, 17:26
Репутация: 1802
Контактная информация:

Re: Японец BROTHER TC-229

Сообщение john1987887 »

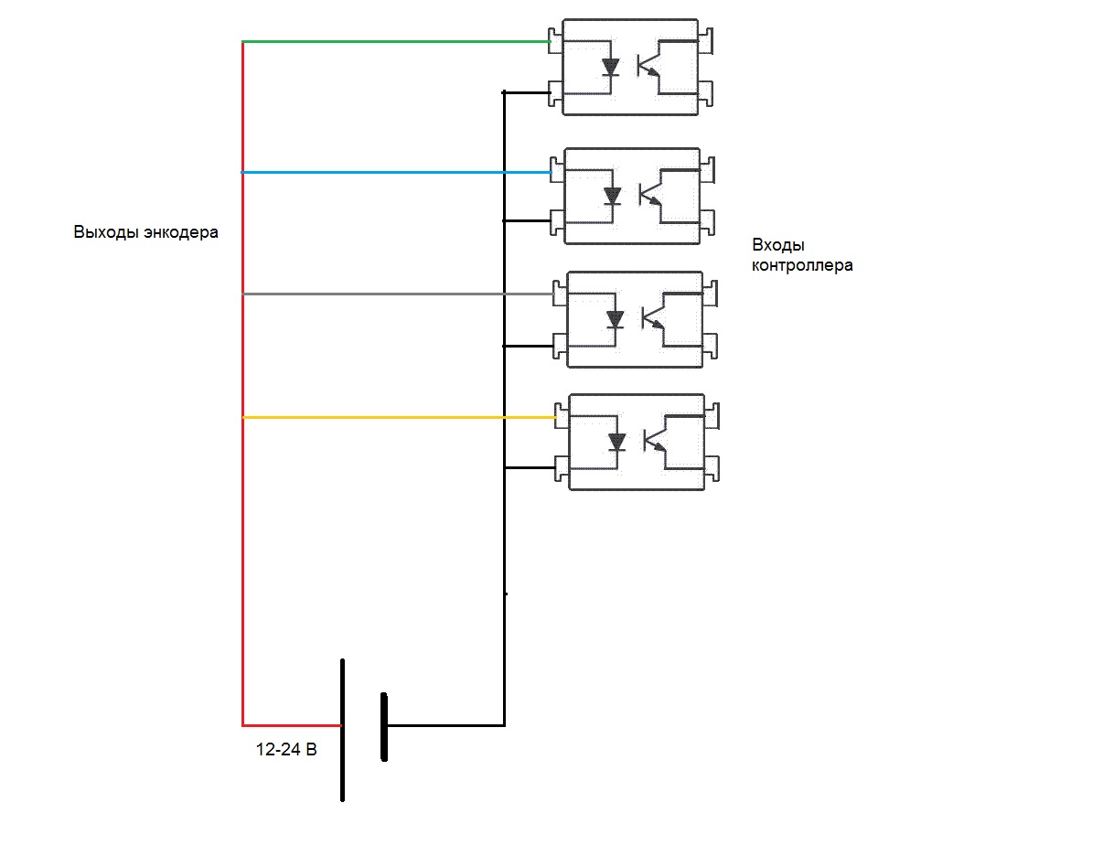
Дошло дело до подключения энкодера автосмены к плате развязки. Самый больной для меня вопрос на сегодня.

Энкодер представляет из себя простую плату, на которой размещены 5 ИК диодов и 5 ИК приемников.
мой энкодер 1.JPG (2919 просмотров) <a class='original' href='./download/file.php?id=148276&mode=view' target=_blank>Загрузить оригинал (409.73 КБ)</a>
мой энкодер 2.JPG (2919 просмотров) <a class='original' href='./download/file.php?id=148277&mode=view' target=_blank>Загрузить оригинал (350.58 КБ)</a>
Комбинацией этих диодов и приемников задается номер инструмента, который сейчас стоит в шпинделе. Все комбинации я проверил и составил таблицу.
Безымянный.jpg (2919 просмотров) <a class='original' href='./download/file.php?id=148275&mode=view' target=_blank>Загрузить оригинал (50.13 КБ)</a>
Имеем следующую картину. Активные, в данный момент, выходы энкодера "звонятся" между собой в любой комбинации и имеют сопротивление 20 Ом, напряжения нет, тока нет. Как видим из таблицы, "белый" провод энкодера активен в любом положении карусели автосмены. Правильно ли я понял, что это общий контакт и через него мы должны завести либо 0 В, либо, 12-24 В? И вот вопрос, какое напряжение лучше выбрать и нужны ли резисторы? Или лучше завести общий 0 В? Домыслы попытался изобразить ниже.
Подключение энкодера.jpg (2919 просмотров) <a class='original' href='./download/file.php?id=148278&mode=view' target=_blank>Загрузить оригинал (71.91 КБ)</a>
Lunatic
Мастер
Сообщения: 460
Зарегистрирован: 09 мар 2015, 20:25
Репутация: 75
Настоящее имя: Дмитрий
Контактная информация:

Re: Японец BROTHER TC-229

Сообщение Lunatic »

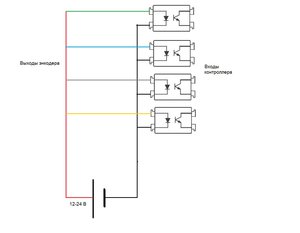
Я бы нарисовал схему того что видно, ну т.е. видно только транзисторы (Q). Опять нужно знать NPN или PNP они, на них маркировка должна быть. Если напряжение 12В будет, то резисторов не надо точно, при 24В желательно 1кОм последовательно со входом оптопары контроллера.
Lunatic
Мастер
Сообщения: 460
Зарегистрирован: 09 мар 2015, 20:25
Репутация: 75
Настоящее имя: Дмитрий
Контактная информация:

Re: Японец BROTHER TC-229

Сообщение Lunatic »

Не очень видно на фото , одной ногой все транзисторы соединены вместе? Если соединены все вместе на GND, то транзисторы NPN и подключать по схеме как индуктивный датчик. Если общая точка транзисторов на 24В соединена, то PNP и подключать как ты нарисовал.
Ответить

Вернуться в «Фрезерные станки по металлам»