Немец Servo INDRAMAT

Контроллеры, драйверы, датчики, управляющие устройства.
Аватара пользователя
den_sibirskiy
Мастер
Сообщения: 1655
Зарегистрирован: 12 апр 2014, 17:04
Репутация: 349
Настоящее имя: Ден
Откуда: Иркутск
Контактная информация:

Немец Servo INDRAMAT

Сообщение den_sibirskiy »

Здравствуйте уважаемые.
Помогите разобраться с немцем, старый он уже, обретает новую жизнь так сказать.
Состоит он из двух модулей, подключен пока по старой схеме.
Дело в том, что есть у него какой ни какой инкодер, а как получить с него сигнал для корректировки положения не понятно. Т.е. я имею в виду что есть входящий сигнал для управления драйвером +/- 15В, а вот где у него выходящий сигнал для корректировки положения (при возможном отклонении) не понятно.
Пересмотрел обе схемы в мануалах, толком ни чего не описано, наверно ставка на то, что должно быть интуитивно понятно, но мне не понятно.
Завязать можем любой сигнал хоть ШИМ, вопрос какой сигнал положения мы можем исправно получать и где?
Спасибо.
Вложения
20150131_170035.jpg (2445 просмотров) <a class='original' href='./download/file.php?id=42553&mode=view' target=_blank>Загрузить оригинал (2.89 МБ)</a>
20150131_170203.jpg (2445 просмотров) <a class='original' href='./download/file.php?id=42554&mode=view' target=_blank>Загрузить оригинал (3.07 МБ)</a>
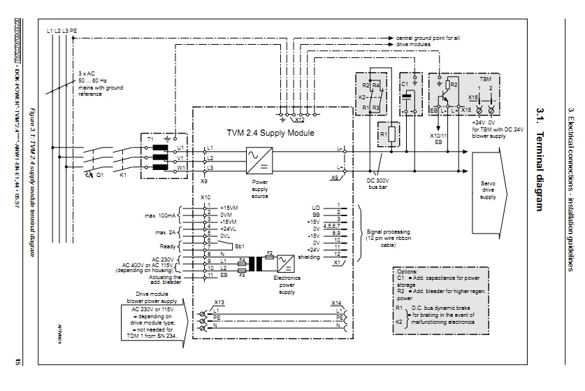
по идее клеммы 10,11,12 это входы сигнала управления (2445 просмотров) <a class='original' href='./download/file.php?id=42555&mode=view' target=_blank>Загрузить оригинал (2.84 МБ)</a>
по идее клеммы 10,11,12 это входы сигнала управления
20150131_165817.jpg (2445 просмотров) <a class='original' href='./download/file.php?id=42556&mode=view' target=_blank>Загрузить оригинал (2.18 МБ)</a>
1.jpg (2445 просмотров) <a class='original' href='./download/file.php?id=42557&mode=view' target=_blank>Загрузить оригинал (2 МБ)</a>
22234.jpg (2445 просмотров) <a class='original' href='./download/file.php?id=42558&mode=view' target=_blank>Загрузить оригинал (98.33 КБ)</a>
123.jpg (2445 просмотров) <a class='original' href='./download/file.php?id=42559&mode=view' target=_blank>Загрузить оригинал (163.38 КБ)</a>
2223.jpg (2445 просмотров) <a class='original' href='./download/file.php?id=42560&mode=view' target=_blank>Загрузить оригинал (124.37 КБ)</a>
1234.jpg (2445 просмотров) <a class='original' href='./download/file.php?id=42561&mode=view' target=_blank>Загрузить оригинал (154.81 КБ)</a>
12345.jpg (2445 просмотров) <a class='original' href='./download/file.php?id=42562&mode=view' target=_blank>Загрузить оригинал (126.97 КБ)</a>
TDM_ANW1.pdf
Мануал1
(362.82 КБ) 1965 скачиваний
TVM02.4_ANW1.pdf
Мануал2
(533.86 КБ) 3491 скачивание
"Хватит спать пора начинать пришло твое время"
Аватара пользователя
mhael
Мастер
Сообщения: 2443
Зарегистрирован: 09 мар 2013, 11:22
Репутация: 769
Настоящее имя: Ильдар
Контактная информация:

Re: Немец Servo INDRAMAT

Сообщение mhael »

На первой схеме (фотография которая) внизу справа подключение идет от "motor feedback STB" к "CX /23.3". Можете на станке сфотографировать эти места?
Аватара пользователя
den_sibirskiy
Мастер
Сообщения: 1655
Зарегистрирован: 12 апр 2014, 17:04
Репутация: 349
Настоящее имя: Ден
Откуда: Иркутск
Контактная информация:

Re: Немец Servo INDRAMAT

Сообщение den_sibirskiy »

Намекакете что это и есть то место? На вид похоже что так, завтра постараюсь выложить.
"Хватит спать пора начинать пришло твое время"
Аватара пользователя
mhael
Мастер
Сообщения: 2443
Зарегистрирован: 09 мар 2013, 11:22
Репутация: 769
Настоящее имя: Ильдар
Контактная информация:

Re: Немец Servo INDRAMAT

Сообщение mhael »

den_sibirskiy писал(а):Намекакете что это и есть то место
По мануалам в драйвер заводится только сигналы с датчиков холла и тахо. А вот что это за STB из схемы не понятно.
Аватара пользователя
den_sibirskiy
Мастер
Сообщения: 1655
Зарегистрирован: 12 апр 2014, 17:04
Репутация: 349
Настоящее имя: Ден
Откуда: Иркутск
Контактная информация:

Re: Немец Servo INDRAMAT

Сообщение den_sibirskiy »

В мануале вообще нет такого места, только на схеме
"Хватит спать пора начинать пришло твое время"
Аватара пользователя
mhael
Мастер
Сообщения: 2443
Зарегистрирован: 09 мар 2013, 11:22
Репутация: 769
Настоящее имя: Ильдар
Контактная информация:

Re: Немец Servo INDRAMAT

Сообщение mhael »

den_sibirskiy писал(а):В мануале вообще нет такого места, только на схеме
mhael писал(а):А вот что это за STB из схемы не понятно.
Аватара пользователя
den_sibirskiy
Мастер
Сообщения: 1655
Зарегистрирован: 12 апр 2014, 17:04
Репутация: 349
Настоящее имя: Ден
Откуда: Иркутск
Контактная информация:

Re: Немец Servo INDRAMAT

Сообщение den_sibirskiy »

Нашел еще один мануал
Вложения
indramattdmdrives.pdf
Мануал3
(1.17 МБ) 727 скачиваний
"Хватит спать пора начинать пришло твое время"
Аватара пользователя
mhael
Мастер
Сообщения: 2443
Зарегистрирован: 09 мар 2013, 11:22
Репутация: 769
Настоящее имя: Ильдар
Контактная информация:

Re: Немец Servo INDRAMAT

Сообщение mhael »

den_sibirskiy, Нужные Вам сигналы скорее всего на той зелененькой платке с разъемами, прикрученной внизу привода. Посмотрите нижний ряд (на фото не видно)
Аватара пользователя
den_sibirskiy
Мастер
Сообщения: 1655
Зарегистрирован: 12 апр 2014, 17:04
Репутация: 349
Настоящее имя: Ден
Откуда: Иркутск
Контактная информация:

Re: Немец Servo INDRAMAT

Сообщение den_sibirskiy »

mhael писал(а):den_sibirskiy, Нужные Вам сигналы скорее всего на той зелененькой платке с разъемами, прикрученной внизу привода. Посмотрите нижний ряд (на фото не видно)
Нашел в мануале вот что, только не маловато ли сигналов на 120гр? Всего семь, это получается что на один оборот всего 21 импульс?
Вложения
11212.jpg (2355 просмотров) <a class='original' href='./download/file.php?id=42610&mode=view' target=_blank>Загрузить оригинал (45.77 КБ)</a>
"Хватит спать пора начинать пришло твое время"
Аватара пользователя
den_sibirskiy
Мастер
Сообщения: 1655
Зарегистрирован: 12 апр 2014, 17:04
Репутация: 349
Настоящее имя: Ден
Откуда: Иркутск
Контактная информация:

Re: Немец Servo INDRAMAT

Сообщение den_sibirskiy »

на двигателе указывают кол-во импульсов?
Вложения
20150131_165901.jpg (2349 просмотров) <a class='original' href='./download/file.php?id=42618&mode=view' target=_blank>Загрузить оригинал (3.18 МБ)</a>
"Хватит спать пора начинать пришло твое время"
Ответить

Вернуться в «Электроника»