Помогите!!! 5-ти проводной ШД к драйверу TB6560 V2.0?

Шаговые и серво двигатели, шпиндели, инверторы.
fbirk
Новичок
Сообщения: 3
Зарегистрирован: 01 янв 2015, 12:57
Репутация: 0
Настоящее имя: Сергей
Контактная информация:

Помогите!!! 5-ти проводной ШД к драйверу TB6560 V2.0?

Сообщение fbirk »

Здравствуйте! Такая проблема... я совсем новичок и станок для меня пока не доступная роскошь :( Но очень хочется по изучать возможности на чём-то не дорогом. Есть шаговый двигатель 5-ти проводной от принтера 17PM-H005-P2VA, Драйвер TB6560-V2.0, интерфейсная плата HY-JKM5, Импульсный БП 24V-350W-15A. Вопрос!!! Подскажите пожалуйста могу ли я подключить такой двигатель к драйверу TB6560-V2.0, если да, то как? куда какие провода? Особенно 5-ый общий?
Вложения
17PM-H005-P2VA.pdf
(76.23 КБ) 495 скачиваний
драйвер TB6560 V2.0 (5326 просмотров) <a class='original' href='./download/file.php?id=39498&mode=view' target=_blank>Загрузить оригинал (55.87 КБ)</a>
драйвер TB6560 V2.0
Аватара пользователя
michael-yurov
Почётный участник
Почётный участник
Сообщения: 11731
Зарегистрирован: 26 июл 2012, 00:10
Репутация: 4703
Настоящее имя: Михаил Львович
Откуда: Новоуральск
Контактная информация:

Re: Помогите!!! 5-ти проводной ШД к драйверу TB6560 V2.0?

Сообщение michael-yurov »

fbirk писал(а):Есть шаговый двигатель 5-ти проводной
fbirk писал(а):Подскажите пожалуйста могу ли я подключить такой двигатель к драйверу TB6560-V2.0
Нет.
TB6560 для двухфазных моторов.

UPD.
Прошу простить - не думал, что бывают двухфазные пятивыводные моторы.
leprud
Почётный участник
Почётный участник
Сообщения: 348
Зарегистрирован: 01 апр 2014, 19:16
Репутация: 111
Откуда: Москва
Контактная информация:

Re: Помогите!!! 5-ти проводной ШД к драйверу TB6560 V2.0?

Сообщение leprud »

Только если вскрыть двигатель и порвать связь между обмотками.
Но все равно на минимальном токе драйвера это все будет безумно греться
Вложения
17PM-H005-P2VA.rar
(73.44 КБ) 564 скачивания
Аватара пользователя
megagad
Почётный участник
Почётный участник
Сообщения: 3207
Зарегистрирован: 05 апр 2014, 18:57
Репутация: 712
Откуда: Реуспублика Крым, Бахчисарай.
Контактная информация:

Re: Помогите!!! 5-ти проводной ШД к драйверу TB6560 V2.0?

Сообщение megagad »

leprud писал(а):Но все равно на минимальном токе драйвера это все будет безумно греться
У 6560 минимальный ток - 25% от максимального. максимальный обычно делают 3А. Итого - 0.75А при 25% выставленного тока ;) Грется ничего не будет.
По доработке движка - снять заднюю крышку и перерезать один проводник - обычно под крышкой платка, на которой собраны все начала и концы обмоток. начала в виде отдельных площадок, а концы соединены одной обще дорожкой - просто перерезается она посередине.
Примерно вот так:
IMG_20150101_143708.jpg (5302 просмотра) <a class='original' href='./download/file.php?id=39501&mode=view' target=_blank>Загрузить оригинал (748.62 КБ)</a>
We Do What We Must, Because We Can!
Причинять добро, наносить пользу и подвергать ласке.
Аватара пользователя
torvn77
Мастер
Сообщения: 2442
Зарегистрирован: 02 июн 2012, 22:12
Репутация: 215
Откуда: Россия,Санкт-Петербург
Контактная информация:

Re: Помогите!!! 5-ти проводной ШД к драйверу TB6560 V2.0?

Сообщение torvn77 »

Схема включения мотора в даташите такая:
рр.png (5286 просмотров) <a class='original' href='./download/file.php?id=39503&mode=view' target=_blank>Загрузить оригинал (53.33 КБ)</a>
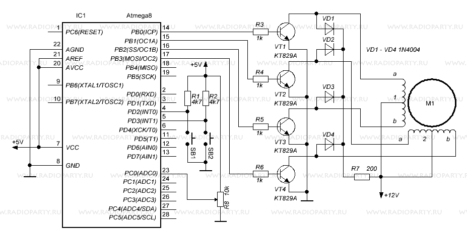
Я предлагаю попробовать подключить так:
рр_main.png (5286 просмотров) <a class='original' href='./download/file.php?id=39505&mode=view' target=_blank>Загрузить оригинал (55.65 КБ)</a>
Резисторы вставлены для ограничения тока мотора.
Это конечно не правильно,но для начального "поиграться" можно и так.
Ну и я не очень разбираюсь в схемотехнике,поэтому следуйте совету осторожно.
Аватара пользователя
torvn77
Мастер
Сообщения: 2442
Зарегистрирован: 02 июн 2012, 22:12
Репутация: 215
Откуда: Россия,Санкт-Петербург
Контактная информация:

Re: Помогите!!! 5-ти проводной ШД к драйверу TB6560 V2.0?

Сообщение torvn77 »

Вообще на первой же странице гугления https://www.google.ru/search?q=%D0%BF%D ... 08&bih=815
404-02.GIF (5282 просмотра) <a class='original' href='./download/file.php?id=39507&mode=view' target=_blank>Загрузить оригинал (40.24 КБ)</a>
20106493155229.JPG (5282 просмотра) <a class='original' href='./download/file.php?id=39508&mode=view' target=_blank>Загрузить оригинал (97.91 КБ)</a>
Аватара пользователя
Serg
Мастер
Сообщения: 21923
Зарегистрирован: 17 апр 2012, 14:58
Репутация: 5183
Заслуга: c781c134843e0c1a3de9
Настоящее имя: Сергей
Откуда: Москва
Контактная информация:

Re: Помогите!!! 5-ти проводной ШД к драйверу TB6560 V2.0?

Сообщение Serg »

torvn77 писал(а):Я предлагаю попробовать подключить так:
Это вообще работать не будет.
Я не Христос, рыбу не раздаю, но могу научить, как сделать удочку...
Аватара пользователя
torvn77
Мастер
Сообщения: 2442
Зарегистрирован: 02 июн 2012, 22:12
Репутация: 215
Откуда: Россия,Санкт-Петербург
Контактная информация:

Re: Помогите!!! 5-ти проводной ШД к драйверу TB6560 V2.0?

Сообщение torvn77 »

Я что-то читал про ШИМ,по этому?
Аватара пользователя
megagad
Почётный участник
Почётный участник
Сообщения: 3207
Зарегистрирован: 05 апр 2014, 18:57
Репутация: 712
Откуда: Реуспублика Крым, Бахчисарай.
Контактная информация:

Re: Помогите!!! 5-ти проводной ШД к драйверу TB6560 V2.0?

Сообщение megagad »

torvn77 писал(а):Я что-то читал про ШИМ,по этому?
Почитайте про принцип управления биполярным шаговым двигателем.
И да - в теме чётко спросили про конкретный драйвер - зачем пихать кучу непойми чего?
We Do What We Must, Because We Can!
Причинять добро, наносить пользу и подвергать ласке.
fbirk
Новичок
Сообщения: 3
Зарегистрирован: 01 янв 2015, 12:57
Репутация: 0
Настоящее имя: Сергей
Контактная информация:

Re: Помогите!!! 5-ти проводной ШД к драйверу TB6560 V2.0?

Сообщение fbirk »

Большое спасибо всем за ответы!!! Перерезал проводник (особенное спасибо за наглядную инструкцию)... всё норм, ещё не подключал и не пробовал - на днях займусь...
Если можно подскажите следующее: в инструкции к шаговому двигателю указано: Ток 0,75А/ Phase... Но т.к. подключение теперь биполярное, то необходимо: I(биполярного)=0,707*I(униполярного)=0,707*0,75А=0,53A. Правильно?
Ещё вопрос - в электрике я не силён- это факт, поэтому подскажите пожалуйста: 0,75/Phase - у меня 2 фазы значит ток 1,5А? А для биполярного 1,06А?
Аватара пользователя
megagad
Почётный участник
Почётный участник
Сообщения: 3207
Зарегистрирован: 05 апр 2014, 18:57
Репутация: 712
Откуда: Реуспублика Крым, Бахчисарай.
Контактная информация:

Re: Помогите!!! 5-ти проводной ШД к драйверу TB6560 V2.0?

Сообщение megagad »

на данный двиг можно подать и чуток больший ток(те самые 25% от максимального).
По второму вопросу не понял что вы хотели спросить? Потребляемый ток от БП? Тогда берите 20-30% от выставленного тока.
Говоря проще - БП на 4А может спокойно питать три двигателя, на которых приходит по 3А :) И даже не вспотеет.
Для вашего случая(в цифрах) - у вас будет потребление от 24в всего около 230мА(0.23А). Ибо в драйвере имеется ШИМ.
We Do What We Must, Because We Can!
Причинять добро, наносить пользу и подвергать ласке.
fbirk
Новичок
Сообщения: 3
Зарегистрирован: 01 янв 2015, 12:57
Репутация: 0
Настоящее имя: Сергей
Контактная информация:

Re: Помогите!!! 5-ти проводной ШД к драйверу TB6560 V2.0?

Сообщение fbirk »

Большое спасибо за советы! Всё подключил - работает! Спасибо!!! :)
Ответить

Вернуться в «Двигатели и шпиндели»