Panasonic и ПЛК

Контроллеры, драйверы, датчики, управляющие устройства.
жекон
Новичок
Сообщения: 14
Зарегистрирован: 12 окт 2014, 09:32
Репутация: 0
Контактная информация:

Panasonic и ПЛК

Сообщение жекон »

День добрый всем форумчанам!
У меня возникла следующая проблема, возникла необходимость зацепить сервопривод Panasonic MBDKT2510E(есть в наличии) с ПЛК(нужно заказывать но какой?) с сервоприводами ни разу не работал, как это сделать представляю только теоретически, с моей точки зрения проще всего было-бы зацепить по RS-485,232 но порт отсутствует, буду рад любым советам, заранее всем спасибо.
aftaev
Зачётный участник
Зачётный участник
Сообщения: 34042
Зарегистрирован: 04 апр 2010, 19:22
Репутация: 6194
Откуда: Казахстан.
Контактная информация:

Re: Panasonic и ПЛК

Сообщение aftaev »

Задача какая?
Дилетанту сложные вещи кажутся очень простыми, и только профессионал понимает насколько сложна самая простая вещь
Кто хочет - ищет возможности, кто не хочет - ищет оправдание.
Найди работу по душе и тебе не придется работать.
жекон
Новичок
Сообщения: 14
Зарегистрирован: 12 окт 2014, 09:32
Репутация: 0
Контактная информация:

Re: Panasonic и ПЛК

Сообщение жекон »

Задача следующая два сервопривода управляемые с ПЛК, что-то вроде автоматической системы хранения, т.е задали товар ПЛК выдал команды сервоприводам, они переместили к месту
aftaev
Зачётный участник
Зачётный участник
Сообщения: 34042
Зарегистрирован: 04 апр 2010, 19:22
Репутация: 6194
Откуда: Казахстан.
Контактная информация:

Re: Panasonic и ПЛК

Сообщение aftaev »

Типо электронного магазина. У нас в городе одни подобное мутили на Маче.
Нужно найти каталог PLC Панасоника и выбирать модели с выходом по степ/дир или что понимают сервы у тебя.
Или проще позвонить в фирму кто продает PLC и про консультироваться.
Дилетанту сложные вещи кажутся очень простыми, и только профессионал понимает насколько сложна самая простая вещь
Кто хочет - ищет возможности, кто не хочет - ищет оправдание.
Найди работу по душе и тебе не придется работать.
жекон
Новичок
Сообщения: 14
Зарегистрирован: 12 окт 2014, 09:32
Репутация: 0
Контактная информация:

Re: Panasonic и ПЛК

Сообщение жекон »

Да понятно что такой вариант самый предпочтительный, я тему создал что возможно кто-то делал что-то подобное
aftaev
Зачётный участник
Зачётный участник
Сообщения: 34042
Зарегистрирован: 04 апр 2010, 19:22
Репутация: 6194
Откуда: Казахстан.
Контактная информация:

Re: Panasonic и ПЛК

Сообщение aftaev »

у нас делают уже несколько лет :hehehe:
Дилетанту сложные вещи кажутся очень простыми, и только профессионал понимает насколько сложна самая простая вещь
Кто хочет - ищет возможности, кто не хочет - ищет оправдание.
Найди работу по душе и тебе не придется работать.
жекон
Новичок
Сообщения: 14
Зарегистрирован: 12 окт 2014, 09:32
Репутация: 0
Контактная информация:

Re: Panasonic и ПЛК

Сообщение жекон »

А можно поподробнее, если это возможно
aftaev
Зачётный участник
Зачётный участник
Сообщения: 34042
Зарегистрирован: 04 апр 2010, 19:22
Репутация: 6194
Откуда: Казахстан.
Контактная информация:

Re: Panasonic и ПЛК

Сообщение aftaev »

Знаю что для аптек городят и используют Мач. Программисты там такие что лет 10 делать будут ;)
Как вариант использовать Ардуину, будет и цветной экранчик и есть библиотеки для работы степ/дир и цена в разы дешевле PLC ;)
Дилетанту сложные вещи кажутся очень простыми, и только профессионал понимает насколько сложна самая простая вещь
Кто хочет - ищет возможности, кто не хочет - ищет оправдание.
Найди работу по душе и тебе не придется работать.
жекон
Новичок
Сообщения: 14
Зарегистрирован: 12 окт 2014, 09:32
Репутация: 0
Контактная информация:

Re: Panasonic и ПЛК

Сообщение жекон »

Спасибо насчет Ардуины интересная мысль, честно сказать первый раз услышал про такое, а не в курсе по модбасу зацепить можно, единственное что смущает это не промышленное решение
жекон
Новичок
Сообщения: 14
Зарегистрирован: 12 окт 2014, 09:32
Репутация: 0
Контактная информация:

Re: Panasonic и ПЛК

Сообщение жекон »

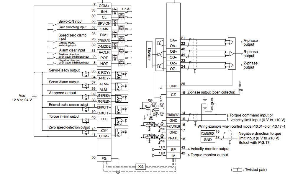
А вообще насколько я понял из описания сервопривода, хватит ПЛК с аналоговыми выходами + транзисторные выхода
Снимок.JPG (1866 просмотров) <a class='original' href='./download/file.php?id=34817&mode=view' target=_blank>Загрузить оригинал (113.99 КБ)</a>
жекон
Новичок
Сообщения: 14
Зарегистрирован: 12 окт 2014, 09:32
Репутация: 0
Контактная информация:

Re: Panasonic и ПЛК

Сообщение жекон »

Протокол step/dir не трудно реализовать на любом ПЛК с транзисторными выходами (Задали направление Dir, выдали разрешение En, выдаём пачку импульсов шага (Step).Сигнал Dir определяет направление вращения, по часовой или против часовой стрелки. Частота импульсов шага в пачке определяет скорость движения, их количество - угол поворота.) или я что-то не правильно понимаю?
Аватара пользователя
mhael
Мастер
Сообщения: 2443
Зарегистрирован: 09 мар 2013, 11:22
Репутация: 769
Настоящее имя: Ильдар
Контактная информация:

Re: Panasonic и ПЛК

Сообщение mhael »

raspberry pi + codesys посмотрите на эту связку.
жекон
Новичок
Сообщения: 14
Зарегистрирован: 12 окт 2014, 09:32
Репутация: 0
Контактная информация:

Re: Panasonic и ПЛК

Сообщение жекон »

Спасибо за подсказку, но по сути это тоже конструктор только на другой платформе
Аватара пользователя
mhael
Мастер
Сообщения: 2443
Зарегистрирован: 09 мар 2013, 11:22
Репутация: 769
Настоящее имя: Ильдар
Контактная информация:

Re: Panasonic и ПЛК

Сообщение mhael »

жекон писал(а):Спасибо за подсказку, но по сути это тоже конструктор только на другой платформе
По мне так любое пром ПЛК есть конструктор из базы, блока питания, ЦПУ и кучи примочек-модулей.
жекон
Новичок
Сообщения: 14
Зарегистрирован: 12 окт 2014, 09:32
Репутация: 0
Контактная информация:

Re: Panasonic и ПЛК

Сообщение жекон »

Так оно так, но на него есть куча сертификатов и это промышленное решение, всегда можно иметь в запасе точно такой-же на случай поломки, хотя что мешает сделать два одинаковых конструктора , но я думаю начальство не согласиться
aftaev
Зачётный участник
Зачётный участник
Сообщения: 34042
Зарегистрирован: 04 апр 2010, 19:22
Репутация: 6194
Откуда: Казахстан.
Контактная информация:

Re: Panasonic и ПЛК

Сообщение aftaev »

жекон писал(а): единственное что смущает это не промышленное решение
В Ардуине стоит МК как в этих PLC ;) У Ардуины сделаны удобные разъемы и Шилды(платы которые втыкаются в Ардуину) потому Ардуина и получила популярность ;)
На Ардуине в основном работают 3Д принтеры по Gcode/
Промышлено или нет. Китайский станок, катает профиль стаял PLC Панасоник+Тачэкран все на китайском. Мы все это дело выкинули и поставили контроллер на Ардуине + цветной экран + программа на русском. Заказчики радуются не нарадуются.
жекон писал(а):А вообще насколько я понял из описания сервопривода, хватит ПЛК с аналоговыми выходами + транзисторные выхода
Тогда нужно энкодер завести в PLC
жекон писал(а):Так оно так, но на него есть куча сертификатов и это промышленное решение, всегда можно иметь в запасе точно такой-же на случай поломки, хотя что мешает сделать два одинаковых конструктора , но я думаю начальство не согласиться
Ардуина стоит 14-20 баксов, PLC баксов 200. Когда разберешь PLC. Удивишься из чего он сделан ;)
Дилетанту сложные вещи кажутся очень простыми, и только профессионал понимает насколько сложна самая простая вещь
Кто хочет - ищет возможности, кто не хочет - ищет оправдание.
Найди работу по душе и тебе не придется работать.
жекон
Новичок
Сообщения: 14
Зарегистрирован: 12 окт 2014, 09:32
Репутация: 0
Контактная информация:

Re: Panasonic и ПЛК

Сообщение жекон »

Цветной экран-это Вы имеете в виду сенсорную панель, то бишь Ардуина понимает стандартные протоколы обмена и ее можно подключать по RS?Разбирал я ПЛК даже ремонтировал маленько, а зачем энкодер мотора подключать к ПЛК он ведь заводиться в привод
aftaev
Зачётный участник
Зачётный участник
Сообщения: 34042
Зарегистрирован: 04 апр 2010, 19:22
Репутация: 6194
Откуда: Казахстан.
Контактная информация:

Re: Panasonic и ПЛК

Сообщение aftaev »

жекон писал(а):Цветной экран-это Вы имеете в виду сенсорную панель,
Тач экран 3.5" под ним Ардуина
Re: Мои проекты на Ардуино #149
жекон писал(а):о бишь Ардуина понимает стандартные протоколы обмена и ее можно подключать по RS
Нужно понимать что Ардуина это концепция плата в которую можно сувать разные шилды. А плата это МК+кварц+разъемы+стабилизатор. Ардуины есть разные.
Если коротко то да Ардуина 2560 имеет 4 RS232 вот принтер подключен принтер по RS232 Мои проекты на Ардуино #1
Прикол в том что в Ардуине сделали всепо простому, чтобы не ведающий чел особо в электронике мог собрать что нибудь.
А на этом видео Re: Восстановление токарного 16К20Т1 ЧПУ #1780 Ардуина работает на панели Сименс(та что снизу) опрашивает кнопки/крутилки и по МодБас скидывает данные в ЕМС2
жекон писал(а):а зачем энкодер мотора подключать к ПЛК он ведь заводиться в привод
если позиция нужна тоПЛС должен по энкодеру знать где находится ;)

Вот список Ардуинок http://arduino.ru/Hardware
Самая крутая это DUE http://arduino.ru/Hardware/ArduinoDue

Вот комплект для 3Д принтера http://best3dprinter2014.blogspot.com/2 ... -mk2b.html там можно увидеть что Ардуина выдает на ЛСД данные осей, может читать СД карту, поддерживает температуру ПИД и управляет шаговиками по степ/дир
Дилетанту сложные вещи кажутся очень простыми, и только профессионал понимает насколько сложна самая простая вещь
Кто хочет - ищет возможности, кто не хочет - ищет оправдание.
Найди работу по душе и тебе не придется работать.
жекон
Новичок
Сообщения: 14
Зарегистрирован: 12 окт 2014, 09:32
Репутация: 0
Контактная информация:

Re: Panasonic и ПЛК

Сообщение жекон »

Спасибо большое за инфу, еще один вопрос в догонку , я так понял программирование идет в С+ а для меня это темный лес
aftaev
Зачётный участник
Зачётный участник
Сообщения: 34042
Зарегистрирован: 04 апр 2010, 19:22
Репутация: 6194
Откуда: Казахстан.
Контактная информация:

Re: Panasonic и ПЛК

Сообщение aftaev »

жекон писал(а):я так понял программирование идет в С+ а для меня это темный лес
для меня тоже Си темный лес, но там он порезаный http://arduino.ru/Reference
Яж говорю Ардуина для чайников в программировании и электроники, но железо не слабое.

жекон, Набирай в гугле например ds18b20 Ардуино вылезит куча проектов. И так все что нужно. Нужен пример как подключить шаговики писай в гугле step driver Arduino и увидишь скока примеров.
А вот посмотри чток Ардуинке можно вешать не паяя особо ничего http://www.ebay.com/sch/i.html?_odkw=Ar ... d&_sacat=0
Хош к сетке подключиться на http://www.ebay.com/itm/Ethernet-Shield ... 4ada99e195
Хош GPS модуль на http://www.ebay.com/itm/SIM900-Quad-ban ... 4ad607ba2a
Хош сервы модельные подключить или шаговики на http://www.ebay.com/itm/Adafruit-Motor- ... 3f32975dd9
Дилетанту сложные вещи кажутся очень простыми, и только профессионал понимает насколько сложна самая простая вещь
Кто хочет - ищет возможности, кто не хочет - ищет оправдание.
Найди работу по душе и тебе не придется работать.
Ответить

Вернуться в «Электроника»