Подключение шпинделя через реле
Подключение шпинделя через реле
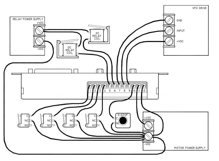
Всем добрый день, подскажите пожалуйста новичку, плохо шарящему в электронике, что не так подключаю, или в настройках что не то. Задача - запустить шпиндель через комп с помощью реле. Подключаю так как нарисовал. На 17м пине в степконфе стоит Spindle ON, на 1м - E-Stop OUT. Реле без питания замкнуто - шпиндель работает, подключаю вручную к 24В - выключается. С 5го пина с геко идут постоянно 14 В, независимо от того, включен через программу шпиндель или нет. В настройках запуска частотника стоит "Запуск с клемменой колодки или локальной клавиатуры". Не пойму, зачем 6й пин нужен и что на нём должно стоять
И меня очень смущают последние контакты на частотнике, не к ним ли нужно релюшку подсоединять? (частотник SMvector)
- РЕКЛАМА
- Почётный участник

- Сообщения: 736
- Зарегистрирован: 11 дек 2012, 21:46
- Репутация: 80
- Откуда: Брянск
- Контактная информация:
Re: Подключение шпинделя через реле
А разве недостаточно просто подключить частотник к плате с релюшкой? Зачем еще 24 вольта в частотник заводить?
Или я что-то не так понял?
У меня в частотнике есть входы "пуск влево"и"пуск вправо" управляются замыканием на землю..
Или я что-то не так понял?
У меня в частотнике есть входы "пуск влево"и"пуск вправо" управляются замыканием на землю..
Re: Подключение шпинделя через реле
Не-не, 24В на частоитник не идут, только реле включают... чёт я тут наподключал, сейчас всё разбирать буду, похоже всё не правильно... буду пробовать через аналоговые входы и выходы делать, на моём частотнике, похоже тоже это где-то есть, буду разбираться)
-
aftaev
- Зачётный участник

- Сообщения: 34042
- Зарегистрирован: 04 апр 2010, 19:22
- Репутация: 6194
- Откуда: Казахстан.
- Контактная информация:
Re: Подключение шпинделя через реле
для начало нужно подключить пару проводков к частотнику так чтобы при их замыкании шпиндель работал, при размыкании останавлвался. вот потом эти проводки тянуть к контактам реле.
Дилетанту сложные вещи кажутся очень простыми, и только профессионал понимает насколько сложна самая простая вещь
Кто хочет - ищет возможности, кто не хочет - ищет оправдание.
Найди работу по душе и тебе не придется работать.
Кто хочет - ищет возможности, кто не хочет - ищет оправдание.
Найди работу по душе и тебе не придется работать.
-
nik1
- Мастер
- Сообщения: 8408
- Зарегистрирован: 02 окт 2012, 07:37
- Репутация: 3629
- Откуда: Красногорск
- Контактная информация:
Re: Подключение шпинделя через реле
У мну такой же частотник
Если будешь менять обороты от контроллера , то имей ввиду, что вход 0-10 в прилично ловит помехи
Можно включить цифровой фильтр в частотнике, но мне это не совсем помогло
Пришлось делать мудреный провод
Но может у тебя все будет и так нормально , потом посмотрим
Посмотри в мануал, там есть схемка как подключить реле для включения
И там же написано как активировать нужный вход
Если нужен реверс, то придется ставить 2 реле
Если будешь менять обороты от контроллера , то имей ввиду, что вход 0-10 в прилично ловит помехи
Можно включить цифровой фильтр в частотнике, но мне это не совсем помогло
Пришлось делать мудреный провод
Но может у тебя все будет и так нормально , потом посмотрим
Посмотри в мануал, там есть схемка как подключить реле для включения
И там же написано как активировать нужный вход
Если нужен реверс, то придется ставить 2 реле