зверь машина по пластику и дереву 570/370/170 500вт
- Андрей 17
- Новичок
- Сообщения: 9
- Зарегистрирован: 20 янв 2021, 20:23
- Репутация: 0
- Настоящее имя: 1357935кангу
- Контактная информация:
зверь машина по пластику и дереву 570/370/170 500вт
станок пока собрал из фанеры,но когда определюсь с формой выточу из дюраля,каркас думаю из станочного профиля но это потом пока имею то что имею.
- xenon-alien
- Почётный участник

- Сообщения: 4520
- Зарегистрирован: 01 янв 2013, 13:13
- Репутация: 925
- Настоящее имя: Daniel
- Откуда: Закарпатская обл. Украина
- Контактная информация:
Re: зверь машина по пластику и дереву 570/370/170 500вт
Получается висячий стол. И осью Z будет прогибать.
Рельсы вниз готовой и к столу
Рельсы вниз готовой и к столу
-
Newengine
- Мастер
- Сообщения: 276
- Зарегистрирован: 01 янв 2015, 17:43
- Репутация: 25
- Настоящее имя: Станислав
- Контактная информация:
Re: зверь машина по пластику и дереву 570/370/170 500вт
а зачем такая высота портала и такая длинная ось Z?
Если нет в планах обрабатывать что- то высокое, то ход по z 60-80мм вполне достаточно. Портал тоже понизить максимально.
Если нет в планах обрабатывать что- то высокое, то ход по z 60-80мм вполне достаточно. Портал тоже понизить максимально.
- Андрей 17
- Новичок
- Сообщения: 9
- Зарегистрирован: 20 янв 2021, 20:23
- Репутация: 0
- Настоящее имя: 1357935кангу
- Контактная информация:
Re: зверь машина по пластику и дереву 570/370/170 500вт
да стол под нагрузкой прогибается надо дорабатывать чем-нибудь усилить, даже с легка от руки заметно, пока поиграться хватаетxenon-alien писал(а): ↑20 янв 2021, 23:12 Получается висячий стол. И осью Z будет прогибать.
Рельсы вниз готовой и к столу![]()
- Mamont
- Мастер
- Сообщения: 2005
- Зарегистрирован: 10 дек 2015, 12:21
- Репутация: 391
- Настоящее имя: Виталий
- Откуда: РБ Минск
- Контактная информация:
Re: зверь машина по пластику и дереву 570/370/170 500вт
Когда будешь переделовать на люминьку рекомендую
1. использовать профильные рельсы/каретки хивина. если оставлять вал на опоре, раза в 2 и более увеличивать базу между ними. в первую очередь портала.
2. уменьшить высоту портала. оставить зазор 100-150мм. но ход по оси Z мона оставить большим. это и удобство при смене инструмента и возможность работы длинными фрезами/сверлами.
3. висячий стол уже озвучили
4. укосины стоек портала и основания. а также ребра жесткости на самой пластине портала
1. использовать профильные рельсы/каретки хивина. если оставлять вал на опоре, раза в 2 и более увеличивать базу между ними. в первую очередь портала.
2. уменьшить высоту портала. оставить зазор 100-150мм. но ход по оси Z мона оставить большим. это и удобство при смене инструмента и возможность работы длинными фрезами/сверлами.
3. висячий стол уже озвучили
4. укосины стоек портала и основания. а также ребра жесткости на самой пластине портала
- Андрей 17
- Новичок
- Сообщения: 9
- Зарегистрирован: 20 янв 2021, 20:23
- Репутация: 0
- Настоящее имя: 1357935кангу
- Контактная информация:
Re: зверь машина по пластику и дереву 570/370/170 500вт
я когда заказывал kit набор было несколько критериев он должен поместится в одном краю маленького балкона и занимать при этом мало места, глубина балкона примерно 850, а рабочую зону изначально хотел 600/400/150, а заказал sbr700/500/300. конструкцию такую собрал на скоряк купил 1.5м/1.5м лист 16мм фанеры и у друга взял ручную циркулярку долго не думая на фанере карандашом на фанере нарисовал выкройки и раскроил,конструкция оказалась не лучшая щас я это понял.немного усилю пока стол и пограюсь пока с таким ,пока буду думать над новой конструкцией
Последний раз редактировалось Андрей 17 22 янв 2021, 12:13, всего редактировалось 2 раза.
- Андрей 17
- Новичок
- Сообщения: 9
- Зарегистрирован: 20 янв 2021, 20:23
- Репутация: 0
- Настоящее имя: 1357935кангу
- Контактная информация:
Re: зверь машина по пластику и дереву 570/370/170 500вт
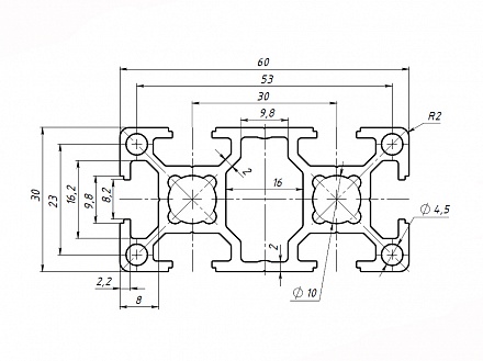
вот присматриваюсь к профилю на сайте собери завод 60/30 но у него на продольных пазах продольные дополнительные углубления хоть алюминиевую полосу ставь между рельсами и станочными профилями чтобы прикрутить sbr16 а если какие то варианты , и пилят под размер и цена вроде нормальная если бы ни эти доп пазы зачем они там нужны ума не приложу
- Андрей 17
- Новичок
- Сообщения: 9
- Зарегистрирован: 20 янв 2021, 20:23
- Репутация: 0
- Настоящее имя: 1357935кангу
- Контактная информация:
Re: зверь машина по пластику и дереву 570/370/170 500вт
я пересмотрел много конструкций чпу станков мне понравилась конструкция из алюминиевого станочного профиля. типа каркас основание прямоугольной формы из алюминиевого профиля 60/40 по бокам прикрученные рельсы sbr16 это ось ''y'' с верху лист фанеры это столешница и ось основание ''x'' станочный профиль 60/40 сверху и с низу прикрученные к нем sbr16 зеркально.боковины оси ''x'' и вся ось ''z'' из дюралевых плит.многие конструкции такого типа используют на оси ''y'' две швп и два привода я хочу один по середине. я хотел изначально такую конструкцию да и сейчас хочу. по поже как созрею закажу профиль и дюральку.пока думаю что использовать на проставки между станочным профилем60/40 и 16 рельсами какие нибудь алюминиевые полосы или еще что то. было бы лучше если бы не было этих доп углублений в профиле