Продам Комплект механики и электроники для станка ЧПУ

Закрытые сделки по продаже и покупке
error101
Новичок
Сообщения: 39
Зарегистрирован: 14 май 2013, 15:04
Репутация: 5
Настоящее имя: Макс
Откуда: Москва
Контактная информация:

Продам Комплект механики и электроники для станка ЧПУ

Сообщение error101 »

Продажа желательна без дербана на сильно мелкие составляющие и нехотелось бы связываться с пересылом (нахожусь в Москве).
Все новое, на станках не стояло. Оси собраны для проверки движков и контроллера (включалось 1 раз минут на 10).
Для тех кто возьмет все сразу цена 110000 руб.
Имеется из электроники:
За все разом 17500 руб.
1) Контроллер GeckoDrive G540 на 4 оси для Mach3, TurboCNC, LinuxCNC и т.п. (проверялся на MACH) - 9500 руб
Микрошаговый режим работы - 1/10 шага;
Компенсация среднечастотного резонанса;
Подавление низкочастотных вибраций;
Функция «морфинга» и плавного пуска двигателей;
Адаптивная рециркуляция тока обеспечивающая минимальный нагрев ШД;
Снижение тока в обмотках ШД до 70% от установленного, при простое более 1 секунды;
Гальваническая изоляция входных и выходных сигналов LPT порта;
Дискретный вход для подключения аварийного выключателя – ENABLE;
4 дискретных входа для подключения датчиков;
2 дискретных транзисторных выхода 1А @ 50В;
Изолированный аналоговый выход 0-10В для управления частотным преобразователем;
Сторожевой таймер «ChargePump»;
Защита от короткого замыкания.
2) 4 шт. ШД FL57STH76-2804 - 1700 руб/шт.
Ток/фаза,А - 2,8
Сопро-тивление/фаза,Ом - 1,13
Индуктивность/фаза,мГн - 3,6
Крутящий момент - 18,9 кг*см
Кол-во выводов - 4
Момент инерции ротора, г*см^2 - 480
Угловой шаг, град. - 1,8
Вес,кг - 1
Длина, мм- 76
3) Источник питания NES-350-27 - 1900 руб.
Выход 27 В, 13 A
Точность 1%
Шумы и пульсации 200 мВ
КПД 88%
Имеется из механики:
За всю механику разом 95000 руб.
1) Ось в сборе 14200 руб.
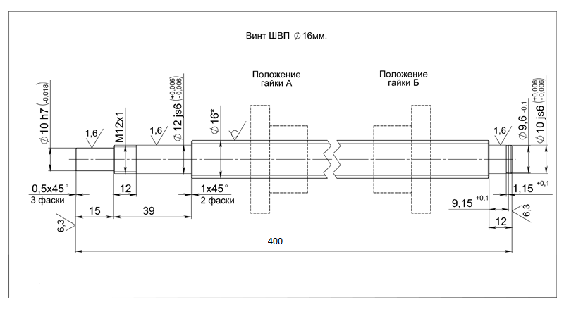
Винт ШВП 1605 0,4м разделка по приложеной схеме для опор BK12, BF12
Гайка ШВП SFU16 DIN69051 Form B под 6 винтов
Опоры для винтов GMT: GBK-12T и GBF-12T
Муфта FACE30R - d1-6,35мм; d2-10мм
Монтажный корпус для гайки ШВП 16
2) Ось в сборе (таких комплектов 3 шт.) 17300 руб/комплект
Винт ШВП 2005 1,1м разделка по приложеной схеме для опор BK15, BF15
Гайка ШВП SFU20 DIN69051 Form B под 6 винтов
Опоры для винтов GMT: GBK-15T и GBF-15T
Муфта FACE30R - d1-6,35мм; d2-12мм
Монтажный корпус для гайки ШВП 20
3) Рельсы 15 типоразмера к каждому по 2 каретки (без фланцев) - все разом 30500руб:
а) Рельс 500 мм+2каретки (2 комплекта) 4000руб/комплект
б) Рельс 1200 мм+2каретки (4 комплекта) 5800руб/комплект

г. Москва
8-916-637-ноль-пять-три-один
Максим
Вложения
IMAG0270.jpg (6920 просмотров) <a class='original' href='./download/file.php?id=14608&mode=view' target=_blank>Загрузить оригинал (1.28 МБ)</a>
IMAG0271.jpg (6920 просмотров) <a class='original' href='./download/file.php?id=14609&mode=view' target=_blank>Загрузить оригинал (1.81 МБ)</a>
IMAG0272.jpg (6920 просмотров) <a class='original' href='./download/file.php?id=14610&mode=view' target=_blank>Загрузить оригинал (1.51 МБ)</a>
IMAG0273.jpg (6920 просмотров) <a class='original' href='./download/file.php?id=14611&mode=view' target=_blank>Загрузить оригинал (1.42 МБ)</a>
IMAG0274.jpg (6920 просмотров) <a class='original' href='./download/file.php?id=14612&mode=view' target=_blank>Загрузить оригинал (884.3 КБ)</a>
IMAG0275.jpg (6920 просмотров) <a class='original' href='./download/file.php?id=14613&mode=view' target=_blank>Загрузить оригинал (827.07 КБ)</a>
IMAG0276.jpg (6920 просмотров) <a class='original' href='./download/file.php?id=14614&mode=view' target=_blank>Загрузить оригинал (1.28 МБ)</a>
IMAG0277.jpg (6920 просмотров) <a class='original' href='./download/file.php?id=14615&mode=view' target=_blank>Загрузить оригинал (863.89 КБ)</a>
IMAG0278.jpg (6920 просмотров) <a class='original' href='./download/file.php?id=14616&mode=view' target=_blank>Загрузить оригинал (922.62 КБ)</a>
IMAG0279.jpg (6920 просмотров) <a class='original' href='./download/file.php?id=14617&mode=view' target=_blank>Загрузить оригинал (887.58 КБ)</a>
shvp16.png (6920 просмотров) <a class='original' href='./download/file.php?id=14618&mode=view' target=_blank>Загрузить оригинал (46.95 КБ)</a>
shvp20.png (6920 просмотров) <a class='original' href='./download/file.php?id=14619&mode=view' target=_blank>Загрузить оригинал (62.14 КБ)</a>
error101
Новичок
Сообщения: 39
Зарегистрирован: 14 май 2013, 15:04
Репутация: 5
Настоящее имя: Макс
Откуда: Москва
Контактная информация:

Re: Продам Комплект механики и электроники для станка ЧПУ

Сообщение error101 »

Поднимем. Торгуемо.
error101
Новичок
Сообщения: 39
Зарегистрирован: 14 май 2013, 15:04
Репутация: 5
Настоящее имя: Макс
Откуда: Москва
Контактная информация:

Re: Продам Комплект механики и электроники для станка ЧПУ

Сообщение error101 »

Вверх. Торг.
error101
Новичок
Сообщения: 39
Зарегистрирован: 14 май 2013, 15:04
Репутация: 5
Настоящее имя: Макс
Откуда: Москва
Контактная информация:

Re: Продам Комплект механики и электроники для станка ЧПУ

Сообщение error101 »

Продано.
Ответить

Вернуться в «Продано»