Требуется изготовить два вида деталей

Закрытые сделки по продаже и покупке
Алексей063
Кандидат
Сообщения: 55
Зарегистрирован: 26 июн 2016, 13:36
Репутация: 2
Настоящее имя: Алексей
Контактная информация:

Требуется изготовить два вида деталей

Сообщение Алексей063 »

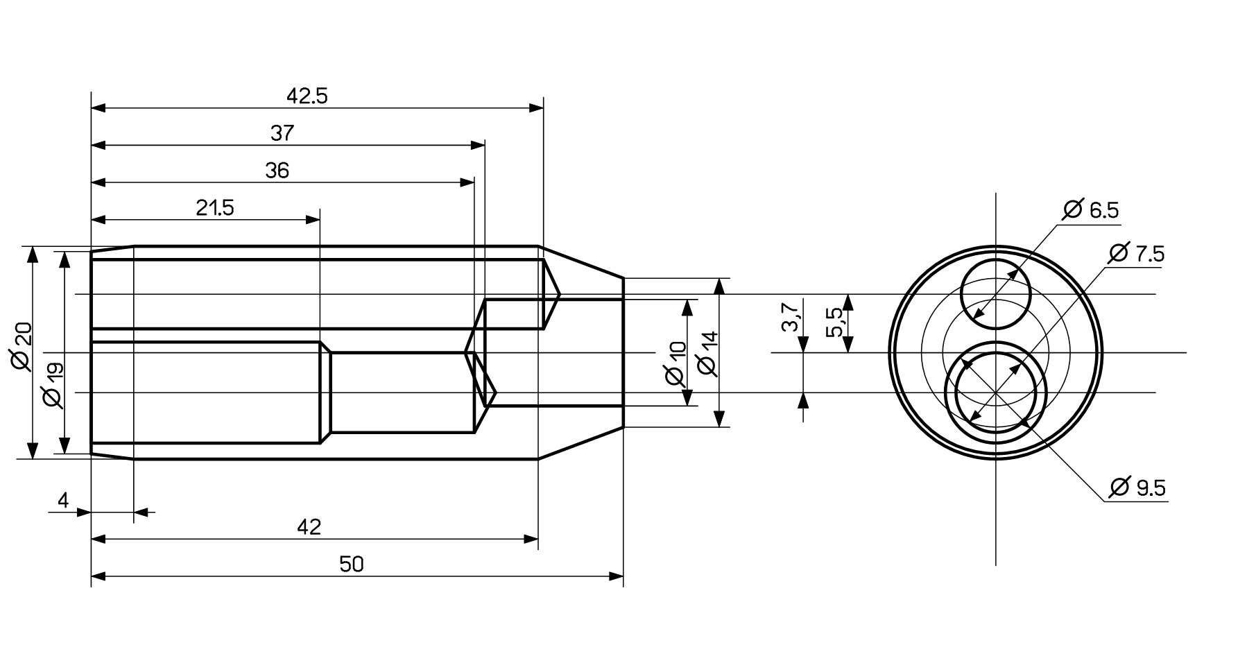
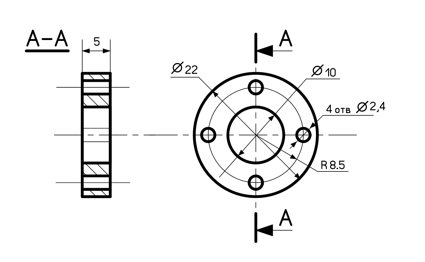
Требуется изготовить два вида деталей, эскизы прилагаю.
Деталь_1 (7096 просмотров) <a class='original' href='./download/file.php?id=182792&mode=view' target=_blank>Загрузить оригинал (158.19 КБ)</a>
Деталь_1
Деталь_2 (7096 просмотров) <a class='original' href='./download/file.php?id=182793&mode=view' target=_blank>Загрузить оригинал (113.72 КБ)</a>
Деталь_2
Эскизы сделаны немного не корректно, поясню: Деталь_1 цилиндрическая деталь, справа (по эскизу) одно отверстие, слева два, одно из которых ступенчатое.
Материал желательно Д16Т. Что касается точности и чистоты поверхностей; это детали не для какой-то прецизионной механики, а просто держатели ИК сенсоров. Достаточно точными должны быть диаметры отверстий; пойдёт просто сверление на хорошем станке. Не знаю как определить требования к шероховатости наружных поверхностей (извините, я не специалист в металлообработке) но эти детали будут постоянно в поле зрения во время работы и хотелось бы, чтобы они глаз радовали.
Ещё раз извиняюсь за такое неквалифицированное описание.
Нужно пять комплектов таких деталей. Если кто-либо возьмётся за изготовление, то детали надо будет отправить в Тольятти желательно СДЭКом в начале следующей недели.
Конечно, будет полная предоплата.
Алексей063
Кандидат
Сообщения: 55
Зарегистрирован: 26 июн 2016, 13:36
Репутация: 2
Настоящее имя: Алексей
Контактная информация:

Re: Требуется изготовить два вида деталей

Сообщение Алексей063 »

Вопрос решён, спасибо.
Ответить

Вернуться в «Продано»