AC Servo MINAS A4 Series помогите запустить
- РЕКЛАМА
- Почётный участник

- Сообщения: 736
- Зарегистрирован: 11 дек 2012, 21:46
- Репутация: 80
- Откуда: Брянск
- Контактная информация:
AC Servo MINAS A4 Series помогите запустить
Доукомплектовал связку серва mhmd042p1u - мозги mbddt 2210003.
Документация по такому набора тут: http://industrial.panasonic.com/ww/i_e/ ... acs_e.html
Помогите подключить по степ-дир к лпт, в смысле куда чего к каким разъемам на какие контакты и если чего менять в настройках. (мотор и питание подключены).
Адски боюсь чего спалить, а знание англицкого на уровне 3 класса.
Помогите......
При включении без подключения к компу светит ошибка 38 "Run-inhibition input protection" гугл перевел как : Run-торможение входа защиты
На что он ругается?
Документация по такому набора тут: http://industrial.panasonic.com/ww/i_e/ ... acs_e.html
Помогите подключить по степ-дир к лпт, в смысле куда чего к каким разъемам на какие контакты и если чего менять в настройках. (мотор и питание подключены).
Адски боюсь чего спалить, а знание англицкого на уровне 3 класса.
Помогите......
При включении без подключения к компу светит ошибка 38 "Run-inhibition input protection" гугл перевел как : Run-торможение входа защиты
На что он ругается?
- РЕКЛАМА
- Почётный участник

- Сообщения: 736
- Зарегистрирован: 11 дек 2012, 21:46
- Репутация: 80
- Откуда: Брянск
- Контактная информация:
Re: AC Servo MINAS A4 Series помогите запустить
Есть в комплекте шнурок для com порта..
-
aftaev
- Зачётный участник

- Сообщения: 34042
- Зарегистрирован: 04 апр 2010, 19:22
- Репутация: 6194
- Откуда: Казахстан.
- Контактная информация:
Re: AC Servo MINAS A4 Series помогите запустить
Читаешь мануал там должна быть функция ручного вращения нужна чтоб проверить роботоспособность. В Яскавах это JOG функция запускается через кнопки на серве Fn002
Для начало ее запусти убедиться что мотор и усилок совместимы и исправны
Для начало ее запусти убедиться что мотор и усилок совместимы и исправны
Дилетанту сложные вещи кажутся очень простыми, и только профессионал понимает насколько сложна самая простая вещь
Кто хочет - ищет возможности, кто не хочет - ищет оправдание.
Найди работу по душе и тебе не придется работать.
Кто хочет - ищет возможности, кто не хочет - ищет оправдание.
Найди работу по душе и тебе не придется работать.
- РЕКЛАМА
- Почётный участник

- Сообщения: 736
- Зарегистрирован: 11 дек 2012, 21:46
- Репутация: 80
- Откуда: Брянск
- Контактная информация:
Re: AC Servo MINAS A4 Series помогите запустить
это все стояло на одном агрегате в паре, и на момент деинсталяции работало.
В мануале разбираюсь-никак не разберусь, очень там много информации, а какая из них мне необходима не могу вычленить..
та ошибка которую он выдает, я так понимаю, это жалоба на отсутствие сигналов управления?
моргает ошибка 38 при включении. экран то-же моргает постоянно. на попытки ввести чего-нибудь результат-error..
В мануале разбираюсь-никак не разберусь, очень там много информации, а какая из них мне необходима не могу вычленить..
та ошибка которую он выдает, я так понимаю, это жалоба на отсутствие сигналов управления?
моргает ошибка 38 при включении. экран то-же моргает постоянно. на попытки ввести чего-нибудь результат-error..
-
aftaev
- Зачётный участник

- Сообщения: 34042
- Зарегистрирован: 04 апр 2010, 19:22
- Репутация: 6194
- Откуда: Казахстан.
- Контактная информация:
Re: AC Servo MINAS A4 Series помогите запустить
Серва может быть в режиме удержания или просто включена. Никаких ошибок не должно быть.
При включении серва ждет сигнал включения S-on если его нет вал сервы свободно вращается. Когда подаем сигнал S-on серва подает напряжение на мотор и удерживает позицию(если она задана в настройках)
В твоем варианте возможно нет тормозного резистора или что то не подключил.
Фото выложи чтоб было видно провода.
При включении серва ждет сигнал включения S-on если его нет вал сервы свободно вращается. Когда подаем сигнал S-on серва подает напряжение на мотор и удерживает позицию(если она задана в настройках)
В твоем варианте возможно нет тормозного резистора или что то не подключил.
Фото выложи чтоб было видно провода.
Дилетанту сложные вещи кажутся очень простыми, и только профессионал понимает насколько сложна самая простая вещь
Кто хочет - ищет возможности, кто не хочет - ищет оправдание.
Найди работу по душе и тебе не придется работать.
Кто хочет - ищет возможности, кто не хочет - ищет оправдание.
Найди работу по душе и тебе не придется работать.
-
aftaev
- Зачётный участник

- Сообщения: 34042
- Зарегистрирован: 04 апр 2010, 19:22
- Репутация: 6194
- Откуда: Казахстан.
- Контактная информация:
Re: AC Servo MINAS A4 Series помогите запустить
И покажи ссылку конкретно на мануал, лень по твоей ссылке искать где там твоя модель.
Дилетанту сложные вещи кажутся очень простыми, и только профессионал понимает насколько сложна самая простая вещь
Кто хочет - ищет возможности, кто не хочет - ищет оправдание.
Найди работу по душе и тебе не придется работать.
Кто хочет - ищет возможности, кто не хочет - ищет оправдание.
Найди работу по душе и тебе не придется работать.
- РЕКЛАМА
- Почётный участник

- Сообщения: 736
- Зарегистрирован: 11 дек 2012, 21:46
- Репутация: 80
- Откуда: Брянск
- Контактная информация:
Re: AC Servo MINAS A4 Series помогите запустить
http://industrial.panasonic.com/ww/i_e/ ... s_a4_e.pdf
прошивка вроде как в них у всех одинаковая, разнятся только мощностью , корпусом и на 1-3 фазы Подключено все как было, только почему-то не было петли (счас оранжевая) стоит. на ошибку не повлияло
прошивка вроде как в них у всех одинаковая, разнятся только мощностью , корпусом и на 1-3 фазы Подключено все как было, только почему-то не было петли (счас оранжевая) стоит. на ошибку не повлияло
- РЕКЛАМА
- Почётный участник

- Сообщения: 736
- Зарегистрирован: 11 дек 2012, 21:46
- Репутация: 80
- Откуда: Брянск
- Контактная информация:
Re: AC Servo MINAS A4 Series помогите запустить
http://industrial.panasonic.com/ww/i_e/ ... 4e_08s.pdf
а это я так понял по устранению неисправностей мануал..
а это я так понял по устранению неисправностей мануал..
-
aftaev
- Зачётный участник

- Сообщения: 34042
- Зарегистрирован: 04 апр 2010, 19:22
- Репутация: 6194
- Откуда: Казахстан.
- Контактная информация:
Re: AC Servo MINAS A4 Series помогите запустить
Что за петля? Коричневый провод? Из-за него фотку и попросил это тормозной резистор
Дилетанту сложные вещи кажутся очень простыми, и только профессионал понимает насколько сложна самая простая вещь
Кто хочет - ищет возможности, кто не хочет - ищет оправдание.
Найди работу по душе и тебе не придется работать.
Кто хочет - ищет возможности, кто не хочет - ищет оправдание.
Найди работу по душе и тебе не придется работать.
-
aftaev
- Зачётный участник

- Сообщения: 34042
- Зарегистрирован: 04 апр 2010, 19:22
- Репутация: 6194
- Откуда: Казахстан.
- Контактная информация:
Re: AC Servo MINAS A4 Series помогите запустить
Серва до этого где стаяла?
Дилетанту сложные вещи кажутся очень простыми, и только профессионал понимает насколько сложна самая простая вещь
Кто хочет - ищет возможности, кто не хочет - ищет оправдание.
Найди работу по душе и тебе не придется работать.
Кто хочет - ищет возможности, кто не хочет - ищет оправдание.
Найди работу по душе и тебе не придется работать.
- РЕКЛАМА
- Почётный участник

- Сообщения: 736
- Зарегистрирован: 11 дек 2012, 21:46
- Репутация: 80
- Откуда: Брянск
- Контактная информация:
Re: AC Servo MINAS A4 Series помогите запустить
Широкоформатный принтер "Leopard"
А там просто перемычка и резистор внутри или это непростая проводина?
А там просто перемычка и резистор внутри или это непростая проводина?
-
aftaev
- Зачётный участник

- Сообщения: 34042
- Зарегистрирован: 04 апр 2010, 19:22
- Репутация: 6194
- Откуда: Казахстан.
- Контактная информация:
Re: AC Servo MINAS A4 Series помогите запустить
эта перемычка чтобы подключить внутренний резистор все правильно.РЕКЛАМА писал(а):А там просто перемычка и резистор внутри или это непростая проводина?
Судя по описанию ошибки серва ждет сигналы. Нужно переводить серву в степ/дир.
Ищи прогу от нее и подключай к компу.
Дилетанту сложные вещи кажутся очень простыми, и только профессионал понимает насколько сложна самая простая вещь
Кто хочет - ищет возможности, кто не хочет - ищет оправдание.
Найди работу по душе и тебе не придется работать.
Кто хочет - ищет возможности, кто не хочет - ищет оправдание.
Найди работу по душе и тебе не придется работать.
- РЕКЛАМА
- Почётный участник

- Сообщения: 736
- Зарегистрирован: 11 дек 2012, 21:46
- Репутация: 80
- Откуда: Брянск
- Контактная информация:
Re: AC Servo MINAS A4 Series помогите запустить
Вау!
Я её оживил.
Пришлось разобрать разъем, который оказался не com а просто конектор, подключить питание для активизации оптопар, замкнуть cw и ccw выходы на com-.
Что-то не могу найти как отключить эти концевики, этож лишние 24 вольта бп тратить, больше ни для чего он не нужен..
В большом разъеме мозгов провода еще были подпаяны на :
pelse1
pulse2
sign1
sign2
oa+
oa_
Что это может означать? может она по шаговому режиму и была подключена?
А серва так и должна при попытке ее крутануть возвращаться обратно? както слабовато фиксируется, не будет косяков в процессе работы?
Я её оживил.
Пришлось разобрать разъем, который оказался не com а просто конектор, подключить питание для активизации оптопар, замкнуть cw и ccw выходы на com-.
Что-то не могу найти как отключить эти концевики, этож лишние 24 вольта бп тратить, больше ни для чего он не нужен..
В большом разъеме мозгов провода еще были подпаяны на :
pelse1
pulse2
sign1
sign2
oa+
oa_
Что это может означать? может она по шаговому режиму и была подключена?
А серва так и должна при попытке ее крутануть возвращаться обратно? както слабовато фиксируется, не будет косяков в процессе работы?
-
aftaev
- Зачётный участник

- Сообщения: 34042
- Зарегистрирован: 04 апр 2010, 19:22
- Репутация: 6194
- Откуда: Казахстан.
- Контактная информация:
Re: AC Servo MINAS A4 Series помогите запустить
В настройках сервы должно отключаться. Ищи прогу для этой сервы.РЕКЛАМА писал(а):Что-то не могу найти как отключить эти концевики, этож лишние 24 вольта бп тратить, больше ни для чего он не нужен..
В смысле? Словно вал резиновый? Крутишь вал, чем сильнее крутишь тем сильнее сопротивляется?РЕКЛАМА писал(а):А серва так и должна при попытке ее крутануть возвращаться обратно?
Дилетанту сложные вещи кажутся очень простыми, и только профессионал понимает насколько сложна самая простая вещь
Кто хочет - ищет возможности, кто не хочет - ищет оправдание.
Найди работу по душе и тебе не придется работать.
Кто хочет - ищет возможности, кто не хочет - ищет оправдание.
Найди работу по душе и тебе не придется работать.
-
aftaev
- Зачётный участник

- Сообщения: 34042
- Зарегистрирован: 04 апр 2010, 19:22
- Репутация: 6194
- Откуда: Казахстан.
- Контактная информация:
Re: AC Servo MINAS A4 Series помогите запустить
РЕКЛАМА, как лучше быть с твоим Панасом написал в ЛС.
Дилетанту сложные вещи кажутся очень простыми, и только профессионал понимает насколько сложна самая простая вещь
Кто хочет - ищет возможности, кто не хочет - ищет оправдание.
Найди работу по душе и тебе не придется работать.
Кто хочет - ищет возможности, кто не хочет - ищет оправдание.
Найди работу по душе и тебе не придется работать.
- РЕКЛАМА
- Почётный участник

- Сообщения: 736
- Зарегистрирован: 11 дек 2012, 21:46
- Репутация: 80
- Откуда: Брянск
- Контактная информация:
Re: AC Servo MINAS A4 Series помогите запустить
именно как резиновый, сдвигаешь его, а он упирается чем дальше тем сильнее и встает там где был. можно провернуть на примерно на 1/8 оборота за шкив на моторе.
Может проще продать ее или поменяться на шаговики с драйверами? ?
Может проще продать ее или поменяться на шаговики с драйверами? ?
- ukr-sasha
- Мастер
- Сообщения: 3401
- Зарегистрирован: 21 мар 2011, 07:47
- Репутация: 2181
- Настоящее имя: Украинец Александр Григорьевич
- Откуда: Киев, Украина
- Контактная информация:
Re: AC Servo MINAS A4 Series помогите запустить
Это нормальное поведение для сервы.
У вас просто не настроены коэффициенты ПИД. Попробуйте постепенно увеличивать П, и сами заметите, как будет изменяться жесткость вала двигателя.
У вас просто не настроены коэффициенты ПИД. Попробуйте постепенно увеличивать П, и сами заметите, как будет изменяться жесткость вала двигателя.
-
aftaev
- Зачётный участник

- Сообщения: 34042
- Зарегистрирован: 04 апр 2010, 19:22
- Репутация: 6194
- Откуда: Казахстан.
- Контактная информация:
Re: AC Servo MINAS A4 Series помогите запустить
Все ровноРЕКЛАМА писал(а):Может проще продать ее или поменяться на шаговики с драйверами? ?
У Яскав есть функции настройки жесткости через функции от 1 до 10 чем больше цифра тем жестче вал. Далее идет тонкая настройка ручками.
У тебя тож должно быть. Нужно найти мануал на твою серву.
Дилетанту сложные вещи кажутся очень простыми, и только профессионал понимает насколько сложна самая простая вещь
Кто хочет - ищет возможности, кто не хочет - ищет оправдание.
Найди работу по душе и тебе не придется работать.
Кто хочет - ищет возможности, кто не хочет - ищет оправдание.
Найди работу по душе и тебе не придется работать.
- РЕКЛАМА
- Почётный участник

- Сообщения: 736
- Зарегистрирован: 11 дек 2012, 21:46
- Репутация: 80
- Откуда: Брянск
- Контактная информация:
Re: AC Servo MINAS A4 Series помогите запустить
Да мануалы есть, там по ссылкам, но они все на англицком, запустил я ее только благодаря картинкам..
а прежде чем лезть в дебри настроек надо сначала ее научить компьютора слушаться хоть как-то.
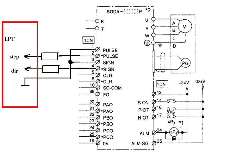
pulse и sign это вероятно степ и дир? почему их два комплекта? что еще и куда надо завести для управления?
а прежде чем лезть в дебри настроек надо сначала ее научить компьютора слушаться хоть как-то.
pulse и sign это вероятно степ и дир? почему их два комплекта? что еще и куда надо завести для управления?
-
aftaev
- Зачётный участник

- Сообщения: 34042
- Зарегистрирован: 04 апр 2010, 19:22
- Репутация: 6194
- Откуда: Казахстан.
- Контактная информация:
Re: AC Servo MINAS A4 Series помогите запустить
ДаРЕКЛАМА писал(а):pulse и sign это вероятно степ и дир?
Степ + Степ -РЕКЛАМА писал(а):почему их два комплекта?
Дир + Дир -
Обычно так
Вот Яскава как подключается к ЛПТ. Твои Мицу скорее всего имеют ту же распиновку.
Дилетанту сложные вещи кажутся очень простыми, и только профессионал понимает насколько сложна самая простая вещь
Кто хочет - ищет возможности, кто не хочет - ищет оправдание.
Найди работу по душе и тебе не придется работать.
Кто хочет - ищет возможности, кто не хочет - ищет оправдание.
Найди работу по душе и тебе не придется работать.