Нужна помощь по восстановлению сгоревшего контроллера

Контроллеры, драйверы, датчики, управляющие устройства.
Аватара пользователя
rean32
Мастер
Сообщения: 443
Зарегистрирован: 24 апр 2012, 11:13
Репутация: 84
Контактная информация:

Нужна помощь по восстановлению сгоревшего контроллера

Сообщение rean32 »

Очень нужна помощь по восстановлению сгоревшего контроллера TB6560HQT 4V3 (красная плата). Было короткое замыкание одного из выходов микросхемы, в результате чего она буквально разлетелась на части, также сгорела еще одна микросхема - внешних повреждений нет, но движок не крутит, на выходах КЗ. Две оставшиеся вроде как работают, но очень сильно шумит ШИМ в движках, раньше такого не было. И на маленьких скоростях движки работают как то не так, когда крутишь через mach3 в одну сторону они как бы немного дергаются и в обратную . на больших оборотах вроде как приемлимо работают. Кроме этого еще вышла из строя микросхема (5В импульсный стабилизатор напряжения), я временно запитал 5В от другого стабилизированного источника. Там на схеме вроде больше каких то сложных микросхем и нет. Может кто сталкивался с подобной проблемой, может ли быть что микрухи слегка подгорели, и теперь работают кривовато, или проблема кроется в другом? Могуть ли сбоить оптроны? Конечно можно было бы впаять новую микруху и проверить, но доступ к радиодеталям весьма затруднен.
_taras_
Мастер
Сообщения: 546
Зарегистрирован: 16 мар 2011, 15:19
Репутация: 69
Контактная информация:

Re: Нужна помощь по восстановлению сгоревшего контроллера

Сообщение _taras_ »

Ответ куда-то делся...
вобщем перепаяй все микрухи по питанию и сгоревшему каналу+ внимательно проверь дорожки п/п на предмет отрыва, к/з или разрыва.
З.Ы. (В сторону)1. TB6560HQT очень капризная микруха. 2. В сети полно схем, обсуждений и печаток как драйверов так и опторазвязок. Но народ с упорством достойного лучшего применения настувает на одни и теже грабли.
Аватара пользователя
rean32
Мастер
Сообщения: 443
Зарегистрирован: 24 апр 2012, 11:13
Репутация: 84
Контактная информация:

Re: Нужна помощь по восстановлению сгоревшего контроллера

Сообщение rean32 »

_taras_ писал(а):Ответ куда-то делся...
вобщем перепаяй все микрухи по питанию и сгоревшему каналу+ внимательно проверь дорожки п/п на предмет отрыва, к/з или разрыва.
З.Ы. (В сторону)1. TB6560HQT очень капризная микруха. 2. В сети полно схем, обсуждений и печаток как драйверов так и опторазвязок. Но народ с упорством достойного лучшего применения настувает на одни и теже грабли.
Спасибо, буду перепаивать, я знаю что контроллер не очень, но меня устраивал на 100%. Никогда не было проблем.
_taras_
Мастер
Сообщения: 546
Зарегистрирован: 16 мар 2011, 15:19
Репутация: 69
Контактная информация:

Re: Нужна помощь по восстановлению сгоревшего контроллера

Сообщение _taras_ »

У TB6560HQT проблема в том, что выйти из строя может от незначительного скачка напряжения. Нужен хороший блок питания. Плюс раздельная кострукция позоляет бысро сменить неисправный узел.
aftaev
Зачётный участник
Зачётный участник
Сообщения: 34042
Зарегистрирован: 04 апр 2010, 19:22
Репутация: 6194
Откуда: Казахстан.
Контактная информация:

Re: Нужна помощь по восстановлению сгоревшего контроллера

Сообщение aftaev »

rean32 писал(а):Очень нужна помощь по восстановлению сгоревшего контроллера TB6560HQT 4V3 (красная плата).
самый хороший способ ее восстановить - аккуратно положить в мусорное ведро и больше не покупать что сделано на TB6560 хоть красного хоть синего хоть перламутрового цвета :)
Дилетанту сложные вещи кажутся очень простыми, и только профессионал понимает насколько сложна самая простая вещь
Кто хочет - ищет возможности, кто не хочет - ищет оправдание.
Найди работу по душе и тебе не придется работать.
Аватара пользователя
michael-yurov
Почётный участник
Почётный участник
Сообщения: 11731
Зарегистрирован: 26 июл 2012, 00:10
Репутация: 4703
Настоящее имя: Михаил Львович
Откуда: Новоуральск
Контактная информация:

Re: Нужна помощь по восстановлению сгоревшего контроллера

Сообщение michael-yurov »

aftaev писал(а):самый хороший способ ее восстановить - аккуратно положить в мусорное ведро и больше не покупать что сделано на TB6560 хоть красного хоть синего хоть перламутрового цвета
Это точно - данные "контроллеры" явно не для работы, а так -побаловаться, как временное решение допустимы, если с деньгами совсем тоскливо.
Я когда такой купил - через неделю уже пол "контроллера" перепаял, т.к. там было ооочень много конструкторских косяков, при чем многие - очень серьезные.
"Контроллер", конечно, стал намного лучше работать и без сбоев, но все же через несколько дней я уже наскреб денег на нормальные драйверы, и спаял нормальную интерфейсную плату.
"Контроллер" не прожил и месяца на станке, в какой то момент, я задел разъем ШД во время работы, и сгорела одна из микросхем.
Могу сказать, что на том "контроллере" мне удавалось разогнать станок до 1 500 - 2 000 мм/мин. На нынешней электронике тот же станок с теми же моторами стабильно ездит со скоростью 12 000 мм/мин.
P.S. Ошметки "контроллера" без конденсаторов и радиатора где-то валяются, скорее всего там одна микросхема исправна, если нужно - могу отправить, но не знаю, насколько далеко отправлять.
rean32 писал(а):я знаю что контроллер не очень, но меня устраивал на 100%. Никогда не было проблем.
Вот и я так же думал, целую неделю.
Последний раз редактировалось michael-yurov 02 фев 2013, 18:58, всего редактировалось 3 раза.
_taras_
Мастер
Сообщения: 546
Зарегистрирован: 16 мар 2011, 15:19
Репутация: 69
Контактная информация:

Re: Нужна помощь по восстановлению сгоревшего контроллера

Сообщение _taras_ »

michael-yurov
michael-yurov писал(а): спаял нормальную интерфейсную плату.
схемой и печаткой не поделишся?
Аватара пользователя
michael-yurov
Почётный участник
Почётный участник
Сообщения: 11731
Зарегистрирован: 26 июл 2012, 00:10
Репутация: 4703
Настоящее имя: Михаил Львович
Откуда: Новоуральск
Контактная информация:

Re: Нужна помощь по восстановлению сгоревшего контроллера

Сообщение michael-yurov »

_taras_ писал(а):michael-yurov
michael-yurov писал(а): спаял нормальную интерфейсную плату.
схемой и печаткой не поделишся?
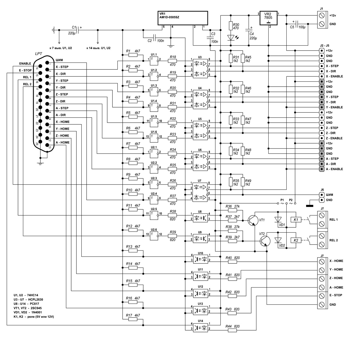
Нет, я состряпал из того, что было, ничего не сохранилось,
были быстродействующие микросхемы опторазвязки HCPL2630, DC-DC конвертор,
входы лимитов, кнопок, и выход на шпиндель сделал через PC817, которые из этого же китайского контроллера и выдрал.
LPT уже давно не использую, поэтому в интерфейсной плате нет нужды.
Если подключать нормальные драйверы с опторазявязкой на входе, то есть смысл купить у китайцев интерфейсную плату без опторазвязки за 350 руб. http://www.ebay.com/itm/CNC-5-Axis-Brea ... 27cf5cbb65
но там не будет преобразователя ШИМ -> напряжение для инвертора шпинделя, хотя, он мало кому нужен.

видел хорошую плату на robozone.su (че-то сайт не работает)
вот такую:
Вложения
1237371706_sch.jpg (3459 просмотров) <a class='original' href='./download/file.php?id=11475&mode=view' target=_blank>Загрузить оригинал (322.74 КБ)</a>
Интерфейсная плата.zip
(899.21 КБ) 453 скачивания
Аватара пользователя
rean32
Мастер
Сообщения: 443
Зарегистрирован: 24 апр 2012, 11:13
Репутация: 84
Контактная информация:

Re: Нужна помощь по восстановлению сгоревшего контроллера

Сообщение rean32 »

Подумал я, почитал комментарии, решил "разориться" на нормальную электронику. Вот только осталось выяснить на чем именно остановиться. Что скажете про такую конфигурацию:
1. Драйвер ШД 3 шт PLD330
http://purelogic.ru/shop/elektronnye_ko ... jvery_shd/
2. Контроллер PLC6x http://purelogic.ru/shop/elektronnye_ko ... drajverov/

Кто сталкивался с техникой пурелогика? Как она в бою?
Аватара пользователя
michael-yurov
Почётный участник
Почётный участник
Сообщения: 11731
Зарегистрирован: 26 июл 2012, 00:10
Репутация: 4703
Настоящее имя: Михаил Львович
Откуда: Новоуральск
Контактная информация:

Re: Нужна помощь по восстановлению сгоревшего контроллера

Сообщение michael-yurov »

rean32, простите, возможно, я слишком категорично написал про китайский контроллер.
Я не знаю, какой у вас станок, может быть вам вполне будет достаточно и его, а может быть - наоборот, китайский контроллер является узким местом системы.
PLD330 сделан, конечно, намного более грамотно, чем китайский контроллер, но все же технические характеристики не сильно отличаются.
Если уж покупать у purelogic, то лучше PLD545-G3. Это намного более новая и продвинутая разработка. Скорее всего в реальной работе покажет себя намного лучше.
У китайцев можно купить хорошие драйверы и интерфейсную плату значительно дешевле. Советую посмотреть на драйверы M542 или 2M542 они стоят около $40.
например, вот 3 штуки за $110 http://www.aliexpress.com/item/Free-Shi ... 55561.html
конкретную модель стоит выбирать исходя из параметров двигателей (рабочий ток, чтобы был запас у драйверов, и исходя из индуктивности моторов - прикинуть оптимальное напряжение питания).
Есть еще круче, те, что начинаются на DM (если производитель Leadshine), но они значительно дороже. Если производитель другой, то буквы DM могут быть просто обманным ходом, на обычном драйвере.
Интерфейсную плату лучше такую: http://www.aliexpress.com/item/Free-shi ... 55175.html
Аватара пользователя
rean32
Мастер
Сообщения: 443
Зарегистрирован: 24 апр 2012, 11:13
Репутация: 84
Контактная информация:

Re: Нужна помощь по восстановлению сгоревшего контроллера

Сообщение rean32 »

michael-yurov писал(а): У китайцев можно купить хорошие драйверы и интерфейсную плату значительно дешевле. Советую посмотреть на драйверы M542 или 2M542 они стоят около $40.
например, вот 3 штуки за $110 http://www.aliexpress.com/item/Free-Shi ... 55561.html
конкретную модель стоит выбирать исходя из параметров двигателей (рабочий ток, чтобы был запас у драйверов, и исходя из индуктивности моторов - прикинуть оптимальное напряжение питания).
Есть еще круче, те, что начинаются на DM (если производитель Leadshine), но они значительно дороже. Если производитель другой, то буквы DM могут быть просто обманным ходом, на обычном драйвере.
Интерфейсную плату лучше такую: http://www.aliexpress.com/item/Free-shi ... 55175.html
Большое спасибо за совет. Цены и впрямь очень привлекательные. А у вас есть опыт работы с этим интернет магазином? Я слышал, что при заказе из-за границы проблемы могут возникнуть с растаможкой. Я никогда напрямую у китайцев ничего не покупал. Насколько это трудоемко?
_taras_
Мастер
Сообщения: 546
Зарегистрирован: 16 мар 2011, 15:19
Репутация: 69
Контактная информация:

Re: Нужна помощь по восстановлению сгоревшего контроллера

Сообщение _taras_ »

На алиэкспрессе лучше не покупать (моно негативных отзывов). Проще всего покупать на ебее. Нужно в банке завести карточку для оплаты по и-неу (толком не помню как это называется), затем поичитать http://olyapka.ru/2009/10/kak-pokupat-na-ebay/ где все разжевано.
Аватара пользователя
michael-yurov
Почётный участник
Почётный участник
Сообщения: 11731
Зарегистрирован: 26 июл 2012, 00:10
Репутация: 4703
Настоящее имя: Михаил Львович
Откуда: Новоуральск
Контактная информация:

Re: Нужна помощь по восстановлению сгоревшего контроллера

Сообщение michael-yurov »

rean32 писал(а):Большое спасибо за совет. Цены и впрямь очень привлекательные. А у вас есть опыт работы с этим интернет магазином? Я слышал, что при заказе из-за границы проблемы могут возникнуть с растаможкой. Я никогда напрямую у китайцев ничего не покупал. Насколько это трудоемко?
Много лет уже покупаю всякое разное. Электронику для станка, фрезы, мощные светодиодные фонарики, светодиоды, комплектующие для макетов, механику для станка, монитор недавно купил 2560 x 1600 с шикарной цветопередачей, авторегистратор, комплектующие электроники, жене - фотоаксесуары разные, обувь, одежду. Пока что все приходило, но я стараюсь покупать у продавцов с высоким рейтингом, даже, если у них немного дороже. Бывает еще накрученный на безделушках рейтинг у нечестного продавца, который потом обманет с дорогим товаром; Но в итоге, если не прозевать сроки и все правильно сделать, то можно получить деньги обратно. С растаможкой проблемы возникнут, если купить более чем, на $1000, или партию товара откровенно на продажу, тогда придется заплатить 30% сверху, но с меня ни разу не просили.
Покупаю и на ebay и на aliexpress. aliexpress больше ориентирован на мелкооптовых продавцов из Китая, с этим сайтом проще разобраться.
Для покупок нужна карта Visa Classic, или более дорогая. Со всякими маэстро возникают серьезные проблемы. С Master Card - аналогично, подойдет только международная карта.
Еще нужны базовые знания английского, если потребуется написать письмо продавцу. Онлайн переводчики помогут, но желательно проверять (самому, а не обратным переводом), что они там напереводили.
Последнее время возникают сложности со сроками доставки. Может затянуться месяца на 3, но обычно приходит через 3-4 недели.
Если попросить у продавца номер отслеживания, и если он его даст, то можно будет развлекаться несколько раз в день проверяя - не появилась ли новая запись в статусе доставки. :eat:
Если купить товар с доставкой EMS, то придет намного быстрее (недели 1,5-2), но и стоить это будет намного дороже.
И еще, я часто стараюсь купить у одного продавца сразу несколько товаров, чтобы ему не пришлось из за одной вещи отправлять отдельную посылку, платить за отправку, и в итоге почти не иметь прибыли. Хотя, другие, обычно, с этим не заморачиваются.
Dirk Diggler
Новичок
Сообщения: 20
Зарегистрирован: 08 окт 2012, 11:46
Репутация: 1
Контактная информация:

Re: Нужна помощь по восстановлению сгоревшего контроллера

Сообщение Dirk Diggler »

rean32 писал(а):PLD330
Там внутри стоит TB6560.
michael-yurov писал(а):пол "контроллера" перепаял, т.к. там было ооочень много конструкторских косяков, при чем многие - очень серьезные.
Интересно было бы почитать, какие...
Аватара пользователя
michael-yurov
Почётный участник
Почётный участник
Сообщения: 11731
Зарегистрирован: 26 июл 2012, 00:10
Репутация: 4703
Настоящее имя: Михаил Львович
Откуда: Новоуральск
Контактная информация:

Re: Нужна помощь по восстановлению сгоревшего контроллера

Сообщение michael-yurov »

Dirk Diggler писал(а):
michael-yurov писал(а):пол "контроллера" перепаял, т.к. там было ооочень много конструкторских косяков, при чем многие - очень серьезные.
Интересно было бы почитать, какие...
Питание логической части и вентилятора - от последовательно включенных LM7812 и LM7805, которые перегревались и уходили в защиту, даже при дополнительных радиаторах.
Заменил на импульсный преобразователь.

Опторазвязка имела одну общую землю у входного каскада и у силовой части.
Установил DC-DC преобразователь.

Медленная опторазвязка на PC817 с несбалансированными токами диода и транзистора. На частоте больше 10-15 кГц появлялись пропуски импульсов, даже при оптимальных настройках полярности и длительности импульсов.
Установил микросхемы HCPL2630.

Частотозадающие конденсаторы (C-osc) были выше нормы, поэтому драйвер работал очень нестабильно, пропускал шаги, громко шумели двигатели, невозможно было использовать мелкий микрошаг и высокую частоту step.
Установил меньшие конденсаторы, около 270 пф.

Какие то из режимов выбора тока были организованы очень плохо. Теоретически рабочий ток должен был возрастать при появлении импульсов step, но в реальности это не работало. И нагрев моторов возрастал, и увеличения момента не наблюдалось, и срывы в пропуск шагов были намного чаще.
Убрал эти навороты, оставил просто 4 родных режима выбора тока.
Вроде бы потом сделал режим удержания, но сделал как-то по другому, и в итоге, мой вариант нормально работал.

Еще вентилятор включил на меньшее напряжение, чтобы не выл.

Так что от контроллера остались только триггеры на входе, конденсаторы питания и TB6560.
Как-то так.
Dirk Diggler писал(а):PLD330
Там внутри стоит TB6560.
А мне вот интересно, как в некоторых ваших контроллерах на TB6560 сделано подавление резонанса.
Т.е. осуществляется какая-то предварительная обработка входящего сигнала, или появление резонанса обнаруживается по косвенным признакам и при этом меняется режим работы драйвера?
Если это тайна, то я пойму.
Ответить

Вернуться в «Электроника»