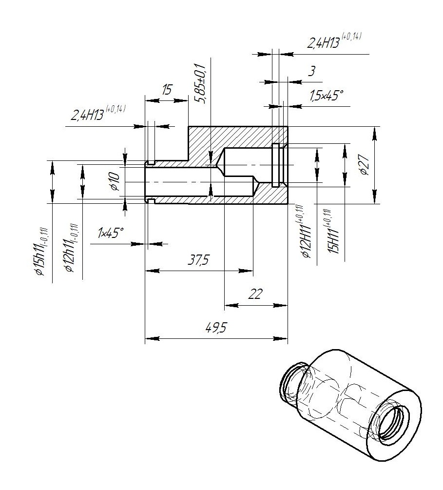
Периодически нужны такие детальки партиями по 10шт. Материал бронза, латунь, АМг, дюраль.
И вот такая пара деталей, пока по одной штуке, но с перспективой серийности. Тут только габариты, для общего представления. Есть модели .m3d
Предложения на почту davaidosvidaniya@inbox.ru
Нужна токарная обработка ЧПУ
Правила форума
Разрешается публиковать предложения по предоставлению услуг как физическим лицам так и коммерческим организациям, при соблюдении следующих условий:
1. должны присутствовать характеристики предлагаемых услуг, возможности оборудования
2. должна присутствовать стоимость услуги
3. должно присутствовать описание способов оплаты, доставки и места расположения (город)
4. один продавец - одна тема
Фотографии товаров приветствуются (фотографии должны быть вложениями к сообщениям).
Возможно размещение ссылки на свой сайт, с описанием товара, при обязательном соблюдении пунктов 1-3.
Администрация форума может удалить тему или сообщения из данного раздела на свое усмотрение, без объяснения причин!
Разрешается публиковать предложения по предоставлению услуг как физическим лицам так и коммерческим организациям, при соблюдении следующих условий:
1. должны присутствовать характеристики предлагаемых услуг, возможности оборудования
2. должна присутствовать стоимость услуги
3. должно присутствовать описание способов оплаты, доставки и места расположения (город)
4. один продавец - одна тема
Фотографии товаров приветствуются (фотографии должны быть вложениями к сообщениям).
Возможно размещение ссылки на свой сайт, с описанием товара, при обязательном соблюдении пунктов 1-3.
Администрация форума может удалить тему или сообщения из данного раздела на свое усмотрение, без объяснения причин!
-
sever29
- Новичок
- Сообщения: 4
- Зарегистрирован: 19 янв 2019, 13:48
- Репутация: 0
- Настоящее имя: Олег
- Контактная информация:
Re: Нужна токарная обработка ЧПУ
По вторым деталькам материал АМг, дюраль
- Hanter
- Мастер
- Сообщения: 5414
- Зарегистрирован: 27 янв 2012, 14:52
- Репутация: 4338
- Настоящее имя: Алексей
- Откуда: Питер
- Контактная информация:
Re: Нужна токарная обработка ЧПУ
И первые и вторые можем сделать. связаться с вам как ??
Опыт - это когда на смену вопросам: "Что? Где? Когда? Как? Почему?" Приходит единственный вопрос: "Нахрена?"
==========================================
фрезерная и токарная обработка на станках с чпу.
Резка, гибка, сварка и порошковая окраса.
==========================================
фрезерная и токарная обработка на станках с чпу.
Резка, гибка, сварка и порошковая окраса.
-
sever29
- Новичок
- Сообщения: 4
- Зарегистрирован: 19 янв 2019, 13:48
- Репутация: 0
- Настоящее имя: Олег
- Контактная информация:
Re: Нужна токарная обработка ЧПУ
Почта davaidosvidaniya@inbox.ru
Воцап +79522561144 Олег
Воцап +79522561144 Олег