Разыскиваются профили

Аватара пользователя
daemon78
Мастер
Сообщения: 1693
Зарегистрирован: 02 окт 2018, 15:02
Репутация: 103
Настоящее имя: Владимир
Откуда: Москва
Контактная информация:

Разыскиваются профили

Сообщение daemon78 »

Доброе врем суток, уважаемые форумчане.
Не подскажите, где можно найти профили под SW как на рисунках?
Я скачивал на сайте соберизавода https://soberizavod.ru/catalog/alyumini ... okrytiya_/ но там какая то мутная тема. Импортированный профиль нельзя редактировать. То есть я не могу задать нужную длину и куча ошибок при импорте.
У меня SW 2017 стоит.
Аватара пользователя
R6MF49T2
Мастер
Сообщения: 235
Зарегистрирован: 14 июл 2016, 17:18
Репутация: 32
Откуда: Великий Новгород/Санкт-Петербург
Контактная информация:

Re: Разыскиваются профили

Сообщение R6MF49T2 »

daemon78 писал(а):Доброе врем суток, уважаемые форумчане.
Не подскажите, где можно найти профили под SW как на рисунках?
Я скачивал на сайте соберизавода https://soberizavod.ru/catalog/alyumini ... okrytiya_/ но там какая то мутная тема. Импортированный профиль нельзя редактировать. То есть я не могу задать нужную длину и куча ошибок при импорте.
У меня SW 2017 стоит.
Проверяешь на ошибки при импортировании, распознаешь и редактируй как тебе захочется.
Аватара пользователя
daemon78
Мастер
Сообщения: 1693
Зарегистрирован: 02 окт 2018, 15:02
Репутация: 103
Настоящее имя: Владимир
Откуда: Москва
Контактная информация:

Re: Разыскиваются профили

Сообщение daemon78 »

Проверил, тыкал раз 5 на Исправить.
В итоге все исправилось, а размер так и не не возможно изменить :(

Забыл картинки приложить
Вложения
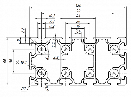
2014_12_18_17_09_03_3612_konstruktsionnyy_profil_60kh120.pdf_adobe_reader (1).png (9982 просмотра) <a class='original' href='./download/file.php?id=159453&sid=4989be832d616a8a813e07637ecb02c3&mode=view' target=_blank>Загрузить оригинал (79.95 КБ)</a>
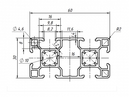
336L_chertezh.jpg (9982 просмотра) <a class='original' href='./download/file.php?id=159454&sid=4989be832d616a8a813e07637ecb02c3&mode=view' target=_blank>Загрузить оригинал (44.66 КБ)</a>
Аватара пользователя
niksooon
Мастер
Сообщения: 2144
Зарегистрирован: 23 июн 2014, 23:18
Репутация: 1207
Откуда: Кашира
Контактная информация:

Re: Разыскиваются профили

Сообщение niksooon »

нифига не понятно что там у тебя не получается,потому вариант за нумером 2-
на импортированном профиле вернее его торце строишь новый эскиз сечения профиля (кнопка преобразование объектов сильно облегчает жизнь)
Далее эскиз копировать , потом открываешь (создаешь)новую деталь- выбрать плоскость -вставить(ранее скопированный эскиз)...........
и вытягивай профиль хоть километрами..................
Последний раз редактировалось niksooon 22 мар 2019, 11:38, всего редактировалось 1 раз.
Сделанное правильно — красиво. Если сделанное тебе не нравится — то и работать оно будет хреново. Перевари, пересверли, выпили заново — ну, или хотя бы покрась.
Аватара пользователя
daemon78
Мастер
Сообщения: 1693
Зарегистрирован: 02 окт 2018, 15:02
Репутация: 103
Настоящее имя: Владимир
Откуда: Москва
Контактная информация:

Re: Разыскиваются профили

Сообщение daemon78 »

niksooon писал(а):нифига не понятно что там у тебя не получается,потому вариант за нумером 2-
на импортированном профиле вернее его торце строишь новый эскиз сечения профиля (кнопка преобразование объектов сильно облегчает жизнь)
Далее эскиз копировать , потом открываешь (создаешь)новую деталь- выбрать плоскость -вставить...........
и вытягивай профиль хоть километрами..................
Огромное спасибо, даже не подумал в эту сторону!!!
Аватара пользователя
R6MF49T2
Мастер
Сообщения: 235
Зарегистрирован: 14 июл 2016, 17:18
Репутация: 32
Откуда: Великий Новгород/Санкт-Петербург
Контактная информация:

Re: Разыскиваются профили

Сообщение R6MF49T2 »

daemon78 писал(а):Проверил, тыкал раз 5 на Исправить.
В итоге все исправилось, а размер так и не не возможно изменить
Распознование детали то делали?
Аватара пользователя
daemon78
Мастер
Сообщения: 1693
Зарегистрирован: 02 окт 2018, 15:02
Репутация: 103
Настоящее имя: Владимир
Откуда: Москва
Контактная информация:

Re: Разыскиваются профили

Сообщение daemon78 »

R6MF49T2 писал(а):Распознование детали то делали?
Прошу прощения, это что за операция?

Я открываю профиль скачанный с сайта.
Мне пишется что при импорте куча ошибок. Я четыре раза тыкаю на исправить что то там (после каждого исправления остается все меньше неисправленного), пока он не покажет что все ок. Пересохраняю файл в формате SW2017 (там видимо более ранняя версия). Затем пытаюсь изменить длину под свои нужды, но у меня не получается, он не дает этого сделать :(
Аватара пользователя
Кварк
Мастер
Сообщения: 381
Зарегистрирован: 11 мар 2019, 04:46
Репутация: 15
Настоящее имя: Андрей
Откуда: Томск
Контактная информация:

Re: Разыскиваются профили

Сообщение Кварк »

Я в компасе не парился: обрезал сколько надо и все. Кусок был 1 метровый в файле, а мне нужен был 900.
Аватара пользователя
daemon78
Мастер
Сообщения: 1693
Зарегистрирован: 02 окт 2018, 15:02
Репутация: 103
Настоящее имя: Владимир
Откуда: Москва
Контактная информация:

Re: Разыскиваются профили

Сообщение daemon78 »

Кварк писал(а): Я в компасе не парился: обрезал сколько надо и все. Кусок был 1 метровый в файле, а мне нужен был 900.
К сожалению, не знаком с Компасом от слова совсем :(
Аватара пользователя
Кварк
Мастер
Сообщения: 381
Зарегистрирован: 11 мар 2019, 04:46
Репутация: 15
Настоящее имя: Андрей
Откуда: Томск
Контактная информация:

Re: Разыскиваются профили

Сообщение Кварк »

daemon78 писал(а):К сожалению, не знаком с Компасом от слова совсем
Да и с SW также
Аватара пользователя
daemon78
Мастер
Сообщения: 1693
Зарегистрирован: 02 окт 2018, 15:02
Репутация: 103
Настоящее имя: Владимир
Откуда: Москва
Контактная информация:

Re: Разыскиваются профили

Сообщение daemon78 »

Кварк писал(а):Да и с SW также
Нееее, с SW не знаком от слова почти. По крайней мере предыдущий станок отрисовал в нем как мог, просто вместо профилей использовал отрезки с квадратным и прямоугольным сечением :)
А сейчас озадачился именно профили использовать, чтобы видеть пазы для сухарей и прикинуть размещение рельс и опор ШВП с расстояниями, диктуемыми креплением в эти пазы.
Аватара пользователя
R6MF49T2
Мастер
Сообщения: 235
Зарегистрирован: 14 июл 2016, 17:18
Репутация: 32
Откуда: Великий Новгород/Санкт-Петербург
Контактная информация:

Re: Разыскиваются профили

Сообщение R6MF49T2 »

daemon78 писал(а):Прошу прощения, это что за операция?
А загуглить? http://help.solidworks.com/2013/RUSSIAN ... ically.htm
Аватара пользователя
daemon78
Мастер
Сообщения: 1693
Зарегистрирован: 02 окт 2018, 15:02
Репутация: 103
Настоящее имя: Владимир
Откуда: Москва
Контактная информация:

Re: Разыскиваются профили

Сообщение daemon78 »

R6MF49T2 писал(а):А загуглить? http://help.solidworks.com/2013/RUSSIAN ... ically.htm
Даже не догадывался о такой возможности.
Спасибо, обязательно попробую вечерком.
Аватара пользователя
daemon78
Мастер
Сообщения: 1693
Зарегистрирован: 02 окт 2018, 15:02
Репутация: 103
Настоящее имя: Владимир
Откуда: Москва
Контактная информация:

Re: Разыскиваются профили

Сообщение daemon78 »

R6MF49T2 писал(а):Распознование детали то делали?
К сожалению команда недоступна
niksooon писал(а):на импортированном профиле вернее его торце строишь новый эскиз сечения профиля (кнопка преобразование объектов сильно облегчает жизнь)
Не получается копировать
Вложения
NotActive.jpg (9895 просмотров) <a class='original' href='./download/file.php?id=159489&sid=4989be832d616a8a813e07637ecb02c3&mode=view' target=_blank>Загрузить оригинал (50.99 КБ)</a>
NoCopy.JPG (9891 просмотр) <a class='original' href='./download/file.php?id=159491&sid=4989be832d616a8a813e07637ecb02c3&mode=view' target=_blank>Загрузить оригинал (82.81 КБ)</a>
Аватара пользователя
Samodelkin 88
Мастер
Сообщения: 1056
Зарегистрирован: 05 ноя 2017, 22:24
Репутация: 727
Настоящее имя: Илья
Откуда: Курган
Контактная информация:

Re: Разыскиваются профили

Сообщение Samodelkin 88 »

Попробуйте открыть.
Вложения
Соберизавод 30х60.zip
(888.89 КБ) 358 скачиваний
Аватара пользователя
Gestap
Мастер
Сообщения: 978
Зарегистрирован: 21 май 2017, 21:18
Репутация: 1089
Настоящее имя: Александр
Контактная информация:

Re: Разыскиваются профили

Сообщение Gestap »

если не сделал вот 60х120.
Вложения
профиль 60х120.rar
(541.24 КБ) 353 скачивания
Пилим, точим, шьем, продаём комплектующие к станкам
https://www.instagram.com/dtw.moscow/
dtw.moscow@gmail.com
Наша группа в телеге https://t.me/asiogroup
Аватара пользователя
daemon78
Мастер
Сообщения: 1693
Зарегистрирован: 02 окт 2018, 15:02
Репутация: 103
Настоящее имя: Владимир
Откуда: Москва
Контактная информация:

Re: Разыскиваются профили

Сообщение daemon78 »

Samodelkin 88 писал(а):Попробуйте открыть.
Gestap писал(а):если не сделал вот 60х120.
Огромное вам спасибо!!!
Ответить

Вернуться в «SolidWorks»