помогите подключить двигатель
-
plotik
- Мастер
- Сообщения: 428
- Зарегистрирован: 10 май 2012, 15:30
- Репутация: 33
- Настоящее имя: Евгений
- Откуда: Rostov-on-Don
- Контактная информация:
помогите подключить двигатель
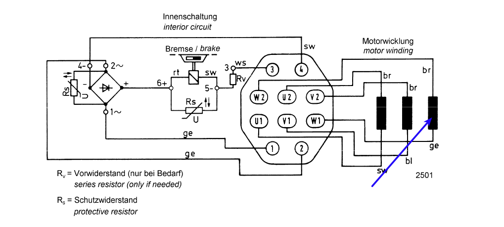
двигатель такой
кажись трёхфазник с тормозом (24 вольта???)
у меня только 220V
Посоветуйте.
дока
у меня только 220V
Посоветуйте.
дока
- Вложения
-
- 1529355-kodmb-221149-200312.pdf
- (1.4 МБ) 1852 скачивания
"Ты не дрыгайся! Показывай свою гравицаппу. Если фирменная вещь — возьмём!"
"А этот паца́к все время говорит на языках, продолжения которых не знает!"
"А этот паца́к все время говорит на языках, продолжения которых не знает!"
-
nkp
- Мастер
- Сообщения: 8340
- Зарегистрирован: 28 ноя 2011, 00:25
- Репутация: 1589
- Контактная информация:
Re: помогите подключить двигатель
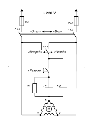
Способов много
Один из самых простых и наиболее применяемых: Рабочая емкость(конденсатор Сᵨ) в твоем случае 14мкф 400-500V МБГО, МБПГ, МБГЧ
Пусковая (если пуск под нагрузкой) 30-40мкф 400-500V МБГО, МБПГ, МБГЧ
Один из самых простых и наиболее применяемых: Рабочая емкость(конденсатор Сᵨ) в твоем случае 14мкф 400-500V МБГО, МБПГ, МБГЧ
Пусковая (если пуск под нагрузкой) 30-40мкф 400-500V МБГО, МБПГ, МБГЧ
-
plotik
- Мастер
- Сообщения: 428
- Зарегистрирован: 10 май 2012, 15:30
- Репутация: 33
- Настоящее имя: Евгений
- Откуда: Rostov-on-Don
- Контактная информация:
Re: помогите подключить двигатель
в доке на схеме вроде как резисторы стоят .т.е если я правильно понимаю при резком торможении они обратные токи гасят?
"Ты не дрыгайся! Показывай свою гравицаппу. Если фирменная вещь — возьмём!"
"А этот паца́к все время говорит на языках, продолжения которых не знает!"
"А этот паца́к все время говорит на языках, продолжения которых не знает!"
-
nkp
- Мастер
- Сообщения: 8340
- Зарегистрирован: 28 ноя 2011, 00:25
- Репутация: 1589
- Контактная информация:
Re: помогите подключить двигатель
какие резисторы????????
покажи
(или скажи на какой странице)
покажи
(или скажи на какой странице)
-
plotik
- Мастер
- Сообщения: 428
- Зарегистрирован: 10 май 2012, 15:30
- Репутация: 33
- Настоящее имя: Евгений
- Откуда: Rostov-on-Don
- Контактная информация:
Re: помогите подключить двигатель
9 -я
"Ты не дрыгайся! Показывай свою гравицаппу. Если фирменная вещь — возьмём!"
"А этот паца́к все время говорит на языках, продолжения которых не знает!"
"А этот паца́к все время говорит на языках, продолжения которых не знает!"
-
nkp
- Мастер
- Сообщения: 8340
- Зарегистрирован: 28 ноя 2011, 00:25
- Репутация: 1589
- Контактная информация:
Re: помогите подключить двигатель
Это три обмотки статора
Никаких резисторов Кстати -тебе еще решить с тормозом вопрос надо
Никаких резисторов Кстати -тебе еще решить с тормозом вопрос надо
-
plotik
- Мастер
- Сообщения: 428
- Зарегистрирован: 10 май 2012, 15:30
- Репутация: 33
- Настоящее имя: Евгений
- Откуда: Rostov-on-Don
- Контактная информация:
Re: помогите подключить двигатель
а...спасибо..а то догнать не мог чё они там нарисовали.
С тормозом наверно так--отключил питание с движка, подал питание на тормоз. Или не так? Там какой=то protective resistor стоит.
С тормозом наверно так--отключил питание с движка, подал питание на тормоз. Или не так? Там какой=то protective resistor стоит.
"Ты не дрыгайся! Показывай свою гравицаппу. Если фирменная вещь — возьмём!"
"А этот паца́к все время говорит на языках, продолжения которых не знает!"
"А этот паца́к все время говорит на языках, продолжения которых не знает!"
-
nkp
- Мастер
- Сообщения: 8340
- Зарегистрирован: 28 ноя 2011, 00:25
- Репутация: 1589
- Контактная информация:
Re: помогите подключить двигатель
я только сейчас посмотрел-что пост в теме шпинделей
так что схема пуска может быть без конденсатора Сп
нужно пробовать-должна рабочая емкость запускать
(разрядный резистор R1 тогда конечно тоже не нужен)
так что схема пуска может быть без конденсатора Сп
нужно пробовать-должна рабочая емкость запускать
(разрядный резистор R1 тогда конечно тоже не нужен)
-
nkp
- Мастер
- Сообщения: 8340
- Зарегистрирован: 28 ноя 2011, 00:25
- Репутация: 1589
- Контактная информация:
Re: помогите подключить двигатель
защитный резистор (скорей всего терморезистор)plotik писал(а):protective resistor
-
nkp
- Мастер
- Сообщения: 8340
- Зарегистрирован: 28 ноя 2011, 00:25
- Репутация: 1589
- Контактная информация:
Re: помогите подключить двигатель
когда подаешь питание на тормоз-он должен растормаживатьсяplotik писал(а):С тормозом наверно так--отключил питание с движка, подал питание на тормоз. Или не так
или тут наоборот?
в отключенном движке сейчас вал проворачивается?
-
plotik
- Мастер
- Сообщения: 428
- Зарегистрирован: 10 май 2012, 15:30
- Репутация: 33
- Настоящее имя: Евгений
- Откуда: Rostov-on-Don
- Контактная информация:
Re: помогите подключить двигатель
вал при отключенном крутиться.
А как кондёры посчитали?
А как кондёры посчитали?
"Ты не дрыгайся! Показывай свою гравицаппу. Если фирменная вещь — возьмём!"
"А этот паца́к все время говорит на языках, продолжения которых не знает!"
"А этот паца́к все время говорит на языках, продолжения которых не знает!"
-
nkp
- Мастер
- Сообщения: 8340
- Зарегистрирован: 28 ноя 2011, 00:25
- Репутация: 1589
- Контактная информация:
Re: помогите подключить двигатель
так для шпинделя конечно лучшеplotik писал(а):вал при отключенном крутиться.
тогда не вижу препятствий
да.... неплохо бы сделать через оперативку блокировку вкл шпинделя при заторможенном движке
это просто -если делать через пускатели
Последний раз редактировалось nkp 09 авг 2012, 09:00, всего редактировалось 1 раз.
-
nkp
- Мастер
- Сообщения: 8340
- Зарегистрирован: 28 ноя 2011, 00:25
- Репутация: 1589
- Контактная информация:
Re: помогите подключить двигатель
plotik писал(а):А как кондёры посчитали?
-
nkp
- Мастер
- Сообщения: 8340
- Зарегистрирован: 28 ноя 2011, 00:25
- Репутация: 1589
- Контактная информация:
Re: помогите подключить двигатель
Погугли "Как включить трехфазный электродвигатель в однофазную сеть "
-
plotik
- Мастер
- Сообщения: 428
- Зарегистрирован: 10 май 2012, 15:30
- Репутация: 33
- Настоящее имя: Евгений
- Откуда: Rostov-on-Don
- Контактная информация:
Re: помогите подключить двигатель
спасибо. поеду пробовать.
"Ты не дрыгайся! Показывай свою гравицаппу. Если фирменная вещь — возьмём!"
"А этот паца́к все время говорит на языках, продолжения которых не знает!"
"А этот паца́к все время говорит на языках, продолжения которых не знает!"
-
nkp
- Мастер
- Сообщения: 8340
- Зарегистрирован: 28 ноя 2011, 00:25
- Репутация: 1589
- Контактная информация:
Re: помогите подключить двигатель
Может это очевидно-но для других скажу
обмотки в данном случае соединяем так:
обмотки в данном случае соединяем так:
-
plotik
- Мастер
- Сообщения: 428
- Зарегистрирован: 10 май 2012, 15:30
- Репутация: 33
- Настоящее имя: Евгений
- Откуда: Rostov-on-Don
- Контактная информация:
Re: помогите подключить двигатель
Есть мотор--торчит 6 проводов.
Сопротивление обмоток
1) 0.6 Ом
2) 6.4 Ом
3) 16 Ом
Куда что подключать?
Сопротивление обмоток
1) 0.6 Ом
2) 6.4 Ом
3) 16 Ом
Куда что подключать?
"Ты не дрыгайся! Показывай свою гравицаппу. Если фирменная вещь — возьмём!"
"А этот паца́к все время говорит на языках, продолжения которых не знает!"
"А этот паца́к все время говорит на языках, продолжения которых не знает!"
- Serg
- Мастер
- Сообщения: 21923
- Зарегистрирован: 17 апр 2012, 14:58
- Репутация: 5183
- Заслуга: c781c134843e0c1a3de9
- Настоящее имя: Сергей
- Откуда: Москва
- Контактная информация:
Re: помогите подключить двигатель
Я не Христос, рыбу не раздаю, но могу научить, как сделать удочку...
-
plotik
- Мастер
- Сообщения: 428
- Зарегистрирован: 10 май 2012, 15:30
- Репутация: 33
- Настоящее имя: Евгений
- Откуда: Rostov-on-Don
- Контактная информация:
Re: помогите подключить двигатель
Немного не то
вот доки--стр 38
и стр 158 во втором
Но не работает как надо--т.е. не стартует--раскрутишь-- тогда поехал.
Кондёр на 15 мкф стоит.
вот доки--стр 38
и стр 158 во втором
Но не работает как надо--т.е. не стартует--раскрутишь-- тогда поехал.
Кондёр на 15 мкф стоит.
- Вложения
-
- RGS_RDS.zip
- (838.05 КБ) 1245 скачиваний
-
- Notes.zip
- (820.11 КБ) 1603 скачивания
"Ты не дрыгайся! Показывай свою гравицаппу. Если фирменная вещь — возьмём!"
"А этот паца́к все время говорит на языках, продолжения которых не знает!"
"А этот паца́к все время говорит на языках, продолжения которых не знает!"
- Serg
- Мастер
- Сообщения: 21923
- Зарегистрирован: 17 апр 2012, 14:58
- Репутация: 5183
- Заслуга: c781c134843e0c1a3de9
- Настоящее имя: Сергей
- Откуда: Москва
- Контактная информация:
Re: помогите подключить двигатель
А почему не на стр. 157? Сам-же писал, что 6 проводов.
Я не Христос, рыбу не раздаю, но могу научить, как сделать удочку...