Servo Fuji Faldic запуск

Общие вопросы станкостроения и организиции труда.
Аватара пользователя
den_sibirskiy
Мастер
Сообщения: 1655
Зарегистрирован: 12 апр 2014, 17:04
Репутация: 349
Настоящее имя: Ден
Откуда: Иркутск
Контактная информация:

Servo Fuji Faldic запуск

Сообщение den_sibirskiy »

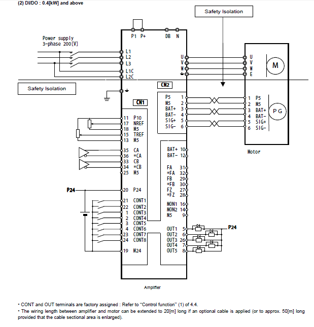
Ребят, подскажите.
Не пойму немного.
В общем пробую разобраться с сервой, цель степ/дир запустить.
Наткнулся на непонятку в мануале, может кто знает.
К примеру для запуска нужно соблюсти условие,
3.png (2676 просмотров) <a class='original' href='./download/file.php?id=101659&mode=view' target=_blank>Загрузить оригинал (23.39 КБ)</a>
Мне не понятно, что подразумевается в под цифрами в скобках, под контакты входных клемм не подходит (пульсовые сигналы сидят на 33,34,35,36 контактах), под параметр меню тем более. Вот и не понятно.
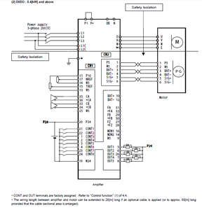
Вложения
1.png (2676 просмотров) <a class='original' href='./download/file.php?id=101660&mode=view' target=_blank>Загрузить оригинал (46.22 КБ)</a>
2.png (2676 просмотров) <a class='original' href='./download/file.php?id=101661&mode=view' target=_blank>Загрузить оригинал (50.39 КБ)</a>
RYS401 S3-VVS manual for FALDIC-Alpha(V-Type).pdf
(5.91 МБ) 859 скачиваний
"Хватит спать пора начинать пришло твое время"
Аватара пользователя
ukr-sasha
Мастер
Сообщения: 3401
Зарегистрирован: 21 мар 2011, 07:47
Репутация: 2181
Настоящее имя: Украинец Александр Григорьевич
Откуда: Киев, Украина
Контактная информация:

Re: Servo Fuji Faldic запуск

Сообщение ukr-sasha »

Вероятно номер страницы где описывается параметр.
Аватара пользователя
den_sibirskiy
Мастер
Сообщения: 1655
Зарегистрирован: 12 апр 2014, 17:04
Репутация: 349
Настоящее имя: Ден
Откуда: Иркутск
Контактная информация:

Re: Servo Fuji Faldic запуск

Сообщение den_sibirskiy »

спс, но страницы тоже там разделами идут 5-1,9-1 и т.д.
"Хватит спать пора начинать пришло твое время"
Аватара пользователя
den_sibirskiy
Мастер
Сообщения: 1655
Зарегистрирован: 12 апр 2014, 17:04
Репутация: 349
Настоящее имя: Ден
Откуда: Иркутск
Контактная информация:

Re: Servo Fuji Faldic запуск

Сообщение den_sibirskiy »

По ходу я нашел как ребус разгадывается, но почему то, это не в начале совсем.
Вложения
6.png (2649 просмотров) <a class='original' href='./download/file.php?id=101664&mode=view' target=_blank>Загрузить оригинал (52.63 КБ)</a>
7.png (2649 просмотров) <a class='original' href='./download/file.php?id=101665&mode=view' target=_blank>Загрузить оригинал (80.55 КБ)</a>
8.png (2647 просмотров) <a class='original' href='./download/file.php?id=101666&mode=view' target=_blank>Загрузить оригинал (50.04 КБ)</a>
"Хватит спать пора начинать пришло твое время"
Аватара пользователя
den_sibirskiy
Мастер
Сообщения: 1655
Зарегистрирован: 12 апр 2014, 17:04
Репутация: 349
Настоящее имя: Ден
Откуда: Иркутск
Контактная информация:

Re: Servo Fuji Faldic запуск

Сообщение den_sibirskiy »

Я тупо неделю на это убил.
"Хватит спать пора начинать пришло твое время"
aftaev
Зачётный участник
Зачётный участник
Сообщения: 34042
Зарегистрирован: 04 апр 2010, 19:22
Репутация: 6194
Откуда: Казахстан.
Контактная информация:

Re: Servo Fuji Faldic запуск

Сообщение aftaev »

den_sibirskiy писал(а):Я тупо неделю на это убил.
зато будешь местным спецом по Faldic :) Будешь: главный повелитель Faldic :hehehe:
Дилетанту сложные вещи кажутся очень простыми, и только профессионал понимает насколько сложна самая простая вещь
Кто хочет - ищет возможности, кто не хочет - ищет оправдание.
Найди работу по душе и тебе не придется работать.
Аватара пользователя
den_sibirskiy
Мастер
Сообщения: 1655
Зарегистрирован: 12 апр 2014, 17:04
Репутация: 349
Настоящее имя: Ден
Откуда: Иркутск
Контактная информация:

Re: Servo Fuji Faldic запуск

Сообщение den_sibirskiy »

Может и буду когда нить, О великий повелитель Yaskawa и Renishaw :dart:
"Хватит спать пора начинать пришло твое время"
ruh2100
Кандидат
Сообщения: 95
Зарегистрирован: 17 июн 2014, 09:39
Репутация: 6
Откуда: Владикавказ
Контактная информация:

Re: Servo Fuji Faldic запуск

Сообщение ruh2100 »

Не совсем понял, а в чем проблема была то? Вроде как не сложно было запустить их. Сложности у меня возникли с автотюнингом, пришлось вручную настраивать.
Ответить

Вернуться в «Общие вопросы»