Нужно изготовить станину станка портал и др.

Запросы на покупку оборудования, комплектующих и материалов
Benzin90
Новичок
Сообщения: 2
Зарегистрирован: 13 янв 2016, 12:07
Репутация: 0
Настоящее имя: Владислав
Контактная информация:

Нужно изготовить станину станка портал и др.

Сообщение Benzin90 »

Всем привет. Люди нужно сварить корпус станка примерно как на этом видео только размером где то метр на метр. Короче говоря у меня есть полностью вся механика и электрика. Нет только самого корпуса. И мне его нужно изготовить. Вот мои все составляющие:
2 х ШВП 1605 L=1000мм
1 x ШВП 1605 L=300мм
3 х Модуль крепления гаек ШВП 1605 Алюминий
3 х Муфта аллюминиевая ф 5x8мм
4 х Модуль TBR16
4 х Модуль SBR12LUU (удлиненный)
2 х Вал на опоре SBR12 1000мм
2 х Вал на опоре SBR16 1000мм
2 х Вал на опоре SBR12 300 мм
3 х Шаговый двигатель 23HS2430 3.0A 28 кг/см NEMA23

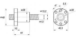
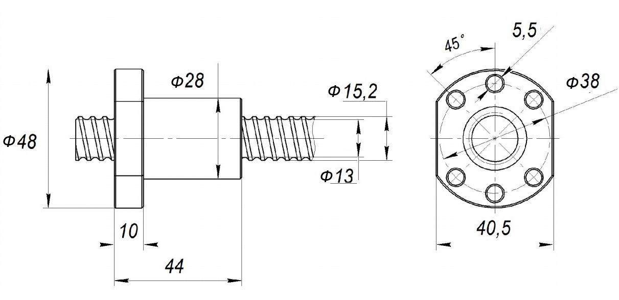
Чертежи ШВП,модулей крепления гаек,полозьев и подшипников приложены.
Единственное чего у меня нет так это опор винтов. Если у вас они есть то какая у них цена?
Может конечно что то еще упустил.
Надеюсь на вашу помощь. Желательно Украина
[youtube] https://www.youtube.com/watch?v=l1pAiAXMYqY [/youtube]
Вложения
двигатели.jpg (1759 просмотров) <a class='original' href='./download/file.php?id=95106&mode=view' target=_blank>Загрузить оригинал (31.28 КБ)</a>
кронштейна для досок шириной 80 см.jpg (1759 просмотров) <a class='original' href='./download/file.php?id=95107&mode=view' target=_blank>Загрузить оригинал (98.9 КБ)</a>
Модуль гайки.jpg (1759 просмотров) <a class='original' href='./download/file.php?id=95108&mode=view' target=_blank>Загрузить оригинал (103.81 КБ)</a>
подшипник 16.jpg (1759 просмотров) <a class='original' href='./download/file.php?id=95109&mode=view' target=_blank>Загрузить оригинал (82.59 КБ)</a>
Полозья.jpg (1759 просмотров) <a class='original' href='./download/file.php?id=95110&mode=view' target=_blank>Загрузить оригинал (97.54 КБ)</a>
удлиненный подшипник 12.jpg (1759 просмотров) <a class='original' href='./download/file.php?id=95111&mode=view' target=_blank>Загрузить оригинал (90.07 КБ)</a>
ШВП.jpg (1759 просмотров) <a class='original' href='./download/file.php?id=95112&mode=view' target=_blank>Загрузить оригинал (20.45 КБ)</a>
Последний раз редактировалось Benzin90 18 ноя 2016, 17:09, всего редактировалось 3 раза.
aftaev
Зачётный участник
Зачётный участник
Сообщения: 34042
Зарегистрирован: 04 апр 2010, 19:22
Репутация: 6194
Откуда: Казахстан.
Контактная информация:

Re: [Тип станка] по [материал] [рабочее поле]

Сообщение aftaev »

В карантин пока не появится нормальное название темы
Дилетанту сложные вещи кажутся очень простыми, и только профессионал понимает насколько сложна самая простая вещь
Кто хочет - ищет возможности, кто не хочет - ищет оправдание.
Найди работу по душе и тебе не придется работать.
grandPrix
Кандидат
Сообщения: 67
Зарегистрирован: 10 фев 2016, 17:52
Репутация: 3
Настоящее имя: Саша
Откуда: Украина
Контактная информация:

Re: Нужно изготовить станину станка портал и др.

Сообщение grandPrix »

я так понял, что вам и спроектировать еще нужно?
cnc 3d
Новичок
Сообщения: 2
Зарегистрирован: 21 ноя 2016, 06:35
Репутация: 0
Настоящее имя: alexandr
Контактная информация:

Re: Нужно изготовить станину станка портал и др.

Сообщение cnc 3d »

Готов создать для Вас машину.

Сколько готовы заплатить?
Novik-Comlex
Новичок
Сообщения: 36
Зарегистрирован: 06 ноя 2016, 18:22
Репутация: 4
Настоящее имя: Анастасия
Откуда: г. Ейск, Краснодарский край
Контактная информация:

Re: Нужно изготовить станину станка портал и др.

Сообщение Novik-Comlex »

Добрый день. Примерные расценки:
1) Проектирование - 20 000 руб
2) Станина - 67 000 руб
3) Портал - 30 000 руб
4) Ноги комплект - 27 000 руб
5) Нижний портал - 10 000 руб
6) Z-ка из стали - 19 000 руб
7) Z-ка из дюралюминия - 23 000 руб.
Ответить

Вернуться в «Куплю»