Ввод в эксплуатацию ЧПУ системы на основе контроллера Kflop.

KFlop, KStep, KAnalog, KMotion...

Имеете ли вы контроллер Kflop? :-)

Можно выбрать до 1 варианта ответа

297
37%
164
20%
49
6%
301
37%
 
Всего голосов: 811
 

Аватара пользователя
donvictorio
Мастер
Сообщения: 2457
Зарегистрирован: 11 окт 2012, 16:26
Репутация: 683
Настоящее имя: Виктор
Откуда: Санкт-Петербург
Контактная информация:

Re: Ввод в эксплуатацию ЧПУ системы на основе контроллера Kf

Сообщение donvictorio »

ukr-sasha писал(а):Почему только для УЦИ?
Комбинация степ/дир с ОС прекрасно работает.
пробовал ОС на сервах и на гибридах, на гибридах она больше вредит, чем помогает.
на сервах можно переключить петлю пид на кфлоп.
гибриды работают всё-таки как шаговые, локальная ос лишь не даёт делать срыв шага.
в итоге на гибридах использую ос только как уци.

хотя, конечно, могу где-то в чём-то ошибаться.
Аватара пользователя
ukr-sasha
Мастер
Сообщения: 3401
Зарегистрирован: 21 мар 2011, 07:47
Репутация: 2181
Настоящее имя: Украинец Александр Григорьевич
Откуда: Киев, Украина
Контактная информация:

Re: Ввод в эксплуатацию ЧПУ системы на основе контроллера Kf

Сообщение ukr-sasha »

Могу тоже ошибаться - использовал такой режим только с сервами.
:-)
fishman
Кандидат
Сообщения: 83
Зарегистрирован: 14 сен 2015, 22:04
Репутация: 9
Контактная информация:

Re: Ввод в эксплуатацию ЧПУ системы на основе контроллера Kf

Сообщение fishman »

В Кмоушн значения на вкладке AXIS обнуляются нажатием кнопки ZERO на вкладке STEP RESPONSE
зеро.JPG (5847 просмотров) <a class='original' href='./download/file.php?id=107958&mode=view' target=_blank>Загрузить оригинал (121.03 КБ)</a>
а как это можно сделать из Кмоушн CNC?
Duhas
Мастер
Сообщения: 1961
Зарегистрирован: 10 окт 2015, 23:25
Репутация: 285
Настоящее имя: Андрей
Откуда: Красноярск
Контактная информация:

Re: Ввод в эксплуатацию ЧПУ системы на основе контроллера Kf

Сообщение Duhas »

а зачем вам это нужно из под цнц?
robinnn
Кандидат
Сообщения: 46
Зарегистрирован: 02 фев 2014, 01:44
Репутация: 0
Контактная информация:

Re: Ввод в эксплуатацию ЧПУ системы на основе контроллера Kf

Сообщение robinnn »

Подскажите пожалуйста.
Подключил плату, работает вроде нормально, но при включении шпинделя и начале движения выбивает концевик той оси, которая двигается.
Посмотрел в окно мониорнга входов и выходов и заметил, что переодически срабатвают разные входы, а при включении шпинделя срабатывают и входы на концевиках. Все концевики механические. подключил "массу" к плате, часть срабатываний ищезло, но концевики все равно срабатывают.
В чем может быть проблемма?
Тут видео. https://yadi.sk/i/W82dhxgd3GjBeN
aftaev
Зачётный участник
Зачётный участник
Сообщения: 34042
Зарегистрирован: 04 апр 2010, 19:22
Репутация: 6194
Откуда: Казахстан.
Контактная информация:

Re: Ввод в эксплуатацию ЧПУ системы на основе контроллера Kf

Сообщение aftaev »

robinnn писал(а):но при включении шпинделя
robinnn писал(а):что переодически срабатвают разные входы,
robinnn писал(а):подключил "массу" к плате, часть срабатываний ищезло, но концевики все равно срабатывают.
Помехи прут.

А станок заземлен? Частотник заземлен?
robinnn писал(а):но концевики все равно срабатывают.
Концевики какие? Мож им требуется поставить подтягивающий резистор?
Дилетанту сложные вещи кажутся очень простыми, и только профессионал понимает насколько сложна самая простая вещь
Кто хочет - ищет возможности, кто не хочет - ищет оправдание.
Найди работу по душе и тебе не придется работать.
robinnn
Кандидат
Сообщения: 46
Зарегистрирован: 02 фев 2014, 01:44
Репутация: 0
Контактная информация:

Re: Ввод в эксплуатацию ЧПУ системы на основе контроллера Kf

Сообщение robinnn »

aftaev писал(а):А станок заземлен? Частотник заземлен?
Стойка станка промышленная, но страя. Заземление вроде есть, но делал его не я, по этому сейчас перепроверяю все что может быть причиной.
aftaev писал(а):Концевики какие? Мож им требуется поставить подтягивающий резистор?
Концевики нормально- открытые. Напряжение 24В, маркеровку не скажу, они родные от станка.
Читал, что людям помогало феритовое кольцо использовать для провода от частотника к шпинделю, но там нужно провода вокруг него обкрутить. У меня так не выйдет, провода "надежные". Может есть еще способы какие по подавлению помех. Хочу просто узнать все возможные ньюансы.
Robston
Новичок
Сообщения: 20
Зарегистрирован: 04 апр 2016, 17:37
Репутация: 7
Настоящее имя: Роберт
Откуда: Москва
Контактная информация:

Re: Ввод в эксплуатацию ЧПУ системы на основе контроллера Kf

Сообщение Robston »

robinnn писал(а):Подскажите пожалуйста.
Подключил плату, работает вроде нормально, но при включении шпинделя и начале движения выбивает концевик той оси, которая двигается.
Посмотрел в окно мониорнга входов и выходов и заметил, что переодически срабатвают разные входы, а при включении шпинделя срабатывают и входы на концевиках. Все концевики механические. подключил "массу" к плате, часть срабатываний ищезло, но концевики все равно срабатывают.
В чем может быть проблемма?
Тут видео. https://yadi.sk/i/W82dhxgd3GjBeN
Было такое. Поборол.

1. Хороший экранированный кабель от частотника к шпинделю. Заземление (экран) со стороны шпинделя - если шпиндель (стол) заземлен.
Если нет, то со стороны частотника. (Мое личное наблюдение - отличается от классики).
2. На входе и выходе (сеть 220 вольт) питания частотника ферритовые кольца. Один-два оборота провода вокруг кольца. Либо, если толстый кабель - просто надеть на него кольцо.

Выскакивали постоянно ошибки срабатывания концевиков. Извелся. Выполнил первый пункт, срабатывания стали реже. Поставил кольца на питание и все отлично.
Пробовал заземлить частотник - выбивает автомат (это мой частный случай).
robinnn
Кандидат
Сообщения: 46
Зарегистрирован: 02 фев 2014, 01:44
Репутация: 0
Контактная информация:

Re: Ввод в эксплуатацию ЧПУ системы на основе контроллера Kf

Сообщение robinnn »

Robston писал(а):2. На входе и выходе (сеть 220 вольт) питания частотника ферритовые кольца. Один-два оборота провода вокруг кольца. Либо, если толстый кабель - просто надеть на него кольцо.
Кольца ставили на кабель питания частотника или кабеля от частотника к шпинделю? какие кольца ссылку покажите для примера.
robinnn
Кандидат
Сообщения: 46
Зарегистрирован: 02 фев 2014, 01:44
Репутация: 0
Контактная информация:

Re: Ввод в эксплуатацию ЧПУ системы на основе контроллера Kf

Сообщение robinnn »

При работе часто включаются и выключаются входы Gen Purpose in, это тоже наводки? На что они могут повлиять?
Вложения
10102.jpg (5766 просмотров) <a class='original' href='./download/file.php?id=108433&mode=view' target=_blank>Загрузить оригинал (51.46 КБ)</a>
Аватара пользователя
donvictorio
Мастер
Сообщения: 2457
Зарегистрирован: 11 окт 2012, 16:26
Репутация: 683
Настоящее имя: Виктор
Откуда: Санкт-Петербург
Контактная информация:

Re: Ввод в эксплуатацию ЧПУ системы на основе контроллера Kf

Сообщение donvictorio »

наводки. по уму надо подтянуть либо к земле, либо к ref неиспользуемые io (учитывая что некоторые к +5, некоторые к +3,3)
robinnn
Кандидат
Сообщения: 46
Зарегистрирован: 02 фев 2014, 01:44
Репутация: 0
Контактная информация:

Re: Ввод в эксплуатацию ЧПУ системы на основе контроллера Kf

Сообщение robinnn »

donvictorio писал(а):наводки. по уму надо подтянуть либо к земле, либо к ref неиспользуемые io (учитывая что некоторые к +5, некоторые к +3,3)
По уму конечно надо, но вот ставил такую же плату в аналогичній станок, то вообще без проблем было. Сейчас делаем заземление с нуля, может поможет.
robinnn
Кандидат
Сообщения: 46
Зарегистрирован: 02 фев 2014, 01:44
Репутация: 0
Контактная информация:

Re: Ввод в эксплуатацию ЧПУ системы на основе контроллера Kf

Сообщение robinnn »

Заземление сделали с нуля, не помогло.
Заметил, что при отключении ноля датчиков на входах платы помех от шпинделя не наблюдается.
И при включеном ноле но без питания усилителей и двигаттелей - тоже помех нет.
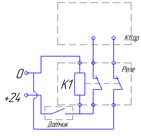
Как вариант решил поставить реле между концевиком и платой (размыкаются сразу и 0 и +24 (сигнал) ). Но может кто посоветует еще какие решения?
Датчики.png (5523 просмотра) <a class='original' href='./download/file.php?id=110490&mode=view' target=_blank>Загрузить оригинал (13.8 КБ)</a>
И по поводу "подтягивания" к земле, каим образом это лучше осуществить? Хочу хотя б входы для датчиков сделать попробовать
Аватара пользователя
sima8520
Почётный участник
Почётный участник
Сообщения: 4509
Зарегистрирован: 24 ноя 2016, 23:35
Репутация: 1617
Настоящее имя: Илья
Откуда: Беларусь, Гомель
Контактная информация:

Re: Ввод в эксплуатацию ЧПУ системы на основе контроллера Kf

Сообщение sima8520 »

Извиняюсь что влажу, суть проблемы не читал, НО! Параллельно обмотке реле нужно ставить диод, любой маломощный, типа 1n4004-4007 или 1n4148
Smouk
Кандидат
Сообщения: 76
Зарегистрирован: 08 ноя 2016, 16:36
Репутация: 32
Настоящее имя: Алексей
Контактная информация:

Re: Ввод в эксплуатацию ЧПУ системы на основе контроллера Kf

Сообщение Smouk »

robinnn писал(а):При работе часто включаются и выключаются входы Gen Purpose in, это тоже наводки? На что они могут повлиять?
Если раздражает можно на эти входа подать питание и они всегда будут "1". На остальное это никак не влияет. Техника вокруг силовая, поэтому все болтающиеся входа и должны себя так вести.
robinnn
Кандидат
Сообщения: 46
Зарегистрирован: 02 фев 2014, 01:44
Репутация: 0
Контактная информация:

Re: Ввод в эксплуатацию ЧПУ системы на основе контроллера Kf

Сообщение robinnn »

Заметил интерестную особенность.
У меня на станке включение усилителей и двигателей происходит только после нажатия на кнопку инит. При нажатии СТОП на нее питание подается но двигателя выключены. Все так и работает, но если проводить процедуру ХОУМ или если во время нее возник какой-то сбой, то при нажатии СТОП, двигателя двигаются и для того что бы их остановить нужно опять нажать инит и СТОП. Как это побороть?
Код для ХОУМ
(для просмотра содержимого нажмите на ссылку)
#include "KMotionDef.h"


//simple routine to:
//
// #1 disable limits
// #2 jog to a limit at speed
// #3 Reverse till index pulse
// #4 stop
// #5 zero the axis
// #6 move back inside
// #7 enable limits

int SimpleHomeIndexFunction(int axis, // axis number to home
float speed, // speed to move toward home
int dir, // direction to move toward home (+1 or -1)
int limitbit, // limit bit number to watch for
int limitpolarity, // limit polarity to wait for (1 or 0)
float indexspeed, // speed to move while searching for index
int indexbit, // index bit number to watch for (use -1 for none)
int indexpolarity, // index polarity to wait for (1 or 0)
float offset) // amount to move inside limits
{
int SaveLimits; //place to save limit switch settings

//DisableAxis(axis); -------------------

// disable the limits (first save how they were set)
SaveLimits = chan[axis].LimitSwitchOptions;
chan[axis].LimitSwitchOptions = 0;

//EnableAxis(axis); // enable axis and begin servoing where we are ---------------------

// Home - jog until it sees the limit

Jog(axis,speed*dir); // jog slowly
while (ReadBit(limitbit)!=limitpolarity) // loop until Limit bit goes to specified polarity
if (!chan[axis].Enable) return 1; // abort/exit if disabled

chan[axis].set = 20

if (indexbit!=-1) // index bit specified?
{
Jog(axis,-indexspeed*dir); // reverse and jog slowly
while (ReadBit(indexbit)!=indexpolarity) // loop until index bit goes to specified polarity
if (!chan[axis].Enable) return 1; // abort/exit if disabled
}

Jog(axis,0); // stop
while (!CheckDone(axis)) // loop until motion completes
if (!chan[axis].Enable) return 1; // abort/exit if disabled

//DisableAxis(axis); // disable the axis-------------------
Zero(axis); // Zero the position
//EnableAxis(axis); // re-enable---------------------------

Move(axis,-dir * offset); // move some amount inside the limits
while (!CheckDone(axis)) ; // loop until motion completes
if (!chan[axis].Enable) return 1; // abort/exit if disabled

chan[axis].LimitSwitchOptions = SaveLimits; // restore limit settings
return 0;
}




int DoPC(int cmd);
int DoPCInt(int cmd, int i);
#define GATH_OFF 0 // define the offset into the Gather buffer where strings are passed

main()
{

//определяем пины для индексных меток, как ВХОД

SetBitDirection(36,0); // для оси Х
SetBitDirection(37,0); // для оси Y
SetBitDirection(38,0); // для оси Z



// поиск НОМЕ по Z
SimpleHomeIndexFunction(
2, // axis number to home
2500, // speed to move toward home
1, // direction to move toward home (+1 or -1)
138, // limit bit number to watch for
1, // limit polarity to wait for (1 or 0)
2000, // speed to move while searching for index
38, // index bit number to watch for (use -1 for none)
1, // index polarity to wait for (1 or 0)
400); // amount to move inside limits
// поиск НОМЕ по X
SimpleHomeIndexFunction(
0, // axis number to home
2330, // speed to move toward home
-1, // direction to move toward home (+1 or -1)
136, // limit bit number to watch for
1, // limit polarity to wait for (1 or 0)
2000, // speed to move while searching for index
36, // index bit number to watch for (use -1 for none)
1, // index polarity to wait for (1 or 0)
390.625); // amount to move inside limits


// поиск НОМЕ по y
SimpleHomeIndexFunction(
1, // axis number to home
2330, // speed to move toward home
-1, // direction to move toward home (+1 or -1)
137, // limit bit number to watch for
1, // limit polarity to wait for (1 or 0)
2000, // speed to move while searching for index
37, // index bit number to watch for (use -1 for none)
1, // index polarity to wait for (1 or 0)
400); // amount to move inside limits






MDI("G92.1"); // очистка всех действующих оффсетов
}

//далее код обеспечивающий ввод команды в MDI

// put the MDI string (Manual Data Input - GCode) in the
// gather buffer and tell the App where it is
int MDI(char *s)
{
char *p=(char *)gather_buffer+GATH_OFF*sizeof(int);
int i;

do // copy to gather buffer w offset 0
{
*p++ = *s++;
}while (s[-1]);

// issue the command an wait till it is complete
// (or an error - such as busy)
return DoPCInt(PC_COMM_MDI,GATH_OFF);
}


// Put an integer as a parameter and pass the command to the App
int DoPCInt(int cmd, int i)
{
int result;
persist.UserData[PC_COMM_PERSIST+1] = i;
return DoPC(cmd);
}

// Pass a command to the PC and wait for it to handshake
// that it was received by either clearing the command
// or changing it to a negative error code
int DoPC(int cmd)
{
int result;

persist.UserData[PC_COMM_PERSIST]=cmd;

do
{
WaitNextTimeSlice();
}while (result=persist.UserData[PC_COMM_PERSIST]>0);

return result;
}
Robston
Новичок
Сообщения: 20
Зарегистрирован: 04 апр 2016, 17:37
Репутация: 7
Настоящее имя: Роберт
Откуда: Москва
Контактная информация:

Re: Ввод в эксплуатацию ЧПУ системы на основе контроллера Kf

Сообщение Robston »

Уважаемые мастера!
Подскажите. Может кто знает.
Как вывести необходимые значения координат с основном окне KMotionCNC, через программу в Си?
Не машинные, а рабочие.
По аналогии с Zero (0) - обнуление координаты X. (Но обнуляются только машинная координата.)
Есть подозрения, что через OffSet. Но каким образом, я не додумался. Перепробовал возможные варианты.
Пока не фунциклирует. :thinking:
artreal
Новичок
Сообщения: 1
Зарегистрирован: 21 май 2017, 16:51
Репутация: 0
Настоящее имя: Держило Тарас Николевич
Контактная информация:

Re: Ввод в эксплуатацию ЧПУ системы на основе контроллера Kf

Сообщение artreal »

Здраствуйте
при вводе в експлуатацию kflop+ konekt вылезла странная проблема
дело в том что всякий раз когда я пробую включить шпиндель при помощи М кода у меня пропадает связь компа с Kf
в качестве сигнала задания для частотного преобразователя использую ШИМ с Pin 5 jp 7
зелю беру с того же jp7 26 pin
питание от usb
может кто сталкивалсяв подобной проблемой
есть ли позможность перенаправить ШИМ на выход konect????
спасибо
Smouk
Кандидат
Сообщения: 76
Зарегистрирован: 08 ноя 2016, 16:36
Репутация: 32
Настоящее имя: Алексей
Контактная информация:

Re: Ввод в эксплуатацию ЧПУ системы на основе контроллера Kf

Сообщение Smouk »

Robston писал(а):Как вывести необходимые значения координат с основном окне KMotionCNC, через программу в Си?
Не машинные, а рабочие.
А как Вы хотите это использовать, если не секрет? Скорей всего будет метод попроще.
artreal писал(а):дело в том что всякий раз когда я пробую включить шпиндель при помощи М кода у меня пропадает связь компа с Kf
в качестве сигнала задания для частотного преобразователя использую ШИМ с Pin 5 jp 7
Попробуйте запитать KFLOP отдельно, посмотрите не идет ли USB рядом с силой. Не забудьте снять перемычку питания от USB.
есть ли позможность перенаправить ШИМ на выход konect????
Перенаправить слово не совсем верное, но можно программно генерировать ШИМ любой выходной ногой Коннект, но в чем будет выигрыш?
Smouk
Кандидат
Сообщения: 76
Зарегистрирован: 08 ноя 2016, 16:36
Репутация: 32
Настоящее имя: Алексей
Контактная информация:

Re: Ввод в эксплуатацию ЧПУ системы на основе контроллера Kf

Сообщение Smouk »

robinnn писал(а): Все так и работает, но если проводить процедуру ХОУМ или если во время нее возник какой-то сбой, то при нажатии СТОП, двигателя двигаются и для того что бы их остановить нужно опять нажать инит и СТОП. Как это побороть?
По этому коду трудно сделать вывод. Есть код вызывающийся дополнительно при активации СТОП(либо переключение пинов и т.д.)?
Ответить

Вернуться в «KFlop»