GGEasy (фрезеровка печатных плат на ЧПУ)
- mantra
- Кандидат
- Сообщения: 71
- Зарегистрирован: 07 апр 2018, 15:11
- Репутация: 4
- Настоящее имя: Дмитрий
- Контактная информация:
Re: Grber2GCode (фрезеровка печатных плат на ЧПУ)
[quote="Курдль"][/quote]
Я понимаю, что зря открываю рот, потому что не готов подробно описывать процесс, но он ничем не отличается от вашего кроме софта и станка.
Скорее всего это у вас локальная проблема, 95% плат получаются без сучка и задоринки. За редким исключением бывает один косяк, в одной или нескольких довольно маленьких точках фреза не снимает медь. Причины обычно: Плохо закрепленный текстолит, очень мятый текстолит и слишком большая сетка карты высот.
Я понимаю, что зря открываю рот, потому что не готов подробно описывать процесс, но он ничем не отличается от вашего кроме софта и станка.
Скорее всего это у вас локальная проблема, 95% плат получаются без сучка и задоринки. За редким исключением бывает один косяк, в одной или нескольких довольно маленьких точках фреза не снимает медь. Причины обычно: Плохо закрепленный текстолит, очень мятый текстолит и слишком большая сетка карты высот.
- Курдль
- Мастер
- Сообщения: 2174
- Зарегистрирован: 20 мар 2018, 16:55
- Репутация: 282
- Настоящее имя: Курдль Энтеропийский
- Откуда: Msk
- Контактная информация:
Re: Grber2GCode (фрезеровка печатных плат на ЧПУ)
Пожалуйста, расскажите про Ваш процесс. Какой софт используете?mantra писал(а):Я понимаю, что зря открываю рот, потому что не готов подробно описывать процесс, но он ничем не отличается от вашего кроме софта и станка.
Какие граверы? Какие параметры?
Я специально прикупил детский пластмассовый микроскоп для контроля наконечников граверов.
Хотя бы для приблизительной оценки пригодности (ширина наконечника, не обломан ли и т.п.).
Я большие надежды возлагал на 10-градусные граверы 0,1мм https://aliexpress.ru/item/32693286322.html
Но они рвут медь хуже, чем самые дешевые китайско-подавльные.
Мой сайт: https://cnc-hobby.ru
-
Vlad1953
- Мастер
- Сообщения: 234
- Зарегистрирован: 25 ноя 2019, 19:23
- Репутация: 29
- Настоящее имя: Владимир Бурыгин
- Откуда: Каменногорск
- Контактная информация:
Re: Grber2GCode (фрезеровка печатных плат на ЧПУ)
Пользуюсь тем же Candle версии 1.7. Просто жертвенный стол после фрезеровок и сверловок напоминает панцирь старой черепахи.Курдль писал(а): А Вы каким ПО пользуетесь? Candle? Многие пользователи говорили, что карта высот должна сниматься определенным образом.
-
Vlad1953
- Мастер
- Сообщения: 234
- Зарегистрирован: 25 ноя 2019, 19:23
- Репутация: 29
- Настоящее имя: Владимир Бурыгин
- Откуда: Каменногорск
- Контактная информация:
Re: Grber2GCode (фрезеровка печатных плат на ЧПУ)
Да, причины такие есть, к сожалению. Из за неровного текстолита подготовка к фрезеровке больше 30 минут проходит. А текстолит покупаю у черта на куличках, в Питере, когда попадаю на толкучку "Юнона". Ближе негде. А ехать мне почти 200 км. Вот и покупаю пачками. Хорошо, что уже заранее обрезаны. Как раз под мой станок.mantra писал(а):Причины обычно: Плохо закрепленный текстолит, очень мятый текстолит и слишком большая сетка карты высот.Курдль писал(а):
- Курдль
- Мастер
- Сообщения: 2174
- Зарегистрирован: 20 мар 2018, 16:55
- Репутация: 282
- Настоящее имя: Курдль Энтеропийский
- Откуда: Msk
- Контактная информация:
Re: Grber2GCode (фрезеровка печатных плат на ЧПУ)
Если меняли шилд, что пос=чему сразу не на Mach3?Vlad1953 писал(а):Поставил Arduino cnc-shield-v3.
Т.е. если ширина дорожки 0.2мм, то на плате торчат такие рельсы выпуклые?Vlad1953 писал(а):А гравер опускаю на 0.1, лучше пускай грызет текстолит, чем не догрызет.
Мой сайт: https://cnc-hobby.ru
-
Vlad1953
- Мастер
- Сообщения: 234
- Зарегистрирован: 25 ноя 2019, 19:23
- Репутация: 29
- Настоящее имя: Владимир Бурыгин
- Откуда: Каменногорск
- Контактная информация:
Re: Grber2GCode (фрезеровка печатных плат на ЧПУ)
А на Mach3 как то даже и не пробовал, надо будет замутить.Курдль писал(а):Если меняли шилд, что пос=чему сразу не на Mach3?Vlad1953 писал(а):Поставил Arduino cnc-shield-v3.Т.е. если ширина дорожки 0.2мм, то на плате торчат такие рельсы выпуклые?Vlad1953 писал(а):А гравер опускаю на 0.1, лучше пускай грызет текстолит, чем не догрызет.
Дык после мелкой шкуркой перед облуживанием все равно шлифую. Ну да, получается 3D печатная плата.
- mantra
- Кандидат
- Сообщения: 71
- Зарегистрирован: 07 апр 2018, 15:11
- Репутация: 4
- Настоящее имя: Дмитрий
- Контактная информация:
Re: Grber2GCode (фрезеровка печатных плат на ЧПУ)
Я хз, что рассказывать о процессе. Креплю плату, снимаю карту высот, фрезерую. Иногда еще наношу маску и сфрезеровываю ее на местах пайки.Курдль писал(а):Пожалуйста, расскажите про Ваш процесс. Какой софт используете?mantra писал(а):Я понимаю, что зря открываю рот, потому что не готов подробно описывать процесс, но он ничем не отличается от вашего кроме софта и станка.
Какие граверы? Какие параметры?
Я специально прикупил детский пластмассовый микроскоп для контроля наконечников граверов.
Хотя бы для приблизительной оценки пригодности (ширина наконечника, не обломан ли и т.п.).
Я большие надежды возлагал на 10-градусные граверы 0,1мм https://aliexpress.ru/item/32693286322.html
Но они рвут медь хуже, чем самые дешевые китайско-подавльные.
Для карты высот использую g-code ripper, станком управляет linuxcnc.
Фрезы беру самые дешёвые на али, однозаходные граверы. На угол вообще никогда не обращал внимания. Кончик 0,5, редко 0,3, 0,1 почти никогда. Режут чисто, достаточно долго ходят, постобработка абразивом не требуется. Обороты 16500, скорость 1000мм/м.
- Курдль
- Мастер
- Сообщения: 2174
- Зарегистрирован: 20 мар 2018, 16:55
- Репутация: 282
- Настоящее имя: Курдль Энтеропийский
- Откуда: Msk
- Контактная информация:
Re: Grber2GCode (фрезеровка печатных плат на ЧПУ)
Ничего себе, как интересно!mantra писал(а):Иногда еще наношу маску и сфрезеровываю ее на местах пайки.
И как удается не срезать медь вместе с маской?
У меня есть мысли перейти на LinuxCNC. Но разве у него нет плагина или макроса для карты высот?mantra писал(а):Для карты высот использую g-code ripper, станком управляет linuxcnc.
Если кончик гравера 0,5 мм, то не сделаешь дорожку даже между стандартных ножек DIP. А если 0.3 - то с трудом.mantra писал(а):Кончик 0,5, редко 0,3, 0,1 почти никогда.
Скорость на мой взгляд невероятная. Я с 250 фрезерую. Надо не побояться попробовать...mantra писал(а):Обороты 16500, скорость 1000мм/м.
Спасибо за информайию!
Мой сайт: https://cnc-hobby.ru
- mantra
- Кандидат
- Сообщения: 71
- Зарегистрирован: 07 апр 2018, 15:11
- Репутация: 4
- Настоящее имя: Дмитрий
- Контактная информация:
Re: Grber2GCode (фрезеровка печатных плат на ЧПУ)
Для этого использую специальный подпружиненный держатель фрезы. Самодельный, на ютубе когда-то увидал.Курдль писал(а):Ничего себе, как интересно!
И как удается не срезать медь вместе с маской?
В первый раз опытным путем подбирается заглубление в зависимости от силы пружины.
Не задавался этим вопросом. Вроде даже что-то подобное мелькало на этом форуме, но это не точно.Курдль писал(а):У меня есть мысли перейти на LinuxCNC. Но разве у него нет плагина или макроса для карты высот?
Вы не правы. С 0,5мм, под корпусом обычного 0,25W резистора спокойно умещаются две дорожки по 1,2мм.Курдль писал(а):Если кончик гравера 0,5 мм, то не сделаешь дорожку даже между стандартных ножек DIP. А если 0.3 - то с трудом.
Также использую 0,5 для плат с корпусами 1206, дорожку, конечно, уже не проложить между, но для корпусов подходит.
! Вопрос к автору программы !
Я уже давненько просил реализовать две возможности. Подскажите, есть ли надежд ан ашанс?)))
01 Возможность в настройках указывать свое расширения файла УП.
02 Возможность удалять элементы гербера. (Дорожки, пэды)
-
Vlad1953
- Мастер
- Сообщения: 234
- Зарегистрирован: 25 ноя 2019, 19:23
- Репутация: 29
- Настоящее имя: Владимир Бурыгин
- Откуда: Каменногорск
- Контактная информация:
Re: Grber2GCode (фрезеровка печатных плат на ЧПУ)
А Mach3 гад, работает только с параллельным портом. USB порт не поддерживается. Есть еще Mach4, вроде как поддержка USB есть. Но не нашел на просторах инета.Курдль писал(а):Если меняли шилд, что пос=чему сразу не на Mach3?Vlad1953 писал(а):Поставил Arduino cnc-shield-v3.
- Курдль
- Мастер
- Сообщения: 2174
- Зарегистрирован: 20 мар 2018, 16:55
- Репутация: 282
- Настоящее имя: Курдль Энтеропийский
- Откуда: Msk
- Контактная информация:
Re: Grber2GCode (фрезеровка печатных плат на ЧПУ)
Ага!Vlad1953 писал(а):А Mach3 гад, работает только с параллельным портом. USB порт не поддерживается. Есть еще Mach4, вроде как поддержка USB есть. Но не нашел на просторах инета.
Только уже много лет существуют USB Mach3 контроллеры, которые эмулируют LPT порт на входе и отлично работают как с Mach3, LinuxCNC и другими подобными программами. Самый простейший: https://aliexpress.ru/item/32890282454.html
Разница в том, что USB порт буферизуемый, а LPT - реального времени. И контроллерам приходится получать команды порциями через USB, а потом отдавать их станку в реальном вреиени. Для этого они поддерживают установленную тактовую частоту. У самых простых - 100КГц, у навороченных - мегагерцы.
Мой сайт: https://cnc-hobby.ru
-
Vlad1953
- Мастер
- Сообщения: 234
- Зарегистрирован: 25 ноя 2019, 19:23
- Репутация: 29
- Настоящее имя: Владимир Бурыгин
- Откуда: Каменногорск
- Контактная информация:
Re: Grber2GCode (фрезеровка печатных плат на ЧПУ)
Что то наподобие стояло, только я выкинул из проблемы, описанной выше. Arduino настроена и работает, претензий нет. Если только к механике. Маловат столик стал 200х195, понимаш!Курдль писал(а):Ага!Vlad1953 писал(а):А Mach3 гад, работает только с параллельным портом. USB порт не поддерживается. Есть еще Mach4, вроде как поддержка USB есть. Но не нашел на просторах инета.![]()
Только уже много лет существуют USB Mach3 контроллеры, которые эмулируют LPT порт на входе и отлично работают как с Mach3, LinuxCNC и другими подобными программами. Самый простейший: https://aliexpress.ru/item/32890282454.html
Разница в том, что USB порт буферизуемый, а LPT - реального времени. И контроллерам приходится получать команды порциями через USB, а потом отдавать их станку в реальном вреиени. Для этого они поддерживают установленную тактовую частоту. У самых простых - 100КГц, у навороченных - мегагерцы.
-
X-Ray
- Мастер
- Сообщения: 600
- Зарегистрирован: 04 фев 2016, 23:06
- Репутация: 275
- Настоящее имя: Дамир
- Контактная информация:
Re: Grber2GCode (фрезеровка печатных плат на ЧПУ)
Работает нормально, уже пару лет так точно. ШВП и направляющие промыты, смазаны перед сборкой у меня.
Пы.Сы.
От БП 5В до ардуины стрелка лишняя.
Пы.Сы.
От БП 5В до ардуины стрелка лишняя.
Программа GGEasy (фрезеровка из гербера, производство ПП на ЧПУ) GERBER_X3/releases
Прежде чем писать о багах проверьте, является ли ваша версия последней!
Баги - глюки и ПРЕДЛОЖЕНИЯ(Хотелки) писать СЮДА!!! Багтрекер
Тестовая версия
Прежде чем писать о багах проверьте, является ли ваша версия последней!
Баги - глюки и ПРЕДЛОЖЕНИЯ(Хотелки) писать СЮДА!!! Багтрекер
Тестовая версия
-
Vlad1953
- Мастер
- Сообщения: 234
- Зарегистрирован: 25 ноя 2019, 19:23
- Репутация: 29
- Настоящее имя: Владимир Бурыгин
- Откуда: Каменногорск
- Контактная информация:
Re: Grber2GCode (фрезеровка печатных плат на ЧПУ)
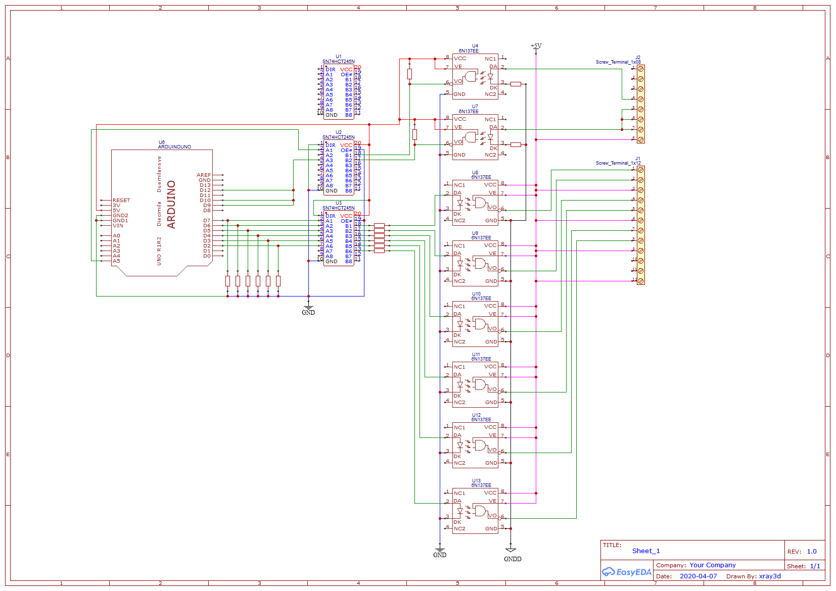
А поподробнее можно? Плиз! Схему, какие блоки, развязка.
-
X-Ray
- Мастер
- Сообщения: 600
- Зарегистрирован: 04 фев 2016, 23:06
- Репутация: 275
- Настоящее имя: Дамир
- Контактная информация:
Re: Grber2GCode (фрезеровка печатных плат на ЧПУ)
Нарисую выложу, на макетке по месту паял.Vlad1953 писал(а):Схему
А вообще на STM32 версию переходить буду.
Mean Well оба, 36Вх8,8А и 5В.Vlad1953 писал(а):блоки
Программа GGEasy (фрезеровка из гербера, производство ПП на ЧПУ) GERBER_X3/releases
Прежде чем писать о багах проверьте, является ли ваша версия последней!
Баги - глюки и ПРЕДЛОЖЕНИЯ(Хотелки) писать СЮДА!!! Багтрекер
Тестовая версия
Прежде чем писать о багах проверьте, является ли ваша версия последней!
Баги - глюки и ПРЕДЛОЖЕНИЯ(Хотелки) писать СЮДА!!! Багтрекер
Тестовая версия
-
Vlad1953
- Мастер
- Сообщения: 234
- Зарегистрирован: 25 ноя 2019, 19:23
- Репутация: 29
- Настоящее имя: Владимир Бурыгин
- Откуда: Каменногорск
- Контактная информация:
Re: Grber2GCode (фрезеровка печатных плат на ЧПУ)
Заранее большое спасибо!X-Ray писал(а):Нарисую выложу, на макетке по месту паял.Vlad1953 писал(а):Схему
А вообще на STM32 версию переходить буду.Mean Well оба, 36Вх8,8А и 5В.Vlad1953 писал(а):блоки
С STM32 наверно будет лучше!
- Курдль
- Мастер
- Сообщения: 2174
- Зарегистрирован: 20 мар 2018, 16:55
- Репутация: 282
- Настоящее имя: Курдль Энтеропийский
- Откуда: Msk
- Контактная информация:
Re: Grber2GCode (фрезеровка печатных плат на ЧПУ)
Иногда меня посещают мысли, что я занимаюсь какой-то фигнёй. Лазеры-шмазеры... 
https://www.youtube.com/watch?v=VY-7hQ6ocx8
https://www.youtube.com/watch?v=VY-7hQ6ocx8
Мой сайт: https://cnc-hobby.ru
-
sas_75
- Мастер
- Сообщения: 463
- Зарегистрирован: 10 мар 2015, 11:03
- Репутация: 115
- Настоящее имя: Сергей
- Откуда: Владивосток
- Контактная информация:
Re: Grber2GCode (фрезеровка печатных плат на ЧПУ)
Как-то нерационально используется стеклотекстолит
-
X-Ray
- Мастер
- Сообщения: 600
- Зарегистрирован: 04 фев 2016, 23:06
- Репутация: 275
- Настоящее имя: Дамир
- Контактная информация:
Re: Grber2GCode (фрезеровка печатных плат на ЧПУ)
Примерно такое.X-Ray писал(а):Нарисую выложу, на макетке по месту паял.
Программа GGEasy (фрезеровка из гербера, производство ПП на ЧПУ) GERBER_X3/releases
Прежде чем писать о багах проверьте, является ли ваша версия последней!
Баги - глюки и ПРЕДЛОЖЕНИЯ(Хотелки) писать СЮДА!!! Багтрекер
Тестовая версия
Прежде чем писать о багах проверьте, является ли ваша версия последней!
Баги - глюки и ПРЕДЛОЖЕНИЯ(Хотелки) писать СЮДА!!! Багтрекер
Тестовая версия
- iMaks-RS
- Мастер
- Сообщения: 1807
- Зарегистрирован: 10 июл 2017, 09:25
- Репутация: 205
- Настоящее имя: Maks
- Откуда: От туда.
- Контактная информация:
Re: Grber2GCode (фрезеровка печатных плат на ЧПУ)
off
Лень - двигатель прогресса.. Может проще взять готовую плату опторазвязки для ltp-интерфейса, и к ней сделать шильд для ардуины/stm32?
Сразу всё есть.. и развязка для датчиков, и преобразователь в 0+10В и т.д.
В диптрейсе по быстрому накидал - для "синей таблетки" - stm32+grbl, за что спасибо автору сего поста USBCNC GRBL 4 оси (6 осей!) #1. Но до физической раализации дело так и не дошло.. встал вопрос - что делать с китайской платой grbl.. и что-бы не тратить ресурсы и время, оставил как есть (((
Лень - двигатель прогресса.. Может проще взять готовую плату опторазвязки для ltp-интерфейса, и к ней сделать шильд для ардуины/stm32?
Сразу всё есть.. и развязка для датчиков, и преобразователь в 0+10В и т.д.
В диптрейсе по быстрому накидал - для "синей таблетки" - stm32+grbl, за что спасибо автору сего поста USBCNC GRBL 4 оси (6 осей!) #1. Но до физической раализации дело так и не дошло.. встал вопрос - что делать с китайской платой grbl.. и что-бы не тратить ресурсы и время, оставил как есть (((