Страница 42 из 64
Re: USB Motion Card STB4100
Добавлено: 14 ноя 2020, 13:13
AeroFly
Не прочел пока еще всю тему, а узнать уже хочется вчера

Нахожусь в процессе, подружить плату с частотником.
Есть вариант управления через 10 Вольт, но моя плата выдает максимальные 11В. Как то страшно подключать. Можно ли что то с этим поделать?
Re: USB Motion Card STB4100
Добавлено: 15 ноя 2020, 19:10
nickoass
Делитель напряжения на двух резисторах можно установить.
Re: USB Motion Card STB4100
Добавлено: 16 ноя 2020, 14:46
AeroFly
Спасибо. Просто я надеелся, что программно, как то поправить можно.
Re: USB Motion Card STB4100
Добавлено: 27 ноя 2020, 23:12
AeroFly
Можно ли на этом контроллере реализовать включение одного из выводов О1-О4 одновременно с включением удержания ШД? Это что бы отпустить тормоз оси Z
Re: USB Motion Card STB4100
Добавлено: 28 ноя 2020, 12:10
nickoass
AeroFly писал(а): ↑
Можно ли на этом контроллере реализовать включение одного из выводов О1-О4 одновременно с включением удержания ШД?
Легко. Используйте сигнал Enable по оси Z. В Мачь3 в настройках этого сигнала, конфигурируйте так, чтобы он дёргал одним из выводов Q1-Q4.
Re: USB Motion Card STB4100
Добавлено: 29 дек 2020, 13:00
Nikopol70
Коллеги, всех с наступающим
Дошёл до момента когда нужно с включением шпинделя включать порты 02-03
По простою на них 2 Вольта, нужно что бы по включении шпинделя на данных портах было 12в, у меня бп 12в.
На порту О1 появляется, частотник включает шпиндель.
Но параллельно надо включать О2-О4 для включения других устройств через твердотельные реле.
Так вот на О2-О4 не появляется 12 в.
Куда копать?
Пс. Возможно это потому что я ещё не крякнул матч? Пишет в абоут что демоверсия
Re: USB Motion Card STB4100
Добавлено: 29 дек 2020, 15:42
Rom327
Nikopol70 писал(а): ↑
Так вот на О2-О4 не появляется 12 в.
Куда копать?
Там может появиться только ноль, так как Q1-Q4 это выходы с ОК.
Re: USB Motion Card STB4100
Добавлено: 29 дек 2020, 20:01
Nikopol70
Rom327 писал(а): ↑29 дек 2020, 15:42
Nikopol70 писал(а): ↑
Так вот на О2-О4 не появляется 12 в.
Куда копать?
Там может появиться только ноль, так как Q1-Q4 это выходы с ОК.
Что значит ноль?
На Q1 же появляется минус от 12 в
Я считал что так же должны работать и Q2-Q4
Как их задействовать?
Re: USB Motion Card STB4100
Добавлено: 29 дек 2020, 20:31
Rom327
Nikopol70 писал(а): ↑
Что значит ноль?
На Q1 же появляется минус от 12 в
Минус от +12 это и есть 0. А активировать выходы можно через М-команды. Если мне память не изменяет, М7, М8 включить сож1 и сож2, М9 отключить...
Re: USB Motion Card STB4100
Добавлено: 29 дек 2020, 20:35
Nikopol70
Rom327 писал(а): ↑29 дек 2020, 20:31
Nikopol70 писал(а): ↑
Что значит ноль?
На Q1 же появляется минус от 12 в
Минус от +12 это и есть 0. А активировать выходы можно через М-команды. Если мне память не изменяет, М7, М8 включить сож1 и сож2, М9 отключить...
Хм, сож интересное решение
А куда скомутировать включение помпы охлаждения шпинделя? Повесить в параллель на Q1?
Re: USB Motion Card STB4100
Добавлено: 29 дек 2020, 21:03
гражданинъ
В частотнике есть реле для этого .
Re: USB Motion Card STB4100
Добавлено: 29 дек 2020, 21:10
Nikopol70
гражданинъ писал(а): ↑29 дек 2020, 21:03
В частотнике есть реле для этого .
Опа... я такое и не знал...
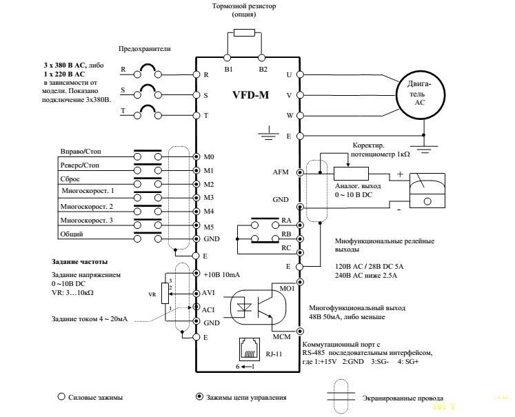
Вот мой
Я так понимаю нужно использовать Контакты RA-RB-RC
Re: USB Motion Card STB4100
Добавлено: 29 дек 2020, 21:12
гражданинъ
RA RC замыкается RB размыкается .Но настроить надо по мануалу частотника.
Re: USB Motion Card STB4100
Добавлено: 29 дек 2020, 21:28
Nikopol70
гражданинъ писал(а): ↑29 дек 2020, 21:12
RA RC замыкается RB размыкается .Но настроить надо по мануалу частотника.
По мануалу разобрался как его настраивать
Там для активации реле 24 вариации
Как по опыту лучше организовать включение помпы охлаждения шпинделя? Я думал сделать что бы охлаждение включалось с включением частотника? Или с включением шпинделя?
Re: USB Motion Card STB4100
Добавлено: 29 дек 2020, 21:39
xenon-alien
Nikopol70 писал(а): ↑
Как по опыту лучше организовать включение помпы охлаждения шпинделя?
А выключение с задержкой, если возможно.
Re: USB Motion Card STB4100
Добавлено: 29 дек 2020, 21:41
Rom327
Nikopol70 писал(а): ↑
А куда скомутировать включение помпы охлаждения шпинделя?
А просто ткнуть в розетку или на автомат частотника повесить, вера не позволяет?
Re: USB Motion Card STB4100
Добавлено: 29 дек 2020, 21:44
Nikopol70
Rom327 писал(а): ↑29 дек 2020, 21:41
Nikopol70 писал(а): ↑
А куда скомутировать включение помпы охлаждения шпинделя?
А просто ткнуть в розетку или на автомат частотника повесить, вера не позволяет?
Вера обиделась)))
Нужно что бы все было по феншую- зачем же тогда столько денег тратить на сборку станка, что бы потом в розетки тыкать
Re: USB Motion Card STB4100
Добавлено: 29 дек 2020, 21:49
гражданинъ
Если не привязывать к включению шпинделя , то оно зачем вообще ? И если нет автосмены инструмента то программное включение шпинделя тоже ни к чему ,мне кааца .
Re: USB Motion Card STB4100
Добавлено: 30 дек 2020, 07:49
Nikopol70
Всем спасибо
Все получилось
Сделал включение подачи охлаждайки по сигнальной частоте, 0,1гц
Отключается через 2-5 сек после остановки шпинделя.
Вот мой станок, шёл к нему три года после г и палок.
Осталось дело за малым - стол - пока праздники и денег нету, положу лист дсп
Потом хочу из профиля сделать
Сделал стол, прицепил индикатор
Завтра буду катать смотреть что вышло
Потом ровнять стол
Вот что ещё хотел спросить
После отключения помпы охлаждение, жидкость помалу уходит, видно на фото
Есть смысл поставить обратный клапан?
И нужен ли фильтр?
Re: USB Motion Card STB4100
Добавлено: 01 янв 2021, 10:12
Nikopol70
Всех с Новым годом
Коллеги, столкнулся с проблемой - шпиндель вращается не в ту сторону- по часовой стрелке, а должен против часовой.
Перепроверил все провода подключения, прозвонил тестером- исходя из схемы распиновки все верно
На частотнике реверс разрешено, но при установке в маче галки реверс, шпиндель вообще не включается
Фото с мануала шпинделя ниже. Куда копать?
Возможно что нужно сигнал старт стоп с платы подать не на м0 а на м1 на частотнике? Фото ниже
UPD - сам разобрался- действительно надо было перекинуть с м0 на м1