Посоветуйте/покритикуйте по шкафу станка ЧПУ

Контроллеры, драйверы, датчики, управляющие устройства.
Александр_
Мастер
Сообщения: 1743
Зарегистрирован: 24 дек 2013, 17:47
Репутация: 122
Контактная информация:

Re: Посоветуйте/покритикуйте по шкафу станка ЧПУ

Сообщение Александр_ »

а, вон оно что... а физически это как подключено? то, что это реле замкнет контакт и зажжет лампу я понял. как устроена подача сигнала на это реле чтобы оно замкнулось? какой-то диод еще на схеме внизу. нет картинки этого реле чтобы хоть представить визуально?
Заходите в гости: www.pandicon.net www.graver36.ru
Аватара пользователя
alexg-nn
Мастер
Сообщения: 793
Зарегистрирован: 08 фев 2015, 12:45
Репутация: 127
Настоящее имя: Алексей
Откуда: Нижний Новгород
Контактная информация:

Re: Посоветуйте/покритикуйте по шкафу станка ЧПУ

Сообщение alexg-nn »

Тут схема такая - насколько я понял, сигнал ALRM НЕ подаётся в случае аварии. То есть при штатной работе в линии ALRM есть напряжение, которое воздействует на реле. Реле имеет группу нормально замкнутых и нормально разомкнутых контактов. Первая служит для лампы "Авария", вторая - для блокировки пускателя. Диод там нарисован, чтобы защитить сервопаки от ЭДС самоиндукции при размыкании реле (есть на схеме в мануале яскавы).

Это мои теоретические рассуждения, не реализовывал проект пока.
Последний раз редактировалось alexg-nn 26 июн 2015, 15:31, всего редактировалось 1 раз.
Аватара пользователя
alexg-nn
Мастер
Сообщения: 793
Зарегистрирован: 08 фев 2015, 12:45
Репутация: 127
Настоящее имя: Алексей
Откуда: Нижний Новгород
Контактная информация:

Re: Посоветуйте/покритикуйте по шкафу станка ЧПУ

Сообщение alexg-nn »

По поводу - что а реле - не знаю, но обычное с катушкой на 24 вольта и парой NO и NC контактов.
Александр_
Мастер
Сообщения: 1743
Зарегистрирован: 24 дек 2013, 17:47
Репутация: 122
Контактная информация:

Re: Посоветуйте/покритикуйте по шкафу станка ЧПУ

Сообщение Александр_ »

то есть по сути для лампы авария нужен еще один пускатель? при штатной работе цепь alm замкнута. в ней 24В. при аварии цепь рвется, пускатель срабатывает и замыкает лампу? не слишком сложно выходит ради одной лампочки? жаль, второй пускатель запасной у меня с группой нормально разомкнутых контактов.
Заходите в гости: www.pandicon.net www.graver36.ru
Аватара пользователя
alexg-nn
Мастер
Сообщения: 793
Зарегистрирован: 08 фев 2015, 12:45
Репутация: 127
Настоящее имя: Алексей
Откуда: Нижний Новгород
Контактная информация:

Re: Посоветуйте/покритикуйте по шкафу станка ЧПУ

Сообщение alexg-nn »

Александр_ писал(а):нужен еще один пускатель
Не понял, зачем ещё один пускатель?
Александр_
Мастер
Сообщения: 1743
Зарегистрирован: 24 дек 2013, 17:47
Репутация: 122
Контактная информация:

Re: Посоветуйте/покритикуйте по шкафу станка ЧПУ

Сообщение Александр_ »

пускатель или реле - что-то нормально замкнутое на 24В.
Заходите в гости: www.pandicon.net www.graver36.ru
Аватара пользователя
alexg-nn
Мастер
Сообщения: 793
Зарегистрирован: 08 фев 2015, 12:45
Репутация: 127
Настоящее имя: Алексей
Откуда: Нижний Новгород
Контактная информация:

Re: Посоветуйте/покритикуйте по шкафу станка ЧПУ

Сообщение alexg-nn »

Я бы взял какое-нибудь Omron'овское на DIN рейку типа такого (чисто для примера).
Александр_
Мастер
Сообщения: 1743
Зарегистрирован: 24 дек 2013, 17:47
Репутация: 122
Контактная информация:

Re: Посоветуйте/покритикуйте по шкафу станка ЧПУ

Сообщение Александр_ »

среле на лампу более-менее понял. гляну в магазине - может, есть что-то готовое удобное.

а что насчет тормоза сервы? в какую цепочку его запитывать? если по аварии будет вырубаться вся сила вместе с БП тормоза, то он на полном ходу будет включаться и хватать серву за вал что как я понимаю не очнь хорошо? с другой стороны, если оставить его включенным (БП), то при аварии сила вырубится и ось Z неконтролируемо поползет вниз под своим весом - тоже плохо. как быть?
Заходите в гости: www.pandicon.net www.graver36.ru
Аватара пользователя
alexg-nn
Мастер
Сообщения: 793
Зарегистрирован: 08 фев 2015, 12:45
Репутация: 127
Настоящее имя: Алексей
Откуда: Нижний Новгород
Контактная информация:

Re: Посоветуйте/покритикуйте по шкафу станка ЧПУ

Сообщение alexg-nn »

Про тормоз вопрос хороший. Я вот тоже думаю, как сделать правильнее (тоже на Z моторчик с тормозом едет).
Вообще, в мануале про это хорошо написано. Схема подключения такая, а дальше всё контролируется самим сервопаком через контакты /BK и параметры настроек.
brake.jpg (1808 просмотров) <a class='original' href='./download/file.php?id=53155&mode=view' target=_blank>Загрузить оригинал (70.74 КБ)</a>
Александр_
Мастер
Сообщения: 1743
Зарегистрирован: 24 дек 2013, 17:47
Репутация: 122
Контактная информация:

Re: Посоветуйте/покритикуйте по шкафу станка ЧПУ

Сообщение Александр_ »

a BK-RY это здесь что? реле, которым управляет сервопак как ему нужно?
Заходите в гости: www.pandicon.net www.graver36.ru
Аватара пользователя
alexg-nn
Мастер
Сообщения: 793
Зарегистрирован: 08 фев 2015, 12:45
Репутация: 127
Настоящее имя: Алексей
Откуда: Нижний Новгород
Контактная информация:

Re: Посоветуйте/покритикуйте по шкафу станка ЧПУ

Сообщение alexg-nn »

Александр_ писал(а):реле, которым управляет сервопак как ему нужно?
Да, реле на тормоз.
Александр_
Мастер
Сообщения: 1743
Зарегистрирован: 24 дек 2013, 17:47
Репутация: 122
Контактная информация:

Re: Посоветуйте/покритикуйте по шкафу станка ЧПУ

Сообщение Александр_ »

выбор реле в магазине оказался обширным - просто раньше игнорировал эту витрину - была не нужна. взял пока на 5А реле с удобным монтажом на попробовать. для лампочки такое великовато, скорее всего пойдет на тормоз сервы.
Вложения
Фото-0586.jpg (1771 просмотр) <a class='original' href='./download/file.php?id=53179&mode=view' target=_blank>Загрузить оригинал (1.49 МБ)</a>
Заходите в гости: www.pandicon.net www.graver36.ru
Аватара пользователя
alexg-nn
Мастер
Сообщения: 793
Зарегистрирован: 08 фев 2015, 12:45
Репутация: 127
Настоящее имя: Алексей
Откуда: Нижний Новгород
Контактная информация:

Re: Посоветуйте/покритикуйте по шкафу станка ЧПУ

Сообщение alexg-nn »

Александр_, а какой вы контактор выбрали? Я что-то просмотрел.
Александр_
Мастер
Сообщения: 1743
Зарегистрирован: 24 дек 2013, 17:47
Репутация: 122
Контактная информация:

Re: Посоветуйте/покритикуйте по шкафу станка ЧПУ

Сообщение Александр_ »

контактор VS425-40. взял пару на всякий случай. думаю, одного на 25А хватит, но если что - шпиндель и прочее на второй повешу.
Вложения
Фото-0573.jpg (1768 просмотров) <a class='original' href='./download/file.php?id=53181&mode=view' target=_blank>Загрузить оригинал (263.91 КБ)</a>
Заходите в гости: www.pandicon.net www.graver36.ru
Александр_
Мастер
Сообщения: 1743
Зарегистрирован: 24 дек 2013, 17:47
Репутация: 122
Контактная информация:

Re: Посоветуйте/покритикуйте по шкафу станка ЧПУ

Сообщение Александр_ »

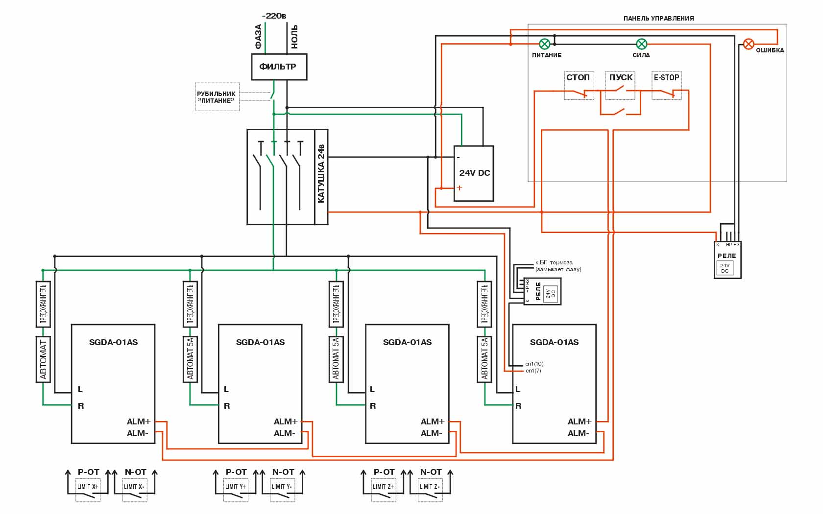
дорисовал на схеме реле. с силовой частью вроде все. надеюсь, нигде не напутал :-)
не совсем понятно куда подключать катушку реле, отвечающую за подачу питания на тормоз сервы (катушку, которой рулит сервопак сигналом BK).когда контактор размыкается и питание на сервопак пропадает с ним пропадает и возможность управлять тормозом? в мануале вроде расписано про это, но все это сервопак может делать если он подключен к сети.
я на схеме подключил эту катушку к цепи 24В в которой есть питание если включен главный контактор.
Вложения
Untitled-1 copy.jpg (1767 просмотров) <a class='original' href='./download/file.php?id=53184&mode=view' target=_blank>Загрузить оригинал (121.96 КБ)</a>
Заходите в гости: www.pandicon.net www.graver36.ru
Аватара пользователя
ukr-sasha
Мастер
Сообщения: 3401
Зарегистрирован: 21 мар 2011, 07:47
Репутация: 2181
Настоящее имя: Украинец Александр Григорьевич
Откуда: Киев, Украина
Контактная информация:

Re: Посоветуйте/покритикуйте по шкафу станка ЧПУ

Сообщение ukr-sasha »

Александр, читай внимательнее документацию на привод.
Вот подключение тормоза:
brake.png (1750 просмотров) <a class='original' href='./download/file.php?id=53185&mode=view' target=_blank>Загрузить оригинал (163.67 КБ)</a>
АЛМ+ и АЛМ- это вход или выход?
Александр_
Мастер
Сообщения: 1743
Зарегистрирован: 24 дек 2013, 17:47
Репутация: 122
Контактная информация:

Re: Посоветуйте/покритикуйте по шкафу станка ЧПУ

Сообщение Александр_ »

вроде по этой картинке из мануала и рисовал подключение тормоза.
где-то еще в цепочке, в которую включены сигналы ALM ошибка?
Заходите в гости: www.pandicon.net www.graver36.ru
Аватара пользователя
ukr-sasha
Мастер
Сообщения: 3401
Зарегистрирован: 21 мар 2011, 07:47
Репутация: 2181
Настоящее имя: Украинец Александр Григорьевич
Откуда: Киев, Украина
Контактная информация:

Re: Посоветуйте/покритикуйте по шкафу станка ЧПУ

Сообщение ukr-sasha »

Untitled-1 copy.jpg (1737 просмотров) <a class='original' href='./download/file.php?id=53188&mode=view' target=_blank>Загрузить оригинал (171.12 КБ)</a>
Александр_
Мастер
Сообщения: 1743
Зарегистрирован: 24 дек 2013, 17:47
Репутация: 122
Контактная информация:

Re: Посоветуйте/покритикуйте по шкафу станка ЧПУ

Сообщение Александр_ »

в смысле в рахоне обоих реле на схеме не показан диод, блокирующий обратную ЭДС? подрисую.
а что не так с ALM? не понял про вход-выход. это же просто нормально замкнутая перемычка в сервопаке, разрывающаяся при ошибке.
реле тормоза я куда-то не туда подключил?
Заходите в гости: www.pandicon.net www.graver36.ru
Ответить

Вернуться в «Электроника»