А кто говорил о философии? Только факты.Василий Владимирович писал(а):Вы старайтесь свои тезисы применять к себе, на забывая что окружающие тоже живут по своим, а философские беседы я обычно на форуме Раша Тудей провожу.
Я не понял о чем речь.Василий Владимирович писал(а):Вы работаете на таком или аналогичном оборудовании, строите станки тоже с применением плат управления, драйверов моторов, в которых есть опторазвязка, так что я америку не открываю.
Ну а я не понял о чем речь. И про затухание не понял. Какое может быть затухание у низкочастотного сигнала в куске провода?Василий Владимирович писал(а):Если человек занимался или занимается электроникой, то он понял что я сказал про затухание сигнала при не надлежащем качестве кабеля. Я сам занимаюсь ПК, знаю что это такое. И еще знаю каким китайцы качеством обеспечивают потребителя. Так что на счет "производитель расчитает" Вы можете посмотреть фильм в ютубе про завод Wantai в Китае. Как они почти на коленках с молотком моторы собирают и как тестируют (и чем)
Зачем мне фильм смотреть? Мы сейчас вашу проблему решаем, или занимаемся моим воспитанием и образованием?
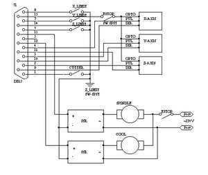
То что там стоят четыре оптопары для согласования уровня сигналов от датчиков разного типа - это совсем не значит, что они работают, как опторазвязка.Василий Владимирович писал(а):в NCstudio ЕСТЬ опторазвязка!
У этих оптопар общая земля и цепь питания с обеих сторон.
А на выходах линий Step/Dir никакой опторазвязки нет. Просто выходы типа открытый коллектор.
michael-yurov писал(а):Даже если поставить подряд 50 опторазвязкок - это не приведет к "затуханию" сигнала.
Почему же неправда? Если схема рассчитана правильно - никакого "затухания" не будет. Что вообще вы называете "затуханием" цифрового сигнала?Василий Владимирович писал(а):неправда, если бы это было так, люди бы не рисковали своими платами , выкидывая с них опторазвязки вообще.
О каких людях мы говорим? О каком риске? О каком выкидывании опторазвязок? И как эти три пункта связаны?
Что за оптопары у вас стоят? У драйверов была документация? Там было сказано, до каких частот драйвер должен воспринимать сигнал?Василий Владимирович писал(а):пишут что часто они плохо работают на микрошаге 1/16 или же 1/8 и 1/16, так как при возрастании микрошага повышается частота, походу не справляются оптопары, (они не самые быстрые стоят)
NCStudio выдает максимум 47 кГц. Не справиться с такой низкой частотой могут только самые дешевые оптопары, вроде PC817.
Так там, видимо, и подтягивающие резисторы на выходе другого номинала. А может быть блоки опторазвязки рассчитаны на разные рабочие частоты. В любом случае не вижу причин для беспокойства.Василий Владимирович писал(а):Плюс, я разобрал сегодня драйвер посерьезнее и обнаружил, что там при тех же оптопарах, стоят резисторы меньшие по номиналу - 270 ом. То есть в оптопаре "световой элемент", получая больше энергии - излучает ярче!
Если сомневаетесь в компетентности инженеров - открываете документацию на оптопары и проверяете, что они там напроектировали.
