Защита от помех, заземление и экранирование

Контроллеры, драйверы, датчики, управляющие устройства.
Аватара пользователя
Udjin
Мастер
Сообщения: 2121
Зарегистрирован: 21 авг 2014, 05:55
Репутация: 1248
Настоящее имя: Евгений
Откуда: Приморский край, город Находка.
Контактная информация:

Re: Защита от помех, заземление и экранирование

Сообщение Udjin »

Я дал линк на ПЭУ. Не нужно отсебятины.

PS
Квартирные щитки .. хм.
Интересненько, а они в чьей зоне ответсnвенности?

PPS
Трактар нада.
Электрика нада. Дабы не было ..
Проект "Абсент".
Проект "Бумер".
Проект "Плексар".
Проект "Пропеллер".
Про мои станки есть тут.
Аватара пользователя
ScrewDriver
Мастер
Сообщения: 1942
Зарегистрирован: 06 сен 2016, 01:44
Репутация: 498
Настоящее имя: Василий
Откуда: Москва
Контактная информация:

Re: Защита от помех, заземление и экранирование

Сообщение ScrewDriver »

Можно еще вот так:
https://www.youtube.com/watch?v=TI4ebMzIkQc
Промышленная автоматика, ПЛК, приводы, SCADA системы
Мой Ютуб канал.
Enot_1
Мастер
Сообщения: 1359
Зарегистрирован: 28 апр 2015, 00:12
Репутация: 242
Настоящее имя: Arkadiy
Откуда: Краснодар
Контактная информация:

Re: Защита от помех, заземление и экранирование

Сообщение Enot_1 »

Зануление без заземления - запрещено.
Аватара пользователя
Serg
Мастер
Сообщения: 21923
Зарегистрирован: 17 апр 2012, 14:58
Репутация: 5183
Заслуга: c781c134843e0c1a3de9
Настоящее имя: Сергей
Откуда: Москва
Контактная информация:

Re: Защита от помех, заземление и экранирование

Сообщение Serg »

Udjin писал(а):Я дал линк на ПЭУ. Не нужно отсебятины.
ПУЭ надо тоже с умом читать... :)

Вот в таком случае будете с ПУЭ судится?..
e.png (5595 просмотров) <a class='original' href='./download/file.php?id=139682&sid=12d7e2403afd5ad626f1cdbd31cf096b&mode=view' target=_blank>Загрузить оригинал (14.85 КБ)</a>
Я не Христос, рыбу не раздаю, но могу научить, как сделать удочку...
Аватара пользователя
Udjin
Мастер
Сообщения: 2121
Зарегистрирован: 21 авг 2014, 05:55
Репутация: 1248
Настоящее имя: Евгений
Откуда: Приморский край, город Находка.
Контактная информация:

Re: Защита от помех, заземление и экранирование

Сообщение Udjin »

Enot_1 писал(а):Зануление без заземления - запрещено.
А вас пустят в зону ответственности горэлектросети?
Проект "Абсент".
Проект "Бумер".
Проект "Плексар".
Проект "Пропеллер".
Про мои станки есть тут.
Аватара пользователя
Udjin
Мастер
Сообщения: 2121
Зарегистрирован: 21 авг 2014, 05:55
Репутация: 1248
Настоящее имя: Евгений
Откуда: Приморский край, город Находка.
Контактная информация:

Re: Защита от помех, заземление и экранирование

Сообщение Udjin »

Не нужно изобретать. Если бы да кабы.
Вызвали электрика. И всё.
Это его работа, сделать как положено.
Естественно ноли отгорают, если нет ухода.
Но тут уж сами с усами.
Те, кто сооброжают, они и сами всё увидят. Если нет - ЭЛЕКТРИК.
Проект "Абсент".
Проект "Бумер".
Проект "Плексар".
Проект "Пропеллер".
Про мои станки есть тут.
Enot_1
Мастер
Сообщения: 1359
Зарегистрирован: 28 апр 2015, 00:12
Репутация: 242
Настоящее имя: Arkadiy
Откуда: Краснодар
Контактная информация:

Re: Защита от помех, заземление и экранирование

Сообщение Enot_1 »

UAVpilot писал(а):Вот в таком случае будете с ПУЭ судится?..
В пуэ по этому поводу
1.7.132. Не допускается совмещение функций нулевого защитного и нулевого рабочего проводников в цепях однофазного и постоянного тока. В качестве нулевого защитного проводника в таких цепях должен быть предусмотрен отдельный третий проводник.
Enot_1
Мастер
Сообщения: 1359
Зарегистрирован: 28 апр 2015, 00:12
Репутация: 242
Настоящее имя: Arkadiy
Откуда: Краснодар
Контактная информация:

Re: Защита от помех, заземление и экранирование

Сообщение Enot_1 »

NorNik писал(а):Ааа нет в щитке заземления только ноль и фаза.
Занулять в таком случае нельзя. Ищите заземление.
NorNik
Кандидат
Сообщения: 74
Зарегистрирован: 21 фев 2018, 08:09
Репутация: 27
Настоящее имя: Игорь
Откуда: 69 парралель
Контактная информация:

Re: Защита от помех, заземление и экранирование

Сообщение NorNik »

Enot_1 писал(а):
NorNik писал(а):Ааа нет в щитке заземления только ноль и фаза.
Занулять в таком случае нельзя. Ищите заземление.
Да хрен я буду его искать, так как его все равно нет. Всем спасибо,забью пока на заземление. Провода все закатаю в медную оплетку, появится возможность заземлиться-заземлюсь.
Malyarka74
Мастер
Сообщения: 695
Зарегистрирован: 20 май 2017, 13:39
Репутация: 158
Настоящее имя: Сергей
Контактная информация:

Re: Защита от помех, заземление и экранирование

Сообщение Malyarka74 »

Enot_1 писал(а):
NorNik писал(а):Ааа нет в щитке заземления только ноль и фаза.
Занулять в таком случае нельзя. Ищите заземление.
в старых домах его нет. если придет электрик, то он посадит его максимум на корпус (который подцеплн к нулю). правильно выше пишут. посмотрите на многоэтажки, в которых электроплиты, там одна розетка на плиту имеет три провода. и эта земля в щитке все равно с нулем будет объеденина. дома 80х-90х годов постройки.
Аватара пользователя
donvictorio
Мастер
Сообщения: 2458
Зарегистрирован: 11 окт 2012, 16:26
Репутация: 683
Настоящее имя: Виктор
Откуда: Санкт-Петербург
Контактная информация:

Re: Защита от помех, заземление и экранирование

Сообщение donvictorio »

Вопросик.
на портальном фрезере от каждого движка и шпинделя к драйверам и инвертору в шкафу приходят заземляющие провода (4-я жила в кабеле питания двигателей). драйверы и инвертор сидят на металлическом основании. оно подключено к заземляющему проводу.
параллельно все движущиеся части станка(ось Z, суппорт, балка портала и стол) тоже связаны между собой отдельным заземляющим проводом, который тоже подключен к корпусу шкафа. получаются замкнутые петли заземления. но эти части и так электрически соединены меду собой через подшипники-винты и тд.
оставить этот отдельный провод заземления или убрать его? может ли он как-то негативно повлиять на гальванические процессы в частях станка?
Аватара пользователя
N1X
Мастер
Сообщения: 3653
Зарегистрирован: 16 фев 2015, 21:19
Репутация: 1646
Настоящее имя: Владимир
Откуда: Беларусь, Гомель
Контактная информация:

Re: Защита от помех, заземление и экранирование

Сообщение N1X »

donvictorio писал(а):но эти части и так электрически соединены меду собой через подшипники-винты и тд.
оставить этот отдельный провод
Именно для того этот отдельный провод и нужен, чтобы электроэрозия не съела подшипники, т.к. с корпуса движков могут стекать ёмкостные токи...
Аватара пользователя
AymoZotto
Новичок
Сообщения: 35
Зарегистрирован: 29 мар 2018, 12:53
Репутация: 3
Настоящее имя: Алексей
Контактная информация:

Re: Защита от помех, заземление и экранирование

Сообщение AymoZotto »

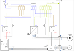
Собственно я уже размещал пример схемы, которую я разрабатываю для своего станка. С учетом доработок в упрощенном виде она представлена ниже.
Вход обычный 220В. Реальной земли нет.
Три преобразователя: ПЧ, DC 24В, DC 48В.
Входные GND разъемы преобразователей подключены к земляным клеммникам. Эти клеммники через DIN рейку контактируют с корпусом шкафа.
Сигнальные кабеля экранированы и экраны подключены к соотв. разъемам GND на контроллере и драйвере.
Силовой кабель ПЧ экранирован и экран подключены к соотв. разъему GND ПЧ.

Экраны кабелей шпинделя и шагового мотора снаружи шкафа через разъемы соединены с корпусом шкафа.

Мне на этом форуме посоветовали объединить "минусы" преобразователей DC 24В и DC 48В.

Вопрос - Куда подсоединять объединенный "минус" (который на контроллере рассматривается как GND) ?
Вложения
gnd_schem1.png (5097 просмотров) <a class='original' href='./download/file.php?id=152341&sid=12d7e2403afd5ad626f1cdbd31cf096b&mode=view' target=_blank>Загрузить оригинал (56.75 КБ)</a>
Аватара пользователя
N1X
Мастер
Сообщения: 3653
Зарегистрирован: 16 фев 2015, 21:19
Репутация: 1646
Настоящее имя: Владимир
Откуда: Беларусь, Гомель
Контактная информация:

Re: Защита от помех, заземление и экранирование

Сообщение N1X »

AymoZotto писал(а):Экраны кабелей шпинделя и шагового мотора снаружи шкафа через разъемы соединены с корпусом шкафа.
Не верно, должны быть соединены с землей своего преобразователя. Правило простое - все, что через паразитные емкости из частотника через обмотки утекло в экран, должно вернуться в частотник кратчайшим путем без лишних земляных петель...
Аватара пользователя
AymoZotto
Новичок
Сообщения: 35
Зарегистрирован: 29 мар 2018, 12:53
Репутация: 3
Настоящее имя: Алексей
Контактная информация:

Re: Защита от помех, заземление и экранирование

Сообщение AymoZotto »

N1X писал(а):Не верно, должны быть соединены с землей своего преобразователя. Правило простое - все, что через паразитные емкости из частотника через обмотки утекло в экран, должно вернуться в частотник кратчайшим путем без лишних земляных петель...
Спасибо, это тоже будет учтено.

Вопрос был про то куда "посадить" общий минус выходов блоков питания 24В и 48В при отсутствии реальной земли.
Аватара пользователя
donvictorio
Мастер
Сообщения: 2458
Зарегистрирован: 11 окт 2012, 16:26
Репутация: 683
Настоящее имя: Виктор
Откуда: Санкт-Петербург
Контактная информация:

Re: Защита от помех, заземление и экранирование

Сообщение donvictorio »

AymoZotto писал(а):Вопрос был про то куда "посадить" общий минус выходов блоков питания 24В и 48В при отсутствии реальной земли.
обычно делают ёмкостную развязку, но без подключения провода заземления. псевдоземля типа или что-то такое.
Вложения
zazeml1[1].gif
zazeml1[1].gif (7.89 КБ) 5043 просмотра
lkbyysq
Мастер
Сообщения: 2284
Зарегистрирован: 14 май 2016, 09:40
Репутация: 346
Настоящее имя: Станислав Ерофеев
Откуда: Санкт-Петербург

Re: Защита от помех, заземление и экранирование

Сообщение lkbyysq »

После чего пацанов щиплет, а девки пищат.
Аватара пользователя
AymoZotto
Новичок
Сообщения: 35
Зарегистрирован: 29 мар 2018, 12:53
Репутация: 3
Настоящее имя: Алексей
Контактная информация:

Re: Защита от помех, заземление и экранирование

Сообщение AymoZotto »

donvictorio писал(а):обычно делают ёмкостную развязку, но без подключения провода заземления. псевдоземля типа или что-то такое.
Емкостная на приведенной схеме делается с землей, а её то и нет.

В общем после чтения рекомендаций некоторое резюме...

Выходные минусы БП 24В и 48В каждый отдельным проводом соединять с общей землей (те корпусом шкафа) через резистор 2..10 Ом.
Аватара пользователя
AymoZotto
Новичок
Сообщения: 35
Зарегистрирован: 29 мар 2018, 12:53
Репутация: 3
Настоящее имя: Алексей
Контактная информация:

Re: Защита от помех, заземление и экранирование

Сообщение AymoZotto »

Какого номинала и на какую мощность взять резисторы ? Или из каких соображений посчитать?
Вложения
gnd_schem2.png (5002 просмотра) <a class='original' href='./download/file.php?id=152436&sid=12d7e2403afd5ad626f1cdbd31cf096b&mode=view' target=_blank>Загрузить оригинал (58.62 КБ)</a>
Аватара пользователя
Serg
Мастер
Сообщения: 21923
Зарегистрирован: 17 апр 2012, 14:58
Репутация: 5183
Заслуга: c781c134843e0c1a3de9
Настоящее имя: Сергей
Откуда: Москва
Контактная информация:

Re: Защита от помех, заземление и экранирование

Сообщение Serg »

AymoZotto писал(а):Вопрос был про то куда "посадить" общий минус выходов блоков питания 24В и 48В при отсутствии реальной земли.
Можно например взять какую-нибудь клеммную колодку, обозвать её "общий минус" и подключить к ней.
Подключать её к корпусу шкафа и/или к планете совершенно не обязательно.
AymoZotto писал(а):Выходные минусы БП 24В и 48В каждый отдельным проводом соединять с общей землей (те корпусом шкафа) через резистор 2..10 Ом.
А вот резисторы тут точно лишние. Хотя если есть желание геройски побороться с помехами и глюками, то можно и оставить. :)
Я не Христос, рыбу не раздаю, но могу научить, как сделать удочку...
Ответить

Вернуться в «Электроника»