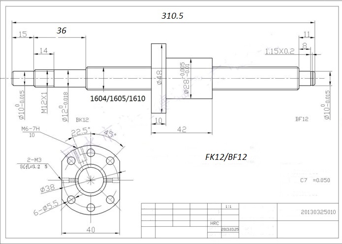
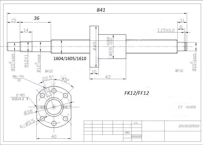
Вот и разница в TBI винте с заводской разделкой за 75$ без доставки и неизвестно чейного винта за 23$ с доставкой. И не только в разделке будет разница.sima8520 писал(а):После замера вала (10,2 мм) я понял почему у меня не получалось одеть подшипник, и вот эти две десятки я наждачкой и стачивал.
Хотите пилить напильником - берите все самое дешевое. На вид ничем вроде не отличается. Хотя и вид совсем другой.
