Страница 38 из 40
Re: Переделка фрезера по дереву (рабочее поле 2500х1250мм)
Добавлено: 29 дек 2020, 15:41
Hugo
Подскажите ответ на пустяковый вопрос для разбирающихся в электрике.
Боюсь чего напутать...
У меня в гараже 3-х фазное напряжение 220в. Т.е. из кабеля выходит ФАЗА 1-2-3 Нейтраль и Земля (5 жил)
На (фото) подключение драйвера к сети есть, но там обозначены R S T - как я понял - это фазы...
вопрос:
- Есть ли разница, какая из них R какая S а какая T? или это без разницы? т.е. если их (фазы) перепутать местами (так как я низнаю как определить наименование фаз) не может ли драйвер сгореть?
- Нейтраль надо ли куда подключать? Я ранее подключал (брал ток 220в) всегда между фазой и нейтралью... тут на схеме я не вижу, чтоб нейтраль была запитана
- Землю надо подключать на драйвер из питающего 3-фазного кабеля?
Вот такие нубские вопросы меня тревожат...
Re: Переделка фрезера по дереву (рабочее поле 2500х1250мм)
Добавлено: 29 дек 2020, 16:28
Umnik
Если у тебя между фазой и нулем 220в, то тебе нужна ноль и фаза как раз.
Подключаются они к двум контактам, по моему R и S, почитай ещё мануал на сервопак, там это точно прописано.
Re: Переделка фрезера по дереву (рабочее поле 2500х1250мм)
Добавлено: 29 дек 2020, 16:49
Serg
Hugo писал(а): ↑
Есть ли разница, какая из них R какая S а какая T? или это без разницы? т.е. если их (фазы) перепутать местами (так как я низнаю как определить наименование фаз) не может ли драйвер сгореть?
Для питания этого серводрайвера не важно.
Hugo писал(а): ↑
Нейтраль надо ли куда подключать? Я ранее подключал (брал ток 220в) всегда между фазой и нейтралью... тут на схеме я не вижу, чтоб нейтраль была запитана
Нет.
Hugo писал(а): ↑
Землю надо подключать на драйвер из питающего 3-фазного кабеля?
Надо. Земля из кабеля (PE) должна приходить на специальную шину в шкафу, на неё-же подключать "земли" других устройств и все железки шкафа и станка.
Re: Переделка фрезера по дереву (рабочее поле 2500х1250мм)
Добавлено: 29 дек 2020, 17:31
Hugo
Umnik писал(а): ↑29 дек 2020, 16:28
Если у тебя между фазой и нулем 220в, то тебе нужна ноль и фаза как раз.
Подключаются они к двум контактам, по моему R и S, почитай ещё мануал на сервопак, там это точно прописано.
Спасибо, что помогаете!
Фото, что выставлял выше, это и есть с инструкции от драйвера... там на рисунке нарисовано что брать напряжение с двух фаз... R и S, То есть если записываешь servopack от трех фаз, питание управляющий части драйвера берётся с двух фаз...
Может получится аналогичное соединение? между нулем и фазой получается - 220 вольт, и между двумя фазами тоже будет 220 Вольт? Может в этом смысл?
Re: Переделка фрезера по дереву (рабочее поле 2500х1250мм)
Добавлено: 29 дек 2020, 18:05
Umnik
Я не знаю, как у тебя в стране организовано, в России межфазное 380 в.
Между фазой и нулем соответственно 220.
Сервопак подключается к трем фазам с межфазным 220,либо к одной фазе и нулю, если межфазное 380.
Так что нейтраль нужна, по крайней мере в РФ.
Земля тоже конечно, если по хорошему делать.
Плохо читаешь)
Говорю ж, ещё раз открывай и смотри....)
Re: Переделка фрезера по дереву (рабочее поле 2500х1250мм)
Добавлено: 29 дек 2020, 20:25
Hugo
Umnik писал(а): ↑29 дек 2020, 18:05
Я не знаю, как у тебя в стране организовано, в России межфазное 380 в.
Между фазой и нулем соответственно 220.
Сервопак подключается к трем фазам с межфазным 220,либо к одной фазе и нулю, если межфазное 380.
Так что нейтраль нужна, по крайней мере в РФ.
Земля тоже конечно, если по хорошему делать.
Плохо читаешь)
Говорю ж, ещё раз открывай и смотри....)
Спасибо,
пошел измерил, между Нулем и Фазой = 220вольт, между любыми фазами = 380вольт
Я это читал, но не до конца понял (
при 3-х фазном питании 220в, использовать клеммы R S T), т.е. я так прочитал, т.к. у меня в гараже есть 3-х фазное, надо подключать 3-фазным подключением, а теперь вышло, что надо всё-таки запитывать с одной фазы и нуля, получив 220в, а если-бы запитать с R S T, то сервопак бы поджарился от 380в...
Может, это для тех, у кого в розетке 110вольт и между фазами он получит необходимые 220в?
Про заземление кабелей тоже написано, что оплетку тоже необходимо заземлить... только кабелей есть 4 шт: питание 220в, от сервопака до компа, от сервопака до энкодера мотора, от сервопака до мотора..., который надо заземлить? все?
Кабеля на мотор, которые в комплекте, - в изоляции и разъёмами, надо изоляцию снимать с кабелей для заземления?
Ты заземлял кабеля?
Re: Переделка фрезера по дереву (рабочее поле 2500х1250мм)
Добавлено: 29 дек 2020, 21:24
Umnik
Да, это для других стран сделано, где межфазное 220, у тебя выходит нужно к фазе и нулю подключать.
Обрати внимание, что на сервопаке отдельные клеммы для питания мозгов и для питания силовой части есть.
Кабели лучше экранированные конечно брать, как минимум энкодерный кабель и тот, который к разъёму cn1 паять будешь.
Энкодерный если у тебя оригинальный, то он уже правильный - с экраном идёт.
Re: Переделка фрезера по дереву (рабочее поле 2500х1250мм)
Добавлено: 29 дек 2020, 23:08
Hugo
JOG работает, привод крутится через управление сервопаком. Спасибо, за помощь, силовые цепи в порядке!
Будем копать далее.
Теперь надо познакомить сервопак с платой опторазвязки. Там, как я глянул, более 5 схем подключения... Ты какую схему выбрал для подключения? C4-1 или C4-2?
У меня плата ESS Smoothstepper 4MHz на MACH3 - я на ней тестирую, потом будет в гараже пахать на UCCNC 400kHz
Re: Переделка фрезера по дереву (рабочее поле 2500х1250мм)
Добавлено: 29 дек 2020, 23:19
Umnik
Если контроллер выдает нормальную частоту, то надо подключать на высокоскоростной вход, схема с4-2.
Re: Переделка фрезера по дереву (рабочее поле 2500х1250мм)
Добавлено: 29 дек 2020, 23:33
Hugo
Umnik писал(а): ↑29 дек 2020, 23:19
Если контроллер выдает нормальную частоту, то надо подключать на высокоскоростной вход, схема с4-2.
А ты на какую схему запитал свои сервопаки?
Re: Переделка фрезера по дереву (рабочее поле 2500х1250мм)
Добавлено: 30 дек 2020, 01:49
Umnik
на этот вход и подключил, тут как бы больше вариантов нет, если нужна нормальная частота по степ-диру.
Re: Переделка фрезера по дереву (рабочее поле 2500х1250мм)
Добавлено: 30 дек 2020, 11:01
NikolayUa24
Hugo писал(а): ↑
потом будет в гараже пахать на UCCNC 400kHz
400 kHz

у тебя по Z остался гибрид (Pulse input frequency Max 200 kHz)
Re: Переделка фрезера по дереву (рабочее поле 2500х1250мм)
Добавлено: 30 дек 2020, 11:48
Hugo
NikolayUa24 писал(а): ↑30 дек 2020, 11:01
Hugo писал(а): ↑
потом будет в гараже пахать на UCCNC 400kHz
400 kHz

у тебя по Z остался гибрид (Pulse input frequency Max 200 kHz)
Да уж, а я и не подумал... одно за другое цепляется...
200 kHz это сколько максимально импульсов может выдавать контроллер? Мне нужно будет тогда на сервопаке дигитальную редукцию править...
Может как-то можно, ось Z повесить на другой дешёвый контроллер на другой порт?
Как-то можно с тюнинговать эту проблему? То есть ось X и ось Y на одном контроллере, а ось Z на другом контроллере с 200khz?
Re: Переделка фрезера по дереву (рабочее поле 2500х1250мм)
Добавлено: 30 дек 2020, 12:40
NikolayUa24
Hugo писал(а): ↑
Как-то можно с тюнинговать эту проблему?
Да. Докупить DELTA B2

Re: Переделка фрезера по дереву (рабочее поле 2500х1250мм)
Добавлено: 30 дек 2020, 15:20
niksooon
идея со вторым контроллером несколько обескураживает ,но интересно было-б глянуть на результат..........
Re: Переделка фрезера по дереву (рабочее поле 2500х1250мм)
Добавлено: 30 дек 2020, 16:13
Hugo
У меня на контроллере 3 или 5 LPT портов (по памяти), и есть дешевая китайская плата, может ось Z туда запитать... т.е. 1 скоростная и вторая медленна...

)
Re: Переделка фрезера по дереву (рабочее поле 2500х1250мм)
Добавлено: 30 дек 2020, 16:19
sima8520
Продайте гибриды и купите уже все как надо
Re: Переделка фрезера по дереву (рабочее поле 2500х1250мм)
Добавлено: 30 дек 2020, 16:40
niksooon
Пипец как усложняем жисть себе и людям.... что мешает по пресловутой Z задать в контроллере меньшее разрешение позиционирования? какая макс скорость оси Z запланирована или имеющийся шаговик сможет поддерживать ? Исходя из макс скорости и макс поддерживаемой частоте входных сигналов рассчитать разрешение позиционирования более чем элементарно.....
Re: Переделка фрезера по дереву (рабочее поле 2500х1250мм)
Добавлено: 30 дек 2020, 17:11
NikolayUa24
Hugo писал(а): ↑
У меня на контроллере 3 или 5 LPT портов - 1 скоростная и вторая медленна
2-3 output, 1,4,5 input. В ПО нету такой возможности как распределения частоты по портам.
Re: Переделка фрезера по дереву (рабочее поле 2500х1250мм)
Добавлено: 30 дек 2020, 22:00
Hugo
Umnik писал(а): ↑30 дек 2020, 01:49
на этот вход и подключил, тут как бы больше вариантов нет, если нужна нормальная частота по степ-диру.
Т. к. у меня 1 серво-шаговый на оси Z пока остается, то максимально могу дать с контроллера частоту 200kHz, поэтому пока скоростное подключение отменяется (если будут норм работать Delta B2, то может возьму на ось Z тоже такой привод, только с тормозом, а пока пусть будет серво-шаговый 4,5Нм скоростной с малой индукцией)
Подскажи, какой вариант подключения теперь выбрать? Термины некоторые мена вводят в ступор... типа таких: "подключение с открытым коллектором"...

и какую схему выбрать, чтоб не спалить все к чертям...
И еще пару вопросов,
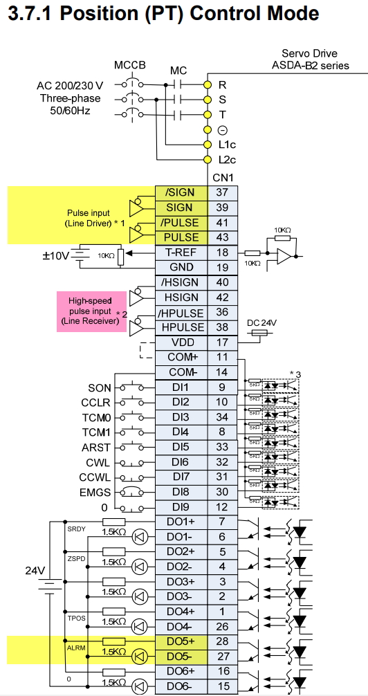
У меня на плате опторазвязки для ESS SmothStepper, указано подключение и шагового драйвера и китайского сервопривода, а именно, куда + (плюс) подключать, а куда - (минус), тоже и с алармом... все понятно (2 фото приложил)
А в инструкции к DELTA, не написано куда подключать DIR+ а куда DIR- и тоже с Pull + Pull-, т.е. куда + и - на какие клеммы запитывать (на фото выделил желтым)?
Еще в инструкции к DELTA, обозначено PULSE - это наверное DIR, а SIGN - это наверное Pull?