Я джойстик не собираюсь делать пока что, хватит 4 кнопки. Если уж делать пульт - то крутой на 7i73
В общем все равно хватает пинов.
Если мало будет - добавить 7i69, это еще 48 входов/выходов


у меня идут 5и25 7и76 7и77PKM писал(а):Если мало будет - добавить 7i69, это еще 48 входов/выходов

Может Modbus + Arduino прикрутить . Тогда пины не потребуются и шифр готов уже.PKM писал(а):Да, многовато на револьверку нужно, в принципе можно шифровать и расшифровывать сигналы


Niiiiiick!!!! тут такая гламурная тема с кропоШками\светиками нарисоваласьaftaev писал(а):Вот как к ЕМС прикрутить

и цена Ардуины 24$ против МесыNightV писал(а):ахтунг! это все попрёт через Ладер


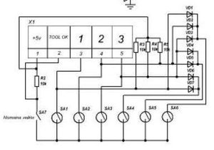
Хватит и 6 пинов на всё управление револьверкой- я такое реализовал на ладдере и МЕСА 7i43. Надо только добавить простой 3-битовый шифратор на диодах (можно и на логике- я сделал на диодах чтобы проверить идею). Работает. Наиду свою дипломку покажу и схему и ладдеровский код.aftaev писал(а):PKM, ты не прикидывал 7и77 или 7и76 на товкрник хватит или нужно 2 платы?
Только на управление револьверной головы нужно:
6 датчиков позиция инструмента
2 датчика зажат/отжат инструмент
2 управление мотором (влево/вправо)
Как вариант всю логику для револьверной сделать на Ардуине.
Ардуине ЕМС посылает команды
№ инструмента - 3 пина
сменить инструмент - 1 пин
выходной ошибка смены - 1 пин.

на авторынке купил, используются в КАМАЗах, а так же есть в магазинах запчастей для холодильников.john1987887 писал(а):От чего трубочки и где их взять?


даже не знал что такие существуютaftaev писал(а):шлейф PCI

http://www.ebay.com/itm/181124075651?ss ... 1423.l2649NightV писал(а):даже не знал что такие существуют

