Ввод в эксплуатацию ЧПУ системы на основе контроллера Kflop.

KFlop, KStep, KAnalog, KMotion...

Имеете ли вы контроллер Kflop? :-)

Можно выбрать до 1 варианта ответа

299
37%
164
20%
49
6%
302
37%
 
Всего голосов: 814
 

fishman
Кандидат
Сообщения: 83
Зарегистрирован: 14 сен 2015, 22:04
Репутация: 9
Контактная информация:

Re: Ввод в эксплуатацию ЧПУ системы на основе контроллера Kf

Сообщение fishman »

donvictorio писал(а):
Hanter писал(а):вы счас о чем ? я вас не догоняю
есть серводрайвер и серводвигатель, которые управляются по степдир.
с серводрайвера есть выходы энкодера ABZ в дифф виде.
серва может работать с чпу без обратной связи, как шаговый.

что будет (и будет ли это правильно) подключить к кфлоп выходы энкодера с серводрайвера?
Screenshot_6.jpg
Вот вы то всех и запутали!
у меня же изначально было указано что мотор настроен на управление "+10В" , он же "аналог" , он же "управление по скорости", он же "speed control mode"....
Аватара пользователя
donvictorio
Мастер
Сообщения: 2458
Зарегистрирован: 11 окт 2012, 16:26
Репутация: 683
Настоящее имя: Виктор
Откуда: Санкт-Петербург
Контактная информация:

Re: Ввод в эксплуатацию ЧПУ системы на основе контроллера Kf

Сообщение donvictorio »

fishman писал(а):Вот вы то всех и запутали!
у меня же изначально было указано что мотор настроен на управление "+10В" , он же "аналог" , он же "управление по скорости", он же "speed control mode"....
я вообще-то задал вопрос в тему. в ЭТУ ТЕМУ "Ввод в эксплуатацию ЧПУ системы на основе контроллера Kflop."
к вашим вопросам мой вопрос отношения не имеет, почему вы решили что это так?
здесь можно задавать вопросы и иногда на них отвечают.
Аватара пользователя
Hanter
Мастер
Сообщения: 5414
Зарегистрирован: 27 янв 2012, 14:52
Репутация: 4338
Настоящее имя: Алексей
Откуда: Питер
Контактная информация:

Re: Ввод в эксплуатацию ЧПУ системы на основе контроллера Kf

Сообщение Hanter »

Виктор - если кратко - ничего не будет. все будет правильно, и контролер будет нормально и полноценно работать. в этой теме этот вопрос уже обсасывался. более того - есть тема вот тут: http://www.cnc-club.ru/forum/viewtopic. ... B8#p255210 - почитайте на досуге. Полюс как я выше написал - попробуйте сами разобраться в вопросах:
1. что такое протокол "степ-дир". (его особенности)
2. что такое обратная связь. (зачем нужа и какими частями и для чего используется)
3. и что такое "Cloose Loop" по степ-диру. (в мануале кфлопа это хорошо описано)
4. зачем нужен контролер. (основные функции)
Если возникнут конкретные вопросы - ради бога, спрашивайте. Но поймите правильно - в сотый раз разжевывать одно и то же - начинаешь себя чувствовать попугаем... ответите для себя на означенные вопросы - получите ответ на свой вопрос.
Опыт - это когда на смену вопросам: "Что? Где? Когда? Как? Почему?" Приходит единственный вопрос: "Нахрена?"
==========================================
фрезерная и токарная обработка на станках с чпу.
Резка, гибка, сварка и порошковая окраса.
Аватара пользователя
donvictorio
Мастер
Сообщения: 2458
Зарегистрирован: 11 окт 2012, 16:26
Репутация: 683
Настоящее имя: Виктор
Откуда: Санкт-Петербург
Контактная информация:

Re: Ввод в эксплуатацию ЧПУ системы на основе контроллера Kf

Сообщение donvictorio »

мне только 3й пункт нужен был, спасибо, нашёл, есть смысл.
Аватара пользователя
Hanter
Мастер
Сообщения: 5414
Зарегистрирован: 27 янв 2012, 14:52
Репутация: 4338
Настоящее имя: Алексей
Откуда: Питер
Контактная информация:

Re: Ввод в эксплуатацию ЧПУ системы на основе контроллера Kf

Сообщение Hanter »

ну вот видите :) зато для себя разобрались. :)
Опыт - это когда на смену вопросам: "Что? Где? Когда? Как? Почему?" Приходит единственный вопрос: "Нахрена?"
==========================================
фрезерная и токарная обработка на станках с чпу.
Резка, гибка, сварка и порошковая окраса.
fishman
Кандидат
Сообщения: 83
Зарегистрирован: 14 сен 2015, 22:04
Репутация: 9
Контактная информация:

Re: Ввод в эксплуатацию ЧПУ системы на основе контроллера Kf

Сообщение fishman »

Hanter писал(а):аналог взять с каналога, а обратку завести на кфлоп. все будет жить.
а как это прописать в файле конфигурации что бы контроллер понимал что от него хотят?
fishman
Кандидат
Сообщения: 83
Зарегистрирован: 14 сен 2015, 22:04
Репутация: 9
Контактная информация:

Re: Ввод в эксплуатацию ЧПУ системы на основе контроллера Kf

Сообщение fishman »

fishman писал(а):а как это прописать в файле конфигурации что бы контроллер понимал что от него хотят?
Все , проблема решена!
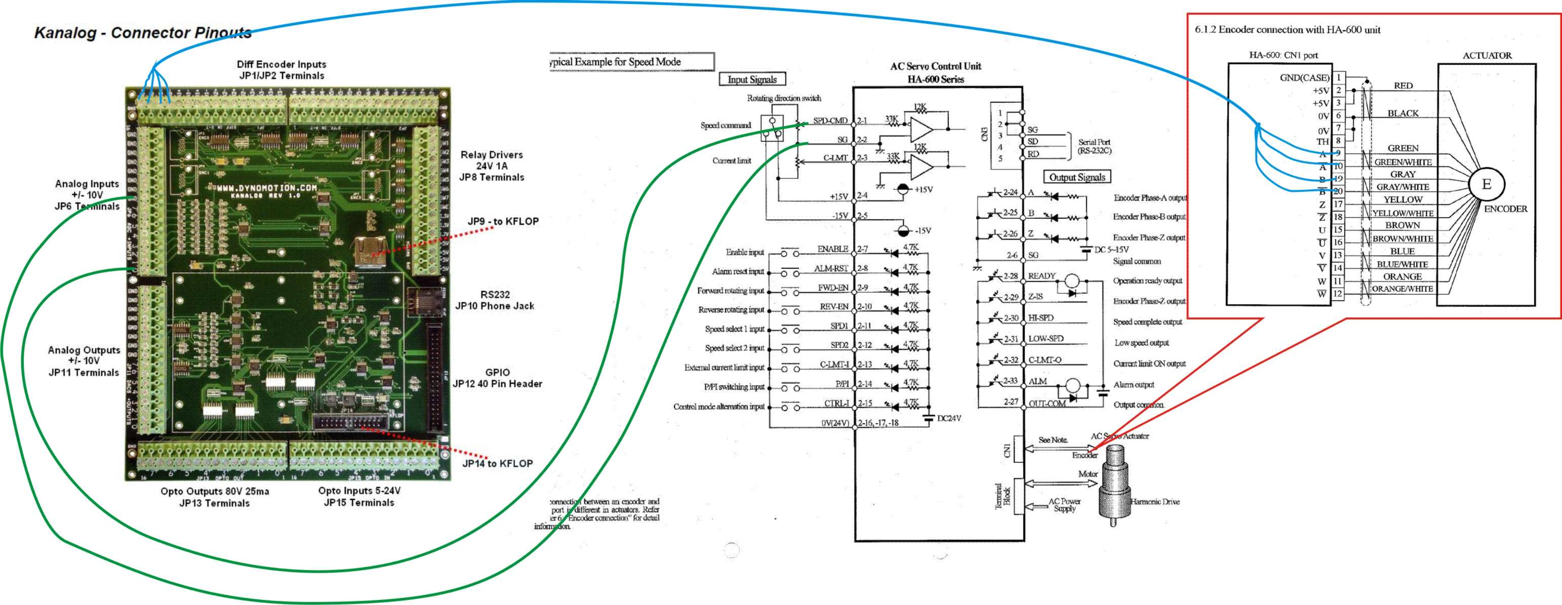
С сервака на усилитель заходит дифф сигнал , а с усилителя выходит уже однополярный...
К каналогу пришлось протянуть сигнал прямо с энкодера и все заработало!!!
Вложения
Рисунок1.jpg (2968 просмотров) <a class='original' href='./download/file.php?id=75312&mode=view' target=_blank>Загрузить оригинал (343.77 КБ)</a>
fishman
Кандидат
Сообщения: 83
Зарегистрирован: 14 сен 2015, 22:04
Репутация: 9
Контактная информация:

Re: Ввод в эксплуатацию ЧПУ системы на основе контроллера Kf

Сообщение fishman »

Еще вопрос :
Каким способом в связке кфлоп+каналог можно сделать чтобы после завершения программы автоматически обнулялась координата.
Аватара пользователя
AlexNikov
Мастер
Сообщения: 1212
Зарегистрирован: 05 янв 2014, 20:09
Репутация: 721
Настоящее имя: Алексей
Откуда: Томск
Контактная информация:

Re: Ввод в эксплуатацию ЧПУ системы на основе контроллера Kf

Сообщение AlexNikov »

fishman писал(а):Еще вопрос :
Каким способом в связке кфлоп+каналог можно сделать чтобы после завершения программы автоматически обнулялась координата.
Окончание выполнения g-кода как у вас означено? M30? Управляете KMotionCNC? Если да, то на М30 повесить СИшный файлик с кодом, как пример можно организовать так:

Код: Выделить всё

#include "KMotionDef.h"

int DoPC(int cmd);
int DoPCInt(int cmd, int i);
#define GATH_OFF 0

main()

//код обнуления координат X,Y,Z

{        
      DoPCFloat(PC_COMM_SET_X,0);
      DoPCFloat(PC_COMM_SET_Y,0);
      DoPCFloat(PC_COMM_SET_Z,0);
}


//далее код ввода данных от DoPCFloat

int SetVars(int varoff, int n, int poff)
{
   persist.UserData[PC_COMM_PERSIST+2] = n;       // number of elements
   persist.UserData[PC_COMM_PERSIST+3] = poff;    // persist offset (doubles)
   return DoPCInt(PC_COMM_SET_VARS,varoff);       // Var index and Cmd
}
int GetVars(int varoff, int n, int poff)
{
   persist.UserData[PC_COMM_PERSIST+2] = n;       // number of elements
   persist.UserData[PC_COMM_PERSIST+3] = poff;    // persist offset (doubles)
   return DoPCInt(PC_COMM_GET_VARS,varoff);       // Var index and Cmd
}

#define GATH_OFF 0  // define the offset into the Gather buffer where strings are passed
// Trigger a message box on the PC to be displayed
// defines for MS Windows message box styles and Operator
// response IDs are defined in the KMotionDef.h file 
int MsgBox(char *s, int Flags)
{
   char *p=(char *)gather_buffer+GATH_OFF*sizeof(int);
   int i;
   
   do // copy to gather buffer w offset 0
   {
      *p++ = *s++;
   }while (s[-1]);
   
   persist.UserData[PC_COMM_PERSIST+2] = Flags;  // set options
   DoPCInt(PC_COMM_MSG,GATH_OFF);
   return persist.UserData[PC_COMM_PERSIST+3];
}
// put the MDI string (Manual Data Input - GCode) in the 
// gather buffer and tell the App where it is
int MDI(char *s)
{
   char *p=(char *)gather_buffer+GATH_OFF*sizeof(int);
   int i;
   
   do // copy to gather buffer w offset 0
   {
      *p++ = *s++;
   }while (s[-1]);
   
   // issue the command an wait till it is complete
   // (or an error - such as busy)
   return DoPCInt(PC_COMM_MDI,GATH_OFF);
}
// Put a Float as a parameter and pass the command to the App
int DoPCFloat(int cmd, float f)
{
   int result;
   persist.UserData[PC_COMM_PERSIST+1] = *(int*)&f;
   return DoPC(cmd);
}
// Put an integer as a parameter and pass the command to the App
int DoPCInt(int cmd, int i)
{
   int result;
   persist.UserData[PC_COMM_PERSIST+1] = i;
   return DoPC(cmd);
}
// Pass a command to the PC and wait for it to handshake
// that it was received by either clearing the command
// or changing it to a negative error code
int DoPC(int cmd)
{
   int result;
   
   persist.UserData[PC_COMM_PERSIST]=cmd;
   
   do
   {
      WaitNextTimeSlice();   
   }while (result=persist.UserData[PC_COMM_PERSIST]>0);
   
   //printf("Result = %d\n",result);
   return result;
}
Должно работать, вечерком смогу проверить точно.
fishman
Кандидат
Сообщения: 83
Зарегистрирован: 14 сен 2015, 22:04
Репутация: 9
Контактная информация:

Re: Ввод в эксплуатацию ЧПУ системы на основе контроллера Kf

Сообщение fishman »

AlexNikov писал(а):Должно работать, вечерком смогу проверить точно.
Проверено!! Работает
putnik
Опытный
Сообщения: 173
Зарегистрирован: 07 апр 2015, 16:31
Репутация: 5
Настоящее имя: Батыр
Контактная информация:

Re: Ввод в эксплуатацию ЧПУ системы на основе контроллера Kf

Сообщение putnik »

подскажите как обстоят дела у данного контроллера, с продолжением работы после отключении электричества?
Аватара пользователя
Hanter
Мастер
Сообщения: 5414
Зарегистрирован: 27 янв 2012, 14:52
Репутация: 4338
Настоящее имя: Алексей
Откуда: Питер
Контактная информация:

Re: Ввод в эксплуатацию ЧПУ системы на основе контроллера Kf

Сообщение Hanter »

хреново.... данный контролер не умеет работать после отключения электричества...
Опыт - это когда на смену вопросам: "Что? Где? Когда? Как? Почему?" Приходит единственный вопрос: "Нахрена?"
==========================================
фрезерная и токарная обработка на станках с чпу.
Резка, гибка, сварка и порошковая окраса.
putnik
Опытный
Сообщения: 173
Зарегистрирован: 07 апр 2015, 16:31
Репутация: 5
Настоящее имя: Батыр
Контактная информация:

Re: Ввод в эксплуатацию ЧПУ системы на основе контроллера Kf

Сообщение putnik »

Hanter писал(а):хреново.... данный контролер не умеет работать после отключения электричества...
Мда, сам под стол упал, после прочтения своего вопроса, я хотел спросить про восстановление после сбоя сети,
Аватара пользователя
Hanter
Мастер
Сообщения: 5414
Зарегистрирован: 27 янв 2012, 14:52
Репутация: 4338
Настоящее имя: Алексей
Откуда: Питер
Контактная информация:

Re: Ввод в эксплуатацию ЧПУ системы на основе контроллера Kf

Сообщение Hanter »

если про сохранение координат - не помнит. и смысла не вижу. ибо сдвиг хотя бы одной из осей при отключенном питании - по инерции, по неосторожности, под собственным весом и тд и тп гарантирует геморой при включении. хомиться по новый.. без вариантов.
Опыт - это когда на смену вопросам: "Что? Где? Когда? Как? Почему?" Приходит единственный вопрос: "Нахрена?"
==========================================
фрезерная и токарная обработка на станках с чпу.
Резка, гибка, сварка и порошковая окраса.
putnik
Опытный
Сообщения: 173
Зарегистрирован: 07 апр 2015, 16:31
Репутация: 5
Настоящее имя: Батыр
Контактная информация:

Re: Ввод в эксплуатацию ЧПУ системы на основе контроллера Kf

Сообщение putnik »

Hanter писал(а):хомиться по новый.. без вариантов.
у меня на станке DSP A18, после сбоя с начало отправляешь домой, потом он спрашивает продолжения работы, даёшь согласие, едет продолжать с того же места,
Аватара пользователя
ukr-sasha
Мастер
Сообщения: 3401
Зарегистрирован: 21 мар 2011, 07:47
Репутация: 2181
Настоящее имя: Украинец Александр Григорьевич
Откуда: Киев, Украина
Контактная информация:

Re: Ввод в эксплуатацию ЧПУ системы на основе контроллера Kf

Сообщение ukr-sasha »

putnik писал(а):у меня на станке DSP A18, после сбоя с начало отправляешь домой, потом он спрашивает продолжения работы, даёшь согласие, едет продолжать с того же места,
Допишите Си-файл, и тут будет. :-)
putnik
Опытный
Сообщения: 173
Зарегистрирован: 07 апр 2015, 16:31
Репутация: 5
Настоящее имя: Батыр
Контактная информация:

Re: Ввод в эксплуатацию ЧПУ системы на основе контроллера Kf

Сообщение putnik »

я так не умею, да и не важный это момент для меня, спросил чтоб знать,
Аватара пользователя
passer-by
Кандидат
Сообщения: 74
Зарегистрирован: 18 мар 2012, 14:16
Репутация: 0
Контактная информация:

Re: Ввод в эксплуатацию ЧПУ системы на основе контроллера Kf

Сообщение passer-by »

Возможно переназначить биты для home, работает только на прописаных в руководстве, а они заняты под двигатели, тоже самое касается лимитов.
Дмитро
Почётный участник
Почётный участник
Сообщения: 1060
Зарегистрирован: 14 сен 2013, 01:20
Репутация: 1139
Настоящее имя: Дмитрий
Откуда: Киев

Re: Ввод в эксплуатацию ЧПУ системы на основе контроллера Kf

Сообщение Дмитро »

passer-by писал(а):Возможно переназначить биты для home
Возможно.
Аватара пользователя
passer-by
Кандидат
Сообщения: 74
Зарегистрирован: 18 мар 2012, 14:16
Репутация: 0
Контактная информация:

Re: Ввод в эксплуатацию ЧПУ системы на основе контроллера Kf

Сообщение passer-by »

Образец кода не могли бы привести, если не затруднит.
Ответить

Вернуться в «KFlop»