Посоветуйте/покритикуйте по шкафу станка ЧПУ
-
Александр_
- Мастер
- Сообщения: 1743
- Зарегистрирован: 24 дек 2013, 17:47
- Репутация: 122
- Контактная информация:
Re: Посоветуйте/покритикуйте по шкафу станка ЧПУ
реле по 500р/шт стоит взять?
и как думаете - по трансформатору на тормоз какой лучше? тот, что в теории выдаст около 96В и потом чуть душить диодами или тот, что без нагрузки даст 89,5В постоянки? Расчетное напряжение на тормозе 90В DC, но я без понятия какая там "вилка" на срабатывание.
и как думаете - по трансформатору на тормоз какой лучше? тот, что в теории выдаст около 96В и потом чуть душить диодами или тот, что без нагрузки даст 89,5В постоянки? Расчетное напряжение на тормозе 90В DC, но я без понятия какая там "вилка" на срабатывание.
Заходите в гости: www.pandicon.net www.graver36.ru
- ukr-sasha
- Мастер
- Сообщения: 3401
- Зарегистрирован: 21 мар 2011, 07:47
- Репутация: 2181
- Настоящее имя: Украинец Александр Григорьевич
- Откуда: Киев, Украина
- Контактная информация:
Re: Посоветуйте/покритикуйте по шкафу станка ЧПУ
Александр, продумайте схему, а затем закупку начинайте.
Давайте свои варианты на рассмотрение.
Давайте свои варианты на рассмотрение.
Уверен ,что будут и тот и тот работать.Александр_ писал(а):и как думаете - по трансформатору на тормоз какой лучше? тот, что в теории выдаст около 96В и потом чуть душить диодами или тот, что без нагрузки даст 89,5В постоянки? Расчетное напряжение на тормозе 90В DC, но я без понятия какая там "вилка" на срабатывание.
-
Александр_
- Мастер
- Сообщения: 1743
- Зарегистрирован: 24 дек 2013, 17:47
- Репутация: 122
- Контактная информация:
Re: Посоветуйте/покритикуйте по шкафу станка ЧПУ
по блоку питания для тормоза:
тот транс, что на авито оказался ЕЭ4.700.592. Первичка 220В, вторичка - две по 30В со средней точкой.
Видимо, 32В выдает без нагрузки. получается, не очень подходит? под нагрузкой может просесть до 84 постоянки. маловато?
тот транс, что на авито оказался ЕЭ4.700.592. Первичка 220В, вторичка - две по 30В со средней точкой.
Видимо, 32В выдает без нагрузки. получается, не очень подходит? под нагрузкой может просесть до 84 постоянки. маловато?
Заходите в гости: www.pandicon.net www.graver36.ru
- Hanter
- Мастер
- Сообщения: 5414
- Зарегистрирован: 27 янв 2012, 14:52
- Репутация: 4338
- Настоящее имя: Алексей
- Откуда: Питер
- Контактная информация:
Re: Посоветуйте/покритикуйте по шкафу станка ЧПУ
да думаю нормально будет жить... 6 вольт погоды не сделают...
Опыт - это когда на смену вопросам: "Что? Где? Когда? Как? Почему?" Приходит единственный вопрос: "Нахрена?"
==========================================
фрезерная и токарная обработка на станках с чпу.
Резка, гибка, сварка и порошковая окраса.
==========================================
фрезерная и токарная обработка на станках с чпу.
Резка, гибка, сварка и порошковая окраса.
-
Александр_
- Мастер
- Сообщения: 1743
- Зарегистрирован: 24 дек 2013, 17:47
- Репутация: 122
- Контактная информация:
Re: Посоветуйте/покритикуйте по шкафу станка ЧПУ
по-моему, перепутал темы и часть своего сюда http://www.cnc-club.ru/forum/viewtopic. ... &start=120 написал.
так что продолжу дальше здесь, чтобы не засорять.
по поводу плотности компоновки соглашусь - да, плотно. Но, конечно, не из моей склонности ковыряться в проводах в ограниченном пространстве, а все исходя из размеров шкафа. есть большое желание использовать родной электрошкаф и не городить лишнего, тем более, что почти все влезает.
по нагреву советы получились разнонаправленные: сначала отсоветовали ставить кулеры, а теперь пугаете ошибкой по перегреву.
кстати, посмотрел еще раз мануал - схему монтажа не нарушаю. там пишут, что интервал между сервопаками можно 1см делать. с кулерами, естественно.
а по фильтру? получается, вполне можно его использовать если по 2 из 3 каналов отлично 220В проходят?
так что продолжу дальше здесь, чтобы не засорять.
по поводу плотности компоновки соглашусь - да, плотно. Но, конечно, не из моей склонности ковыряться в проводах в ограниченном пространстве, а все исходя из размеров шкафа. есть большое желание использовать родной электрошкаф и не городить лишнего, тем более, что почти все влезает.
по нагреву советы получились разнонаправленные: сначала отсоветовали ставить кулеры, а теперь пугаете ошибкой по перегреву.
кстати, посмотрел еще раз мануал - схему монтажа не нарушаю. там пишут, что интервал между сервопаками можно 1см делать. с кулерами, естественно.
а по фильтру? получается, вполне можно его использовать если по 2 из 3 каналов отлично 220В проходят?
Заходите в гости: www.pandicon.net www.graver36.ru
- Сергей Саныч
- Мастер
- Сообщения: 9116
- Зарегистрирован: 30 май 2012, 14:20
- Репутация: 2858
- Откуда: Тюмень
- Контактная информация:
Re: Посоветуйте/покритикуйте по шкафу станка ЧПУ
Куда он денетсяАлександр_ писал(а):получается, вполне можно его использовать если по 2 из 3 каналов отлично 220В проходят?
Для надежности срабатывания всяческих электромагнитных устройств обычно закладывают запас процентов 30-50. И если тормоз рассчитан на 90 вольт, то, скорее всего, сработает и от 70. Так что беспокоиться не стоит.Александр_ писал(а):Видимо, 32В выдает без нагрузки. получается, не очень подходит? под нагрузкой может просесть до 84 постоянки. маловато?
Чудес не бывает. Бывают фокусы.
-
Александр_
- Мастер
- Сообщения: 1743
- Зарегистрирован: 24 дек 2013, 17:47
- Репутация: 122
- Контактная информация:
Re: Посоветуйте/покритикуйте по шкафу станка ЧПУ
вот и я того же мнения
Заходите в гости: www.pandicon.net www.graver36.ru
-
Александр_
- Мастер
- Сообщения: 1743
- Зарегистрирован: 24 дек 2013, 17:47
- Репутация: 122
- Контактная информация:
Re: Посоветуйте/покритикуйте по шкафу станка ЧПУ
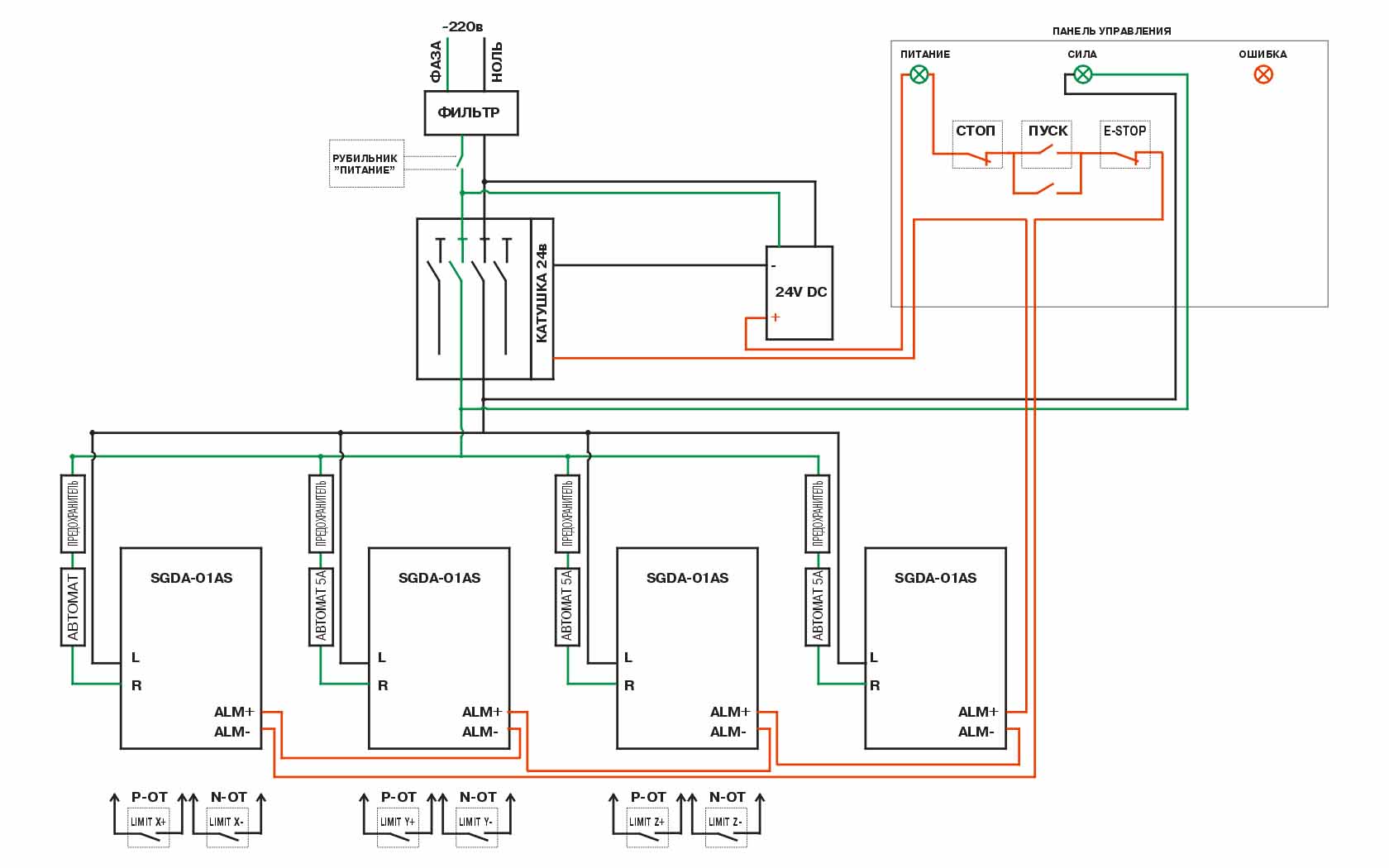
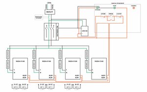
начал рисовать схему подключения. спасибо ukr-sasha за ссылку на видео про пускатель - теперь понял. не знал про дополнительный контакт и из-за этого в голове не собиралось все в кучу.
пока первоначально вырисовывается такая схема. ничего грубо не напутал? лимитов на станке как таковых, наверное, не будет. будут аварийные датчики выключения по краям (правда как съезжать с них при наезде пока не понятно) и с одной стороны каждой оси датчик HOME (обычный грубый, предполагающий точное базирование по линейкам).
пока не очень нравится только кнопка "питание". получается, что через нее идет весь ток, значит это должна быть приличных размеров кнопка. но через пускатель если ее вешать, то должна быть к ней пара на панели на выключение, что неудобно. хотел обычную, с фиксацией.
и по номиналу автоматов: сервопаки на 2,5А. автомат будет сорее как выключатель, значит можно взять по току с некоторым запасом. сколько?
а предохранители - так и брать на 2,5А?
пока первоначально вырисовывается такая схема. ничего грубо не напутал? лимитов на станке как таковых, наверное, не будет. будут аварийные датчики выключения по краям (правда как съезжать с них при наезде пока не понятно) и с одной стороны каждой оси датчик HOME (обычный грубый, предполагающий точное базирование по линейкам).
пока не очень нравится только кнопка "питание". получается, что через нее идет весь ток, значит это должна быть приличных размеров кнопка. но через пускатель если ее вешать, то должна быть к ней пара на панели на выключение, что неудобно. хотел обычную, с фиксацией.
и по номиналу автоматов: сервопаки на 2,5А. автомат будет сорее как выключатель, значит можно взять по току с некоторым запасом. сколько?
а предохранители - так и брать на 2,5А?
Заходите в гости: www.pandicon.net www.graver36.ru
- ukr-sasha
- Мастер
- Сообщения: 3401
- Зарегистрирован: 21 мар 2011, 07:47
- Репутация: 2181
- Настоящее имя: Украинец Александр Григорьевич
- Откуда: Киев, Украина
- Контактная информация:
Re: Посоветуйте/покритикуйте по шкафу станка ЧПУ
Вместо кнопки рубильник на 25-40А сбоку шкафа.Александр_ писал(а):пока не очень нравится только кнопка "питание". получается, что через нее идет весь ток, значит это должна быть приличных размеров кнопка.
-
Александр_
- Мастер
- Сообщения: 1743
- Зарегистрирован: 24 дек 2013, 17:47
- Репутация: 122
- Контактная информация:
Re: Посоветуйте/покритикуйте по шкафу станка ЧПУ
изначально он там и есть, но как-то неудобно туда тянуться.
я вот думаю - на момент замыкания кнопки питания сила отключена, верно? а в замкнутом состоянии и пусть себе ток через нее идет.
хотя, наверное, все равно нехорошо - панель будет многожильным проводом подключена и если два из них силовых, то это явно плохо.
а по остальному пока ничего не напутал? а то сгорит еще все
какие бы номиналы автоматов и предохранителей взять на сервопаки?
я вот думаю - на момент замыкания кнопки питания сила отключена, верно? а в замкнутом состоянии и пусть себе ток через нее идет.
хотя, наверное, все равно нехорошо - панель будет многожильным проводом подключена и если два из них силовых, то это явно плохо.
а по остальному пока ничего не напутал? а то сгорит еще все
какие бы номиналы автоматов и предохранителей взять на сервопаки?
Заходите в гости: www.pandicon.net www.graver36.ru
- alexg-nn
- Мастер
- Сообщения: 793
- Зарегистрирован: 08 фев 2015, 12:45
- Репутация: 127
- Настоящее имя: Алексей
- Откуда: Нижний Новгород
- Контактная информация:
Re: Посоветуйте/покритикуйте по шкафу станка ЧПУ
Пардон за мою дремучесть, но разве автомат не выполняет функцию предохранителя?
-
Александр_
- Мастер
- Сообщения: 1743
- Зарегистрирован: 24 дек 2013, 17:47
- Репутация: 122
- Контактная информация:
Re: Посоветуйте/покритикуйте по шкафу станка ЧПУ
да, безусловно.
но я хочу сделать опять же как тут http://www.chipmaker.ru/topic/151516/page__st__40
"Предохранители более скоростные, и они выступают защитой. А автоматы, скорее, как выключатели с функцией дополнительной защиты"
надо только с номиналами определиться тех и других. вряд ли автоматы на 2,5А есть, да и при пуске сервопака пожет, там за 2,5А переваливает - кто его знает. значит нужно брать с каким-то штатным запасом чтобы и не вырубало каждый раз и сработало когда нужно
но я хочу сделать опять же как тут http://www.chipmaker.ru/topic/151516/page__st__40
"Предохранители более скоростные, и они выступают защитой. А автоматы, скорее, как выключатели с функцией дополнительной защиты"
надо только с номиналами определиться тех и других. вряд ли автоматы на 2,5А есть, да и при пуске сервопака пожет, там за 2,5А переваливает - кто его знает. значит нужно брать с каким-то штатным запасом чтобы и не вырубало каждый раз и сработало когда нужно
Заходите в гости: www.pandicon.net www.graver36.ru
- ukr-sasha
- Мастер
- Сообщения: 3401
- Зарегистрирован: 21 мар 2011, 07:47
- Репутация: 2181
- Настоящее имя: Украинец Александр Григорьевич
- Откуда: Киев, Украина
- Контактная информация:
Re: Посоветуйте/покритикуйте по шкафу станка ЧПУ
Наехала ось на концевик. Сила отключилась. Как потом его включить, чтобы съехать с лимита? Вручную?Александр_ писал(а):а по остальному пока ничего не напутал?
Лучше концевики на сервопаки завести.
В инструкции должно быть написано.Александр_ писал(а):какие бы номиналы автоматов и предохранителей взять на сервопаки?
-
Александр_
- Мастер
- Сообщения: 1743
- Зарегистрирован: 24 дек 2013, 17:47
- Репутация: 122
- Контактная информация:
Re: Посоветуйте/покритикуйте по шкафу станка ЧПУ
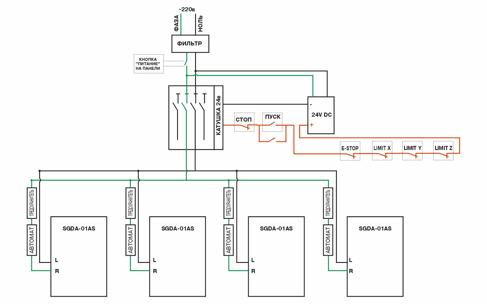
да, про это я и написал выше. наверное, лучше тогда концевики в сервопак. просто aftaev советовал концевики в сервопак, лимиты на пускатель, но у меня только одни какие-то выключатели по концам будут.
в мануале пишут что автомат и предохранитель на 5 ампер аж нужно. раз пишут, пусть будет пять.
я не пойму (примечание 2) - нужно не просто автомат выбирать, а автомат, выдерживающий соответствующие кратковременные перегрузки?
при этом в таблице указывают, что предохранитель нужен на 5 ампер и тут же сами себе противоречат говоря, что предохранитель может сгорать при включении нагрузки.
в мануале пишут что автомат и предохранитель на 5 ампер аж нужно. раз пишут, пусть будет пять.
я не пойму (примечание 2) - нужно не просто автомат выбирать, а автомат, выдерживающий соответствующие кратковременные перегрузки?
при этом в таблице указывают, что предохранитель нужен на 5 ампер и тут же сами себе противоречат говоря, что предохранитель может сгорать при включении нагрузки.
Заходите в гости: www.pandicon.net www.graver36.ru
-
Александр_
- Мастер
- Сообщения: 1743
- Зарегистрирован: 24 дек 2013, 17:47
- Репутация: 122
- Контактная информация:
Re: Посоветуйте/покритикуйте по шкафу станка ЧПУ
а куда в данном случае цепляется индикатор "ошибка" на панели управления?
как я понимаю, он должен гореть если сервопак выпадает в ошибку и не загораться если я просто вырублю силу кнопкой "стоп".
как я понимаю, он должен гореть если сервопак выпадает в ошибку и не загораться если я просто вырублю силу кнопкой "стоп".
Заходите в гости: www.pandicon.net www.graver36.ru
- ukr-sasha
- Мастер
- Сообщения: 3401
- Зарегистрирован: 21 мар 2011, 07:47
- Репутация: 2181
- Настоящее имя: Украинец Александр Григорьевич
- Откуда: Киев, Украина
- Контактная информация:
Re: Посоветуйте/покритикуйте по шкафу станка ЧПУ
Лампы на какое напряжение?
И лампа "питание" неправильно подключена.
И лампа "питание" неправильно подключена.
-
Александр_
- Мастер
- Сообщения: 1743
- Зарегистрирован: 24 дек 2013, 17:47
- Репутация: 122
- Контактная информация:
Re: Посоветуйте/покритикуйте по шкафу станка ЧПУ
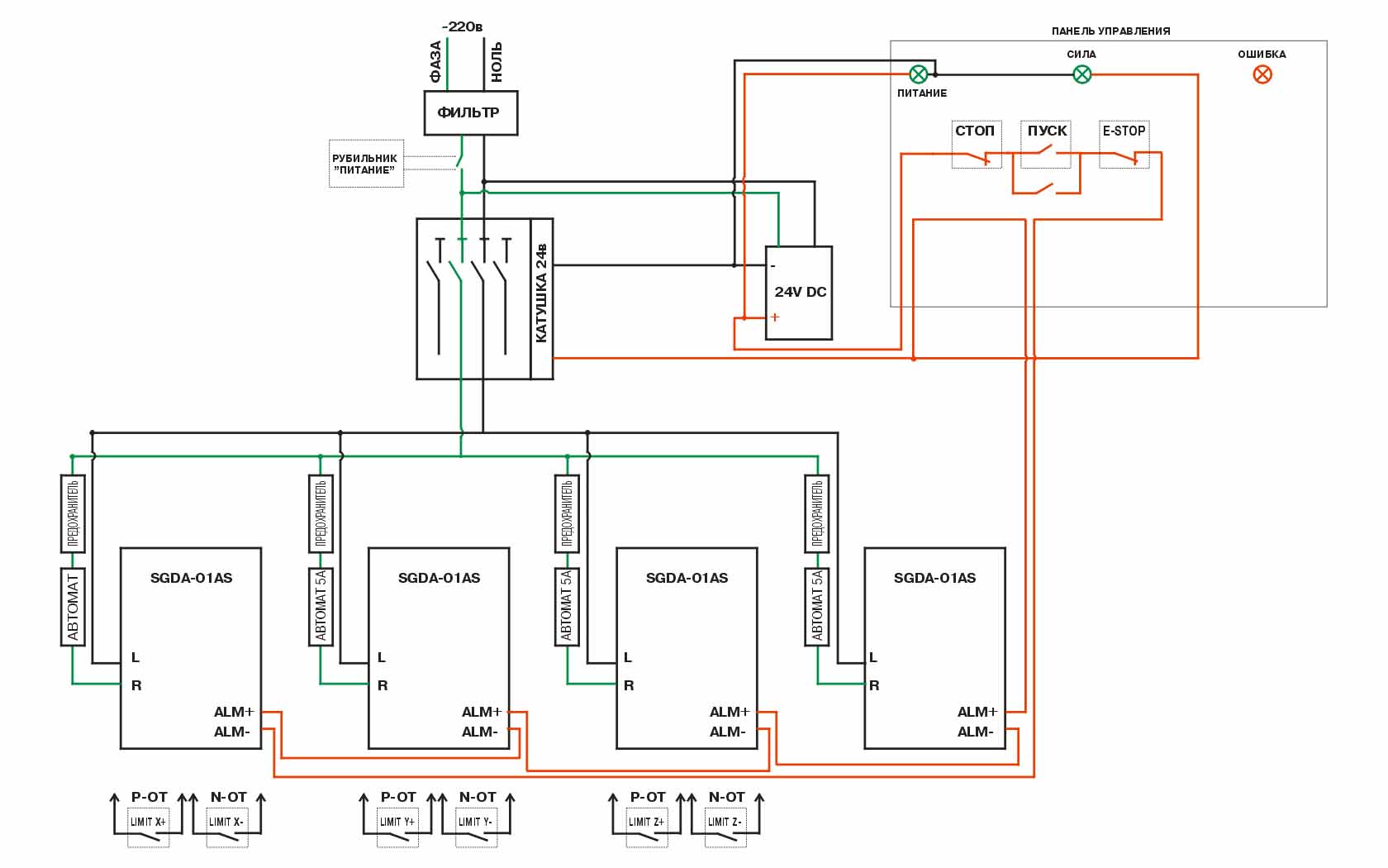
вообще-то я думал лампочки на 24В все, но лампа "сила" завязана на пускатель, так что получается что этот индикатор должен от 220 работать.
лампа "питание" неправильно потому что должна просто на выход БП 24В параллельно? силу прицепить параллельно цепочке на 24В?
а куда обычно лампа "ошибка" цепляется? она же как-то должна включаться на размыкание цепи.
лампа "питание" неправильно потому что должна просто на выход БП 24В параллельно? силу прицепить параллельно цепочке на 24В?
а куда обычно лампа "ошибка" цепляется? она же как-то должна включаться на размыкание цепи.
Заходите в гости: www.pandicon.net www.graver36.ru
-
Александр_
- Мастер
- Сообщения: 1743
- Зарегистрирован: 24 дек 2013, 17:47
- Репутация: 122
- Контактная информация:
Re: Посоветуйте/покритикуйте по шкафу станка ЧПУ
пробежался по магазинам - оказывается, автомат на 5А это экзотика. У всех марок только 4 и 6 ампер. Есть китайские дешевые, но их как-то стремно ставить.
как лучше - поставить 6А и предохранители на 5А или искать все же "правильный" автомат? попробую эти найти http://eshop.avselectro.ru/goods/195644/
с кнопкой (рубильником) включения питания тоже непросто - среди обычных кнопок из тех, что можно назвать "тумблер" есть только на 25А. маловато? хочу все же, хоть и отдельным проводом, вывести этот тумблер на панель. а стандартные кнопки как для пускателей хоть и увесистые на вид все вроде пишут что на 10А.
переделал подключение лампочек "питание" и "сила". теперь обе на 24В. как " ошибку" запитывать - хз. не бывает же "нормально разомкнутых" лампочек
как лучше - поставить 6А и предохранители на 5А или искать все же "правильный" автомат? попробую эти найти http://eshop.avselectro.ru/goods/195644/
с кнопкой (рубильником) включения питания тоже непросто - среди обычных кнопок из тех, что можно назвать "тумблер" есть только на 25А. маловато? хочу все же, хоть и отдельным проводом, вывести этот тумблер на панель. а стандартные кнопки как для пускателей хоть и увесистые на вид все вроде пишут что на 10А.
переделал подключение лампочек "питание" и "сила". теперь обе на 24В. как " ошибку" запитывать - хз. не бывает же "нормально разомкнутых" лампочек
Заходите в гости: www.pandicon.net www.graver36.ru
-
Александр_
- Мастер
- Сообщения: 1743
- Зарегистрирован: 24 дек 2013, 17:47
- Репутация: 122
- Контактная информация:
Re: Посоветуйте/покритикуйте по шкафу станка ЧПУ
удалось купить автоматы КЕАЗ. в магазине сказали, что хорошие, гораздо лучше китайских.
никак не пойму этот кусок схемы. как подключить лампу "авария" чтобы она срабатывала на разрыв цепи?
никак не пойму этот кусок схемы. как подключить лампу "авария" чтобы она срабатывала на разрыв цепи?
Заходите в гости: www.pandicon.net www.graver36.ru
- alexg-nn
- Мастер
- Сообщения: 793
- Зарегистрирован: 08 фев 2015, 12:45
- Репутация: 127
- Настоящее имя: Алексей
- Откуда: Нижний Новгород
- Контактная информация:
Re: Посоветуйте/покритикуйте по шкафу станка ЧПУ
Так это нормально замкнутый контакт реле. Если всё ОК, то он будет разомкнут. а при аварии он сам замкнётся и зажжёт лампу.Александр_ писал(а):как подключить лампу "авария" чтобы она срабатывала на разрыв цепи