У меня частотники с внешним (отдельным) входным фильтром. Он заземляется отдельным проводом. + 2 клеммы земли на самом частотнике.frezeryga писал(а):Для заземления частотника есть клема вторая со стороны питающих проводов.
Бомж (народник) от Фрезеряги мне! 400х300х100
-
Lunatic
- Мастер
- Сообщения: 460
- Зарегистрирован: 09 мар 2015, 20:25
- Репутация: 75
- Настоящее имя: Дмитрий
- Контактная информация:
Re: [Анонс] Бомж (народник) от Фрезеряги мне! 400х300х100
- frezeryga
- Почётный участник

- Сообщения: 13713
- Зарегистрирован: 18 авг 2013, 16:08
- Репутация: 5069
- Откуда: Жуковский
- Контактная информация:
Re: [Анонс] Бомж (народник) от Фрезеряги мне! 400х300х100
Так и есть и никто от мотора не тянет на общую все вешают на частотник.
email frezeryga@yandex.ru
instagram https://www.instagram.com/frezeryga
telegram https://t.me/md_cnc_frezeryga https://t.me/frezeryga
instagram https://www.instagram.com/frezeryga
telegram https://t.me/md_cnc_frezeryga https://t.me/frezeryga
- Nonstopich
- Мастер
- Сообщения: 1016
- Зарегистрирован: 02 авг 2015, 19:46
- Репутация: 284
- Настоящее имя: Александр Абдулаев
- Откуда: Москва, ФО Крым - Феодосия
- Контактная информация:
Re: [Анонс] Бомж (народник) от Фрезеряги мне! 400х300х100
У меня чёрный кабель на фотке - это уходящий на шпиндель.Lunatic писал(а):На частотнике 2 клеммы заземления
Получается его жёлто-зелёную жилу нужно цеплять на клемму заземления с соответствующим символом (самый правый на гребёнке),
а подключая питание к частотнику, к Клемме S нужно прикрутить отдельный проводник и увести его на гребёнку с "землёй".
Верно?
Чехлы для телефонов с вышивкой: https://www.instagram.com/lumberry.brand/
-
Lunatic
- Мастер
- Сообщения: 460
- Зарегистрирован: 09 мар 2015, 20:25
- Репутация: 75
- Настоящее имя: Дмитрий
- Контактная информация:
Re: [Анонс] Бомж (народник) от Фрезеряги мне! 400х300х100
Меня немного смущает обозначение "S". Если в документации на частотник нарисовано, что это земля, то все верно. Ну и на всякий случай прозвони S и землю между собой.Nonstopich писал(а):У меня чёрный кабель на фотке - это уходящий на шпиндель.Lunatic писал(а):На частотнике 2 клеммы заземления
Получается его жёлто-зелёную жилу нужно цеплять на клемму заземления с соответствующим символом (самый правый на гребёнке),
а подключая питание к частотнику, к Клемме S нужно прикрутить отдельный проводник и увести его на гребёнку с "землёй".
Верно?
И экран моторного кабеля отдельным проводом к земляной шине.
-
john1987887
- Мастер
- Сообщения: 3296
- Зарегистрирован: 08 сен 2013, 17:26
- Репутация: 1802
- Контактная информация:
Re: [Анонс] Бомж (народник) от Фрезеряги мне! 400х300х100
В инструкции к частотнику, что нарисовано/написано? Возможно оба заземления нужно повесить только на спец клемму (крайнюю справа).
Brother TC - 229 http://www.cnc-club.ru/forum/viewtopic. ... 46&t=15250
Brother TC - 225 viewtopic.php?f=146&t=31044
7045 http://www.cnc-club.ru/forum/viewtopic.php?t=6965
токарный http://www.cnc-club.ru/forum/viewtopic. ... 48&t=14096
Brother TC - 225 viewtopic.php?f=146&t=31044
7045 http://www.cnc-club.ru/forum/viewtopic.php?t=6965
токарный http://www.cnc-club.ru/forum/viewtopic. ... 48&t=14096
- Nonstopich
- Мастер
- Сообщения: 1016
- Зарегистрирован: 02 авг 2015, 19:46
- Репутация: 284
- Настоящее имя: Александр Абдулаев
- Откуда: Москва, ФО Крым - Феодосия
- Контактная информация:
Re: [Анонс] Бомж (народник) от Фрезеряги мне! 400х300х100
john1987887 писал(а):В инструкции к частотнику, что нарисовано/написано? Возможно оба заземления нужно повесить только на спец клемму (крайнюю справа).
ААААААААААААААА!!!!!!!!!!!!!!!!!!!!!! 
К чертям всё, хочу стол Чехлы для телефонов с вышивкой: https://www.instagram.com/lumberry.brand/
-
john1987887
- Мастер
- Сообщения: 3296
- Зарегистрирован: 08 сен 2013, 17:26
- Репутация: 1802
- Контактная информация:
Re: [Анонс] Бомж (народник) от Фрезеряги мне! 400х300х100
Как можно запутаться в заземлении, я не понимаю 
Brother TC - 229 http://www.cnc-club.ru/forum/viewtopic. ... 46&t=15250
Brother TC - 225 viewtopic.php?f=146&t=31044
7045 http://www.cnc-club.ru/forum/viewtopic.php?t=6965
токарный http://www.cnc-club.ru/forum/viewtopic. ... 48&t=14096
Brother TC - 225 viewtopic.php?f=146&t=31044
7045 http://www.cnc-club.ru/forum/viewtopic.php?t=6965
токарный http://www.cnc-club.ru/forum/viewtopic. ... 48&t=14096
- AlexVlg
- Опытный
- Сообщения: 175
- Зарегистрирован: 29 ноя 2017, 10:17
- Репутация: 12
- Настоящее имя: Александр
- Откуда: Волгоград
- Контактная информация:
Re: [Анонс] Бомж (народник) от Фрезеряги мне! 400х300х100
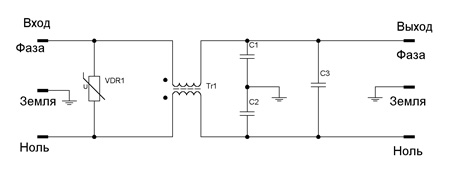
Немного пояснений на данный счет. Имеем стандартную европейскую сеть питания, которая состоит из фазы, ноля и земли. В частотнике ( Как и в других схемах) предусмотрен фильтр по питанию, который включает в себя дроссель,варистор, и конденсатор. На пальцах трудно объяснять, по этому схема:john1987887 писал(а):Как можно запутаться в заземлении, я не понимаю
И так, варистор VDr1 резко меняет сопротивление при скачке напряжения порядка 300в. По сути он просто коротит цепь фаза-ноль, при этом поднимается ток в цепи и срабатывает автомат на входе. Дроссель ТР1, конденсаторы С1,С2,С3. Образуют LC фильтр. При повышении частоты входящего тока LC- фильтр увеличивает сопротивление, таким образом в частотник не попадает ток выше 50 герц. Здесь, помехи между фазой и нолем, гасит конденсатор С3. В свою очередь, помехи между фазой и землей, а также землей и нолем, гасят кондесаторы С1 и С2. Вроде все понятно. Однако, есть нюанс. Если отсутствует физическая земля, помехи между фазой и землей, а также землей и нолем, не могут задерживаться. А так же, общая точка конденсаторов С1 и С2 просто не к чему не подключена, по этой причине дроссель ТР1 и конденсаторы С1 и С2 создают паразитный колебательный контур, излучающий высокочастотные помехи. Прошу прощения, если опять ничего не понято.
- Nonstopich
- Мастер
- Сообщения: 1016
- Зарегистрирован: 02 авг 2015, 19:46
- Репутация: 284
- Настоящее имя: Александр Абдулаев
- Откуда: Москва, ФО Крым - Феодосия
- Контактная информация:
Re: [Анонс] Бомж (народник) от Фрезеряги мне! 400х300х100
На самом деле всё понятно. Я даже сначала решил глянуть схему и прикинуть что к чему, а только потом прочитать написанное.AlexVlg писал(а):Прошу прощения, если опять ничего не понято.
Было ново про варистор (никогда не сталкивался) и про "нюанс". На самом деле тонкости построения подобного рода систем - оч важная тема и интересная (думаю не только для меня).
Просто в текущей ситуации (арендовано помещение, построены "верстаки", собрана команда единомышленников) хочется просто подключить и начать работать. Но внутреннее "я" и мой пытливый, воспитанный в МИФИ мозг, не даёт мне покоя и требует "феншуя".
Спасибо!
В общем я что понял:
1) нужно было брать 5ти контактный разъём (на стенке шкафа вход) на подключение шпинделя. Потому как экран "заводить в шкаф" по 4ёх пиновому разъёме не получается. Окей, найду на работе, а если не найду закажу.
2) Схема подключения в целом прозрачна, но как только дело доходит до реализации - ступор, ибо нет никакого опыта работы с силовыми цепями.
Пошёл ковыряться...
Чехлы для телефонов с вышивкой: https://www.instagram.com/lumberry.brand/
- AlexVlg
- Опытный
- Сообщения: 175
- Зарегистрирован: 29 ноя 2017, 10:17
- Репутация: 12
- Настоящее имя: Александр
- Откуда: Волгоград
- Контактная информация:
Re: [Анонс] Бомж (народник) от Фрезеряги мне! 400х300х100
Вообщем это теория, на практике производители оборудования не оставляют висеть землю в воздухе.Как правило она подключена к минусу после выпрямления. Но часто не имеет отношения к выходу устройства. То есть минусовой выход блока питания не соединен с землей. Отсюда, все устройства имеющие заземление, должны быть подключены на одну точку, желательно удаленную, это создаст виртуальную землю. Экраны тоже должны быть подключены к земле. Не обязательно разводить экран шпинделя и земляной провод, по этому 5ти контактный разъем будет лишним. Если понятно из схемы, соединять все в кучу, надо на входе устройства, выход - к исполнительным механизмам. Самый простой способ заземления, соединить земляной провод в щитке с нолем. В этом случае, длина проводов даст разницу потенциалов при помехах и обрыве ноля. Достаточно для срабатывания УЗО например.Nonstopich писал(а):мозг, не даёт мне покоя и требует "феншуя".
-
sas_75
- Мастер
- Сообщения: 463
- Зарегистрирован: 10 мар 2015, 11:03
- Репутация: 115
- Настоящее имя: Сергей
- Откуда: Владивосток
- Контактная информация:
Re: [Анонс] Бомж (народник) от Фрезеряги мне! 400х300х100
С какой радости? ТР1 - это трансформатор, у которого обмотки включены противофазно, магнитные потоки обмоток взаимно компенсируются, за счет этого происходит гашение помеховых импульсов. Добротность такого колебательного контура будет очень низкой и сам по себе он не может являться источником либо усилителем помех.AlexVlg писал(а):дроссель ТР1 и конденсаторы С1 и С2 создают паразитный колебательный контур, излучающий высокочастотные помехи.
- AlexVlg
- Опытный
- Сообщения: 175
- Зарегистрирован: 29 ноя 2017, 10:17
- Репутация: 12
- Настоящее имя: Александр
- Откуда: Волгоград
- Контактная информация:
Re: [Анонс] Бомж (народник) от Фрезеряги мне! 400х300х100
Конденсатор для шунтирования обратного провода на корпус и конденсатор для шунтирования провода положительного напряжения входной шины на корпус смещает синфазную резонансную частоту на 38 кГц, больше чем на декаду, ниже частоты коммутации, что должно быть достаточным. Для достаточного подавления ключевыми являются выбранные синфазные конденсаторы плюс формирование наименее возможного импеданса от шасси преобразователя на синфазные конденсаторы и от синфазных конденсаторов к входным выводам преобразователя. Синфазные помехи будут преобладать на высокой частоте, и за пределами приблизительно 10 МГц появится много цепей в виде небольших индуктивностей, представляющих высокий импеданс для синфазных конденсаторов. Индуктивность соединительных проводников может также резонировать с синфазными конденсаторами, образующими резкие максимумы на их резонансе.
Ну, это не я придумал.
Источник: https://www.prosoft.ru/cms/f/469211.pdf
Ну, это не я придумал.
Источник: https://www.prosoft.ru/cms/f/469211.pdf
-
nevkon
- Почётный участник

- Сообщения: 2477
- Зарегистрирован: 17 июл 2015, 10:25
- Репутация: 310
- Настоящее имя: Константин
- Откуда: Балаково (Саратовская обл.)
- Контактная информация:
Re: [Анонс] Бомж (народник) от Фрезеряги мне! 400х300х100
Хотя бы пару укосин, шататься будет на холостых.Nonstopich писал(а):К чертям всё, хочу стол
- sima8520
- Почётный участник

- Сообщения: 4510
- Зарегистрирован: 24 ноя 2016, 23:35
- Репутация: 1617
- Настоящее имя: Илья
- Откуда: Беларусь, Гомель
- Контактная информация:
Re: [Анонс] Бомж (народник) от Фрезеряги мне! 400х300х100
Синфазно. На схеме и начало обмоток указаныsas_75 писал(а): С какой радости? ТР1 - это трансформатор, у которого обмотки включены противофазно.
-
sas_75
- Мастер
- Сообщения: 463
- Зарегистрирован: 10 мар 2015, 11:03
- Репутация: 115
- Настоящее имя: Сергей
- Откуда: Владивосток
- Контактная информация:
Re: [Анонс] Бомж (народник) от Фрезеряги мне! 400х300х100
Противофазно. Ток течет в одну сторону: с фазы на ноль при положительной полуволне и с нуля на фазу при отрицательной.
- sima8520
- Почётный участник

- Сообщения: 4510
- Зарегистрирован: 24 ноя 2016, 23:35
- Репутация: 1617
- Настоящее имя: Илья
- Откуда: Беларусь, Гомель
- Контактная информация:
Re: [Анонс] Бомж (народник) от Фрезеряги мне! 400х300х100
Обмотки включены синфазно
-
sas_75
- Мастер
- Сообщения: 463
- Зарегистрирован: 10 мар 2015, 11:03
- Репутация: 115
- Настоящее имя: Сергей
- Откуда: Владивосток
- Контактная информация:
Re: [Анонс] Бомж (народник) от Фрезеряги мне! 400х300х100
Заметьте, в сообщении #528 указан фильтр в первичной цепи (переменное напряжение, до выпрямителя), а в приведенном документе речь идет о DC-DC преобразователях, то есть на постоянном токе. Поэтому нужен правильный контекст где и какие фильтры использовать.AlexVlg писал(а):Ну, это не я придумал.
Источник: https://www.prosoft.ru/cms/f/469211.pdf
- AlexVlg
- Опытный
- Сообщения: 175
- Зарегистрирован: 29 ноя 2017, 10:17
- Репутация: 12
- Настоящее имя: Александр
- Откуда: Волгоград
- Контактная информация:
Re: [Анонс] Бомж (народник) от Фрезеряги мне! 400х300х100
Согласен, но вообще принцип тот же. Будут другие расчеты, тем не менее такой эффект присутствует.
- Nonstopich
- Мастер
- Сообщения: 1016
- Зарегистрирован: 02 авг 2015, 19:46
- Репутация: 284
- Настоящее имя: Александр Абдулаев
- Откуда: Москва, ФО Крым - Феодосия
- Контактная информация:
Re: [Анонс] Бомж (народник) от Фрезеряги мне! 400х300х100
Подключил частотник Micno KE300 к сети 220V через еми-фильтр. При включении на табло мигает 500 Гц и всё.
Ну, логично было бы, рассказать частотнику о том двигателе, который к нему подключен. Эту информацию можно занести в следующие пункты меню:
Пункты
С помощью параметра Р1-11 можно запустить как раз-таки этот процесс автоматического определения параметров. Для этого нужно установить значение этого параметра на 1 и нажать кнопку Run (можно ещё задать 2ку, но тогда частотник будет рассматривать ваш шпиндель как нагруженный, например коленвалом
). Важно понимать, что в момент нажатия кнопки Run шпиндель начнёт вращаться и очень важно, чтоб гайки с цангой в этот момент в конусе шпинделя не было или она должна быть затянута.
Хорошо - мы рассказали частотнику о двигателе. Теперь неплохо было бы рассказать частотнику о том, как мы хотим им управлять.
За это отвечает группа параметров Р0. И первый из них Р0-00 определяет модель частотника. По инструкции там может быть
Далее режим работы Р0-01. Вольт-частотное управление и векторное управление. Друзья, куда почитать?)
Ну, логично было бы, рассказать частотнику о том двигателе, который к нему подключен. Эту информацию можно занести в следующие пункты меню:
Согласно инструкции этих параметров должно хватить, чтоб нажать кнопку Run, но мигающие 500Hz на экране меня смутили и я полез дальше.п. Р1-00 - тип двигателя (в моём случае обычный асинхронник)
п. Р1-01 - Номинальная мощность двигателя (2.2k WT)
п. Р1-02 - Номинальное напряжение двигателя (220 V)
п. Р1-03 - Номинальный ток электродвигателя (8 А)
п. Р1-04 - Номинальная частота двигателя (400 Hz)
п. Р1-05 - Номинальная скорость вращения двигателя (24000 об./мин)
Пункты
являются физическими параметрами шпинделя, которые частотник может определить сам. Но почему-то Вячеслав просит этого не делать. Re: Предлагаю шпиндели, драйверы, ШД, рельсы, ШВП и т.д. для #148 Почему?P1-06: Сопротивление статора электродвигателя
P1-07: Сопротивление ротора электродвигателя
P1-08: Индуктивность статора и ротора электродвигателя
P1-09: Взаимная индуктивность статора и ротора
P1-10: Сила тока электродвигателя без нагрузки
С помощью параметра Р1-11 можно запустить как раз-таки этот процесс автоматического определения параметров. Для этого нужно установить значение этого параметра на 1 и нажать кнопку Run (можно ещё задать 2ку, но тогда частотник будет рассматривать ваш шпиндель как нагруженный, например коленвалом
Хорошо - мы рассказали частотнику о двигателе. Теперь неплохо было бы рассказать частотнику о том, как мы хотим им управлять.
За это отвечает группа параметров Р0. И первый из них Р0-00 определяет модель частотника. По инструкции там может быть
Кто-нибудь может объяснить чем оно отличается с точки зрения физики?1: Модель G (обычный с постоянным вращающим моментом)
2: Модель P (специальный для насосно-вентиляционных нагрузок)
Далее режим работы Р0-01. Вольт-частотное управление и векторное управление. Друзья, куда почитать?)
Чехлы для телефонов с вышивкой: https://www.instagram.com/lumberry.brand/
- Nonstopich
- Мастер
- Сообщения: 1016
- Зарегистрирован: 02 авг 2015, 19:46
- Репутация: 284
- Настоящее имя: Александр Абдулаев
- Откуда: Москва, ФО Крым - Феодосия
- Контактная информация:
Re: [Анонс] Бомж (народник) от Фрезеряги мне! 400х300х100
Варили стол для станка.
Примерили:
Грунтовка покраска
Результат:
Чехлы для телефонов с вышивкой: https://www.instagram.com/lumberry.brand/