Не гравер, но маленький фрезер. Ужо всё.
- nERV
- Мастер
- Сообщения: 1519
- Зарегистрирован: 27 сен 2013, 19:00
- Репутация: 624
- Настоящее имя: Александр
- Откуда: Ульяновск
- Контактная информация:
Re: Не гравер, но маленький фрезер. В процессе.
Урвал такую мамку, вернее почти готовый комп. Годно ли оно в "стойку" с месой и линуксом, или нужно что-то мощнее?
Атом 1.6ггц, 945 чипсет, 2гб оперативки.
Атом 1.6ггц, 945 чипсет, 2гб оперативки.
- Serg
- Мастер
- Сообщения: 21923
- Зарегистрирован: 17 апр 2012, 14:58
- Репутация: 5183
- Заслуга: c781c134843e0c1a3de9
- Настоящее имя: Сергей
- Откуда: Москва
- Контактная информация:
Re: Не гравер, но маленький фрезер. В процессе.
Годно.
Но с "красивыми" интерфейсами типа gscreen и gmocappy скорее всего будет подтормаживать.
Но с "красивыми" интерфейсами типа gscreen и gmocappy скорее всего будет подтормаживать.
Я не Христос, рыбу не раздаю, но могу научить, как сделать удочку...
- elephant007
- Мастер
- Сообщения: 857
- Зарегистрирован: 18 ноя 2012, 13:12
- Репутация: 332
- Откуда: Сибирь, Томск
- Контактная информация:
Re: Не гравер, но маленький фрезер. В процессе.
у меня трудится на более древнем 525 Атоме. Интерфейс стандартный, МЕСы нет.
- nERV
- Мастер
- Сообщения: 1519
- Зарегистрирован: 27 сен 2013, 19:00
- Репутация: 624
- Настоящее имя: Александр
- Откуда: Ульяновск
- Контактная информация:
Re: Не гравер, но маленький фрезер. В процессе.
Благодарю за ответы!
А бывают ли в продаже переходники для pci чтоб плату пожно было расположить горизонтально, параллельно материнке, или паять придется?
А бывают ли в продаже переходники для pci чтоб плату пожно было расположить горизонтально, параллельно материнке, или паять придется?
-
Дмитро
- Почётный участник

- Сообщения: 1060
- Зарегистрирован: 14 сен 2013, 01:20
- Репутация: 1139
- Настоящее имя: Дмитрий
- Откуда: Киев
Re: Не гравер, но маленький фрезер. В процессе.
Все есть. http://www.ebay.com/sch/i.html?_from=R4 ... e&_sacat=0nERV писал(а):А бывают ли в продаже
-
leprud
- Почётный участник

- Сообщения: 348
- Зарегистрирован: 01 апр 2014, 19:16
- Репутация: 111
- Откуда: Москва
- Контактная информация:
Re: Не гравер, но маленький фрезер. В процессе.
Такие же есть с гибким шлейфом и иногда даже в местных магазинах
- nERV
- Мастер
- Сообщения: 1519
- Зарегистрирован: 27 сен 2013, 19:00
- Репутация: 624
- Настоящее имя: Александр
- Откуда: Ульяновск
- Контактная информация:
Re: Не гравер, но маленький фрезер. В процессе.
Приехали очередные железки, но нет времени что-то делать со станком 
- nERV
- Мастер
- Сообщения: 1519
- Зарегистрирован: 27 сен 2013, 19:00
- Репутация: 624
- Настоящее имя: Александр
- Откуда: Ульяновск
- Контактная информация:
Re: Не гравер, но маленький фрезер. В процессе.
Просветите пожалуйста по концевикам на осях станка. Сколько их ставить целесообразно?
По одному ставим на поиск нуля, работают совместно с z меткой энкодера.
Сервоусилители имеют входы концевиков, и их туда хочу завести, чтоб привод на "железном" уровне блокировал движение оси.
Концнвики для самой чпу необходимы? Чпушный концнвик расположить перед "аварийным", если уж его проедем, то сервопривод подстрахует.
Т.е еще пара, итого 5. Как-то дохрена на одну ось. Или можно как-то проще сделать?
По одному ставим на поиск нуля, работают совместно с z меткой энкодера.
Сервоусилители имеют входы концевиков, и их туда хочу завести, чтоб привод на "железном" уровне блокировал движение оси.
Концнвики для самой чпу необходимы? Чпушный концнвик расположить перед "аварийным", если уж его проедем, то сервопривод подстрахует.
Т.е еще пара, итого 5. Как-то дохрена на одну ось. Или можно как-то проще сделать?
- Serg
- Мастер
- Сообщения: 21923
- Зарегистрирован: 17 апр 2012, 14:58
- Репутация: 5183
- Заслуга: c781c134843e0c1a3de9
- Настоящее имя: Сергей
- Откуда: Москва
- Контактная информация:
Re: Не гравер, но маленький фрезер. В процессе.
На "ближнем" конце ставишь два концевика - один ограничительный, другой (перед ним) как датчик HOME. На "дальнем" конце достаточного одного ограничительного.
Датчик HOME понятно куда подключать. А ограничительные подключаешь одновременно и к ЧПУ и к сервоприводам (лучше коннечно несложную логику применить чтоб входы ЧПУ сэкономить).
В таком варианте при назде на концевик ЧПУ всё выключит, но будет возможность съехать с концевика, причём сервопривод не даст съехать не в ту сторону.
P.S. На LinuxCNC это точно работает, а с Mach3 я не знаком.
Датчик HOME понятно куда подключать. А ограничительные подключаешь одновременно и к ЧПУ и к сервоприводам (лучше коннечно несложную логику применить чтоб входы ЧПУ сэкономить).
В таком варианте при назде на концевик ЧПУ всё выключит, но будет возможность съехать с концевика, причём сервопривод не даст съехать не в ту сторону.
P.S. На LinuxCNC это точно работает, а с Mach3 я не знаком.
Я не Христос, рыбу не раздаю, но могу научить, как сделать удочку...
- nERV
- Мастер
- Сообщения: 1519
- Зарегистрирован: 27 сен 2013, 19:00
- Репутация: 624
- Настоящее имя: Александр
- Откуда: Ульяновск
- Контактная информация:
Re: Не гравер, но маленький фрезер. В процессе.
Вроде все так, только вот уровни сигналов разные.
Если использовать месу, то ей нужно 24в, усилители работают с сигналами 5в. Ну да ладно, разберусь по ходу пьесы. Жаль что у приводов нет выходных сигналов по концевикам, есть только один - "fault", и все.
Нашел недорого большой жирный трансформатор на чипмейкере, как раз питать сервоприводы пойдет. У него 4 обмотки по 48в, самое то напряжение для моих моторов.
Как лучше сделать, соединить все обмотки параллельно и питать все привода от этой "скрутки", или каждому приводу свою обмотку выделить? В первом случае получаем бОльшую перегрузочную способность, ибо далеко не всегда все моторы будут кушать максимальный ток одновременно, несколько обмоток будут кормить один сильно жрущий мотор. Во втором случае имеем гальваническую развязку приводов друг от друга по питанию.
Если использовать месу, то ей нужно 24в, усилители работают с сигналами 5в. Ну да ладно, разберусь по ходу пьесы. Жаль что у приводов нет выходных сигналов по концевикам, есть только один - "fault", и все.
Нашел недорого большой жирный трансформатор на чипмейкере, как раз питать сервоприводы пойдет. У него 4 обмотки по 48в, самое то напряжение для моих моторов.
Как лучше сделать, соединить все обмотки параллельно и питать все привода от этой "скрутки", или каждому приводу свою обмотку выделить? В первом случае получаем бОльшую перегрузочную способность, ибо далеко не всегда все моторы будут кушать максимальный ток одновременно, несколько обмоток будут кормить один сильно жрущий мотор. Во втором случае имеем гальваническую развязку приводов друг от друга по питанию.
- Serg
- Мастер
- Сообщения: 21923
- Зарегистрирован: 17 апр 2012, 14:58
- Репутация: 5183
- Заслуга: c781c134843e0c1a3de9
- Настоящее имя: Сергей
- Откуда: Москва
- Контактная информация:
Re: Не гравер, но маленький фрезер. В процессе.
Похоже производитель усилителей конкретно экономил... Обычно на этих входах оптороны стоят...
Проблема легко решается датчиками с открытым коллектором и диодами.
Проблема легко решается датчиками с открытым коллектором и диодами.
Я не Христос, рыбу не раздаю, но могу научить, как сделать удочку...
- nERV
- Мастер
- Сообщения: 1519
- Зарегистрирован: 27 сен 2013, 19:00
- Репутация: 624
- Настоящее имя: Александр
- Откуда: Ульяновск
- Контактная информация:
Re: Не гравер, но маленький фрезер. В процессе.
Возможно и так. Может и из других соображений исходили.
"Note: that all of the logic inputs can tolerate +24VDC."
Все меняется к лучшему.
Еще вопрос. В усилке есть вход для энкодера, но нет выхода сигналов энкодера для системы ЧПУ. Просто параллелить?
Можно ли сигналы "фаза А" завести в усилитель, а "не фаза А" в ЧПУ?
"Note: that all of the logic inputs can tolerate +24VDC."
Еще вопрос. В усилке есть вход для энкодера, но нет выхода сигналов энкодера для системы ЧПУ. Просто параллелить?
Можно ли сигналы "фаза А" завести в усилитель, а "не фаза А" в ЧПУ?
- Вложения
-
- BA10_20_30.pdf
- (670.45 КБ) 1116 скачиваний
- Hanter
- Мастер
- Сообщения: 5414
- Зарегистрирован: 27 янв 2012, 14:52
- Репутация: 4338
- Настоящее имя: Алексей
- Откуда: Питер
- Контактная информация:
Re: Не гравер, но маленький фрезер. В процессе.
а смысл ? вы хотите запустить усилок в режиме скорости по энкодеру ? ставьте в режим тока и заводите энкодер в контролер.. все будет нормально.
Опыт - это когда на смену вопросам: "Что? Где? Когда? Как? Почему?" Приходит единственный вопрос: "Нахрена?"
==========================================
фрезерная и токарная обработка на станках с чпу.
Резка, гибка, сварка и порошковая окраса.
==========================================
фрезерная и токарная обработка на станках с чпу.
Резка, гибка, сварка и порошковая окраса.
- Serg
- Мастер
- Сообщения: 21923
- Зарегистрирован: 17 апр 2012, 14:58
- Репутация: 5183
- Заслуга: c781c134843e0c1a3de9
- Настоящее имя: Сергей
- Откуда: Москва
- Контактная информация:
Re: Не гравер, но маленький фрезер. В процессе.
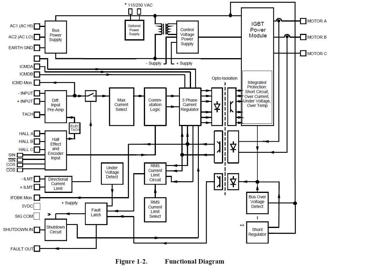
В разделе 2.4 всё нарисовано и описано.nERV писал(а):Еще вопрос. В усилке есть вход для энкодера, но нет выхода сигналов энкодера для системы ЧПУ. Просто параллелить?
Можно ли сигналы "фаза А" завести в усилитель, а "не фаза А" в ЧПУ?
Я не Христос, рыбу не раздаю, но могу научить, как сделать удочку...
- nERV
- Мастер
- Сообщения: 1519
- Зарегистрирован: 27 сен 2013, 19:00
- Репутация: 624
- Настоящее имя: Александр
- Откуда: Ульяновск
- Контактная информация:
Re: Не гравер, но маленький фрезер. В процессе.
Покрутил моторчики от этих драйверов, оказалось что ничего сложного 
Но мой BLDC моторчик довольно сильно греется на номинальном токе, к тому же еще и подшипники там хрустят и слегка подклинивают. При разборе этих моторов есть какие-то нюансы? К примеру, ротор там с магнитами, можно ли его вынимать из статора "в свободное плавание", или стоит его упихать в стальную трубу?
Но мой BLDC моторчик довольно сильно греется на номинальном токе, к тому же еще и подшипники там хрустят и слегка подклинивают. При разборе этих моторов есть какие-то нюансы? К примеру, ротор там с магнитами, можно ли его вынимать из статора "в свободное плавание", или стоит его упихать в стальную трубу?
- Сергей Саныч
- Мастер
- Сообщения: 9116
- Зарегистрирован: 30 май 2012, 14:20
- Репутация: 2858
- Откуда: Тюмень
- Контактная информация:
Re: Не гравер, но маленький фрезер. В процессе.
Если упихнешь в трубу, хуже не будет.nERV писал(а):или стоит его упихать в стальную трубу?
Чудес не бывает. Бывают фокусы.
- megagad
- Почётный участник

- Сообщения: 3207
- Зарегистрирован: 05 апр 2014, 18:57
- Репутация: 712
- Откуда: Реуспублика Крым, Бахчисарай.
- Контактная информация:
Re: Не гравер, но маленький фрезер. В процессе.
Ага - особенно если магниты неодимы - заодно и трубу от грязи изнутри почиститСергей Саныч писал(а):Если упихнешь в трубу, хуже не будет.
We Do What We Must, Because We Can!
Причинять добро, наносить пользу и подвергать ласке.
Причинять добро, наносить пользу и подвергать ласке.
- Сергей Саныч
- Мастер
- Сообщения: 9116
- Зарегистрирован: 30 май 2012, 14:20
- Репутация: 2858
- Откуда: Тюмень
- Контактная информация:
Re: Не гравер, но маленький фрезер. В процессе.
так сдуру... не только ротор сломать можно. Понятно, что труба должна чистой быть.megagad писал(а):заодно и трубу от грязи изнутри почистит
Так же, как из статора. Прислонить одно к другому и перетолкать.megagad писал(а):Вопрос возникнет потом - как извлечь ротор из трубы.
Чудес не бывает. Бывают фокусы.
- Hanter
- Мастер
- Сообщения: 5414
- Зарегистрирован: 27 янв 2012, 14:52
- Репутация: 4338
- Настоящее имя: Алексей
- Откуда: Питер
- Контактная информация:
Re: Не гравер, но маленький фрезер. В процессе.
а нахрена ? ротор - тупо ротор с магнитами.. "фреймлес"-ы вообще по отдельности поставляются.. http://www.ebay.com/itm/Kollmorgen-Fram ... 20f61db1d3 http://www.ebay.com/itm/KOLLMORGAN-BMS- ... 418fc0d131 метки тока ставьте везде.. чтобы все вернуть в свои места.. ну и холлы вероятно придется с осцилоскопом выставить...
Опыт - это когда на смену вопросам: "Что? Где? Когда? Как? Почему?" Приходит единственный вопрос: "Нахрена?"
==========================================
фрезерная и токарная обработка на станках с чпу.
Резка, гибка, сварка и порошковая окраса.
==========================================
фрезерная и токарная обработка на станках с чпу.
Резка, гибка, сварка и порошковая окраса.
- nERV
- Мастер
- Сообщения: 1519
- Зарегистрирован: 27 сен 2013, 19:00
- Репутация: 624
- Настоящее имя: Александр
- Откуда: Ульяновск
- Контактная информация:
Re: Не гравер, но маленький фрезер. В процессе.
Про выставление холлов можно и подробнее. Что и куда крутить, какие сигналы должны получаться?