Конфигурация EMC2 LinuxCNC

Обсуждение установки, настройки и использования LinuxCNC. Вопросы по Gкоду.
Аватара пользователя
Nick
Мастер
Сообщения: 22776
Зарегистрирован: 23 ноя 2009, 16:45
Репутация: 1735
Заслуга: Developer
Откуда: Gatchina, Saint-Petersburg distr., Russia
Контактная информация:

Конфигурация EMC2 LinuxCNC

Сообщение Nick »

После того как Вы произвели установку EMC2, можно переходить к конфигурации.
Начнем с простого пути, использования утилиты Stepconf. Sterconf это графическая утилита для настройки EMC2 для различных станков. Конечно она не реализует все возможности EMC2, но подойдет для большинства станков со step-dir контроллерами управляемыми через lpt порт. Stepconf устанавливается вместе с EMC2 и его можно запустить из меню Приложения -> EMC2 -> Stepconf.
Это незавершенный раздел, Вы можете помочь в его оформлении.
Нужны исправления, комментарии. Публикуйте их в этой теме.

Содержание


Настройка EMC2 (339417 просмотров) <a class='original' href='./download/file.php?id=781&mode=view' target=_blank>Загрузить оригинал (41.24 КБ)</a>
Настройка EMC2
Конфигурация ЕМС2 (339417 просмотров) <a class='original' href='./download/file.php?id=780&mode=view' target=_blank>Загрузить оригинал (44.23 КБ)</a>
Конфигурация ЕМС2

Выбор конфигурации

В первом окне Stepconf есть выбор: создать новую конфигурацию или изменить старую. Выбираем создать новую. Также можно проставить галки напротив Create shortcut, чтобы в последствии запускать EMC2 с созданной конфигурацией в один клик.

Screenshot-EMC2 Stepper Mill Configuration-2.png (339417 просмотров) <a class='original' href='./download/file.php?id=782&mode=view' target=_blank>Загрузить оригинал (95.31 КБ)</a>

Параметры станка, контроллера и быстродействия

Настройки станка
Вводим название станка, в документации говорится, что можно использовать заглавные и строчные буквы, цифры и знаки "-" и "_".
Выбираем конфигурацию осей. XYZ (Фрезер), XYZA (4-х осевой фрезер) или XZ (Токарный станок). Названия только для примера. Если у Вас двух осевой станок, то можете выбрать XYZ, и ось Z оставить не настроенной.
Единицы измерения станка: дюймы или миллиметры.

Настройки контроллера
Можно выбрать из набора предустановленных параметров если Ваш контроллер в список. Или настроить все самому.
Параметры Step time, Step space, Direction hold, Direction setup смотрите в документации к вашему контроллеру.

Настройки lpt
Если у Вас только один lpt, то можно ничего не трогать по умолчанию стоит установка стандартного адреса lpt порта.

Настройки быстродействия
Base period - это одна из основных величин быстродействия, она определяет максимальную скорость работы с контроллером. Она определяет так называемый heartbeat (сердцебиение системы в целом) от которого зависит время для генерации сингала Step. Фактически, чем меньше base period тем больше максимальная частота генерации шагов (например, при Base period = 30 000 ns максимальная частота генерации шагов равна 33333Гц, что при 200 шагах на оборот в режиме микрошага 1:8 дает максимум 20 оборотов в секунду).

Base period зависит от параметров компьютера. Правильно определить base period можно при помощи утилиты Latency test, она тоже входит в состав EMC2. Latency это задержка с которой компьютер может остановить процесс работы для обработки внешнего запроса. В нашем случае, запросом является периодичный "heartbeat" (стук сердца) на основе которого вычисляется нужное время для следующего шага. Для того, чтобы контроллер работал правильно и не пропускал шаги минимальный base period должен быть равным длительность direction setup+direction hold+step space+maximum latency.

Итак, запускаем Latency test, и пытаемся нагрузить компьютер разными задачами, чтобы наверняка получить максимальную задержку. Можно запустить проигрываться фильм, полазить по интернету, скопировать большой файл, перемещать окна. Через несколько минут смотрим значение Base thread Max jitter (максимальное дрожание base period) и вставляем это значение в соответствующую строку в Stepconf.

Onscreen prompt for tool change - уведомление о смене инструмента. Если эта опция включена, то EMC2 будет останавливаться и выдавать сообщение о смене инструмента, каждый раз, когда в управляющей программе будет встречаться код M6. Оставьте эту опцию включенной, только если Вы не собираетесь делать автоматическую смену инструмента.

Настройка LPT для EMC2 (339417 просмотров) <a class='original' href='./download/file.php?id=783&mode=view' target=_blank>Загрузить оригинал (99.1 КБ)</a>
Настройка LPT для EMC2
Настройка LPT для EMC2 (339417 просмотров) <a class='original' href='./download/file.php?id=784&mode=view' target=_blank>Загрузить оригинал (88.29 КБ)</a>
Настройка LPT для EMC2

Настройки пинов LPT

На этой странице мы можем настроить значения всех пинов параллельного порта.
Значения для этих настроек смотрите в документации к контроллеру.

Настройка осей станка в EMC2 LinuxCNC (339417 просмотров) <a class='original' href='./download/file.php?id=785&mode=view' target=_blank>Загрузить оригинал (66.88 КБ)</a>
Настройка осей станка в EMC2 LinuxCNC
Проверка настроек осей LinuxCNC (339417 просмотров) <a class='original' href='./download/file.php?id=786&mode=view' target=_blank>Загрузить оригинал (21.23 КБ)</a>
Проверка настроек осей LinuxCNC

Настройка осей станка

Далее настраиваем все оси станка:

Motor Steps Per Revolution - количество шагов двигателя на один оборот.

Driver Microstepping - настройка микрошага контроллера. Для микрошага 1:8 устанавливайте "8"

Pulley Ratio - значение редуктора, если между валом двигателя и ходовым винтом стоит редуктор установите передаточное число.

Leadscrew Pitch - шаг ходового винта. Можно поменять направление движения вдоль оси установив отрицательное значение шага винта.

Maximum Velocity - Максимальная скорость перемещения.

Maximum Acceleration - Максимальное ускорение по данной оси.

Home Location - положение начала оси. Это положение в котором станок остановится после поиска начала.

Table Travel - границы оси. Положение начала должно быть внутри table travel, причем оно не должно совпадать с границами оси.

Home Switch Location - Положение концевика начального положения. Если у Вас совмещены home switch и limit switch в одном концевике, то значение home location не должно быть равным home switch location иначе появится ошибка "joint limit error", т.е. станок не должен остановиться в точке срабатывания ограничительного концевика.

Home Search Velocity - скорость поиска начала оси. Если концевой датчик расположен рядом с концом оси это значение должно быть выбрано с учетом того, что станок должен будет успеть остановиться до того как он ударится о конец оси. Если концевик замыкается только когда ответная часть рядом с ним, то скорость должна быть выбрана таким образом, чтобы станок успел остановиться пока концевик не разомкнулся. Если станок движется в противоположную сторону от концевика при поиске начала установите отрицательную скорость.

Home Latch Direction - направление уточнения начала, после первоначальной установки начала, они уточняются на очень маленькой скорости. Если выбрана опция "Same" при повторном срабатывании концевика начала будут установлены, если "Opposite" станок будет медленно откатываться пока концевик не разомкнется.

Ниже будут приведены вычисления параметров оси:
  • Time to accelerate to max speed - время ускорения до максимальной скорости (время остановки)
  • Distance to accelerate to max speed - дистанция ускорения до максимальной скорости (дистанция остановки)
  • Pulse rate at max speed - частота сигналов на максимальной скорости
  • Axis SCALE - количество шагов в одной единице измерения шагов/мм (шагов/дюйм)
После введения всех параметров ось можно протестировать. Для этого нажимаем Test this axis.

Настройка управления шпинделем в EMC2 (339417 просмотров) <a class='original' href='./download/file.php?id=787&mode=view' target=_blank>Загрузить оригинал (32.67 КБ)</a>
Настройка управления шпинделем в EMC2

Настройка шпинделя

Если шпиндель регулируется при помощи ШИМ:
Устанавливаем Carrier frequency (Несущая частота) согласно инструкции к Вашему контроллеру шпинделя.
Устанавливаем Speed 1, Speed 2, PWM 1, PWM 2 - значения скоростей в оборотах в минуту при заданном значении ШИМ. Эту информацию можно найти в инструкции к Вашему контроллеру, либо попробовать определить самостоятельно. Этими параметрами определяется линейная зависимость скорости шпинделя от значения PWM.

Дополнительные настройки EMC2 (339417 просмотров) <a class='original' href='./download/file.php?id=788&mode=view' target=_blank>Загрузить оригинал (70.45 КБ)</a>
Дополнительные настройки EMC2

Настройка дополнительного интерфейса

  • Include Halui - Добавить пользовательскую панель Halui.
  • Include PyVCP GUI panel - Добавить панель pyVCP.
    См. статью по настройке и применению pyVCP в EMC2
  • Include ClassicLadder PLC - Добавить программируемый контроллер на лестничной логике (Programmable Ladder Logic Controller).

Окончание настройки EMC2 (339417 просмотров) <a class='original' href='./download/file.php?id=789&mode=view' target=_blank>Загрузить оригинал (74.23 КБ)</a>
Окончание настройки EMC2

Заключение


См. также

Нахождение максимальной скорости и ускорения станка
PyVCP дополнительный интерфейс для EMC2 LinuxCNC
Vladimir 2011
Почётный участник
Почётный участник
Сообщения: 221
Зарегистрирован: 20 май 2011, 17:40
Репутация: 19
Контактная информация:

Re: Конфигурация EMC2 LinuxCNC

Сообщение Vladimir 2011 »

День добрый!
Как посчитать (без учета микрошага) количество шагов на мм на оси такой конструкции:
IMAG0070.jpg (2946 просмотров) <a class='original' href='./download/file.php?id=19396&mode=view' target=_blank>Загрузить оригинал (264.57 КБ)</a>
Шаг двигателя 1,8 градуса т.е. 200 на оборот. малая шестерня 10 зубов большая 30 зубов.
Ремень тоже на шестерне 10 зубов. Ремень двигает каретку.
Диаметры можно замерить (как мерять с ремнем или без)
Аватара пользователя
РЕКЛАМА
Почётный участник
Почётный участник
Сообщения: 736
Зарегистрирован: 11 дек 2012, 21:46
Репутация: 80
Откуда: Брянск
Контактная информация:

Re: Конфигурация EMC2 LinuxCNC

Сообщение РЕКЛАМА »

Не хватает шага ремня, но видимо 5 мм. тогда вторичный вал делает 50мм /оборот (шаг*кол.зубьев), мотор 50/3=16,666666667 мм /оборот
Соответственно 16,666666667/200=0,833333333 мм/шаг
или 1,200000048 шаг/мм
Аватара пользователя
РЕКЛАМА
Почётный участник
Почётный участник
Сообщения: 736
Зарегистрирован: 11 дек 2012, 21:46
Репутация: 80
Откуда: Брянск
Контактная информация:

Re: Конфигурация EMC2 LinuxCNC

Сообщение РЕКЛАМА »

Нолик выпал.
Правильно так:
вторичный вал делает 50мм /оборот (шаг*кол.зубьев), мотор 50/3=16,666666667 мм /оборот
Соответственно 16,666666667/200=0,0833333333 мм/шаг
или 12.00000048 шаг/мм
Vladimir 2011
Почётный участник
Почётный участник
Сообщения: 221
Зарегистрирован: 20 май 2011, 17:40
Репутация: 19
Контактная информация:

Re: Конфигурация EMC2 LinuxCNC

Сообщение Vladimir 2011 »

см. ниже
Последний раз редактировалось Vladimir 2011 07 окт 2013, 11:28, всего редактировалось 1 раз.
Vladimir 2011
Почётный участник
Почётный участник
Сообщения: 221
Зарегистрирован: 20 май 2011, 17:40
Репутация: 19
Контактная информация:

Re: Конфигурация EMC2 LinuxCNC

Сообщение Vladimir 2011 »

Немного подумал...
двигатель делает оборот, большой шкив 1/3 оборота, ремень одет на шкив 10 зубов.
т.е. ремень пройдет 10/3*5,08 = 16,93333333333
делим на количество шагов за оборот 16,93333333333/200 = 0,08466666666665 мм/шаг
Да, все верно.
vitaminkvl
Опытный
Сообщения: 164
Зарегистрирован: 25 фев 2013, 10:07
Репутация: 41
Откуда: Санкт-Петербург
Контактная информация:

Re: Конфигурация EMC2 LinuxCNC

Сообщение vitaminkvl »

Помоготе разобраться есть материнская плата к которой подключен самодельный контроллер, ЕМС замечательно работает , но блок питания АТХ после получаса начинает надрываться при работе с этой платой, но не в этом дело. Есть другая материнка от интела втыкаю ее, с ней по питанию все впорядке потому БП работает нормально , НО EMC ведет себя странно при движении Y в одном из направлений заставляет двигаться все оси и Х и Z , то есть в ручном режиме нажимаю Y двигаться вперед, ось поехала. Нажимаю Y двигаться в обратном направлении, самопроизвольно начинают двигаться X Z. При подаче команд "G0 Y0" таже картина . Подозреваю что дело в настройке порта в bios , на той плате где EMС работает хорошо, режим порта стоит SPP "standart parallel port" на интелвской плате перебрал все режимы один фиг картина не меняется сейчас стоит в "авто" режима spp нет но есть "out only" , "bi direction" "EPP" "ECP", может дадите совет куда копать.
Аватара пользователя
Сергей Саныч
Мастер
Сообщения: 9116
Зарегистрирован: 30 май 2012, 14:20
Репутация: 2858
Откуда: Тюмень
Контактная информация:

Re: Конфигурация EMC2 LinuxCNC

Сообщение Сергей Саныч »

out only == SPP
Чудес не бывает. Бывают фокусы.
vitaminkvl
Опытный
Сообщения: 164
Зарегистрирован: 25 фев 2013, 10:07
Репутация: 41
Откуда: Санкт-Петербург
Контактная информация:

Re: Конфигурация EMC2 LinuxCNC

Сообщение vitaminkvl »

ставил тоже самое , неужели порт сдох, они никогда не работали на этих платах, в смысле не использовались сдохнуть не мог
Аватара пользователя
Nick
Мастер
Сообщения: 22776
Зарегистрирован: 23 ноя 2009, 16:45
Репутация: 1735
Заслуга: Developer
Откуда: Gatchina, Saint-Petersburg distr., Russia
Контактная информация:

Re: Конфигурация EMC2 LinuxCNC

Сообщение Nick »

vitaminkvl писал(а):НО EMC ведет себя странно при движении Y в одном из направлений заставляет двигаться все оси и Х и Z , то есть в ручном режиме нажимаю Y двигаться вперед, ось поехала.
1. посмотреть, что linuxcnc выводит на пины в меню Станок-HAL Scope посмотреть на пины parport.0.pin-out... пины step осей.
2. посмотреть, что появляется на пинах порта, когда из linuxCNC посылаем 1 на один из пинов step оси. для этого можно сделать
halcmd unlinkp parport.0.pin-out-(номер пина)
halcmd set parport.0.pin-out-(номер пина) 1 или 0
(при запущеном linuxcnc)
Аватара пользователя
Сергей Саныч
Мастер
Сообщения: 9116
Зарегистрирован: 30 май 2012, 14:20
Репутация: 2858
Откуда: Тюмень
Контактная информация:

Re: Конфигурация EMC2 LinuxCNC

Сообщение Сергей Саныч »

Общий провод от LPT к контроллеру в порядке?
Чудес не бывает. Бывают фокусы.
Аватара пользователя
Nick
Мастер
Сообщения: 22776
Зарегистрирован: 23 ноя 2009, 16:45
Репутация: 1735
Заслуга: Developer
Откуда: Gatchina, Saint-Petersburg distr., Russia
Контактная информация:

Re: Конфигурация EMC2 LinuxCNC

Сообщение Nick »

Кстати, да, провод откуда взят, а то они разные бывают, может быть и не прямой провод....
vitaminkvl
Опытный
Сообщения: 164
Зарегистрирован: 25 фев 2013, 10:07
Репутация: 41
Откуда: Санкт-Петербург
Контактная информация:

Re: Конфигурация EMC2 LinuxCNC

Сообщение vitaminkvl »

Провод прямой прозванивал, если бы было чтото с кабелем то он бы и на первой плате некорректно работал, я меняю только материнку, диск с конфигурацией тоже переключается то есть пины все смотрят туда же что и на первой материнке . В одном случае работает в другом нет. В BIOS на intel плате про lpt есть auto,out only, bi direction,EPP,ECP все попробовал в общем непонятно че ей надо. Подключу сегодня осцил посмотрю реально что на пинах делается.
Аватара пользователя
Сергей Саныч
Мастер
Сообщения: 9116
Зарегистрирован: 30 май 2012, 14:20
Репутация: 2858
Откуда: Тюмень
Контактная информация:

Re: Конфигурация EMC2 LinuxCNC

Сообщение Сергей Саныч »

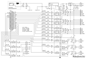
vitaminkvl писал(а):подключен самодельный контроллер
Схему входных цепей контроллера покажите.
Чудес не бывает. Бывают фокусы.
vitaminkvl
Опытный
Сообщения: 164
Зарегистрирован: 25 фев 2013, 10:07
Репутация: 41
Откуда: Санкт-Петербург
Контактная информация:

Re: Конфигурация EMC2 LinuxCNC

Сообщение vitaminkvl »

Вложения
1236068187_sch.jpg (2758 просмотров) <a class='original' href='./download/file.php?id=20049&mode=view' target=_blank>Загрузить оригинал (130.25 КБ)</a>
Аватара пользователя
Сергей Саныч
Мастер
Сообщения: 9116
Зарегистрирован: 30 май 2012, 14:20
Репутация: 2858
Откуда: Тюмень
Контактная информация:

Re: Конфигурация EMC2 LinuxCNC

Сообщение Сергей Саныч »

С USB нормальные 5 вольт идут? Слишком "зеленые" материнки умеют их отключать.
Чудес не бывает. Бывают фокусы.
vitaminkvl
Опытный
Сообщения: 164
Зарегистрирован: 25 фев 2013, 10:07
Репутация: 41
Откуда: Санкт-Петербург
Контактная информация:

Re: Конфигурация EMC2 LinuxCNC

Сообщение vitaminkvl »

Serg-tmn писал(а):С USB нормальные 5 вольт идут? Слишком "зеленые" материнки умеют их отключать.
питание померю конечно точно, но если ктото или чтото отрубит питание от usb то вообще бы ни одна ось не сдвинулась, материнка на 865 чипсете 478 сокет не шибко зеленая то.
Сергей_К
Новичок
Сообщения: 34
Зарегистрирован: 04 сен 2013, 17:02
Репутация: 0
Контактная информация:

Re: Конфигурация EMC2 LinuxCNC

Сообщение Сергей_К »

Проверяйте шнур и плату на наличие замыканий и залипаний, проверьте заземления, напряжения и желательно токи. Блок питания может греться по той-же причине, что и "глючить" оси. Я бы даже посоветовал сделать еще один шнур LPT - но не весь сразу, а поочередно добавляя провода. Сначала экран, затем земля, затем сигнальные по одному.
kurilka
Новичок
Сообщения: 8
Зарегистрирован: 30 окт 2013, 13:55
Репутация: 0
Контактная информация:

Re: Конфигурация EMC2 LinuxCNC

Сообщение kurilka »

Здравствуйте!
Я хочу перевести свой станок с мач3 на emc2. Сейчас пробовал настроить конфигурацию, но не совсем удачно. Выходы порта lpt совпадают только инвертировать нужно, а вот в шагах я запутался.Точнее сказать, у меня при перемещении на 1мм реально перемещение чуть больше или чуть меньше. Есть мануал по настройке для мач3 он в прикреплённом файле. помогите настроить в emc2. Сейчас собираюсь снова операционку сменить т.к в пароле суперпользователя где то допустил опечатку и не могу зайти под рутом.
Вложения
ballscrew 3020-3040 cnc routerGUIDE.pdf
(5.01 МБ) 5001 скачивание
Аватара пользователя
РЕКЛАМА
Почётный участник
Почётный участник
Сообщения: 736
Зарегистрирован: 11 дек 2012, 21:46
Репутация: 80
Откуда: Брянск
Контактная информация:

Re: Конфигурация EMC2 LinuxCNC

Сообщение РЕКЛАМА »

Там все просто.
200 шагов на оборот,
вводите микрошаг, какой стоит на драйверах,
передаточное отношение 1/1 (вал мотора ведь напрямую к швп подцеплен?)
шаг вашего винта (скорее всего 5 мм)
скорость и ускорение какие были раньше или протестировать с кнопочкой "проверить ось"
и ввести границы оси.
всё.
Так-же и с другими осями.
Аватара пользователя
РЕКЛАМА
Почётный участник
Почётный участник
Сообщения: 736
Зарегистрирован: 11 дек 2012, 21:46
Репутация: 80
Откуда: Брянск
Контактная информация:

Re: Конфигурация EMC2 LinuxCNC

Сообщение РЕКЛАМА »

А вот подскажите как достать конфиги вшитых кинематик хотел побаловаться со скарой и гексаподом, не нашел где лежат
Ответить

Вернуться в «LinuxCNC»