Фрезерный ЧПУ станок по дереву 800х600 by SEPT
Re: Фрезерный ЧПУ станок по дереву 800х600 by SEPT
всё это в мск происходит?
мне казалось, выше упоминалось, что раскрой уже был произведен? или фрезеровка только пазов/отверстий?
никто не мешает сделать те же детали из стали и точно так же собрать на резьбовых соединениях, но будет ли это лучше/дешевле?
а боковины портала просчитывались каким-то образом?
и вот кстати еще один вопрос в тему: стальные/чугунные основания зачем-то "шабрят" перед установкой рельсов. почему это не делается на дюрали? и еще, как правильно крепить эти рельсы?
мне казалось, выше упоминалось, что раскрой уже был произведен? или фрезеровка только пазов/отверстий?
никто не мешает сделать те же детали из стали и точно так же собрать на резьбовых соединениях, но будет ли это лучше/дешевле?
а боковины портала просчитывались каким-то образом?
и вот кстати еще один вопрос в тему: стальные/чугунные основания зачем-то "шабрят" перед установкой рельсов. почему это не делается на дюрали? и еще, как правильно крепить эти рельсы?
- SEPT
- Кандидат
- Сообщения: 67
- Зарегистрирован: 05 янв 2015, 02:50
- Репутация: 2
- Настоящее имя: Александр
- Контактная информация:
Re: Фрезерный ЧПУ станок по дереву 800х600 by SEPT
Я купил пока только профиль, круглые направляющие валы с кареткам, ШВП и электроника с муфтами где-то зависли на таможне.pup писал(а):мне казалось, выше упоминалось, что раскрой уже был произведен? или фрезеровка только пазов/отверстий?
Раскрой и фрезеровку еще не заказывал, т.к. у меня есть еще вопросы к коллегам по конструкции станка.
Даже не знаю, можно ли и стоит ли делать портал из толстых листов стали.pup писал(а): никто не мешает сделать те же детали из стали и точно так же собрать на резьбовых соединениях, но будет ли это лучше/дешевле?
Толщину взял 16мм и соединения между собой винтами М8, т.е. для упрощения задачи для фрезеровщика, чтобы не ловить 0,5мм при сверлении отверстий. Т.к. еще не знаю удастся ли мне найти фрезеровку на достаточно точном станке.pup писал(а):а боковины портала просчитывались каким-то образом?
На дюрали это делать не нужно, т.к. плоскость детали фрезеруется с двух сторон. Т.е. в моем случае, это берется плита 18мм и с двух сторон доводится до толщины 16мм - обе плоскости становятся параллельными.pup писал(а):и вот кстати еще один вопрос в тему: стальные/чугунные основания зачем-то "шабрят" перед установкой рельсов. почему это не делается на дюрали? и еще, как правильно крепить эти рельсы?
Re: Фрезерный ЧПУ станок по дереву 800х600 by SEPT
ого. я думал, в общем случае берется стандартный лист дюрали, в нем фрезеруются отверстия, происходит сборка, и всё.SEPT писал(а):На дюрали это делать не нужно, т.к. плоскость детали фрезеруется с двух сторон. Т.е. в моем случае, это берется плита 18мм и с двух сторон доводится до толщины 16мм - обе плоскости становятся параллельными.
к тому же, я думал, шабрение осуществляется с целью устранить неровности/выровнять площадь под рельсы. к тому же я думал, шабрение вовсе не исключает фрезеровки, а скорее является следующей операцией в процессе, ну да ладно.
про конструкцию.где-то на этом же форуме видел шикарные картинки, где моделировали станок, выставляли вектор сил на шпинделе и смотрели, как эти силы влияют на отдельные узлы станка. по-моему там наглядно продемонстрировали, в частности, как много жесткости добавляет правильная форма стенок портала (укосы)
про сталь. сам портал наверняка станет неподъёмным (моторчикам тяжело), а вот основание станка (неподвижную часть) - есть смысл менять на сталь? (но раз никто не делает, наверное, и нету такого смысла...
- SEPT
- Кандидат
- Сообщения: 67
- Зарегистрирован: 05 янв 2015, 02:50
- Репутация: 2
- Настоящее имя: Александр
- Контактная информация:
Re: Фрезерный ЧПУ станок по дереву 800х600 by SEPT
Это в идеале. Я честно не сталкивался до этого, но мне кажется, что такую ровную плиту сложно найти.pup писал(а):ого. я думал, в общем случае берется стандартный лист дюрали, в нем фрезеруются отверстия, происходит сборка, и всё.SEPT писал(а):На дюрали это делать не нужно, т.к. плоскость детали фрезеруется с двух сторон. Т.е. в моем случае, это берется плита 18мм и с двух сторон доводится до толщины 16мм - обе плоскости становятся параллельными.
Поэтому рассуждаю с точки зрения обработки дерева - фугнул одну сторону, а потом в рейсмус.
- SEPT
- Кандидат
- Сообщения: 67
- Зарегистрирован: 05 янв 2015, 02:50
- Репутация: 2
- Настоящее имя: Александр
- Контактная информация:
Re: Фрезерный ЧПУ станок по дереву 800х600 by SEPT
Делают. И даже бетоном заливают.pup писал(а): про сталь. сам портал наверняка станет неподъёмным (моторчикам тяжело), а вот основание станка (неподвижную часть) - есть смысл менять на сталь? (но раз никто не делает, наверное, и нету такого смысла...
Но я не настолько перфекционист. Первый станок купил с рук - на шпильках, с неимоверными люфтами и самодельной электроникой. Второй вот пытаюсь собрать сам. Может будет еще и третий, кто знает..
- SEPT
- Кандидат
- Сообщения: 67
- Зарегистрирован: 05 янв 2015, 02:50
- Репутация: 2
- Настоящее имя: Александр
- Контактная информация:
Re: Фрезерный ЧПУ станок по дереву 800х600 by SEPT
Наконец-то приехала электроника.
В выходные буду что-то колхозить с подключением, пока ничего не понятно.
В выходные буду что-то колхозить с подключением, пока ничего не понятно.
Re: Фрезерный ЧПУ станок по дереву 800х600 by SEPT
а чего её без механики подключать? проверить работоспособность? нужно видео снять и еще внутренности бы драйвера увидеть. wantai - хорошая фирма?
- Predator
- Мастер
- Сообщения: 9583
- Зарегистрирован: 18 июл 2013, 18:26
- Репутация: 2531
- Контактная информация:
Re: Фрезерный ЧПУ станок по дереву 800х600 by SEPT
Самый страшный сон, о шаговом двигателе - это wantai!pup писал(а):wantai - хорошая фирма?
- SEPT
- Кандидат
- Сообщения: 67
- Зарегистрирован: 05 янв 2015, 02:50
- Репутация: 2
- Настоящее имя: Александр
- Контактная информация:
Re: Фрезерный ЧПУ станок по дереву 800х600 by SEPT
Друзья, скажите пожалуйста, можно ли использовать такой вот БП на рейке для питания контроллера и драйверов?
Re: Фрезерный ЧПУ станок по дереву 800х600 by SEPT
по одному такому блоку на каждый драйвер?
- Coffeein
- Почётный участник

- Сообщения: 2144
- Зарегистрирован: 31 янв 2015, 15:24
- Репутация: 291
- Контактная информация:
Re: Фрезерный ЧПУ станок по дереву 800х600 by SEPT
Я не понял, какой драйвер вы хотите питать пяти вольным блок питанием? Индуктивное датчики даже не потянет этот блок.
Уже поздно возвращаться назад, чтобы правильно все начать с начала, но еще не поздно, все начатое правильно закончить...
Наш канал на ютуб - 24TECHO...
все про своими руками и не только.
Наш канал на ютуб - 24TECHO...
все про своими руками и не только.
- SEPT
- Кандидат
- Сообщения: 67
- Зарегистрирован: 05 янв 2015, 02:50
- Репутация: 2
- Настоящее имя: Александр
- Контактная информация:
Re: Фрезерный ЧПУ станок по дереву 800х600 by SEPT
Кроме основного питания, на контроллер нужно подавать +5В.Силвер писал(а):Я не понял, какой драйвер вы хотите питать пяти вольным блок питанием? Индуктивное датчики даже не потянет этот блок.
Варианты взять с компьютерного БП или от отдельного БП.
-
AVK74
- Почётный участник

- Сообщения: 1854
- Зарегистрирован: 02 июл 2013, 09:03
- Репутация: 335
- Откуда: Уфа
- Контактная информация:
Re: Фрезерный ЧПУ станок по дереву 800х600 by SEPT
Один на все хватит.
По пяти вольтам маленький ток.
По пяти вольтам маленький ток.
- SEPT
- Кандидат
- Сообщения: 67
- Зарегистрирован: 05 янв 2015, 02:50
- Репутация: 2
- Настоящее имя: Александр
- Контактная информация:
Re: Фрезерный ЧПУ станок по дереву 800х600 by SEPT
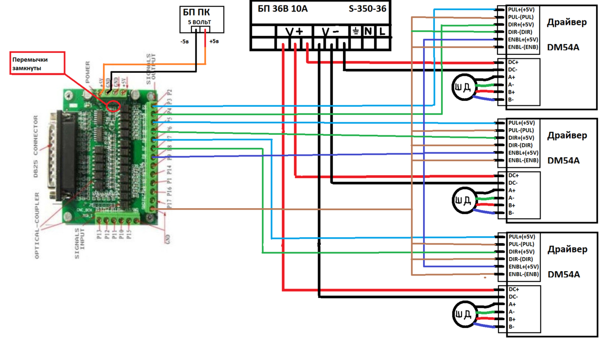
Подключил один драйвер и один ШД, настроил (как мне кажется) МАЧ3, но не мог понять почему ШД крутится только в одну сторону?
Если в МАЧе инвертировать (снять галку) DIR LowActive то вращается в другую сторону (т.е. с кнопками на клаве все ок).
Цифры в МАЧе напротив оси Х меняются, а вращения не происходит (удержание работает, движок греется). ХЕЛП!
Подключал по этой схеме:
Если в МАЧе инвертировать (снять галку) DIR LowActive то вращается в другую сторону (т.е. с кнопками на клаве все ок).
Цифры в МАЧе напротив оси Х меняются, а вращения не происходит (удержание работает, движок греется). ХЕЛП!
Подключал по этой схеме:
Последний раз редактировалось SEPT 17 янв 2016, 20:34, всего редактировалось 1 раз.
- SEPT
- Кандидат
- Сообщения: 67
- Зарегистрирован: 05 янв 2015, 02:50
- Репутация: 2
- Настоящее имя: Александр
- Контактная информация:
Re: Фрезерный ЧПУ станок по дереву 800х600 by SEPT
Если отцепить +5 Enable тоже ничего не меняется.
-
drey82
- Мастер
- Сообщения: 639
- Зарегистрирован: 24 авг 2014, 10:29
- Репутация: 82
- Настоящее имя: Drey
- Откуда: Воронеж
- Контактная информация:
Re: Фрезерный ЧПУ станок по дереву 800х600 by SEPT
минуса все сведи в одну точку, те которые степ- и дир- тоже в общий минус кинь, все должно заработать
- SEPT
- Кандидат
- Сообщения: 67
- Зарегистрирован: 05 янв 2015, 02:50
- Репутация: 2
- Настоящее имя: Александр
- Контактная информация:
Re: Фрезерный ЧПУ станок по дереву 800х600 by SEPT
От я олень..drey82 писал(а):минуса все сведи в одну точку, те которые степ- и дир- тоже в общий минус кинь, все должно заработать
Перемычки на драйвере поставил, а провод на GND контроллера не кинул. Спасибо!
Заработало! И этот звук!!!
Я в восторге!
-
drey82
- Мастер
- Сообщения: 639
- Зарегистрирован: 24 авг 2014, 10:29
- Репутация: 82
- Настоящее имя: Drey
- Откуда: Воронеж
- Контактная информация:
Re: Фрезерный ЧПУ станок по дереву 800х600 by SEPT
удачи!!! и похвастайся ...
- SEPT
- Кандидат
- Сообщения: 67
- Зарегистрирован: 05 янв 2015, 02:50
- Репутация: 2
- Настоящее имя: Александр
- Контактная информация:
Re: Фрезерный ЧПУ станок по дереву 800х600 by SEPT
Смотался сегодня на радиорынок, купил БП на 5В и 10 метров кабеля.
Тот БП что я хотел на DIN-рейке оказался в два раза дороже, но места бы занял тоже в два раза меньше.
Кабель обошелся в 12$ за 10 метров - очень мягкий, как микрофонный.
Тот БП что я хотел на DIN-рейке оказался в два раза дороже, но места бы занял тоже в два раза меньше.
Кабель обошелся в 12$ за 10 метров - очень мягкий, как микрофонный.