Параллельное включение шаговых двигателей
Re: Параллельное включение шаговых двигателей
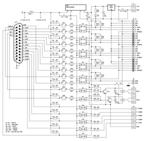
Прикинул я тут немного, чем покупать кучу китайских драйверов, лучше самому собрать. Нужна только плата опторазвязки LPT. Нашёл одну схемку в инете http://datagor.ru/uploads/posts/2012-09 ... te_lpt.jpg стоит брать её?
-
asutpka
- Мастер
- Сообщения: 294
- Зарегистрирован: 17 апр 2013, 14:27
- Репутация: 78
- Контактная информация:
Re: Параллельное включение шаговых двигателей
хм...isx писал(а):Прикинул я тут немного, чем покупать кучу китайских драйверов, лучше самому собрать. Нужна только плата опторазвязки LPT. Нашёл одну схемку в инетестоит брать её?
- michael-yurov
- Почётный участник

- Сообщения: 11731
- Зарегистрирован: 26 июл 2012, 00:10
- Репутация: 4703
- Настоящее имя: Михаил Львович
- Откуда: Новоуральск
- Контактная информация:
Re: Параллельное включение шаговых двигателей
Ошибочка вышла в прикидках то... Детали в России дороже стоят, чем готовые драйверы из Китая.isx писал(а):Прикинул я тут немного, чем покупать кучу китайских драйверов, лучше самому собрать.
А что толку от них от деталей, без корпуса, печатной платы, радиатора и, главное, прошивки?
И, даже, если все это найти - все равно действительно хороших проектов очень мало, а сравнимых по качеству работы и надежности с дешевыми китайскими драйверами - вообще нет.
(мне уже кажется, что мне платят за рекламу китайских драйверов, только я не помню, куда деньги дел...)
Как бы к драйверам отношения практически не имеет.isx писал(а):Нужна только плата опторазвязки LPT.
Нашёл одну схемку в инете. Проще, опять же - купить за 500 руб вместе с доставкой.
Re: Параллельное включение шаговых двигателей
Со ссылкой ошибка вышла... Вот ссылка на статью http://robozone.su/cnc-home/56-interfej ... a-lpt.html

Это всё самому доделывать, думаю как вариант и прошивку самому написать, надо только с литературой будет пошуршать..michael-yurov писал(а):А что толку от них от деталей, без корпуса, печатной платы, радиатора и, главное, прошивки?
К драйверам отношения то не имеет, чтоб просто в будущем работу драйвера корявой развязкой не запороть.michael-yurov писал(а):Как бы к драйверам отношения практически не имеет.
За 500р. с доставкой? Что то слабо мне верится в такие цены... Оно работать то будет?michael-yurov писал(а):Проще, опять же - купить за 500 руб вместе с доставкой.
- michael-yurov
- Почётный участник

- Сообщения: 11731
- Зарегистрирован: 26 июл 2012, 00:10
- Репутация: 4703
- Настоящее имя: Михаил Львович
- Откуда: Новоуральск
- Контактная информация:
Re: Параллельное включение шаговых двигателей
А нет этого в литературе...isx писал(а):и прошивку самому написать, надо только с литературой будет пошуршать..
Делал такую, давным давно, когда ее только опубликовали. Хорошая плата, правильная.isx писал(а):Вот ссылка на статью
Работает. Вот, например, за 400 руб. вполне приличная, но без развязки. http://www.ebay.com/itm/5-Axis-CNC-Brea ... 460ff4a86cisx писал(а):За 500р. с доставкой? Что то слабо мне верится в такие цены... Оно работать то будет?
или вот: http://www.ebay.com/itm/CNC-5-Axis-Brea ... 27cf5cbb65
А вот эта - вообще крутая, с быстродействующей опторазвязкой, честной гальванической развязкой в цепи питания, и импульсным регулятором напряжения, и к ней еще NCStudio можно подключать.
http://www.ebay.com/itm/5-axis-CNC-Brea ... 4610069c6a
Re: Параллельное включение шаговых двигателей
Как так, всё должно бытьmichael-yurov писал(а):А нет этого в литературе...
А что значат выходы EN CK и DR на плате?michael-yurov писал(а):А вот эта - вообще крутая, с быстродействующей опторазвязкой, честной гальванической развязкой в цепи питания, и импульсным регулятором напряжения, и к ней еще NCStudio можно подключать.
NCStudio, я даже не знаю что это
Мне надо всего 3 оси. Если схема которую я выложил действительно хорошая, то проще кинуть на неё нормальных оптронов (хоть тех же 6n137) и собрать. Да и по времени куда быстрей будет, чем доставка из-за бугра. Да и с ебеем я никогда не работал...Только вот не понятно, почему там 2 выхода(степ и дир), а на той, что вы скинули 3...
P.S. Я что-то ранее и не думал, что LPT может выдавать токи, достаточные для зажигания оптрона.
- michael-yurov
- Почётный участник

- Сообщения: 11731
- Зарегистрирован: 26 июл 2012, 00:10
- Репутация: 4703
- Настоящее имя: Михаил Львович
- Откуда: Новоуральск
- Контактная информация:
Re: Параллельное включение шаговых двигателей
Ну, не знаю, во всяком случае - я точно ничего такого не писал, те, кого я знаю - тоже не писали.isx писал(а):Как так, всё должно быть
Enable, Clock (Step), Directionisx писал(а):А что значат выходы EN CK и DR на плате?
Значит - рано еще.isx писал(а):NCStudio, я даже не знаю что это
Если под боком есть магазин, то, конечно. Оптроны там стоят ничем не хуже, хотя, наверное, и не лучше.isx писал(а):Мне надо всего 3 оси. Если схема которую я выложил действительно хорошая, то проще кинуть на неё нормальных оптронов (хоть тех же 6n137) и собрать.
Кому -как. Я бы время пожалел бы. Я вообще напрямую подключил (правда - не к LPT), т.к. в драйверах уже стоят быстродействующие оптроны.isx писал(а):Да и по времени куда быстрей будет, чем доставка из-за бугра.
Есть еще aliexpress.com - там попроще, и PayPal не нужен. Достаточно иметь карточку Visa Classic (или Gold или Platinum), или аналогичную Master Card с возможностью международного обслуживания. Либо - вообще за небольшую комиссию сделать виртуальную карту QIWI. Хотя, сейчас и в России можно без проблем купить хорошие комплектующие по адекватной цене. Мне, например, нравится магазин http://darxton.ru/isx писал(а):Да и с ебеем я никогда не работал...
Вроде тоже по 3isx писал(а):Только вот не понятно, почему там 2 выхода(степ и дир), а на той, что вы скинули 3...
Современные - могут, а вообще стандарт LPT не предусматривал такой возможности. А почему спросили? вроде бы никто напрямую и не подключает LPT к оптронам.isx писал(а):P.S. Я что-то ранее и не думал, что LPT может выдавать токи, достаточные для зажигания оптрона.
Re: Параллельное включение шаговых двигателей
Ну если что поимпровизируюmichael-yurov писал(а):Ну, не знаю, во всяком случае - я точно ничего такого не писал, те, кого я знаю - тоже не писали.
А за что отвечает Enable, какова его функция?michael-yurov писал(а):Enable, Clock (Step), Direction
Чёт я ночью совсем и не заметил микрухуmichael-yurov писал(а): А почему спросили? вроде бы никто напрямую и не подключает LPT к оптронам.
Через USB мач я вряд ли осилю...michael-yurov писал(а):Я вообще напрямую подключил (правда - не к LPT)
- michael-yurov
- Почётный участник

- Сообщения: 11731
- Зарегистрирован: 26 июл 2012, 00:10
- Репутация: 4703
- Настоящее имя: Михаил Львович
- Откуда: Новоуральск
- Контактная информация:
Re: Параллельное включение шаговых двигателей
Переключает драйверы в активный режим (хотя, чаще - наоборот - отключает их), чтобы драйверы подали ток удержания на моторы.isx писал(а):А за что отвечает Enable, какова его функция?
А я ничего и не говорил про USB и про Mach. Но это уже другая тема.isx писал(а):Через USB мач я вряд ли осилю...
Re: Параллельное включение шаговых двигателей
Ладно, будем идти постепенно. Как соберу питание отпишу. Очень я грешу на него, мои движки (42-е) за вал мизинцем остановить можно. Либо питание слабовато, либо драйвер Г... полное...
Re: Параллельное включение шаговых двигателей
У меня просто слов нет. Начал проверять момент удержания. Взял БП свой, подцепил к мотору - реакция - 0. В этих движках, как выяснилось, перепутаны зелёные и синие провода (причём во всех!). От того наверно ничего и не тянет. Д я и вообще не пойму, как они крутились до этого. Завтра проверку буду проводить на станке с драйверами.
Каков вердикт будет по движкам? Сдать нафиг этот китай поганный обратно, или на заводе тоже могут накосячить?
Вот фото движков:
Каков вердикт будет по движкам? Сдать нафиг этот китай поганный обратно, или на заводе тоже могут накосячить?
Вот фото движков:
- michael-yurov
- Почётный участник

- Сообщения: 11731
- Зарегистрирован: 26 июл 2012, 00:10
- Репутация: 4703
- Настоящее имя: Михаил Львович
- Откуда: Новоуральск
- Контактная информация:
Re: Параллельное включение шаговых двигателей
Моторы очень похожи на настоящий Fuling Motors. Я бы не отдавал бы.
Прозвоните обмотки тестером и всего делов. Хотя, конечно, странно, что цвета проводов перепутали. Может быть все же в инструкции ошибка?
Прозвоните обмотки тестером и всего делов. Хотя, конечно, странно, что цвета проводов перепутали. Может быть все же в инструкции ошибка?
Re: Параллельное включение шаговых двигателей
Прозвонил. Схему смотрел с оф. сайта. Косяк есть, перепутаны...
- michael-yurov
- Почётный участник

- Сообщения: 11731
- Зарегистрирован: 26 июл 2012, 00:10
- Репутация: 4703
- Настоящее имя: Михаил Львович
- Откуда: Новоуральск
- Контактная информация:
Re: Параллельное включение шаговых двигателей
Вы про какой из официальных сайтов говорите?isx писал(а):Прозвонил. Схему смотрел с оф. сайта. Косяк есть, перепутаны...
Посмотрел у вашего продавца http://stepmotor.ru/fl42sth/ и на сайте производителя http://www.fullingmotor.com/en/ProductShow.asp?ID=246
И там и там все правильно нарисовано. У меня такая же разводка у моторов. Она не менялась уже более 10 лет.
Re: Параллельное включение шаговых двигателей
Про Fullingmotor, хотя и на Stepmotor тоже...michael-yurov писал(а):Вы про какой из официальных сайтов говорите?
Проверил. Результат тот же, только крутит инверсно.
Кидал на одну полуобмотку 3.3В от компового БП (на 42-е моторы) - рукой фиг повернёшь.
- michael-yurov
- Почётный участник

- Сообщения: 11731
- Зарегистрирован: 26 июл 2012, 00:10
- Репутация: 4703
- Настоящее имя: Михаил Львович
- Откуда: Новоуральск
- Контактная информация:
Re: Параллельное включение шаговых двигателей
Не понял. А когда крутит не инверсно?isx писал(а):Проверил. Результат тот же, только крутит инверсно.
Стоило бы, конечно, измерить конкретные цифры,isx писал(а):Кидал на одну полуобмотку 3.3В от компового БП (на 42-е моторы) - рукой фиг повернёшь.
но все же, при сопротивлении обмотки 4,6 Ом получается ток 0,72 А, что значительно меньше номинального.
А если уж даже при таком токе "рукой фиг повернешь", значит моторы работают исправно, и проблема в драйверах, управляющем сигнале или источнике питания.
Re: Параллельное включение шаговых двигателей
Ну в МАЧе направления движения инвертируются (жмешь вперёд, а он назад едет, жмёшь назад, а он вперёд).michael-yurov писал(а):Не понял. А когда крутит не инверсно?
Не могу, шкива нет на вал. Я подобрал туда пластиковый шкив от чего-то, но он прокручивал кода я пытался прокрутить вал (киллограммов 5/см момент я всё же дал на вал.).michael-yurov писал(а):Стоило бы, конечно, измерить конкретные цифры
В названии движков я накосячил. У меня FL42STH47-1206A, у них 3.3 Ома.
- michael-yurov
- Почётный участник

- Сообщения: 11731
- Зарегистрирован: 26 июл 2012, 00:10
- Репутация: 4703
- Настоящее имя: Михаил Львович
- Откуда: Новоуральск
- Контактная информация:
Re: Параллельное включение шаговых двигателей
Так а при чем тут цвета проводов то? Полярность сигнала Dir в Mach3 поменять просто нужно.isx писал(а):Ну в МАЧе направления движения инвертируются (жмешь вперёд, а он назад едет, жмёшь назад, а он вперёд).
Наверное, все же, с цветовой маркировкой все в порядке. А то я тут голову ломаю - моторы фирменные, а цвета проводов не совпадают.. У меня в мозгу не стыкуется, как один из крупнейших производителей шаговых моторов мог так лохануться.
Значит, все равно ток был меньше номинального 1,2 A.isx писал(а):У меня FL42STH47-1206A, у них 3.3 Ома.
3,3 ома, это половины обмоток, я так понимаю?
Видимо, все таки, драйверы так работают, или скорость слишком высокая для 12 В питания.
Re: Параллельное включение шаговых двигателей
Это как я поменял местами голубой и зелёный провода (сделал как положено с учётом косяка в расцветке проводов) движение инвертировалось, но по моменту разницы не было.michael-yurov писал(а):Так а при чем тут цвета проводов то? Полярность сигнала Dir в Mach3 поменять просто нужно.
Вот схема обмоток (в самом низу) http://stepmotor.ru/fl42sth/ . Она такая же как и на сайте fULLINGMOTOR. На ней чёрный и зелёный провода являются концами одной обмотки, а у меня эти провода принадлежат разным обмоткам (прозванивал несколько раз). У меня зелёный и красный - концы одной обмотки, а чёрный и синий - концы другой...
Пробовал ставить низкую скорость - около 5 шаг/сек. - та же фигня. Наверно даже и не в питании то дело. Неужто драйвер настолько поганыйmichael-yurov писал(а):Видимо, все таки, драйверы так работают, или скорость слишком высокая для 12 В питания.
- michael-yurov
- Почётный участник

- Сообщения: 11731
- Зарегистрирован: 26 июл 2012, 00:10
- Репутация: 4703
- Настоящее имя: Михаил Львович
- Откуда: Новоуральск
- Контактная информация:
Re: Параллельное включение шаговых двигателей
Фигня какая-то. А средние выводы каких цветов?isx писал(а):На ней чёрный и зелёный провода являются концам и одной обмотки, а у меня эти провода принадлежат разным обмоткам (прозванивал несколько раз). У меня зелёный и красный - концы одной обмотки, а чёрный и синий - концы другой...
Напишите полностью, как у вас провода выведены, чтобы понятнее было (например, в инструкции - черный-желтый-зеленый и красный-белый-синий). А у вас как?
Телепатов нет.isx писал(а):Неужто драйвер настолько поганый![]()
Плохо у меня в голове стыкуется "нормальный" и "полушаговый". У драйвера ШИМ регулировка тока хотя бы есть? На какой ток настроен драйвер?isx писал(а):Попробую сделать полушаговый нормальный драйвер на МК (программа там проще простого) и прогнать на тех же 12-ти вольтах, тогда ясно будет в чём дело...
стоит брать её?