В запрос выше не указывалось что нужен пример для хобби варианта,NikolayUa24 писал(а):Цена порадовала для хобби варианта
Это смотря где брать, можно вразы дешевше взять

В запрос выше не указывалось что нужен пример для хобби варианта,NikolayUa24 писал(а):Цена порадовала для хобби варианта

дык до первого клина и ездят))) как только кто то пропустит шаг - добрый вечер клинniksooon писал(а):а как-же портальники на шаговиках ездютъ да без обратных связей ?
Ну шаговик то машина простая, ему проблемы сервы неведомы...niksooon писал(а):Жути-то понагнали ..... а как-же портальники на шаговиках ездютъ да без обратных связей ?
Не то словоniksooon писал(а):Жути-то понагнали .....
Скорее всего так и есть, так как ось Y длинная, там стоят вращающийся гайки со шкивами с редукцией, и момент затяжки подшипников там немного разные у них и они всё-таки крутятся по-разному, то есть усилия на винте с разных сторон и может быть, в разных местах разное, и поэтому отсюда и проблеммы вытекают, а сервы дешёвка и на такое неспособны или не догадывается об этом, как обработать. Плюс, я не с такой специалист, который сможет их правильно настроить с их кривым софтом... через блокнот, каждый параметр, через ctrl+F менять и пробовать до бесконечностиUAVpilot писал(а):Проблема известная и она не в софте драйвера, а в принципе управления - сейчас каждый привод сам по себе и они постоянно будут бороться друг с другом. То, что у вас не сразу "выскакивает" Alarm скорее всего означает загрублённую чувствительность "мягкий привод"Hugo писал(а):Софт кривой и не тестированный, они какой то говнософт написали, и нате покупайте, бизнес пошел. На простых схемах с 1 винтом ведь работает, а ситуации посложнее... проблемы сами решайте...
Правильное решение проблемы тоже известно - согласование движений приводов. Проще всего это сделать средствами ЧПУ (LinuxCNC умеет), но для этого надо заводить ОС в ЧПУ. Либо использовать сервоприводы, умеющие работать в паре - они соединяются друг с другом особым образом и часто для ЧПУ видны как один привод.
Неправильное тоже есть, но оно вам не понравится.
Через меню, обычно настраивают 2 пункта и все, на моем станке сейчас так, на убитых винтах с забитой погрешностью по 7 квалитету отверстия расфрезреовываю.NikolayUa24 писал(а):Сервы - Wenling YUHAI ПО есть для настройки ? или тоже через меню по пунктам ?
Опрос на ошибки, какая то софтина чтобы не кнопочками, а через монитор.NikolayUa24 писал(а):RS485 и RS232
Тут главное как это все дело связать что бы оно работало, два комплекта на одну ось. Без LCNC и ASDA-M-F за 2 штуки баксов.MGG писал(а): Тут же публика берет сервы, чтобы их настраивать, работать зачем, главное настройка, главное ПО, и так по кругу.
А я выше сразу написал, что сильно от ЧПУ зависит.NikolayUa24 писал(а):Тут главное как это все дело связать что бы оно работало, два комплекта на одну ось. Без LCNC и ASDA-M-F за 2 штуки баксов.MGG писал(а): Тут же публика берет сервы, чтобы их настраивать, работать зачем, главное настройка, главное ПО, и так по кругу.
Типа так, и можно рискнуть купить.
https://www.youtube.com/watch?v=UbQVKM-rNuE
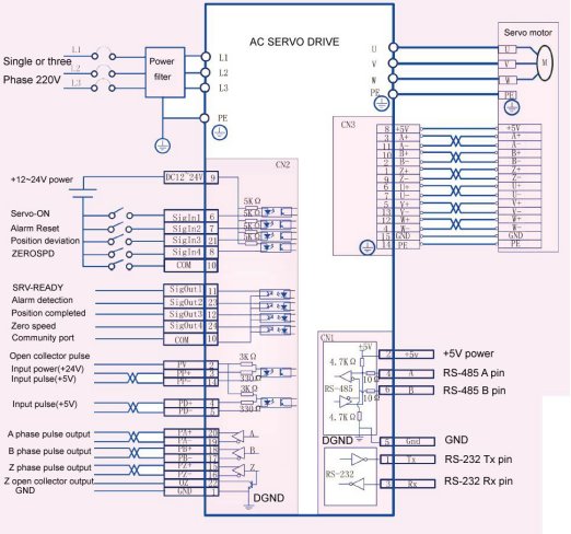
Так на ваших серваках как бы присутствует интегрированная шина CANopen 485 или это не он ?Hugo писал(а):Но ведь как-то ставят и запускают ведь...
Упоминания о таком режиме встречал у Панасоников и Яскав, ещё вроде Хантер говорил, что Дельты умеют. Самолично пробовал такой режим на Гранитах. Если совсем грубо, то энкодер первого мотора подключается к драйверу второго и т.д., а энкодер последнего к драйверу первого, ну и в приводах включается соотв. режимы. Только мне кажется, что этот режим не для чпу - полагаю будут задержки в зависимости от количества приводов, но два визуально работали вполне нормально. Ну и хоминг у них будет только механический...sima8520 писал(а):есть пример такой сервы?
ЧПУ видит реальное положение обоих приводов и может управлять скоростью их "прихода к косенсусу", независимые-же приводы стараются исправить ошибку максимально быстро и каждый по своему. Опять-же при хорошей дискретности позционирования, например 0.001мм можно задать для приводов допустимую погрешность например в 0.005ммUmnik писал(а):Сергей, как на твой взгляд это делается правильно?
Сигнал с энкодера заводим в ЧПУ, система видит что в реальности происходит с серваками.
Без разницы. При ОС по позиции управлять надо скоростью, это можно делать и импульсами (частота пропорциональна скорости) и аналоговым сигналом (напряжение пропорционально скорости).Umnik писал(а):При этом сервы управляются как?
По степ-диру или же по аналогу?
Контур по позиции (PID) будет в ЧПУ.Umnik писал(а):Контур позиции остается в сервопаке или переносится в ЧПУ?
Почему убили? Ставь соотв. ЧПУ и летай.NikolayUa24 писал(а):Не то слово, убили мечту полетать на дешевой китайской серве.
Они для конфигурирования и возможно для управления (не реалтайм), но связать между собой точно нельзя - там только slave режим, никто командовать не будет, все будут ждать команд.NikolayUa24 писал(а):Попробую спросить китайцавозможно ли как то связать между собой aasd-15A там есть разъемы RS485 и RS232, но для каких они целей
![]()
Я так понимаю, ты говоришь о синхронизации осей, когда ЧПУ видит какая на сколько отстает и может малость притормозить другие, чтобы круг был кругом, а не овалом на выходе?UAVpilot писал(а):ЧПУ видит реальное положение обоих приводов и может управлять скоростью их "прихода к косенсусу", независимые-же приводы стараются исправить ошибку максимально быстро и каждый по своему. Опять-же при хорошей дискретности позционирования, например 0.001мм можно задать для приводов допустимую погрешность например в 0.005мм
Т.е. мы должны переключить серву в режим управления скоростью, при этом на сервопак приходит аналоговый сигнал?UAVpilot писал(а):Без разницы. При ОС по позиции управлять надо скоростью, это можно делать и импульсами (частота пропорциональна скорости) и аналоговым сигналом (напряжение пропорционально скорости).
Разница только в том, что в первом случае привод может определить заданную скорость только после прихода второго импульса (измерить время между двумя импульсами), а во втором скорость становится известна прямо сразу.

Скорость можно задать аналогом +-10в и степами. И при степах если завести в ОС в ЧПУ, нужно будет ПИД настраивать в ЧПУ.Umnik писал(а):Я веду к тому, что если мы хотим завести ОС от сервы в ЧПУ, то должны серву переключить в режим управления скоростью, при этом ЧПУ рулить будет сервопаком по аналогу, а контур положения "переедет" в ЧПУ, в серве останется контур скорости и контур тока.
Похоже, по крайней мере дельты В2 серии умеют рулить скоростью тока по аналогу....aftaev писал(а):Скорость можно задать аналогом +-10в и степами. И при степах если завести в ОС в ЧПУ, нужно будет ПИД настраивать в ЧПУ.
В самом простом случае если одна серва немного недоехала/переехала, то ЧПУ не позволит ей исправлять ошибку максимально быстро, приводя к "раскачке" конструкции, которая может повлиять на позицию другой сервы и заставить её так-же уточнять свою позицию. Когда обе независимые сервы начинают самостоятельно исправлять ошибки "наведённые" другой сервой, то может случится "цепная реакция", которая и приводит к перегрузке одного из приводов.Umnik писал(а):Я так понимаю, ты говоришь о синхронизации осей, когда ЧПУ видит какая на сколько отстает и может малость притормозить другие, чтобы круг был кругом, а не овалом на выходе?
Нет. Повторюсь: скорость - это частота импульсов step. Никто не помешает ЧПУ/контроллеру подавать на вход сервы импульсы с конкретной частотой не считая их количество.Umnik писал(а):Похоже, по крайней мере дельты В2 серии умеют рулить скоростью тока по аналогу....

Даже дешевые сервы и шаговики могут управляться скоростью по степу. Любой ЧПУ станок на шаговиках умеет ездить с разной скоростью.Umnik писал(а):Похоже, по крайней мере дельты В2 серии умеют рулить скоростью тока по аналогу....

Можно и на Р и на S. Если взять Lcnc для примера, то это зависит какие платы МЕСА используются. В качестве задания скорости будет выдаваться аналог или степ/дир.Umnik писал(а):какой режим указываем в настройках - "P" или "S"?