Серва встаёт на удержание при активации сигнала S-ON.Evgen91 писал(а):Да и серва бы не вставала в удержание без подачи сигналов на sign, а я полностью с отцепленнными step/dir и питанием Am26ls31 пробовал серву за вал - стоит в удержании с резиновым валом.
Подключение и настройка серв Panasonic Minas
- Serg
- Мастер
- Сообщения: 21923
- Зарегистрирован: 17 апр 2012, 14:58
- Репутация: 5183
- Заслуга: c781c134843e0c1a3de9
- Настоящее имя: Сергей
- Откуда: Москва
- Контактная информация:
Re: Подключение и настройка серв Panasonic Minas
Я не Христос, рыбу не раздаю, но могу научить, как сделать удочку...
- Evgen91
- Опытный
- Сообщения: 164
- Зарегистрирован: 20 июн 2018, 20:25
- Репутация: 15
- Настоящее имя: Евгений
- Откуда: Курган
- Контактная информация:
Re: Подключение и настройка серв Panasonic Minas
Да, нужные параметры в мануале на серву есть. И схема подключения для тестового запуска тут же есть.Smlua писал(а):В инструкции по подключению НСстудии есть диаграммы для подключения платы к сервоприводу с пинами, которые нужно использовать. Вот наверное и к обычной плате подойдет такая схема.
ну и настройки основных параметров привода тоже
Илья brynet83 подсказал, что входы сервы могут быть cw/ccw - туда/сюда, а не step/dir - импульсы/направление.
Сейчас попробую перекомутироваться
- Evgen91
- Опытный
- Сообщения: 164
- Зарегистрирован: 20 июн 2018, 20:25
- Репутация: 15
- Настоящее имя: Евгений
- Откуда: Курган
- Контактная информация:
Re: Подключение и настройка серв Panasonic Minas
Дада, это я понимаю. Разъем сегодня еще раз перешерстил.UAVpilot писал(а):Серва встаёт на удержание при активации сигнала S-ON.Evgen91 писал(а):Да и серва бы не вставала в удержание без подачи сигналов на sign, а я полностью с отцепленнными step/dir и питанием Am26ls31 пробовал серву за вал - стоит в удержании с резиновым валом.
Оставил только +24 на COM+
и -24 на COM- и SRV-ON
Сейчас перекоммутируюсь на управление cw/ccw, похоже, что входы сервы понимают только такое управление.
-
Smlua
- Мастер
- Сообщения: 806
- Зарегистрирован: 15 май 2017, 16:29
- Репутация: 374
- Настоящее имя: Mikhail
- Контактная информация:
Re: Подключение и настройка серв Panasonic Minas
вот параметр 42 на 3-ку поменяйте
- Evgen91
- Опытный
- Сообщения: 164
- Зарегистрирован: 20 июн 2018, 20:25
- Репутация: 15
- Настоящее имя: Евгений
- Откуда: Курган
- Контактная информация:
Re: Подключение и настройка серв Panasonic Minas
да, точно, поменял.Smlua писал(а):вот параметр 42 на 3-ку поменяйте
Ток при смене направления так же полярность меняет,
величина тока стала почти одинаковая, в одном направлении около 3,8мА, в другом около 3,3мА.
Но ротор при этом все равно вращается только в одном направлении.
-
Smlua
- Мастер
- Сообщения: 806
- Зарегистрирован: 15 май 2017, 16:29
- Репутация: 374
- Настоящее имя: Mikhail
- Контактная информация:
Re: Подключение и настройка серв Panasonic Minas
Значит ещё раз проверьте степ Дир. Такое было на дельте, только в одну сторону, в инструкции были перепутаны названия.
- Evgen91
- Опытный
- Сообщения: 164
- Зарегистрирован: 20 июн 2018, 20:25
- Репутация: 15
- Настоящее имя: Евгений
- Откуда: Курган
- Контактная информация:
Re: Подключение и настройка серв Panasonic Minas
это типа puls1 puls2 и sign1 sign2 перепутаны местами?Smlua писал(а):Значит ещё раз проверьте степ Дир. Такое было на дельте, только в одну сторону, в инструкции были перепутаны названия.
- Serg
- Мастер
- Сообщения: 21923
- Зарегистрирован: 17 апр 2012, 14:58
- Репутация: 5183
- Заслуга: c781c134843e0c1a3de9
- Настоящее имя: Сергей
- Откуда: Москва
- Контактная информация:
Re: Подключение и настройка серв Panasonic Minas
Параметр "Command pulse format" нужно изменить на "pulse train + signal". Номер параметра не знаю, у A5II это Pr0.07.
Я не Христос, рыбу не раздаю, но могу научить, как сделать удочку...
-
tehnic
- Мастер
- Сообщения: 346
- Зарегистрирован: 02 апр 2018, 23:23
- Репутация: 20
- Настоящее имя: Александр
- Контактная информация:
Re: Подключение и настройка серв Panasonic Minas
Спасибо!!! Но что то никак не найду такого параметра, гляжу в книгу вижу фигу). Ткните пальцем в номер параметра.Brynet83 писал(а):в настройках есть параметр не проверять на соответствие двигателя, по идее должно помочь, но мне изменить его не удалось, привод не даёт и возвращает в значение по умолчанию, возможно, от версии прошивки ещё зависит, попробуйте на своем.
-
Brynet83
- Мастер
- Сообщения: 270
- Зарегистрирован: 06 апр 2016, 13:13
- Репутация: 17
- Настоящее имя: ILYA
- Откуда: Санкт-Петербург
- Контактная информация:
Re: Подключение и настройка серв Panasonic Minas
Минасов 4 или 5 не осталось в наличии на данный момент, негде посмотреть.tehnic писал(а):Ткните пальцем в номер параметра.
Давно это было чтоб по памяти рассказывать, возможно, он назывался что-то типа автоопределение двигателя. Все равно не поддавался изменению. Проще купить соответствующие привод и мотор, а лишний ненужный комплект продать.
P.S. А, вообще, яскава самые дружелюбные сервы, там таких проблем вообще нет)
- Evgen91
- Опытный
- Сообщения: 164
- Зарегистрирован: 20 июн 2018, 20:25
- Репутация: 15
- Настоящее имя: Евгений
- Откуда: Курган
- Контактная информация:
Re: Подключение и настройка серв Panasonic Minas
Да, это как раз 42 параметр у моей минас Е.UAVpilot писал(а):Параметр "Command pulse format" нужно изменить на "pulse train + signal". Номер параметра не знаю, у A5II это Pr0.07.
В нем-то и была загвоздка. Я не до глядел по невнимательности.
Ну, и с Am26ls31 что-то не заладилось у меня. Сегодня перецепил входы сервы на выходы step/dir/enable и все поехало. До этого в 42 параметре стоял не step/dir, а cw/ccw, поэтому с прямым подключением (что-то там про открытый коллектор) не поехало сразу и я начал распаивать Am26ls31.
Чуть позже распишу, что куда присоеденял и на какие параметры нужно обратить внимание.
-
tehnic
- Мастер
- Сообщения: 346
- Зарегистрирован: 02 апр 2018, 23:23
- Репутация: 20
- Настоящее имя: Александр
- Контактная информация:
Re: Подключение и настройка серв Panasonic Minas
Как раз все дело в том, что есть соответствующий привод MCDHT3520E и мотор MHMD082P1S, только куплены по раздельности. При пробном запуске в JOG выдает ошибку 16, пробовал менять настройки, запустить не получается. Вот и не знаю что не исправно привод или мотор. Хотел попробовать подключить 100% рабочий мотор и исключить не работающий элемент.Brynet83 писал(а):Проще купить соответствующие привод и мотор, а лишний ненужный комплект продать.
-
Brynet83
- Мастер
- Сообщения: 270
- Зарегистрирован: 06 апр 2016, 13:13
- Репутация: 17
- Настоящее имя: ILYA
- Откуда: Санкт-Петербург
- Контактная информация:
Re: Подключение и настройка серв Panasonic Minas
Ошибка сразу вываливается при подключении?
Мотор даже не пытался дрыгаться? В заводские делали сброс?
Варианты косвенно оценить есть, но опять же проще с кем-то пересечься из местных, привода и моторы эти не редкость.
Мотор даже не пытался дрыгаться? В заводские делали сброс?
Варианты косвенно оценить есть, но опять же проще с кем-то пересечься из местных, привода и моторы эти не редкость.
-
tehnic
- Мастер
- Сообщения: 346
- Зарегистрирован: 02 апр 2018, 23:23
- Репутация: 20
- Настоящее имя: Александр
- Контактная информация:
Re: Подключение и настройка серв Panasonic Minas
Нет, не сразу. Запускал в PANATERM TRIALRUNBrynet83 писал(а):Ошибка сразу вываливается при подключении?
Да, дёргается.Brynet83 писал(а):Мотор даже не пытался дрыгаться?
Не знаю как.Brynet83 писал(а): В заводские делали сброс?
Не знаю таких.Brynet83 писал(а):пересечься из местных, привода и моторы эти не редкость.
-
Brynet83
- Мастер
- Сообщения: 270
- Зарегистрирован: 06 апр 2016, 13:13
- Репутация: 17
- Настоящее имя: ILYA
- Откуда: Санкт-Петербург
- Контактная информация:
Re: Подключение и настройка серв Panasonic Minas
Сбрасывайте в заводские в Panaterm, после этого вероятнее всего все нормально заработает.
16 ошибка по перегрузу выскакивает, насколько понимаю, его колбасит при постановке в режим удержания (режим JOG/ servo-on/ TRIALRUN) - попрыгал по столу и ушел в ошибку.
Либо править руками параметры момент инерции и др, но 1 вариант проще, быстрее, понятнее.
16 ошибка по перегрузу выскакивает, насколько понимаю, его колбасит при постановке в режим удержания (режим JOG/ servo-on/ TRIALRUN) - попрыгал по столу и ушел в ошибку.
Либо править руками параметры момент инерции и др, но 1 вариант проще, быстрее, понятнее.
-
tehnic
- Мастер
- Сообщения: 346
- Зарегистрирован: 02 апр 2018, 23:23
- Репутация: 20
- Настоящее имя: Александр
- Контактная информация:
Re: Подключение и настройка серв Panasonic Minas
Brynet83 писал(а):Сбрасывайте в заводские в Panaterm
Если Вы подскажите будет просто замечательно.tehnic писал(а):Не знаю как.
-
putnik
- Опытный
- Сообщения: 173
- Зарегистрирован: 07 апр 2015, 16:31
- Репутация: 5
- Настоящее имя: Батыр
- Контактная информация:
Re: Подключение и настройка серв Panasonic Minas
Подскажите чайнику, на L1, L2, L3, и на L1C, L2C.
Подаётся 220в, на каждую? В первый раз подключаю серво.
Подаётся 220в, на каждую? В первый раз подключаю серво.
- Unikus
- Опытный
- Сообщения: 194
- Зарегистрирован: 22 ноя 2010, 01:53
- Репутация: 1
- Настоящее имя: Николай
- Откуда: Португалия,Порто
- Контактная информация:
Re: Подключение и настройка серв Panasonic Minas
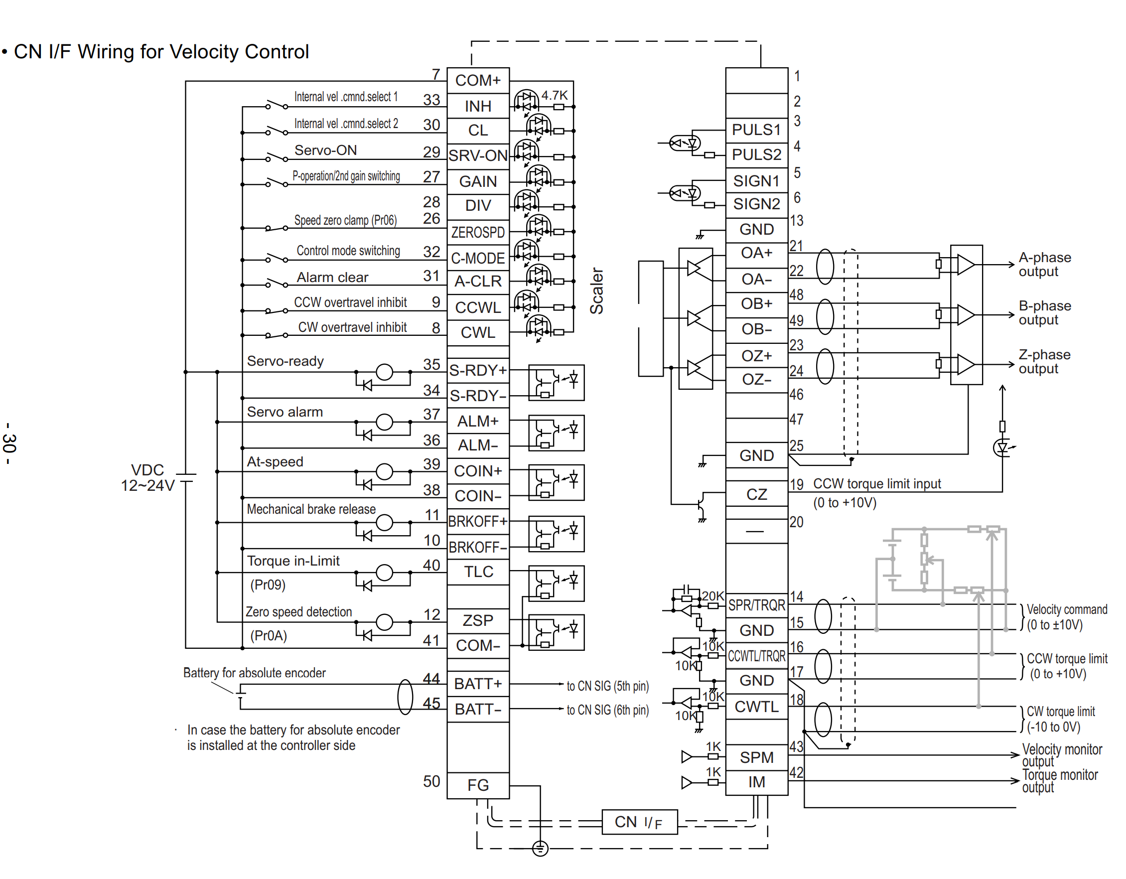
Братья, подскажите плиз такой момент. Хочу подключить серву в режиме скорости. Из схемы понятно , что нужно подать на контакт 14 питание до 10-ти вольт. А как управлять направлением вращения ? Или в этом режиме невозможно ?
-
Kost_irk
- Мастер
- Сообщения: 1000
- Зарегистрирован: 19 июл 2018, 07:46
- Репутация: 194
- Откуда: Иркутск
- Контактная информация:
Re: Подключение и настройка серв Panasonic Minas
Там написано плюс минус 10, и это неспроста.
-
Duhas
- Мастер
- Сообщения: 1961
- Зарегистрирован: 10 окт 2015, 23:25
- Репутация: 285
- Настоящее имя: Андрей
- Откуда: Красноярск
- Контактная информация:
Re: Подключение и настройка серв Panasonic Minas
в целом да, 0 не едем, +10 едем вперед, -10 - назад.
бывает что в параметрах сервы можно поменять это дело, и сделать нулем, например, 5 вольт, 0 - едем назад, 5 - стоим, 10 - вперед.. ну тут уже надо изучать мануал на конкретно вашу и что там у нее поддерживает аналоговый вход. бывает также 0-10В скорость и отдельно дискретным входом направление
бывает что в параметрах сервы можно поменять это дело, и сделать нулем, например, 5 вольт, 0 - едем назад, 5 - стоим, 10 - вперед.. ну тут уже надо изучать мануал на конкретно вашу и что там у нее поддерживает аналоговый вход. бывает также 0-10В скорость и отдельно дискретным входом направление