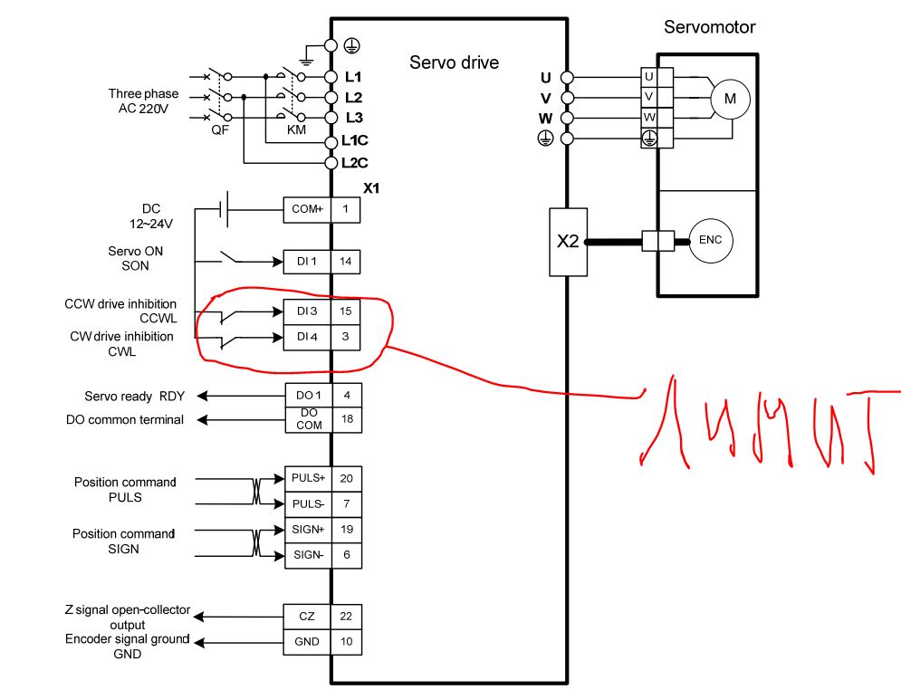
С горем попалам слегка настроил привода.
пока на столе.
самое сложное было настроить сам контроллер.
EMC немного быстрее но всетаки не просто.
Спасибо Nilk раздел EMC2 Integrators Manual Перевод на русский язык очень полезная вещь.
итак вот что получилось.
Код: Выделить всё
# Generated by PNCconf at Wed Nov 21 13:23:12 2012
# Все изменения в этом файле будут перезаписаны
# overwritten when you run PNCconf again
[EMC]
MACHINE = CNC_final
DEBUG = 0
[DISPLAY]
DISPLAY = axis
POSITION_OFFSET = RELATIVE
POSITION_FEEDBACK = ACTUAL
MAX_FEED_OVERRIDE = 2.000000
MAX_SPINDLE_OVERRIDE = 1.000000
MIN_SPINDLE_OVERRIDE = 0.500000
INTRO_GRAPHIC = linuxcnc.gif
INTRO_TIME = 5
PROGRAM_PREFIX = /home/vova/linuxcnc/nc_files
INCREMENTS = 5mm 1mm .5mm .1mm .05mm .01mm .005mm
POSITION_OFFSET = RELATIVE
POSITION_FEEDBACK = ACTUAL
DEFAULT_LINEAR_VELOCITY = 42
MAX_LINEAR_VELOCITY = 42
MIN_LINEAR_VELOCITY = 1
DEFAULT_ANGULAR_VELOCITY = 0.250000
MAX_ANGULAR_VELOCITY = 1.000000
MIN_ANGULAR_VELOCITY = 0.010000
EDITOR = gedit
GEOMETRY = xyz
[FILTER]
PROGRAM_EXTENSION = .png,.gif,.jpg Greyscale Depth Image
PROGRAM_EXTENSION = .py Python Script
png = image-to-gcode
gif = image-to-gcode
jpg = image-to-gcode
py = python
[TASK]
TASK = milltask
CYCLE_TIME = 0.010
[RS274NGC]
PARAMETER_FILE = linuxcnc.var
[EMCMOT]
EMCMOT = motmod
COMM_TIMEOUT = 1.0
COMM_WAIT = 0.010
SERVO_PERIOD = 1000000
[HOSTMOT2]
# **** This is for info only ****
# DRIVER0=hm2_pci
# BOARD0=5i20
[HAL]
HALUI = halui
HALFILE = CNC_final.hal
HALFILE = custom.hal
POSTGUI_HALFILE = postgui_call_list.hal
SHUTDOWN = shutdown.hal
[HALUI]
[TRAJ]
AXES = 3
COORDINATES = X Y Z
LINEAR_UNITS = mm
ANGULAR_UNITS = degree
CYCLE_TIME = 0.010
DEFAULT_VELOCITY = 42
MAX_LINEAR_VELOCITY = 42
[EMCIO]
EMCIO = io
CYCLE_TIME = 0.100
TOOL_TABLE = tool.tbl
#********************
# Axis X
#********************
[AXIS_0]
TYPE = LINEAR
HOME = 0.0
FERROR = 1
MIN_FERROR = 0.1
MAX_VELOCITY = 42
MAX_ACCELERATION = 110
P = 7.8
I = 120.0
D = 0.0
FF0 = 0.0005
FF1 = 0.0402
FF2 = 0.0001
BIAS = 0.0
DEADBAND = 0.0003
MAX_OUTPUT = 10.0
ENCODER_SCALE = -6545.359
OUTPUT_SCALE = 10.0
MIN_LIMIT = -0.01
MAX_LIMIT = 800.0
HOME_OFFSET = 0.0
#********************
# Axis Y
#********************
[AXIS_1]
TYPE = LINEAR
HOME = 0.0
FERROR = 1
MIN_FERROR = 0.1
MAX_VELOCITY = 42
MAX_ACCELERATION = 110
P = 7.8
I = 120.0
D = 0.0
FF0 = 0.0005
FF1 = 0.0402
FF2 = 0.0001
BIAS = 0.0
DEADBAND = 0.0003
MAX_OUTPUT = 10.0
ENCODER_SCALE = -6545.359
OUTPUT_SCALE = 10.0
MIN_LIMIT = -0.01
MAX_LIMIT = 700.0
HOME_OFFSET = 0.0
#********************
# Axis Z
#********************
[AXIS_2]
TYPE = LINEAR
HOME = 0.0
FERROR = 1
MIN_FERROR = 0.1
MAX_VELOCITY = 42
MAX_ACCELERATION = 110
P = 7.8
I = 120.0
D = 0.0
FF0 = 0.0005
FF1 = 0.0402
FF2 = 0.0001
BIAS = 0.0
DEADBAND = 0.0003
MAX_OUTPUT = 10.0
ENCODER_SCALE = -6545.359
OUTPUT_SCALE = 10.0
MIN_LIMIT = -0.01
MAX_LIMIT = 200.0
HOME_OFFSET = 0.0
#********************
# Spindle
#********************
[SPINDLE_9]