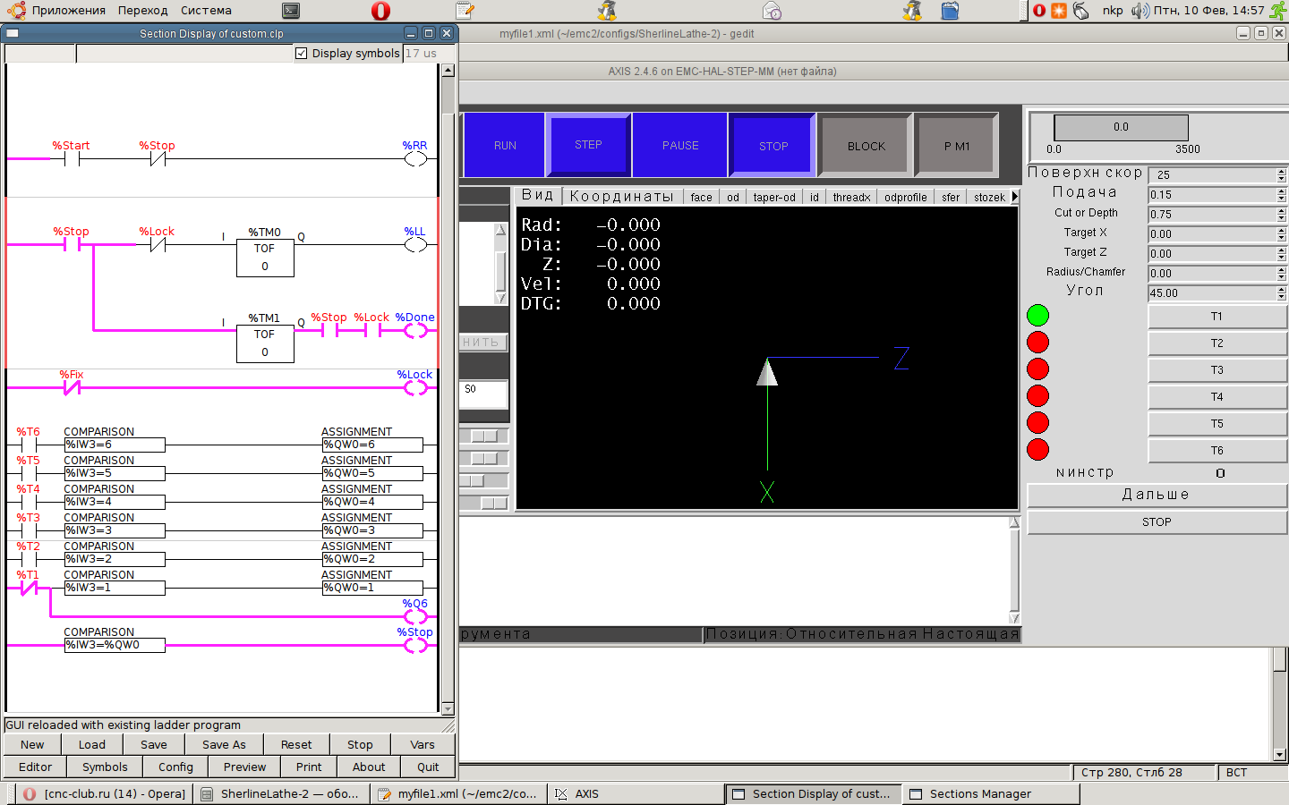
Код: Выделить всё
tooln +-------------------+ +-------------+
----| |--------| compare t_req ... |-----| assign t_cur|---
+-------------------+ +-------------+
Т.е. нужно:
Код: Выделить всё
tooln +-------------+
----| |------------| assign t_cur|---
+-------------+
