Мой "небольшой гравер" по цветным металлам "Atom 500x700"

Тяжелые фрезерные станки по металлу.
Аватара пользователя
Atom42
Мастер
Сообщения: 721
Зарегистрирован: 07 июл 2014, 11:55
Репутация: 286
Настоящее имя: Денис
Откуда: Кемерово
Контактная информация:

Re: Мой "небольшой гравер" по цветным металлам "Atom 500x700

Сообщение Atom42 »

cerebral писал(а):На крайних ногах электролит огромный висит, там мультиметр кз будет показывать (и конденсатор заряжать XD) первые полчаса, например. 480мВ на каждом из шести диодов?
Все так как вы и говорите! Крайние между собой "пищат" какое-то время, а потом вроде перестают, как будто конденсаторы зарядились, но не помню что показывает мультиметр, если это важно уточню.

480мВ все шесть комбинаций(диодов наверное правильно)
Неважно, как быстро Ты идешь, главное- не останавливаться.
Аватара пользователя
AlexNikov
Мастер
Сообщения: 1212
Зарегистрирован: 05 янв 2014, 20:09
Репутация: 721
Настоящее имя: Алексей
Откуда: Томск
Контактная информация:

Re: Мой "небольшой гравер" по цветным металлам "Atom 500x700

Сообщение AlexNikov »

Если нет особых сложностей, то прозвонку всех полупроводников лучше делать, предварительно выпаяв элемент. Учили меня когда-то именно так всегда делать. В этом случае вы цешкой уже на 100% сможете проверить и точно сказать целый ли у вас мост или нет. Но это сугубо имхо :eat:
Аватара пользователя
Atom42
Мастер
Сообщения: 721
Зарегистрирован: 07 июл 2014, 11:55
Репутация: 286
Настоящее имя: Денис
Откуда: Кемерово
Контактная информация:

Re: Мой "небольшой гравер" по цветным металлам "Atom 500x700

Сообщение Atom42 »

Да выпаять/впаять нет проблем, есть ли необходимость, есть ли сомнения в его целостности исходя из имеющихся данных?
Неважно, как быстро Ты идешь, главное- не останавливаться.
Аватара пользователя
AlexNikov
Мастер
Сообщения: 1212
Зарегистрирован: 05 янв 2014, 20:09
Репутация: 721
Настоящее имя: Алексей
Откуда: Томск
Контактная информация:

Re: Мой "небольшой гравер" по цветным металлам "Atom 500x700

Сообщение AlexNikov »

Как уже выше говорили для точного определения работоспособности моста нужно прозвонить кажду из трех средних ног сначало на одну крайнюю, потом на другую крайнюю (в каждом случае должно звониться на какую-то вличину в одну сторону и наглухо не звониться в другую - таких пар прозвонки получается 6 - это при условии что мост выпаян, а когда он в схеме, цешка может показать сопротивление цепи а не моста). Крайние так же будут звониться в одну и не будут в обратную сторону. Прозванивать лучше в режиме не "пищалки" а где диод нарисован. В итоге можно сделать вывод о том целый мост иль нет.

При визуальном осмотре нет больше подпаленных элементов?
Аватара пользователя
Atom42
Мастер
Сообщения: 721
Зарегистрирован: 07 июл 2014, 11:55
Репутация: 286
Настоящее имя: Денис
Откуда: Кемерово
Контактная информация:

Re: Мой "небольшой гравер" по цветным металлам "Atom 500x700

Сообщение Atom42 »

Попробую сегодня так и сделать.
AlexNikov писал(а):Прозванивать лучше в режиме не "пищалки" а где диод нарисован
У меня пищалка и диод это одно положение.
AlexNikov писал(а):в одну сторону и наглухо не звониться в другую
Это при смене проводов? Я просто не совсем понимаю в одну сторону в другую... :oops:
Неважно, как быстро Ты идешь, главное- не останавливаться.
Аватара пользователя
AlexNikov
Мастер
Сообщения: 1212
Зарегистрирован: 05 янв 2014, 20:09
Репутация: 721
Настоящее имя: Алексей
Откуда: Томск
Контактная информация:

Re: Мой "небольшой гравер" по цветным металлам "Atom 500x700

Сообщение AlexNikov »

Atom42 писал(а):Попробую сегодня так и сделать.
AlexNikov писал(а):Прозванивать лучше в режиме не "пищалки" а где диод нарисован
У меня пищалка и диод это одно положение.
AlexNikov писал(а):в одну сторону и наглухо не звониться в другую
Это при смене проводов? Я просто не совсем понимаю в одну сторону в другую... :oops:
То-есть имеем два вывода. К одному выводу подключаем черный щуп цешки к другому красный. Смотрим чего цешка показывает (если ничего изменилось от положения когда щупы ни к чему не подключены - значит цепь не звонится, если показала какие-то значения, то значит звонится на какую-то величину. К стати в диодном мосте величина на которую прозванивается диод должна мало отличаться на каждом из диодов). Потом щупы меняем местами и опять смотрим. Вот это и есть в "одну сторону и в другую" :good:
Аватара пользователя
Atom42
Мастер
Сообщения: 721
Зарегистрирован: 07 июл 2014, 11:55
Репутация: 286
Настоящее имя: Денис
Откуда: Кемерово
Контактная информация:

Re: Мой "небольшой гравер" по цветным металлам "Atom 500x700

Сообщение Atom42 »

Доходчиво, спасибо! :good:
Неважно, как быстро Ты идешь, главное- не останавливаться.
Аватара пользователя
AlexNikov
Мастер
Сообщения: 1212
Зарегистрирован: 05 янв 2014, 20:09
Репутация: 721
Настоящее имя: Алексей
Откуда: Томск
Контактная информация:

Re: Мой "небольшой гравер" по цветным металлам "Atom 500x700

Сообщение AlexNikov »

Atom42 писал(а):Доходчиво, спасибо! :good:
Незашт :D А других подпаленных, вздутых элементов не наблюдается на плате?
Аватара пользователя
Atom42
Мастер
Сообщения: 721
Зарегистрирован: 07 июл 2014, 11:55
Репутация: 286
Настоящее имя: Денис
Откуда: Кемерово
Контактная информация:

Re: Мой "небольшой гравер" по цветным металлам "Atom 500x700

Сообщение Atom42 »

В том то и дело, что все чисто. Да и этот мост скорее все целый, так как эта гарь на нем похоже от сгоревшей дорожки, он этим местом как раз над дорожкой в горизонтальном положении стоит. Но проверить не помешает.

Где бы мастера найти за деньги, а то сам то я чего найду, у меня только этот мост под подозрением.
Неважно, как быстро Ты идешь, главное- не останавливаться.
Аватара пользователя
AlexNikov
Мастер
Сообщения: 1212
Зарегистрирован: 05 янв 2014, 20:09
Репутация: 721
Настоящее имя: Алексей
Откуда: Томск
Контактная информация:

Re: Мой "небольшой гравер" по цветным металлам "Atom 500x700

Сообщение AlexNikov »

Atom42 писал(а):В том то и дело, что все чисто. Да и этот мост скорее все целый, так как эта гарь на нем похоже от сгоревшей дорожки, он этим местом как раз над дорожкой в горизонтальном положении стоит. Но проверить не помешает.

Где бы мастера найти за деньги, а то сам то я чего найду, у меня только этот мост под подозрением.
Да вы б фото сюда скидывали платы с обоих сторон да с высоким разрешением, мб чего и попадет под подозрение. Так глядишь общими усилиями и реанимируем, если конечно чего серьезного там не сгорело.
Аватара пользователя
Atom42
Мастер
Сообщения: 721
Зарегистрирован: 07 июл 2014, 11:55
Репутация: 286
Настоящее имя: Денис
Откуда: Кемерово
Контактная информация:

Re: Мой "небольшой гравер" по цветным металлам "Atom 500x700

Сообщение Atom42 »

Да не вопрос, вечером организую. :beer_blow:
Неважно, как быстро Ты идешь, главное- не останавливаться.
Аватара пользователя
AlexNikov
Мастер
Сообщения: 1212
Зарегистрирован: 05 янв 2014, 20:09
Репутация: 721
Настоящее имя: Алексей
Откуда: Томск
Контактная информация:

Re: Мой "небольшой гравер" по цветным металлам "Atom 500x700

Сообщение AlexNikov »

Atom42 писал(а):шпиндель лежа на столе резко крутнулся вокруг своей оси и провода в разъёме на шпинделе оторвались как-то и замкнули Хлопок был только в разъёме. Припаял обратно провода, включил частотник, и опять хлопок только теперь в частотнике. Провода проверял перед вторым подключением, короткого не было.
На вскидку - прочитал описание аварии, после кз в разъеме, в частотнике явно что-то сгорело - это могли быть и транзисторные ключи, которые к радиатору крепятся (вы радиатор сняли), а после повторного включения уже дорожка умерла. Начать можно с моста, ну и на фото поглядеть что за транзисторы стоят...

И подскажите какой частотник, мб схемки в инете есть :thinking:
Аватара пользователя
Atom42
Мастер
Сообщения: 721
Зарегистрирован: 07 июл 2014, 11:55
Репутация: 286
Настоящее имя: Денис
Откуда: Кемерово
Контактная информация:

Re: Мой "небольшой гравер" по цветным металлам "Atom 500x700

Сообщение Atom42 »

Я после первого кз, в разъёме, не разбирал частотник.
Транзисторы-это те шесть в термопасте?
Неважно, как быстро Ты идешь, главное- не останавливаться.
Аватара пользователя
AlexNikov
Мастер
Сообщения: 1212
Зарегистрирован: 05 янв 2014, 20:09
Репутация: 721
Настоящее имя: Алексей
Откуда: Томск
Контактная информация:

Re: Мой "небольшой гравер" по цветным металлам "Atom 500x700

Сообщение AlexNikov »

Atom42 писал(а):Я после первого кз, в разъёме, не разбирал частотник.
Транзисторы-это те шесть в термопасте?
Ага они. Модельку частотника бы поглядеть, вдруг найдется схемка.
Аватара пользователя
Atom42
Мастер
Сообщения: 721
Зарегистрирован: 07 июл 2014, 11:55
Репутация: 286
Настоящее имя: Денис
Откуда: Кемерово
Контактная информация:

Re: Мой "небольшой гравер" по цветным металлам "Atom 500x700

Сообщение Atom42 »

AlexNikov писал(а):Модельку частотника бы поглядеть, вдруг найдется схемка.
Я тоже думал в сети найти, но пока не нашел HY04D023B, на него мануала -то нету в сети :hehehe:
Неважно, как быстро Ты идешь, главное- не останавливаться.
Аватара пользователя
AlexNikov
Мастер
Сообщения: 1212
Зарегистрирован: 05 янв 2014, 20:09
Репутация: 721
Настоящее имя: Алексей
Откуда: Томск
Контактная информация:

Re: Мой "небольшой гравер" по цветным металлам "Atom 500x700

Сообщение AlexNikov »

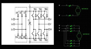
Вполне возможно что схема подобна:
20919239vQR.jpg (2677 просмотров) <a class='original' href='./download/file.php?id=60588&sid=a2fea88ea1535c201b2177bae32f2196&mode=view' target=_blank>Загрузить оригинал (89.29 КБ)</a>
Наименование транзисторов (или тиристоров) не помешает точно.
Аватара пользователя
Atom42
Мастер
Сообщения: 721
Зарегистрирован: 07 июл 2014, 11:55
Репутация: 286
Настоящее имя: Денис
Откуда: Кемерово
Контактная информация:

Re: Мой "небольшой гравер" по цветным металлам "Atom 500x700

Сообщение Atom42 »

Вечером подробно все сделаю.
Алексей, можете попытаться объяснить следующее поведение:
После второго взрыва(когда наверное и сгорела дорожка), частотник как будто работал исправно, цифры (частота) бежали как и положено, можно было менять как в штатном режиме, но на выхода к шпинделю ни чего не выходило.
Когда я припаял перемычку(восстановил дорожку), частотник перестал реагировать как прежде на команду пуск
Неважно, как быстро Ты идешь, главное- не останавливаться.
Аватара пользователя
AlexNikov
Мастер
Сообщения: 1212
Зарегистрирован: 05 янв 2014, 20:09
Репутация: 721
Настоящее имя: Алексей
Откуда: Томск
Контактная информация:

Re: Мой "небольшой гравер" по цветным металлам "Atom 500x700

Сообщение AlexNikov »

Atom42 писал(а):Вечером подробно все сделаю.
Алексей, можете попытаться объяснить следующее поведение:
После второго взрыва(когда наверное и сгорела дорожка), частотник как будто работал исправно, цифры (частота) бежали как и положено, можно было менять как в штатном режиме, но на выхода к шпинделю ни чего не выходило.
Когда я припаял перемычку(восстановил дорожку), частотник перестал реагировать как прежде на команду пуск
Если постом выше схема верна, то после первого КЗ в разъеме умер какой-либо транзисторный ключ - его могло пробить к примеру. После второго включения через пробитый транзистор цепь замкнулась на КЗ и выгорела дорожка. Тут бы конечно нечего бы больше не трогать - ведь судя по всему сама электроника работала, а только силовые ключи подохли (вывод исходя из того что на частотнике показания частоты и прочее изменялись). После того как дорожку восстановили проводником, КЗ через пробитые ключи не устранено и могло погореть что-то еще. Ну так в общих чертах вроде логично :thinking:
Аватара пользователя
N1X
Мастер
Сообщения: 3653
Зарегистрирован: 16 фев 2015, 21:19
Репутация: 1646
Настоящее имя: Владимир
Откуда: Беларусь, Гомель
Контактная информация:

Re: Мой "небольшой гравер" по цветным металлам "Atom 500x700

Сообщение N1X »

AlexNikov писал(а):Вполне возможно что схема подобна:
Схема суть отражает нормально.
Денис, частотник питается 380?
Прозвоните у транзисторов крайние ноги между собой в двух направлениях. Что показывает тестер? (По крайней мере все 6, либо две тройки должны вести себя подобно.) Если пищит - то можно попробовать выпаять транзистор. Крайние ноги у выпаянного исправного должны показывать бесконечное сопротивление. Если выпаять и развернуть маркировкой на себя, то слева на право выводу: 1. Затвор 2. Сток (Коллектор для IGBT) 3. Исток (Эмитер для IGBT).
Затвор у исправного транзистора никуда не звонится. Если на исток + а на сток минус - падение должно быть 0,3-0,6В (диодный переход). Если перевернуть щупы - то звониться не должен. Если звонится - замкните проводом исток на затвор - если всеравно звонится то труп.

Диодный мост. Если у вас после восстановления дорожки электролит на серпантин из фольги не распустило, то почти наверняка мост жив.
При питании ~3 380 на электролите должно быть 540 вольт. При питании однофазным 220 - 310 вольт. Но лучше под напругой не спешите мерять, ответьте чем питается.
Аватара пользователя
Atom42
Мастер
Сообщения: 721
Зарегистрирован: 07 июл 2014, 11:55
Репутация: 286
Настоящее имя: Денис
Откуда: Кемерово
Контактная информация:

Re: Мой "небольшой гравер" по цветным металлам "Atom 500x700

Сообщение Atom42 »

AlexNikov писал(а):КЗ через пробитые ключи не устранено и могло погореть что-то еще
Здорово! Может на перед скажите как эти транзисторы проверить или нужно знать как их звать?
N1X, дал ответ пока я вопрос задавал :hehehe: , спасибо.
Последний раз редактировалось Atom42 13 окт 2015, 12:23, всего редактировалось 1 раз.
Неважно, как быстро Ты идешь, главное- не останавливаться.
Ответить

Вернуться в «Фрезерные станки по металлам»