Страница 18 из 32

Re: Японец BROTHER TC-229

Добавлено: 14 окт 2018, 18:35
aftaev
john1987887 писал(а):Все комбинации я проверил и составил таблицу.
Обычный бинарный код:
1.jpg (2422 просмотра) <a class='original' href='./download/file.php?id=148318&mode=view' target=_blank>Загрузить оригинал (49.07 КБ)</a>
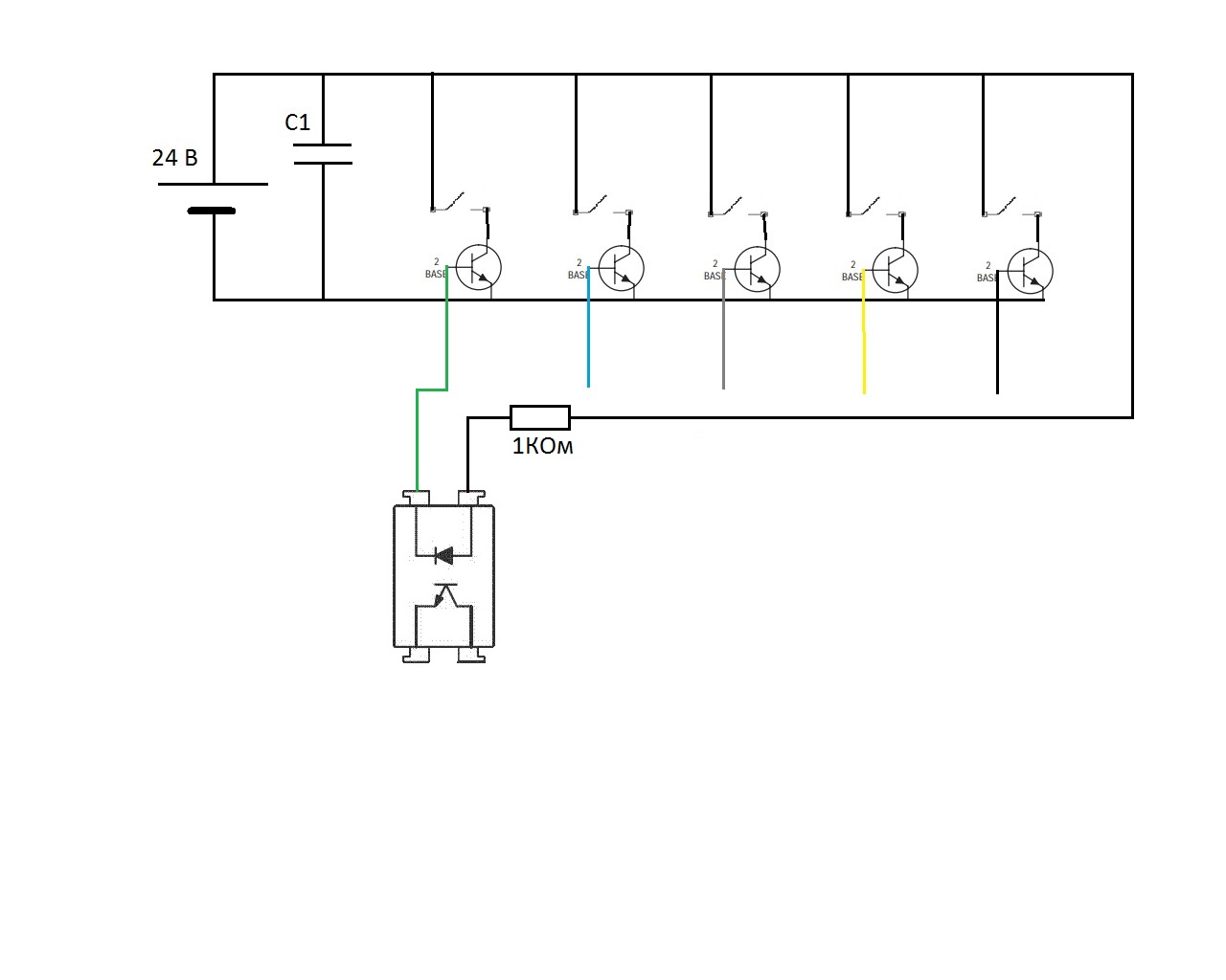
По твоей схеме. Как нарисованы оптопары, входы с выходом перепутаны.

Re: Японец BROTHER TC-229

Добавлено: 15 окт 2018, 07:47
john1987887
Lunatic писал(а):Не очень видно на фото , одной ногой все транзисторы соединены вместе? Если соединены все вместе на GND, то транзисторы NPN и подключать по схеме как индуктивный датчик. Если общая точка транзисторов на 24В соединена, то PNP и подключать как ты нарисовал.
Снял плату со станка еще раз для фотосессии. Транзисторы стоят С114 E. S W, Если смотреть со стороны маркировки, то левой ногой все запаяны на землю. Получается, что это NPN транзисторы и схема будет выглядеть следующим образом?
Подключение энкодера NPN.jpg (2370 просмотров) <a class='original' href='./download/file.php?id=148336&mode=view' target=_blank>Загрузить оригинал (67.3 КБ)</a>
Только я не понял, какая разница, подавать через общий провод землю или питание. Во всех статьях для лучшего понимания рекомендуют представлять транзистор как обычные контакты реле. Если так сделать, то ведь получается без разницы земля там или питание, НПН или ПНП, ведь контакты замкнулись, ток пошел, оптопара сработала, мозг увидел...
IMG_20181015_112105.jpg (2370 просмотров) <a class='original' href='./download/file.php?id=148330&mode=view' target=_blank>Загрузить оригинал (1007.24 КБ)</a>
IMG_20181015_112142.jpg (2370 просмотров) <a class='original' href='./download/file.php?id=148331&mode=view' target=_blank>Загрузить оригинал (1.46 МБ)</a>
IMG_20181015_112200.jpg (2370 просмотров) <a class='original' href='./download/file.php?id=148332&mode=view' target=_blank>Загрузить оригинал (1.33 МБ)</a>
IMG_20181015_112228.jpg (2370 просмотров) <a class='original' href='./download/file.php?id=148333&mode=view' target=_blank>Загрузить оригинал (1.17 МБ)</a>
IMG_20181015_112305.jpg (2370 просмотров) <a class='original' href='./download/file.php?id=148334&mode=view' target=_blank>Загрузить оригинал (1.17 МБ)</a>
IMG_20181015_112321.jpg (2370 просмотров) <a class='original' href='./download/file.php?id=148335&mode=view' target=_blank>Загрузить оригинал (1.35 МБ)</a>

Re: Японец BROTHER TC-229

Добавлено: 15 окт 2018, 11:02
john1987887
Народ, ваще какая-то фигня выходит. Если верить даташиту на транзистор, то получается следующая схема. Как в итоге подключить это ко входным оптопарам в мозг?

Re: Японец BROTHER TC-229

Добавлено: 15 окт 2018, 11:16
aftaev
Что за контакты на схеме?
Если транзисторы, это транзисторы в оптопаре, то все правильно. Эмиторы все соединены на общий, а коллектор должен быть свободны и выведены на разъем. Обычный открытый коллектор ;)
Энкодер питается от 24в, а тво опторазвязка может питаться от 5в, но общий у них будет соединен.

Re: Японец BROTHER TC-229

Добавлено: 15 окт 2018, 11:25
john1987887
aftaev писал(а):а коллектор должен быть свободны и выведены на разъем.
А вот и нифига. Эмиттеры сидят на земле, на коллекторы подается напряжение через фоточувствительные переключатели, а базы выведены на разъем... Мой мозг отказывается что-либо понимать...

Даташит на транзистор здесь. http://www.abcelectronique.com/forum/at ... ntid=22923

Re: Японец BROTHER TC-229

Добавлено: 15 окт 2018, 11:28
Duhas
john1987887 писал(а):Народ, ваще какая-то фигня выходит. Если верить даташиту на транзистор, то получается следующая схема.

вот фиг знает, на мой взгляд все нормально. http://www.farnell.com/datasheets/26011.pdf

Все просто, открытый коллектор, у оптопар должен быть общий +, а минусы раздельные и подключать на транзисторы, "белый провод" - вполне вероятно что тоже выход, вопрос только выход чего, возможно что-то служебное, вроде датчик включен.

Re: Японец BROTHER TC-229

Добавлено: 15 окт 2018, 11:49
john1987887
Duhas писал(а):вот фиг знает, на мой взгляд все нормально.
А подключать-то как? Так?
Схема энкодера подключение к мозгу.jpg (2294 просмотра) <a class='original' href='./download/file.php?id=148348&mode=view' target=_blank>Загрузить оригинал (64.72 КБ)</a>
З.Ы. Попробовал подключить обычный светодиод, работает.

Re: Японец BROTHER TC-229

Добавлено: 15 окт 2018, 14:16
Lunatic
Duhas привел ссылку на даташит, который больше на правду похож, как по корпусу транзистора (это не TO-92,как в первом даташите), так и по реальной схеме. Ну не должны Базы транзисторов ни при каком раскладе на внешнее устройство подключаться.

Re: Японец BROTHER TC-229

Добавлено: 15 окт 2018, 15:21
john1987887
Lunatic писал(а):Ну не должны Базы транзисторов ни при каком раскладе на внешнее устройство подключаться.
Тоже подумал об этом в первую очередь. Выведен должен быть коллектор. Но! Я попробовал подключить светодиод вместо оптопары, как указано в схеме в посте № 347, и все работало...

Как выяснить наверняка, где коллектор, а где база?

Если принять за правду, что питание подведено к базе, то схема получается следующая.

Re: Японец BROTHER TC-229

Добавлено: 15 окт 2018, 16:19
Duhas
вот эта схема корректна и по подключению и по внутреннему устройству

Re: Японец BROTHER TC-229

Добавлено: 15 окт 2018, 16:31
Serg
Duhas писал(а):вот эта схема корректна и по подключению и по внутреннему устройству
Не корректна, работать не будет - транзистор сгорит. :)

Re: Японец BROTHER TC-229

Добавлено: 15 окт 2018, 16:35
john1987887
UAVpilot писал(а):Не корректна, работать не будет - транзистор сгорит.
Почему? По документам он на 50 вольт.

Re: Японец BROTHER TC-229

Добавлено: 15 окт 2018, 16:36
Duhas
UAVpilot писал(а):
Duhas писал(а):вот эта схема корректна и по подключению и по внутреннему устройству
Не корректна, работать не будет - транзистор сгорит. :)
а теперь смотрим даташит на транзистор...

Re: Японец BROTHER TC-229

Добавлено: 15 окт 2018, 16:54
Lunatic
john1987887 писал(а):
Lunatic писал(а):Ну не должны Базы транзисторов ни при каком раскладе на внешнее устройство подключаться.
Тоже подумал об этом в первую очередь. Выведен должен быть коллектор. Но! Я попробовал подключить светодиод вместо оптопары, как указано в схеме в посте № 347, и все работало...

Как выяснить наверняка, где коллектор, а где база?

Если принять за правду, что питание подведено к базе, то схема получается следующая.
Все верно, в 346 посте правильная ссылка на мануал, распиновка у транзистора другая. "Цифровой" транзистор, ничего не сгорит ;) Опыт со светодиодом это подтвердил.

Re: Японец BROTHER TC-229

Добавлено: 15 окт 2018, 17:47
Serg
john1987887 писал(а):Почему? По документам он на 50 вольт.
Duhas писал(а):а теперь смотрим даташит на транзистор...
А подумать?.. :)

Re: Японец BROTHER TC-229

Добавлено: 15 окт 2018, 17:51
AndyBig
john1987887 писал(а):
UAVpilot писал(а):Не корректна, работать не будет - транзистор сгорит.
Почему? По документам он на 50 вольт.
Потому что ток через базу будет бешеный :)

Re: Японец BROTHER TC-229

Добавлено: 15 окт 2018, 18:11
Duhas
RTFM, товарищи, а также других участников.

Re: Японец BROTHER TC-229

Добавлено: 15 окт 2018, 18:34
john1987887
AndyBig писал(а):Потому что ток через базу будет бешеный
У него 2 резистора внутри. В оригинальной японской стойке он же 20 лет работал.

Re: Японец BROTHER TC-229

Добавлено: 16 окт 2018, 02:11
AndyBig
john1987887 писал(а):У него 2 резистора внутри.
Тогда прошу прощения. Но такие транзисторы и нужно рисовать на схемах с резисторами, чтобы не было неоднозначного прочтения схемы.

Re: Японец BROTHER TC-229

Добавлено: 16 окт 2018, 02:18
Serg
Duhas писал(а):RTFM, товарищи, а также других участников.
Тогда и рисовать надо соответственно...
А так по любому схема нарисована неправильно. :)