Для станка по дереву можно применить профиль от алюмики или соберизавода, например: Портальник из профиля 1000х650х150 V2 (открытый проект) #1Antigoogle писал(а):frezeryga писал(а):профиль только китайский и никаких соберизаводов.![]()
чего китайский то, чем он принципиально лучше? ,,, там доставка и пошлина космос
![]()
![]()
есть ли принципиальная разница- анодированый профиь или нет ???
Примитивный ЧПУ из профиля 1200х600х120
- Samodelkin 88
- Мастер
- Сообщения: 1056
- Зарегистрирован: 05 ноя 2017, 22:24
- Репутация: 727
- Настоящее имя: Илья
- Откуда: Курган
- Контактная информация:
Re: Примитивный ЧПУ из профиля 1200х600х120
- frezeryga
- Почётный участник

- Сообщения: 13713
- Зарегистрирован: 18 авг 2013, 16:08
- Репутация: 5069
- Откуда: Жуковский
- Контактная информация:
Re: Примитивный ЧПУ из профиля 1200х600х120
профиль от соберизавода и прочих местных продавцов тонкий и жидкий. делать конкретно этот проект из жидкого профиля это деньги на ветер поскольку он изначально задуман как станок по металлу с соотвецтвующей толщиной деталей и комплектующими. и если поставить жидкий профиль то получим просто станок по дереву за дорого. да и любой другой станок из профиляинужно строить из нормального жирного профиля это очень важный момент. экономия на профиле в общей сумме копеечная а результат портит сильно.
email frezeryga@yandex.ru
instagram https://www.instagram.com/frezeryga
telegram https://t.me/md_cnc_frezeryga https://t.me/frezeryga
instagram https://www.instagram.com/frezeryga
telegram https://t.me/md_cnc_frezeryga https://t.me/frezeryga
- Samodelkin 88
- Мастер
- Сообщения: 1056
- Зарегистрирован: 05 ноя 2017, 22:24
- Репутация: 727
- Настоящее имя: Илья
- Откуда: Курган
- Контактная информация:
Re: Примитивный ЧПУ из профиля 1200х600х120
Есть такой принцип: необходимо и достаточно. Для станка по дереву достаточно и соберизаводовского профиля, нет смысла вваливать средства в то, что не приносить видимой разницы.frezeryga писал(а):а результат портит сильно.
- Antigoogle
- Опытный
- Сообщения: 119
- Зарегистрирован: 28 мар 2016, 12:30
- Репутация: 1
- Настоящее имя: Виталий
- Откуда: Р-н-Д
- Контактная информация:
Re: Примитивный ЧПУ из профиля 1200х600х120
А можно сцыльку на чудокитайсапрофилясца ??? чет я честно говоря сомневаюсь что б он был прям таки жетсче, прям капец как ???frezeryga писал(а):профиль от соберизавода и прочих местных продавцов тонкий и жидкий. делать конкретно этот проект из жидкого профиля это деньги на ветер поскольку он изначально задуман как станок по металлу с соотвецтвующей толщиной деталей и комплектующими. и если поставить жидкий профиль то получим просто станок по дереву за дорого. да и любой другой станок из профиляинужно строить из нормального жирного профиля это очень важный момент. экономия на профиле в общей сумме копеечная а результат портит сильно.
- frezeryga
- Почётный участник

- Сообщения: 13713
- Зарегистрирован: 18 авг 2013, 16:08
- Репутация: 5069
- Откуда: Жуковский
- Контактная информация:
Re: Примитивный ЧПУ из профиля 1200х600х120
ну раза в 2 жесче. я уже строил станок из тонкого профиля потому говорю это не просто так. профиль гдето тут https://shop125092738.world.taobao.com/ ... 5%C1%D0#bd
email frezeryga@yandex.ru
instagram https://www.instagram.com/frezeryga
telegram https://t.me/md_cnc_frezeryga https://t.me/frezeryga
instagram https://www.instagram.com/frezeryga
telegram https://t.me/md_cnc_frezeryga https://t.me/frezeryga
- Samodelkin 88
- Мастер
- Сообщения: 1056
- Зарегистрирован: 05 ноя 2017, 22:24
- Репутация: 727
- Настоящее имя: Илья
- Откуда: Курган
- Контактная информация:
Re: Примитивный ЧПУ из профиля 1200х600х120
Из китайского, кстати тоже был проект по проще Портальник из профиля 1000х650х150 #1Antigoogle писал(а):frezeryga писал(а):профиль только китайский и никаких соберизаводов.![]()
чего китайский то, чем он принципиально лучше? ,,, там доставка и пошлина космос
![]()
![]()
есть ли принципиальная разница- анодированый профиь или нет ???
- Antigoogle
- Опытный
- Сообщения: 119
- Зарегистрирован: 28 мар 2016, 12:30
- Репутация: 1
- Настоящее имя: Виталий
- Откуда: Р-н-Д
- Контактная информация:
Re: Примитивный ЧПУ из профиля 1200х600х120
Вот ваше мнение на два профиля
https://www.soberizavod.ru/catalog/seri ... pokrytiya/
http://alumica.ru/structural-profile/45 ... nyij-45-90
с китайской тарабарщиной на таобао я так и неразобрался,,, и мне кажется что ценник с доставкой будет космос с таким баксом (((
еще про портал у вас он скручен из 4590 х 3шт. профиля в сравнении с 9090 х 2шт ??? почему именно так делали ? очевидное приимущество более копактное расположение гайки ШВП и тд... а в плане прочности ?
https://www.soberizavod.ru/catalog/seri ... pokrytiya/
http://alumica.ru/structural-profile/45 ... nyij-45-90
с китайской тарабарщиной на таобао я так и неразобрался,,, и мне кажется что ценник с доставкой будет космос с таким баксом (((
еще про портал у вас он скручен из 4590 х 3шт. профиля в сравнении с 9090 х 2шт ??? почему именно так делали ? очевидное приимущество более копактное расположение гайки ШВП и тд... а в плане прочности ?
- Samodelkin 88
- Мастер
- Сообщения: 1056
- Зарегистрирован: 05 ноя 2017, 22:24
- Репутация: 727
- Настоящее имя: Илья
- Откуда: Курган
- Контактная информация:
Re: Примитивный ЧПУ из профиля 1200х600х120
У алюмики при прочих равных цена меньше.Antigoogle писал(а):Вот ваше мнение на два профиля
Да, чтобы не изголяться с проставками под релс или выдумывать спец кронштейн гайки ШВП. Жесткость достаточная.Antigoogle писал(а):очевидное приимущество более копактное расположение гайки ШВП
- Antigoogle
- Опытный
- Сообщения: 119
- Зарегистрирован: 28 мар 2016, 12:30
- Репутация: 1
- Настоящее имя: Виталий
- Откуда: Р-н-Д
- Контактная информация:
Re: Примитивный ЧПУ из профиля 1200х600х120
а в плане сбоки - необходимо совместить не 2 а 3 профиля в плосткость ??? чем решали вопрос ???
- Antigoogle
- Опытный
- Сообщения: 119
- Зарегистрирован: 28 мар 2016, 12:30
- Репутация: 1
- Настоящее имя: Виталий
- Откуда: Р-н-Д
- Контактная информация:
Re: Примитивный ЧПУ из профиля 1200х600х120
Альзо !!! что у алюмики по геометрии и равному отрезу кусков ? как у них с торцем ? 90 гр. есть ????Samodelkin 88 писал(а):У алюмики при прочих равных цена меньше.Antigoogle писал(а):Вот ваше мнение на два профиляДа, чтобы не изголяться с проставками под релс или выдумывать спец кронштейн гайки ШВП. Жесткость достаточная.Antigoogle писал(а):очевидное приимущество более копактное расположение гайки ШВП
- frezeryga
- Почётный участник

- Сообщения: 13713
- Зарегистрирован: 18 авг 2013, 16:08
- Репутация: 5069
- Откуда: Жуковский
- Контактная информация:
Re: Примитивный ЧПУ из профиля 1200х600х120
в моем проекте использован профиль 100х100мм портал скручен из двух 100х100мм и имеет прямоугольное сечение. а также такой портал имеет большую жесткость и проще в изготовлении чем П образный портал из тонких профилей.
email frezeryga@yandex.ru
instagram https://www.instagram.com/frezeryga
telegram https://t.me/md_cnc_frezeryga https://t.me/frezeryga
instagram https://www.instagram.com/frezeryga
telegram https://t.me/md_cnc_frezeryga https://t.me/frezeryga
- Samodelkin 88
- Мастер
- Сообщения: 1056
- Зарегистрирован: 05 ноя 2017, 22:24
- Репутация: 727
- Настоящее имя: Илья
- Откуда: Курган
- Контактная информация:
Re: Примитивный ЧПУ из профиля 1200х600х120
Отрезки одной длины одинаковые, угол ровный, но я всеравно торцевал. По длине есть некоторый банан. Сегодня, если не забуду, сделаю тесты прямолинейности станка.Antigoogle писал(а):что у алюмики по геометрии и равному отрезу кусков ? как у них с торцем ? 90 гр. есть ????
- Antigoogle
- Опытный
- Сообщения: 119
- Зарегистрирован: 28 мар 2016, 12:30
- Репутация: 1
- Настоящее имя: Виталий
- Откуда: Р-н-Д
- Контактная информация:
Re: Примитивный ЧПУ из профиля 1200х600х120
1, это печально..у СЗ по крайне мере такого с длиной небыло...мне вот торцевать вашпе ниварианд ((((
2, вот и делема проще-сложнее дороже-дешевле желательно-необходимо...(((((
2, вот и делема проще-сложнее дороже-дешевле желательно-необходимо...(((((
- Samodelkin 88
- Мастер
- Сообщения: 1056
- Зарегистрирован: 05 ноя 2017, 22:24
- Репутация: 727
- Настоящее имя: Илья
- Откуда: Курган
- Контактная информация:
Re: Примитивный ЧПУ из профиля 1200х600х120
Все они кривые по длине, из Китая в том числе.Antigoogle писал(а):это печально..у СЗ по крайне мере такого с длиной небыло...мне вот торцевать вашпе ниварианд ((((
- frezeryga
- Почётный участник

- Сообщения: 13713
- Зарегистрирован: 18 авг 2013, 16:08
- Репутация: 5069
- Откуда: Жуковский
- Контактная информация:
Re: Примитивный ЧПУ из профиля 1200х600х120
торцевать придется в любом случае любой профиль поскольку пилят его дисковыми пилами не точно и не перпендикулярно. особенно поперечины станины должны быть отторцованы с хорошей повторяемостью иначе продольные палки загнет волной. если нет опыта и финансов лучше не строить такой проект он далеко не бюджетный.
email frezeryga@yandex.ru
instagram https://www.instagram.com/frezeryga
telegram https://t.me/md_cnc_frezeryga https://t.me/frezeryga
instagram https://www.instagram.com/frezeryga
telegram https://t.me/md_cnc_frezeryga https://t.me/frezeryga
- Samodelkin 88
- Мастер
- Сообщения: 1056
- Зарегистрирован: 05 ноя 2017, 22:24
- Репутация: 727
- Настоящее имя: Илья
- Откуда: Курган
- Контактная информация:
Re: Примитивный ЧПУ из профиля 1200х600х120
Antigoogle, проверьте л.с. Письмо не прочитано уже длительное время.
- Antigoogle
- Опытный
- Сообщения: 119
- Зарегистрирован: 28 мар 2016, 12:30
- Репутация: 1
- Настоящее имя: Виталий
- Откуда: Р-н-Д
- Контактная информация:
Re: Примитивный ЧПУ из профиля 1200х600х120
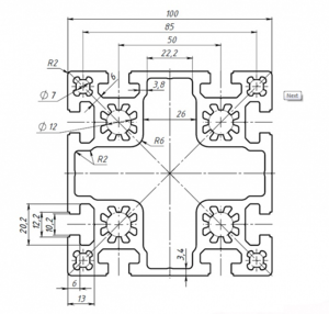
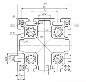
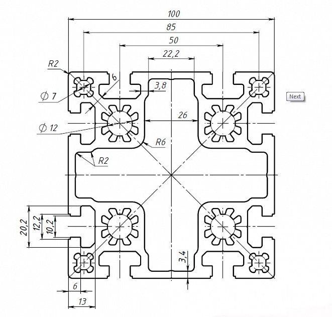
Застрелите меня если я не прав !!! вот у вас на картинке профиль ! Это простите какой ??? и вот картинка на профиль от СЗ серия H !!!! толщина стенок такая ЖЕ!!!!frezeryga писал(а):скручены за пазы как на фото. отверстия сквозные только в одном профиле под отвертку. стягивать болтами насквозь за внешние плоскости профиля нельзя поскольку их просто сплющит.
-
arkhnchul
- Мастер
- Сообщения: 1773
- Зарегистрирован: 01 фев 2016, 13:56
- Репутация: 339
- Откуда: москва
- Контактная информация:
Re: Примитивный ЧПУ из профиля 1200х600х120
если смотреть китайца по ссылке выше - он довольно таки жирнее, 12кг/м
- Antigoogle
- Опытный
- Сообщения: 119
- Зарегистрирован: 28 мар 2016, 12:30
- Репутация: 1
- Настоящее имя: Виталий
- Откуда: Р-н-Д
- Контактная информация:
Re: Примитивный ЧПУ из профиля 1200х600х120
эээ....мммм....но простите это не тот профиль что у вас на фото...кхм...
где же истина ???
где же истина ???
- Antigoogle
- Опытный
- Сообщения: 119
- Зарегистрирован: 28 мар 2016, 12:30
- Репутация: 1
- Настоящее имя: Виталий
- Откуда: Р-н-Д
- Контактная информация:
Re: Примитивный ЧПУ из профиля 1200х600х120
вот ушли от истины ваще далеко . вопрос мой был про принципиальную компановку. а не про то , какой профиьлучше... ((((