EMC2 LinuxCNC и Joystick

Обсуждение установки, настройки и использования LinuxCNC. Вопросы по Gкоду.
Аватара пользователя
torvn77
Мастер
Сообщения: 2442
Зарегистрирован: 02 июн 2012, 22:12
Репутация: 215
Откуда: Россия,Санкт-Петербург
Контактная информация:

Re: EMC2 LinuxCNC и Joystick

Сообщение torvn77 »

Обнаружил что компонент demux2 в документации к LinuxCNC не описан даже в предназначенной для разработки версии.
Аватара пользователя
solo
Мастер
Сообщения: 1374
Зарегистрирован: 20 окт 2011, 18:39
Репутация: 272
Настоящее имя: Юрий Соловьев
Откуда: Украина Харьков
Контактная информация:

Re: EMC2 LinuxCNC и Joystick

Сообщение solo »

как то у меня получилось все очень просто но функционально работает так как мне хотелось
вот текст моего хел файла который отвечает за изменение скоростей и перемещение осей

Код: Выделить всё

# Include your customized HAL commands here
# This file will not be overwritten when you run stepconf again

#loadusr hal_input -W -KRAL "DragonRise Inc.   Generic   USB  Joystick  "
#loadusr hal_input -W -KRAL Generic
#loadusr -W hal_input -KRAL Generic
loadusr -W hal_input -KRAL DragonRise Inc.   Generic   USB  Joystick
#loadusr -W hal_input -KRAL DragonRise Inc.
#loadusr hal_joystick -d /dev/input/js0 -p joypad
#net joystick_enable <= input.0.btn-trigger => axis.0.jog-enable


 #хел файл джойстика (сборная солянка)
loadrt mux8 count=1
addf mux8.0 servo-thread

#---------------------------
# 
setp axis.0.jog-vel-mode  true
setp axis.1.jog-vel-mode  true
setp axis.2.jog-vel-mode  true

# назначаем выводы управления мультиплексором 
# соединяем вывод джойстика торец низ с мультиплексором"0"
net gamepad_analog_jog-enable input.0.btn-base   mux8.0.sel0
# соединяем вывод джойстика торец верх с мультиплексором "1"
net gamepad_continue_jog-enable input.0.btn-top2  mux8.0.sel1
# соединяем вывод джойстика лев джойстик нажать сверху с выводом мультиплексора"2"
net gamepad_contin_jog-up input.0.btn-base5  mux8.0.sel2


# скорость станка когда не нахата не одна кнопка. 
setp mux8.0.in0 1.0

# скорость станка когда нажата кнопка "торец низ лев"
setp mux8.0.in1 3.0

# скорость станка когда нажата "торец верх лев"
setp mux8.0.in2 12.0

# скорость станка когда нажаты оба кнопки "торец низ и торец верх,  лев" 
setp mux8.0.in3 120.0

# скорость станка когда прижат сверху рычаг левого джойстика можно назначить Ж"0"
setp mux8.0.in4 1520.0 

# ну и на всяк случай 
setp mux8.0.in5 0.0
setp mux8.0.in6 0.0
setp mux8.0.in7 0.0

# запихиваем заданные скоростя в LinuxCNC 
net gamepad_jog-speed halui.jog-speed <= mux8.0.out

# присоединяем пин джойстика управления осью с сигналом  LinuxCNC управления осью   
net jog_scale input.0.abs-x-position => halui.jog.0.analog
net jog_scale1 input.0.abs-y-position => halui.jog.1.analog
net jog_scale2 input.0.abs-z-position => halui.jog.2.analog


:thinking: :wik:
вот только не пойму по чему у меня немного разные скорости по осям
пока все только проверяю на стимуляции LinuxCNC
Аватара пользователя
solo
Мастер
Сообщения: 1374
Зарегистрирован: 20 окт 2011, 18:39
Репутация: 272
Настоящее имя: Юрий Соловьев
Откуда: Украина Харьков
Контактная информация:

Re: EMC2 LinuxCNC и Joystick

Сообщение solo »

сежу пытаюсь реализовать на джойстике следующую функцию
хочется так чтобы нажал на кнопку направления перемещения оси (input.0.abs-hat0x-neg или input.0.abs-y-is-pos) , нажал на кнопку ( кнопки) выбора скорости (input.0.btn-base, input.0.btn-top2, input.0.btn-base5) , как по примеру выше , и нажимаем кнопку постоянного движения по оси !!!!! (какая то дополнительная кнопка :input.0.btn-base5) и чтобы станок начал двигаться и продолжил движение !!! после отпускания кнопок пульта , до тех пор пока не будет нажата кнопка остановки движения , не аварийная
то есть типа как будто клацнул тумблер станок ездит в одну сторону .....
может присоветуете как построить алгоритм программирования, или пример как можно реализовать задуманное
то есть хочется упростить работу на станке в ручном управлении , чтобы подача включалась и фиксировалась как на обычном фрезере , пока ты сам не выключишь подачу
nkp
Мастер
Сообщения: 8340
Зарегистрирован: 28 ноя 2011, 00:25
Репутация: 1589
Контактная информация:

Re: EMC2 LinuxCNC и Joystick

Сообщение nkp »

solo писал(а):реализовать задуманное
можно просто подхват в ладдере нарисовать :
(для просмотра содержимого нажмите на ссылку)
Выделение_102.png
Выделение_102.png (10.99 КБ) 8157 просмотров
Аватара пользователя
solo
Мастер
Сообщения: 1374
Зарегистрирован: 20 окт 2011, 18:39
Репутация: 272
Настоящее имя: Юрий Соловьев
Откуда: Украина Харьков
Контактная информация:

Re: EMC2 LinuxCNC и Joystick

Сообщение solo »

подскажите пж
столкнулся с проблемой LinuxCNC теряет связь с джойстиком, можно ли, что нибудь сделать в плане повышения надежности работы джойстика,
после перезагрузки LCNC джойстик работает нормально
Аватара пользователя
torvn77
Мастер
Сообщения: 2442
Зарегистрирован: 02 июн 2012, 22:12
Репутация: 215
Откуда: Россия,Санкт-Петербург
Контактная информация:

Re: EMC2 LinuxCNC и Joystick

Сообщение torvn77 »

solo писал(а):LinuxCNC теряет связь с джойстиком
ИМХО это аппаратная проблема, может USB порт раздолбанный.
Ну а как из-за порта halinput потеряет джойстик так и выгрузится из реалтайма со всеми своими пинами и пока пока запущена УП восстановить пины тебе не дадут.
А вообще хорошо бы чтоб халинпют продолжал работать после отключенния джойстики и при при подключении подхватывал его обратно.
Аватара пользователя
solo
Мастер
Сообщения: 1374
Зарегистрирован: 20 окт 2011, 18:39
Репутация: 272
Настоящее имя: Юрий Соловьев
Откуда: Украина Харьков
Контактная информация:

Re: EMC2 LinuxCNC и Joystick

Сообщение solo »

torvn77 писал(а):А вообще хорошо бы чтоб халинпют продолжал работать после отключенния джойстики и при при подключении подхватывал его обратно
а что это такое , и как это реализовать для проверки ?
torvn77 писал(а):ИМХО это аппаратная проблема, может USB порт раздолбанный.
порт вроде нормальный просто в день когда отвалился джойстик рядом со станком работала сварка, да и шнурочек джойстика я удлинил чтоб удобней было работать
Аватара пользователя
torvn77
Мастер
Сообщения: 2442
Зарегистрирован: 02 июн 2012, 22:12
Репутация: 215
Откуда: Россия,Санкт-Петербург
Контактная информация:

Re: EMC2 LinuxCNC и Joystick

Сообщение torvn77 »

solo писал(а):а что это такое , и как это реализовать для проверки ?
solo писал(а):loadusr -W hal_input -KRAL DragonRise Inc. Generic USB Joystick
Программа на питоне конвертирующая соощения с джойстика в состояние пинов хала.
solo писал(а):просто
solo писал(а):ядом со станком работала сварка, да и шнурочек джойстика я удлинил
аппаратная причина, наводки.
Аватара пользователя
solo
Мастер
Сообщения: 1374
Зарегистрирован: 20 окт 2011, 18:39
Репутация: 272
Настоящее имя: Юрий Соловьев
Откуда: Украина Харьков
Контактная информация:

Re: EMC2 LinuxCNC и Joystick

Сообщение solo »

пользую джойстиком для управления фрезером , функционально заточил управления с джойстика для ручной обработки ,проведения подготовительных работ , на станке ЧПУ
для задания скорости перемещения подаваемой на пин " halui.jog-speed " использую компонент " updown "
в хел файле такие строки отвечают за скорость
(для просмотра содержимого нажмите на ссылку)
loadrt updown count=1
loadrt conv_s32_float count=1
loadrt mult2 count=1

net gamepad_func_button_5 input.0.btn-top2 => updown.0.countup
net gamepad_func_button_7 input.0.btn-base => updown.0.countdown

net Xjogconv conv-s32-float.0.in => updown.0.count
net mut1 conv-s32-float.0.out mult2.0.in0
# множитель малых скоростей
setp mult2.0.in1 6.25
net gammux mult2.0.out
net gammux => halui.jog-speed

addf updown.0 servo-thread
addf conv-s32-float.0 servo-thread
addf mult2.0 servo-thread
но пользоваться не очень удобно так как для задания большой скорости нужно много тыкать на кнопочки пока не НЕ НАТЫКАЕТ нужную скорость :freak:
может кто подскажет как реализовать функцию "зажатия кнопки" ,
если кнопка нажата кратковременно то значение меняется на одну величину , а если кнопка нажата больше 1-2 сек то значение на выводе компонента меняется на порядок быстрее , или с ускорение. :beer_blow:
nkp
Мастер
Сообщения: 8340
Зарегистрирован: 28 ноя 2011, 00:25
Репутация: 1589
Контактная информация:

Re: EMC2 LinuxCNC и Joystick

Сообщение nkp »

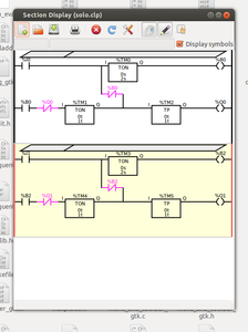
дописать бы как по мне этот функционал в сам компонент updown
но пока вот на CL схемка

Код: Выделить всё

loadrt classicladder_rt 
loadusr classicladder solo.clp
addf classicladder.0.refresh servo-thread

loadrt conv_s32_float count=1
loadrt mult2 count=1

net gamepad_func_button_5 input.0.btn-top2 => classicladder.0.in-00
net gamepad_func_button_7 input.0.btn-base => classicladder.0.in-01

net out1 classicladder.0.out-00 => updown.0.countup
net out2 classicladder.0.out-01 => updown.0.countdown

net Xjogconv conv-s32-float.0.in => updown.0.count 
net mut1 conv-s32-float.0.out mult2.0.in0
# множитель малых скоростей 
setp mult2.0.in1 6.25
net gammux mult2.0.out
net gammux => halui.jog-speed

addf updown.0 servo-thread
addf conv-s32-float.0 servo-thread
addf mult2.0 servo-thread
Выделение_150.png (7328 просмотров) <a class='original' href='./download/file.php?id=109755&mode=view' target=_blank>Загрузить оригинал (58.23 КБ)</a>
solo.clp
(3.07 КБ) 1155 скачиваний
Аватара пользователя
al_us
Почётный участник
Почётный участник
Сообщения: 553
Зарегистрирован: 24 июн 2015, 09:27
Репутация: 115
Настоящее имя: Алексей
Контактная информация:

Re: EMC2 LinuxCNC и Joystick

Сообщение al_us »

Код: Выделить всё

loadusr hal_input -W -KRAL +Logitech Logitech(R) Precision(TM) Gamepad

net joystick_enable <= input.0.btn-base4 => axis.0.jog-enable
не могу запустить из hal файла, пробовал в основной дописывать и отдельный файл.
LinuxCNC выдает ошибку:
(для просмотра содержимого нажмите на ссылку)

Код: Выделить всё

Print file information:
RUN_IN_PLACE=no
LINUXCNC_DIR=
LINUXCNC_BIN_DIR=/usr/bin
LINUXCNC_TCL_DIR=/usr/lib/tcltk/linuxcnc
LINUXCNC_SCRIPT_DIR=
LINUXCNC_RTLIB_DIR=/usr/realtime-3.4-9-rtai-686-pae/modules/linuxcnc
LINUXCNC_CONFIG_DIR=
LINUXCNC_LANG_DIR=/usr/share/linuxcnc/tcl/msgs
INIVAR=inivar
HALCMD=halcmd
LINUXCNC_EMCSH=/usr/bin/wish8.5
LINUXCNC - 2.7.0
Machine configuration directory is '/home/master/linuxcnc/configs/c4n3c1'
Machine configuration file is 'c4n3c1.ini'
INIFILE=/home/master/linuxcnc/configs/c4n3c1/c4n3c1.ini
PARAMETER_FILE=linuxcnc.var
TASK=milltask
HALUI=halui
DISPLAY=axis
Starting LinuxCNC...
Starting LinuxCNC server program: linuxcncsvr
Loading Real Time OS, RTAPI, and HAL_LIB modules
Starting LinuxCNC IO program: io
Starting HAL User Interface program: halui
Found file(REL): ./c4n3c1.hal
Found file(REL): ./custom.hal
Found file(REL): ./jpad.hal
Shutting down and cleaning up LinuxCNC...
Killing task linuxcncsvr, PID=14338
Removing HAL_LIB, RTAPI, and Real Time OS modules
Removing NML shared memory segments

Debug file information:
.
./jpad.hal:4: Pin 'input.0.btn-base4' does not exist
14338
  PID TTY      STAT   TIME COMMAND
Stopping realtime threads
Unloading hal components

Kernel message information:
[    0.000000] Initializing cgroup subsys cpuset
[    0.000000] Initializing cgroup subsys cpu
[    0.000000] Linux version 3.4-9-rtai-686-pae (Debian 3.4.55-4linuxcnc) () (gcc version 4.6.3 (Debian 4.6.3-14) ) #1 SMP PREEMPT Debian 3.4.55-4linuxcnc
[    0.000000] BIOS-provided physical RAM map:
[    0.000000]  BIOS-e820: 0000000000000000 - 000000000009f800 (usable)
[    0.000000]  BIOS-e820: 000000000009f800 - 00000000000a0000 (reserved)
[    0.000000]  BIOS-e820: 00000000000f0000 - 0000000000100000 (reserved)
[    0.000000]  BIOS-e820: 0000000000100000 - 000000007f5e0000 (usable)
[    0.000000]  BIOS-e820: 000000007f5e0000 - 000000007f5e3000 (ACPI NVS)
[    0.000000]  BIOS-e820: 000000007f5e3000 - 000000007f5f0000 (ACPI data)
[    0.000000]  BIOS-e820: 000000007f5f0000 - 000000007f600000 (reserved)
[    0.000000]  BIOS-e820: 00000000e0000000 - 00000000f0000000 (reserved)
[    0.000000]  BIOS-e820: 00000000fec00000 - 0000000100000000 (reserved)
[    0.000000] Notice: NX (Execute Disable) protection cannot be enabled: non-PAE kernel!
[    0.000000] SMBIOS 2.4 present.
[    0.000000] DMI: Gigabyte Technology Co., Ltd. G31M-ES2L/G31M-ES2L, BIOS FF 10/13/2009
[    0.000000] e820 update range: 0000000000000000 - 0000000000010000 (usable) ==> (reserved)
[    0.000000] e820 remove range: 00000000000a0000 - 0000000000100000 (usable)
[    0.000000] last_pfn = 0x7f5e0 max_arch_pfn = 0x100000
[    0.000000] MTRR default type: uncachable
[    0.000000] MTRR fixed ranges enabled:
[    0.000000]   00000-9FFFF write-back
[    0.000000]   A0000-BFFFF uncachable
[    0.000000]   C0000-CAFFF write-protect
[    0.000000]   CB000-EFFFF uncachable
[    0.000000]   F0000-FFFFF write-through
[    0.000000] MTRR variable ranges enabled:
[    0.000000]   0 base 000000000 mask F80000000 write-back
[    0.000000]   1 base 07F800000 mask FFF800000 uncachable
[    0.000000]   2 base 07F700000 mask FFFF00000 uncachable
[    0.000000]   3 base 07F600000 mask FFFF00000 uncachable
[    0.000000]   4 disabled
[    0.000000]   5 disabled
[    0.000000]   6 disabled
[    0.000000]   7 disabled
[    0.000000] x86 PAT enabled: cpu 0, old 0x7040600070406, new 0x7010600070106
[    0.000000] found SMP MP-table at [c00f53c0] f53c0
[    0.000000] initial memory mapped : 0 - 01800000
[    0.000000] Base memory trampoline at [c009b000] 9b000 size 16384
[    0.000000] init_memory_mapping: 0000000000000000-00000000377fe000
[    0.000000]  0000000000 - 0000400000 page 4k
[    0.000000]  0000400000 - 0037400000 page 2M
[    0.000000]  0037400000 - 00377fe000 page 4k
[    0.000000] kernel direct mapping tables up to 0x377fdfff @ [mem 0x017f8000-0x017fffff]
[    0.000000] RAMDISK: 36414000 - 37202000
[    0.000000] ACPI: RSDP 000f6db0 00014 (v00 GBT   )
[    0.000000] ACPI: RSDT 7f5e3040 0003C (v01 GBT    GBTUACPI 42302E31 GBTU 01010101)
[    0.000000] ACPI: FACP 7f5e30c0 00074 (v01 GBT    GBTUACPI 42302E31 GBTU 01010101)
[    0.000000] ACPI: DSDT 7f5e3180 040E8 (v01 GBT    GBTUACPI 00001000 MSFT 0100000C)
[    0.000000] ACPI: FACS 7f5e0000 00040
[    0.000000] ACPI: HPET 7f5e73c0 00038 (v01 GBT    GBTUACPI 42302E31 GBTU 00000098)
[    0.000000] ACPI: MCFG 7f5e7440 0003C (v01 GBT    GBTUACPI 42302E31 GBTU 01010101)
[    0.000000] ACPI: TAMG 7f5e7480 0625A (v01 GBT    GBT   B0 5455312E BG?? 00020101)
[    0.000000] ACPI: APIC 7f5e72c0 00084 (v01 GBT    GBTUACPI 42302E31 GBTU 01010101)
[    0.000000] ACPI: SSDT 7f5edd40 003AB (v01  PmRef    CpuPm 00003000 INTL 20040311)
[    0.000000] ACPI: Local APIC address 0xfee00000
[    0.000000] 1149MB HIGHMEM available.
[    0.000000] 887MB LOWMEM available.
[    0.000000]   mapped low ram: 0 - 377fe000
[    0.000000]   low ram: 0 - 377fe000
[    0.000000] Zone PFN ranges:
[    0.000000]   DMA      0x00000010 -> 0x00001000
[    0.000000]   Normal   0x00001000 -> 0x000377fe
[    0.000000]   HighMem  0x000377fe -> 0x0007f5e0
[    0.000000] Movable zone start PFN for each node
[    0.000000] Early memory PFN ranges
[    0.000000]     0: 0x00000010 -> 0x0000009f
[    0.000000]     0: 0x00000100 -> 0x0007f5e0
[    0.000000] On node 0 totalpages: 521583
[    0.000000] free_area_init_node: node 0, pgdat c1498a00, node_mem_map f5424200
[    0.000000]   DMA zone: 32 pages used for memmap
[    0.000000]   DMA zone: 0 pages reserved
[    0.000000]   DMA zone: 3951 pages, LIFO batch:0
[    0.000000]   Normal zone: 1744 pages used for memmap
[    0.000000]   Normal zone: 221486 pages, LIFO batch:31
[    0.000000]   HighMem zone: 2300 pages used for memmap
[    0.000000]   HighMem zone: 292070 pages, LIFO batch:31
[    0.000000] Using APIC driver default
[    0.000000] ACPI: PM-Timer IO Port: 0x408
[    0.000000] ACPI: Local APIC address 0xfee00000
[    0.000000] ACPI: LAPIC (acpi_id[0x00] lapic_id[0x00] enabled)
[    0.000000] ACPI: LAPIC (acpi_id[0x01] lapic_id[0x01] enabled)
[    0.000000] ACPI: LAPIC (acpi_id[0x02] lapic_id[0x02] disabled)
[    0.000000] ACPI: LAPIC (acpi_id[0x03] lapic_id[0x03] disabled)
[    0.000000] ACPI: LAPIC_NMI (acpi_id[0x00] dfl dfl lint[0x1])
[    0.000000] ACPI: LAPIC_NMI (acpi_id[0x01] dfl dfl lint[0x1])
[    0.000000] ACPI: LAPIC_NMI (acpi_id[0x02] dfl dfl lint[0x1])
[    0.000000] ACPI: LAPIC_NMI (acpi_id[0x03] dfl dfl lint[0x1])
[    0.000000] ACPI: IOAPIC (id[0x02] address[0xfec00000] gsi_base[0])
[    0.000000] IOAPIC[0]: apic_id 2, version 32, address 0xfec00000, GSI 0-23
[    0.000000] ACPI: INT_SRC_OVR (bus 0 bus_irq 0 global_irq 2 dfl dfl)
[    0.000000] ACPI: INT_SRC_OVR (bus 0 bus_irq 9 global_irq 9 high level)
[    0.000000] ACPI: IRQ0 used by override.
[    0.000000] ACPI: IRQ2 used by override.
[    0.000000] ACPI: IRQ9 used by override.
[    0.000000] Using ACPI (MADT) for SMP configuration information
[    0.000000] ACPI: HPET id: 0x8086a201 base: 0xfed00000
[    0.000000] SMP: Allowing 4 CPUs, 2 hotplug CPUs
[    0.000000] nr_irqs_gsi: 40
[    0.000000] PM: Registered nosave memory: 000000000009f000 - 00000000000a0000
[    0.000000] PM: Registered nosave memory: 00000000000a0000 - 00000000000f0000
[    0.000000] PM: Registered nosave memory: 00000000000f0000 - 0000000000100000
[    0.000000] Allocating PCI resources starting at 7f600000 (gap: 7f600000:60a00000)
[    0.000000] setup_percpu: NR_CPUS:8 nr_cpumask_bits:8 nr_cpu_ids:4 nr_node_ids:1
[    0.000000] PERCPU: Embedded 17 pages/cpu @f77ad000 s48384 r0 d21248 u69632
[    0.000000] pcpu-alloc: s48384 r0 d21248 u69632 alloc=17*4096
[    0.000000] pcpu-alloc: [0] 0 [0] 1 [0] 2 [0] 3 
[    0.000000] Built 1 zonelists in Zone order, mobility grouping on.  Total pages: 517507
[    0.000000] Kernel command line: BOOT_IMAGE=/boot/vmlinuz-3.4-9-rtai-686-pae root=UUID=5d041c4f-acc9-4979-ae5e-7708ee4120f6 ro initrd=/install/gtk/initrd.gz lapic quiet rootdelay=5
[    0.000000] PID hash table entries: 4096 (order: 2, 16384 bytes)
[    0.000000] Dentry cache hash table entries: 131072 (order: 7, 524288 bytes)
[    0.000000] Inode-cache hash table entries: 65536 (order: 6, 262144 bytes)
[    0.000000] Initializing CPU#0
[    0.000000] xsave/xrstor: enabled xstate_bv 0x3, cntxt size 0x240
[    0.000000] allocated 4173440 bytes of page_cgroup
[    0.000000] please try 'cgroup_disable=memory' option if you don't want memory cgroups
[    0.000000] Initializing HighMem for node 0 (000377fe:0007f5e0)
[    0.000000] Memory: 2044688k/2086784k available (3495k kernel code, 41644k reserved, 1237k data, 416k init, 1177480k highmem)
[    0.000000] virtual kernel memory layout:
[    0.000000]     fixmap  : 0xfff17000 - 0xfffff000   ( 928 kB)
[    0.000000]     pkmap   : 0xff800000 - 0xffc00000   (4096 kB)
[    0.000000]     vmalloc : 0xf7ffe000 - 0xff7fe000   ( 120 MB)
[    0.000000]     lowmem  : 0xc0000000 - 0xf77fe000   ( 887 MB)
[    0.000000]       .init : 0xc14a0000 - 0xc1508000   ( 416 kB)
[    0.000000]       .data : 0xc1369d4a - 0xc149f480   (1237 kB)
[    0.000000]       .text : 0xc1000000 - 0xc1369d4a   (3495 kB)
[    0.000000] Checking if this processor honours the WP bit even in supervisor mode...Ok.
[    0.000000] Preemptible hierarchical RCU implementation.
[    0.000000] 	RCU dyntick-idle grace-period acceleration is enabled.
[    0.000000] NR_IRQS:2304 nr_irqs:712 16
[    0.000000] CPU 0 irqstacks, hard=f5006000 soft=f5008000
[    0.000000] Interrupt pipeline (release #3)
[    0.000000] Console: colour VGA+ 80x25
[    0.000000] console [tty0] enabled
[    0.000000] hpet clockevent registered
[    0.000000] Fast TSC calibration using PIT
[    0.000000] Detected 2600.194 MHz processor.
[    0.004002] Calibrating delay loop (skipped), value calculated using timer frequency.. 5200.38 BogoMIPS (lpj=10400776)
[    0.004006] pid_max: default: 32768 minimum: 301
[    0.004045] Security Framework initialized
[    0.004049] AppArmor: AppArmor disabled by boot time parameter
[    0.004065] Mount-cache hash table entries: 512
[    0.004250] Initializing cgroup subsys cpuacct
[    0.004252] Initializing cgroup subsys memory
[    0.004259] Initializing cgroup subsys devices
[    0.004261] Initializing cgroup subsys freezer
[    0.004263] Initializing cgroup subsys net_cls
[    0.004265] Initializing cgroup subsys blkio
[    0.004271] Initializing cgroup subsys perf_event
[    0.004296] CPU: Physical Processor ID: 0
[    0.004298] CPU: Processor Core ID: 0
[    0.004300] mce: CPU supports 6 MCE banks
[    0.004307] CPU0: Thermal monitoring enabled (TM2)
[    0.004359] ACPI: Core revision 20120320
[    0.010974] Enabling APIC mode:  Flat.  Using 1 I/O APICs
[    0.011335] ..TIMER: vector=0x30 apic1=0 pin1=2 apic2=-1 pin2=-1
[    0.051029] CPU0: Intel Pentium(R) Dual-Core  CPU      E5300  @ 2.60GHz stepping 0a
[    0.052002] Performance Events: PEBS fmt0+, 4-deep LBR, Core2 events, Intel PMU driver.
[    0.052002] ... version:                2
[    0.052002] ... bit width:              40
[    0.052002] ... generic registers:      2
[    0.052002] ... value mask:             000000ffffffffff
[    0.052002] ... max period:             000000007fffffff
[    0.052002] ... fixed-purpose events:   3
[    0.052002] ... event mask:             0000000700000003
[    0.060095] NMI watchdog: enabled, takes one hw-pmu counter.
[    0.072036] CPU 1 irqstacks, hard=f50d4000 soft=f50d6000
[    0.072041] Booting Node   0, Processors  #1
[    0.008000] Initializing CPU#1
[    0.084036] NMI watchdog: enabled, takes one hw-pmu counter.
[    0.084075] Brought up 2 CPUs
[    0.084077] Total of 2 processors activated (10400.77 BogoMIPS).
[    0.085244] devtmpfs: initialized
[    0.085244] PM: Registering ACPI NVS region [mem 0x7f5e0000-0x7f5e2fff] (12288 bytes)
[    0.085244] dummy: 
[    0.085244] NET: Registered protocol family 16
[    0.085244] ACPI: bus type pci registered
[    0.085244] PCI: MMCONFIG for domain 0000 [bus 00-ff] at [mem 0xe0000000-0xefffffff] (base 0xe0000000)
[    0.085244] PCI: MMCONFIG at [mem 0xe0000000-0xefffffff] reserved in E820
[    0.085244] PCI: Using MMCONFIG for extended config space
[    0.085244] PCI: Using configuration type 1 for base access
[    0.085244] bio: create slab <bio-0> at 0
[    0.085244] ACPI: Added _OSI(Module Device)
[    0.085244] ACPI: Added _OSI(Processor Device)
[    0.085244] ACPI: Added _OSI(3.0 _SCP Extensions)
[    0.085244] ACPI: Added _OSI(Processor Aggregator Device)
[    0.088711] ACPI: EC: Look up EC in DSDT
[    0.092798] ACPI Warning: Incorrect checksum in table [TAMG] - 0x37, should be 0x36 (20120320/tbutils-323)
[    0.093012] ACPI: SSDT 7f5ed720 002AE (v01  PmRef  Cpu0Ist 00003000 INTL 20040311)
[    0.093244] ACPI: Dynamic OEM Table Load:
[    0.093247] ACPI: SSDT   (null) 002AE (v01  PmRef  Cpu0Ist 00003000 INTL 20040311)
[    0.093437] ACPI: SSDT 7f5edbe0 00152 (v01  PmRef  Cpu1Ist 00003000 INTL 20040311)
[    0.093654] ACPI: Dynamic OEM Table Load:
[    0.093658] ACPI: SSDT   (null) 00152 (v01  PmRef  Cpu1Ist 00003000 INTL 20040311)
[    0.093840] ACPI: Interpreter enabled
[    0.093858] ACPI: (supports S0 S3 S4 S5)
[    0.093882] ACPI: Using IOAPIC for interrupt routing
[    0.098253] ACPI: No dock devices found.
[    0.098262] PCI: Using host bridge windows from ACPI; if necessary, use "pci=nocrs" and report a bug
[    0.098320] ACPI: PCI Root Bridge [PCI0] (domain 0000 [bus 00-ff])
[    0.098406] pci_root PNP0A03:00: host bridge window [io  0x0000-0x0cf7]
[    0.098408] pci_root PNP0A03:00: host bridge window [io  0x0d00-0xffff]
[    0.098411] pci_root PNP0A03:00: host bridge window [mem 0x000a0000-0x000bffff]
[    0.098413] pci_root PNP0A03:00: host bridge window [mem 0x000c0000-0x000dffff]
[    0.098416] pci_root PNP0A03:00: host bridge window [mem 0x7f600000-0xfebfffff]
[    0.098457] PCI host bridge to bus 0000:00
[    0.098459] pci_bus 0000:00: root bus resource [io  0x0000-0x0cf7]
[    0.098462] pci_bus 0000:00: root bus resource [io  0x0d00-0xffff]
[    0.098464] pci_bus 0000:00: root bus resource [mem 0x000a0000-0x000bffff]
[    0.098467] pci_bus 0000:00: root bus resource [mem 0x000c0000-0x000dffff]
[    0.098469] pci_bus 0000:00: root bus resource [mem 0x7f600000-0xfebfffff]
[    0.098479] pci 0000:00:00.0: [8086:29c0] type 00 class 0x060000
[    0.098521] pci 0000:00:02.0: [8086:29c2] type 00 class 0x030000
[    0.098532] pci 0000:00:02.0: reg 10: [mem 0xfdf00000-0xfdf7ffff]
[    0.098539] pci 0000:00:02.0: reg 14: [io  0xff00-0xff07]
[    0.098545] pci 0000:00:02.0: reg 18: [mem 0xd0000000-0xdfffffff pref]
[    0.098551] pci 0000:00:02.0: reg 1c: [mem 0xfdc00000-0xfdcfffff]
[    0.098613] pci 0000:00:1b.0: [8086:27d8] type 00 class 0x040300
[    0.098629] pci 0000:00:1b.0: reg 10: [mem 0xfdff8000-0xfdffbfff 64bit]
[    0.098683] pci 0000:00:1b.0: PME# supported from D0 D3hot D3cold
[    0.098706] pci 0000:00:1c.0: [8086:27d0] type 01 class 0x060400
[    0.098761] pci 0000:00:1c.0: PME# supported from D0 D3hot D3cold
[    0.098784] pci 0000:00:1c.1: [8086:27d2] type 01 class 0x060400
[    0.098839] pci 0000:00:1c.1: PME# supported from D0 D3hot D3cold
[    0.098865] pci 0000:00:1d.0: [8086:27c8] type 00 class 0x0c0300
[    0.098905] pci 0000:00:1d.0: reg 20: [io  0xfe00-0xfe1f]
[    0.098933] pci 0000:00:1d.1: [8086:27c9] type 00 class 0x0c0300
[    0.098973] pci 0000:00:1d.1: reg 20: [io  0xfd00-0xfd1f]
[    0.099002] pci 0000:00:1d.2: [8086:27ca] type 00 class 0x0c0300
[    0.099041] pci 0000:00:1d.2: reg 20: [io  0xfc00-0xfc1f]
[    0.099070] pci 0000:00:1d.3: [8086:27cb] type 00 class 0x0c0300
[    0.099109] pci 0000:00:1d.3: reg 20: [io  0xfb00-0xfb1f]
[    0.099144] pci 0000:00:1d.7: [8086:27cc] type 00 class 0x0c0320
[    0.099161] pci 0000:00:1d.7: reg 10: [mem 0xfdfff000-0xfdfff3ff]
[    0.099237] pci 0000:00:1e.0: [8086:244e] type 01 class 0x060401
[    0.099293] pci 0000:00:1f.0: [8086:27b8] type 00 class 0x060100
[    0.099374] pci 0000:00:1f.0: ICH7 LPC Generic IO decode 1 PIO at 0800 (mask 000f)
[    0.099377] pci 0000:00:1f.0: ICH7 LPC Generic IO decode 2 PIO at 0290 (mask 000f)
[    0.099411] pci 0000:00:1f.2: [8086:27c0] type 00 class 0x010180
[    0.099425] pci 0000:00:1f.2: reg 10: [io  0x0000-0x0007]
[    0.099433] pci 0000:00:1f.2: reg 14: [io  0x0000-0x0003]
[    0.099441] pci 0000:00:1f.2: reg 18: [io  0x0000-0x0007]
[    0.099449] pci 0000:00:1f.2: reg 1c: [io  0x0000-0x0003]
[    0.099457] pci 0000:00:1f.2: reg 20: [io  0xf800-0xf80f]
[    0.099485] pci 0000:00:1f.2: PME# supported from D3hot
[    0.099500] pci 0000:00:1f.3: [8086:27da] type 00 class 0x0c0500
[    0.099551] pci 0000:00:1f.3: reg 20: [io  0x0500-0x051f]
[    0.099619] pci 0000:00:1c.0: PCI bridge to [bus 01-01]
[    0.099623] pci 0000:00:1c.0:   bridge window [io  0xc000-0xcfff]
[    0.099628] pci 0000:00:1c.0:   bridge window [mem 0xfd900000-0xfd9fffff]
[    0.099634] pci 0000:00:1c.0:   bridge window [mem 0xfd800000-0xfd8fffff 64bit pref]
[    0.099694] pci 0000:02:00.0: [1969:1063] type 00 class 0x020000
[    0.099718] pci 0000:02:00.0: reg 10: [mem 0xfdec0000-0xfdefffff 64bit]
[    0.099730] pci 0000:02:00.0: reg 18: [io  0xbf00-0xbf7f]
[    0.099809] pci 0000:02:00.0: PME# supported from D0 D1 D2 D3hot D3cold
[    0.104032] pci 0000:00:1c.1: PCI bridge to [bus 02-02]
[    0.104040] pci 0000:00:1c.1:   bridge window [io  0xb000-0xbfff]
[    0.104048] pci 0000:00:1c.1:   bridge window [mem 0xfde00000-0xfdefffff]
[    0.104058] pci 0000:00:1c.1:   bridge window [mem 0xfdd00000-0xfddfffff 64bit pref]
[    0.104147] pci 0000:00:1e.0: PCI bridge to [bus 03-03] (subtractive decode)
[    0.104154] pci 0000:00:1e.0:   bridge window [io  0xd000-0xdfff]
[    0.104162] pci 0000:00:1e.0:   bridge window [mem 0xfdb00000-0xfdbfffff]
[    0.104172] pci 0000:00:1e.0:   bridge window [mem 0xfda00000-0xfdafffff 64bit pref]
[    0.104178] pci 0000:00:1e.0:   bridge window [io  0x0000-0x0cf7] (subtractive decode)
[    0.104183] pci 0000:00:1e.0:   bridge window [io  0x0d00-0xffff] (subtractive decode)
[    0.104189] pci 0000:00:1e.0:   bridge window [mem 0x000a0000-0x000bffff] (subtractive decode)
[    0.104194] pci 0000:00:1e.0:   bridge window [mem 0x000c0000-0x000dffff] (subtractive decode)
[    0.104200] pci 0000:00:1e.0:   bridge window [mem 0x7f600000-0xfebfffff] (subtractive decode)
[    0.104221] pci_bus 0000:00: on NUMA node 0
[    0.104224] ACPI: PCI Interrupt Routing Table [\_SB_.PCI0._PRT]
[    0.104436] ACPI: PCI Interrupt Routing Table [\_SB_.PCI0.PEX0._PRT]
[    0.104489] ACPI: PCI Interrupt Routing Table [\_SB_.PCI0.PEX1._PRT]
[    0.104552] ACPI: PCI Interrupt Routing Table [\_SB_.PCI0.HUB0._PRT]
[    0.104674]  pci0000:00: Unable to request _OSC control (_OSC support mask: 0x0f)
[    0.113629] ACPI: PCI Interrupt Link [LNKA] (IRQs 3 4 *5 6 7 9 10 11 12 14 15)
[    0.113685] ACPI: PCI Interrupt Link [LNKB] (IRQs 3 4 5 6 7 9 *10 11 12 14 15)
[    0.113740] ACPI: PCI Interrupt Link [LNKC] (IRQs 3 4 5 6 7 *9 10 11 12 14 15)
[    0.113794] ACPI: PCI Interrupt Link [LNKD] (IRQs 3 4 5 6 7 9 10 *11 12 14 15)
[    0.113848] ACPI: PCI Interrupt Link [LNKE] (IRQs 3 4 5 6 7 9 10 11 12 14 15) *0, disabled.
[    0.113903] ACPI: PCI Interrupt Link [LNKF] (IRQs 3 4 5 6 7 9 10 11 12 14 15) *0, disabled.
[    0.113959] ACPI: PCI Interrupt Link [LNK0] (IRQs 3 4 5 6 7 9 10 11 12 14 15) *0, disabled.
[    0.114015] ACPI: PCI Interrupt Link [LNK1] (IRQs *3 4 5 6 7 9 10 11 12 14 15)
[    0.114072] vgaarb: device added: PCI:0000:00:02.0,decodes=io+mem,owns=io+mem,locks=none
[    0.114072] vgaarb: loaded
[    0.114072] vgaarb: bridge control possible 0000:00:02.0
[    0.114072] PCI: Using ACPI for IRQ routing
[    0.119976] PCI: pci_cache_line_size set to 64 bytes
[    0.120044] reserve RAM buffer: 000000000009f800 - 000000000009ffff 
[    0.120046] reserve RAM buffer: 000000007f5e0000 - 000000007fffffff 
[    0.120187] hpet0: at MMIO 0xfed00000, IRQs 2, 8, 0
[    0.120192] hpet0: 3 comparators, 64-bit 14.318180 MHz counter
[    0.122204] Switching to clocksource hpet
[    0.122263] pnp: PnP ACPI init
[    0.122273] ACPI: bus type pnp registered
[    0.122345] pnp 00:00: [bus 00-ff]
[    0.122347] pnp 00:00: [io  0x0cf8-0x0cff]
[    0.122350] pnp 00:00: [io  0x0000-0x0cf7 window]
[    0.122352] pnp 00:00: [io  0x0d00-0xffff window]
[    0.122355] pnp 00:00: [mem 0x000a0000-0x000bffff window]
[    0.122357] pnp 00:00: [mem 0x000c0000-0x000dffff window]
[    0.122360] pnp 00:00: [mem 0x7f600000-0xfebfffff window]
[    0.122399] pnp 00:00: Plug and Play ACPI device, IDs PNP0a03 (active)
[    0.122473] pnp 00:01: [io  0x0010-0x001f]
[    0.122475] pnp 00:01: [io  0x0022-0x003f]
[    0.122477] pnp 00:01: [io  0x0044-0x005f]
[    0.122479] pnp 00:01: [io  0x0062-0x0063]
[    0.122481] pnp 00:01: [io  0x0065-0x006f]
[    0.122483] pnp 00:01: [io  0x0074-0x007f]
[    0.122485] pnp 00:01: [io  0x0091-0x0093]
[    0.122487] pnp 00:01: [io  0x00a2-0x00bf]
[    0.122490] pnp 00:01: [io  0x00e0-0x00ef]
[    0.122492] pnp 00:01: [io  0x04d0-0x04d1]
[    0.122494] pnp 00:01: [io  0x0290-0x029f]
[    0.122496] pnp 00:01: [io  0x0800-0x087f]
[    0.122498] pnp 00:01: [io  0x0290-0x0294]
[    0.122500] pnp 00:01: [io  0x0880-0x088f]
[    0.122548] system 00:01: [io  0x04d0-0x04d1] has been reserved
[    0.122551] system 00:01: [io  0x0290-0x029f] has been reserved
[    0.122554] system 00:01: [io  0x0800-0x087f] has been reserved
[    0.122557] system 00:01: [io  0x0290-0x0294] has been reserved
[    0.122559] system 00:01: [io  0x0880-0x088f] has been reserved
[    0.122562] system 00:01: Plug and Play ACPI device, IDs PNP0c02 (active)
[    0.122577] pnp 00:02: [dma 4]
[    0.122580] pnp 00:02: [io  0x0000-0x000f]
[    0.122582] pnp 00:02: [io  0x0080-0x0090]
[    0.122584] pnp 00:02: [io  0x0094-0x009f]
[    0.122586] pnp 00:02: [io  0x00c0-0x00df]
[    0.122612] pnp 00:02: Plug and Play ACPI device, IDs PNP0200 (active)
[    0.122665] pnp 00:03: [irq 0 disabled]
[    0.122675] pnp 00:03: [irq 8]
[    0.122677] pnp 00:03: [mem 0xfed00000-0xfed003ff]
[    0.122704] pnp 00:03: Plug and Play ACPI device, IDs PNP0103 (active)
[    0.122735] pnp 00:04: [io  0x0070-0x0073]
[    0.122763] pnp 00:04: Plug and Play ACPI device, IDs PNP0b00 (active)
[    0.122773] pnp 00:05: [io  0x0061]
[    0.122800] pnp 00:05: Plug and Play ACPI device, IDs PNP0800 (active)
[    0.122810] pnp 00:06: [io  0x00f0-0x00ff]
[    0.122815] pnp 00:06: [irq 13]
[    0.122842] pnp 00:06: Plug and Play ACPI device, IDs PNP0c04 (active)
[    0.123082] pnp 00:07: [io  0x03f8-0x03ff]
[    0.123087] pnp 00:07: [irq 4]
[    0.123142] pnp 00:07: Plug and Play ACPI device, IDs PNP0501 (active)
[    0.123341] pnp 00:08: [io  0x0378-0x037f]
[    0.123346] pnp 00:08: [irq 7]
[    0.123390] pnp 00:08: Plug and Play ACPI device, IDs PNP0400 (active)
[    0.123486] pnp 00:09: [io  0x0060]
[    0.123489] pnp 00:09: [io  0x0064]
[    0.123494] pnp 00:09: [irq 1]
[    0.123522] pnp 00:09: Plug and Play ACPI device, IDs PNP0303 (active)
[    0.123558] pnp 00:0a: [io  0x0400-0x04cf]
[    0.123601] system 00:0a: [io  0x0400-0x04cf] has been reserved
[    0.123604] system 00:0a: Plug and Play ACPI device, IDs PNP0c02 (active)
[    0.123824] pnp 00:0b: [mem 0xe0000000-0xefffffff]
[    0.123875] system 00:0b: [mem 0xe0000000-0xefffffff] has been reserved
[    0.123878] system 00:0b: Plug and Play ACPI device, IDs PNP0c02 (active)
[    0.123878] pnp 00:0c: [mem 0x000cb400-0x000cbfff]
[    0.123878] pnp 00:0c: [mem 0x000f0000-0x000f7fff]
[    0.123878] pnp 00:0c: [mem 0x000f8000-0x000fbfff]
[    0.123878] pnp 00:0c: [mem 0x000fc000-0x000fffff]
[    0.123878] pnp 00:0c: [mem 0x7f5e0000-0x7f5fffff]
[    0.123878] pnp 00:0c: [mem 0x00000000-0x0009ffff]
[    0.123878] pnp 00:0c: [mem 0x00100000-0x7f5dffff]
[    0.123878] pnp 00:0c: [mem 0xfec00000-0xfec00fff]
[    0.123878] pnp 00:0c: [mem 0xfed13000-0xfed1dfff]
[    0.123878] pnp 00:0c: [mem 0xfed20000-0xfed8ffff]
[    0.123878] pnp 00:0c: [mem 0xfee00000-0xfee00fff]
[    0.123878] pnp 00:0c: [mem 0xffb00000-0xffb7ffff]
[    0.123878] pnp 00:0c: [mem 0xfff00000-0xffffffff]
[    0.123878] pnp 00:0c: [mem 0x000e0000-0x000effff]
[    0.123878] system 00:0c: [mem 0x000cb400-0x000cbfff] has been reserved
[    0.123878] system 00:0c: [mem 0x000f0000-0x000f7fff] could not be reserved
[    0.123878] system 00:0c: [mem 0x000f8000-0x000fbfff] could not be reserved
[    0.123878] system 00:0c: [mem 0x000fc000-0x000fffff] could not be reserved
[    0.123878] system 00:0c: [mem 0x7f5e0000-0x7f5fffff] could not be reserved
[    0.123878] system 00:0c: [mem 0x00000000-0x0009ffff] could not be reserved
[    0.123878] system 00:0c: [mem 0x00100000-0x7f5dffff] could not be reserved
[    0.123878] system 00:0c: [mem 0xfec00000-0xfec00fff] could not be reserved
[    0.123878] system 00:0c: [mem 0xfed13000-0xfed1dfff] has been reserved
[    0.123878] system 00:0c: [mem 0xfed20000-0xfed8ffff] has been reserved
[    0.123878] system 00:0c: [mem 0xfee00000-0xfee00fff] has been reserved
[    0.123878] system 00:0c: [mem 0xffb00000-0xffb7ffff] has been reserved
[    0.123878] system 00:0c: [mem 0xfff00000-0xffffffff] has been reserved
[    0.123878] system 00:0c: [mem 0x000e0000-0x000effff] has been reserved
[    0.123878] system 00:0c: Plug and Play ACPI device, IDs PNP0c01 (active)
[    0.123878] pnp 00:0d: [mem 0xffb80000-0xffbfffff]
[    0.123878] pnp 00:0d: Plug and Play ACPI device, IDs INT0800 (active)
[    0.123878] pnp: PnP ACPI: found 14 devices
[    0.123878] ACPI: ACPI bus type pnp unregistered
[    0.123878] PnPBIOS: Disabled by ACPI PNP
[    0.158702] pci 0000:00:1c.0: PCI bridge to [bus 01-01]
[    0.158706] pci 0000:00:1c.0:   bridge window [io  0xc000-0xcfff]
[    0.158711] pci 0000:00:1c.0:   bridge window [mem 0xfd900000-0xfd9fffff]
[    0.158715] pci 0000:00:1c.0:   bridge window [mem 0xfd800000-0xfd8fffff 64bit pref]
[    0.158721] pci 0000:00:1c.1: PCI bridge to [bus 02-02]
[    0.158724] pci 0000:00:1c.1:   bridge window [io  0xb000-0xbfff]
[    0.158729] pci 0000:00:1c.1:   bridge window [mem 0xfde00000-0xfdefffff]
[    0.158733] pci 0000:00:1c.1:   bridge window [mem 0xfdd00000-0xfddfffff 64bit pref]
[    0.158739] pci 0000:00:1e.0: PCI bridge to [bus 03-03]
[    0.158742] pci 0000:00:1e.0:   bridge window [io  0xd000-0xdfff]
[    0.158746] pci 0000:00:1e.0:   bridge window [mem 0xfdb00000-0xfdbfffff]
[    0.158750] pci 0000:00:1e.0:   bridge window [mem 0xfda00000-0xfdafffff 64bit pref]
[    0.158780] pci 0000:00:1e.0: setting latency timer to 64
[    0.158784] pci_bus 0000:00: resource 4 [io  0x0000-0x0cf7]
[    0.158786] pci_bus 0000:00: resource 5 [io  0x0d00-0xffff]
[    0.158789] pci_bus 0000:00: resource 6 [mem 0x000a0000-0x000bffff]
[    0.158791] pci_bus 0000:00: resource 7 [mem 0x000c0000-0x000dffff]
[    0.158793] pci_bus 0000:00: resource 8 [mem 0x7f600000-0xfebfffff]
[    0.158796] pci_bus 0000:01: resource 0 [io  0xc000-0xcfff]
[    0.158798] pci_bus 0000:01: resource 1 [mem 0xfd900000-0xfd9fffff]
[    0.158800] pci_bus 0000:01: resource 2 [mem 0xfd800000-0xfd8fffff 64bit pref]
[    0.158803] pci_bus 0000:02: resource 0 [io  0xb000-0xbfff]
[    0.158805] pci_bus 0000:02: resource 1 [mem 0xfde00000-0xfdefffff]
[    0.158808] pci_bus 0000:02: resource 2 [mem 0xfdd00000-0xfddfffff 64bit pref]
[    0.158810] pci_bus 0000:03: resource 0 [io  0xd000-0xdfff]
[    0.158812] pci_bus 0000:03: resource 1 [mem 0xfdb00000-0xfdbfffff]
[    0.158815] pci_bus 0000:03: resource 2 [mem 0xfda00000-0xfdafffff 64bit pref]
[    0.158817] pci_bus 0000:03: resource 4 [io  0x0000-0x0cf7]
[    0.158819] pci_bus 0000:03: resource 5 [io  0x0d00-0xffff]
[    0.158822] pci_bus 0000:03: resource 6 [mem 0x000a0000-0x000bffff]
[    0.158824] pci_bus 0000:03: resource 7 [mem 0x000c0000-0x000dffff]
[    0.158826] pci_bus 0000:03: resource 8 [mem 0x7f600000-0xfebfffff]
[    0.158895] NET: Registered protocol family 2
[    0.158955] IP route cache hash table entries: 32768 (order: 5, 131072 bytes)
[    0.159123] TCP established hash table entries: 131072 (order: 8, 1048576 bytes)
[    0.159431] TCP bind hash table entries: 65536 (order: 7, 524288 bytes)
[    0.159606] TCP: Hash tables configured (established 131072 bind 65536)
[    0.159608] TCP: reno registered
[    0.159611] UDP hash table entries: 512 (order: 2, 16384 bytes)
[    0.159618] UDP-Lite hash table entries: 512 (order: 2, 16384 bytes)
[    0.159697] NET: Registered protocol family 1
[    0.159714] pci 0000:00:02.0: Boot video device
[    0.159864] PCI: CLS 4 bytes, default 64
[    0.159911] Unpacking initramfs...
[    0.422545] Freeing initrd memory: 14264k freed
[    0.429395] audit: initializing netlink socket (disabled)
[    0.429417] type=2000 audit(1540034849.424:1): initialized
[    0.439937] highmem bounce pool size: 64 pages
[    0.439942] HugeTLB registered 4 MB page size, pre-allocated 0 pages
[    0.440121] VFS: Disk quotas dquot_6.5.2
[    0.440148] Dquot-cache hash table entries: 1024 (order 0, 4096 bytes)
[    0.440223] msgmni has been set to 1721
[    0.440386] alg: No test for stdrng (krng)
[    0.440414] Block layer SCSI generic (bsg) driver version 0.4 loaded (major 253)
[    0.440418] io scheduler noop registered
[    0.440420] io scheduler deadline registered
[    0.440437] io scheduler cfq registered (default)
[    0.440616] pci_hotplug: PCI Hot Plug PCI Core version: 0.5
[    0.440633] pciehp: PCI Express Hot Plug Controller Driver version: 0.4
[    0.440636] acpiphp: ACPI Hot Plug PCI Controller Driver version: 0.5
[    0.441032] GHES: HEST is not enabled!
[    0.441044] isapnp: Scanning for PnP cards...
[    0.794021] isapnp: No Plug & Play device found
[    0.794074] Serial: 8250/16550 driver, 4 ports, IRQ sharing enabled
[    0.814409] serial8250: ttyS0 at I/O 0x3f8 (irq = 4) is a 16550A
[    0.835005] 00:07: ttyS0 at I/O 0x3f8 (irq = 4) is a 16550A
[    0.835218] Linux agpgart interface v0.103
[    0.835308] agpgart-intel 0000:00:00.0: Intel G33 Chipset
[    0.835363] agpgart-intel 0000:00:00.0: detected gtt size: 524288K total, 262144K mappable
[    0.835883] agpgart-intel 0000:00:00.0: detected 8192K stolen memory
[    0.835995] agpgart-intel 0000:00:00.0: AGP aperture is 256M @ 0xd0000000
[    0.836136] i8042: PNP: PS/2 Controller [PNP0303:PS2K] at 0x60,0x64 irq 1
[    0.836139] i8042: PNP: PS/2 appears to have AUX port disabled, if this is incorrect please boot with i8042.nopnp
[    0.836320] serio: i8042 KBD port at 0x60,0x64 irq 1
[    0.836408] mousedev: PS/2 mouse device common for all mice
[    0.836449] rtc_cmos 00:04: RTC can wake from S4
[    0.836567] rtc_cmos 00:04: rtc core: registered rtc_cmos as rtc0
[    0.836590] rtc0: alarms up to one month, 242 bytes nvram, hpet irqs
[    0.836715] TCP: cubic registered
[    0.836763] NET: Registered protocol family 10
[    0.836971] Mobile IPv6
[    0.836973] NET: Registered protocol family 17
[    0.836978] Registering the dns_resolver key type
[    0.837032] Using IPI No-Shortcut mode
[    0.837129] PM: Hibernation image not present or could not be loaded.
[    0.837141] registered taskstats version 1
[    0.837428] rtc_cmos 00:04: setting system clock to 2018-10-20 11:27:30 UTC (1540034850)
[    0.837505] Freeing unused kernel memory: 416k freed
[    0.837677] Write protecting the kernel text: 3496k
[    0.837699] Write protecting the kernel read-only data: 984k
[    0.847697] udevd[49]: starting version 175
[    0.858324] input: AT Translated Set 2 keyboard as /devices/platform/i8042/serio0/input/input0
[    0.870761] microcode: CPU0 sig=0x1067a, pf=0x1, revision=0xa07
[    0.879525] usbcore: registered new interface driver usbfs
[    0.879550] usbcore: registered new interface driver hub
[    0.881348] usbcore: registered new device driver usb
[    0.881715] SCSI subsystem initialized
[    0.881758] ehci_hcd: USB 2.0 'Enhanced' Host Controller (EHCI) Driver
[    0.881825] ehci_hcd 0000:00:1d.7: setting latency timer to 64
[    0.881830] ehci_hcd 0000:00:1d.7: EHCI Host Controller
[    0.881856] ehci_hcd 0000:00:1d.7: new USB bus registered, assigned bus number 1
[    0.881879] ehci_hcd 0000:00:1d.7: using broken periodic workaround
[    0.895077] libata version 3.00 loaded.
[    0.896557] ehci_hcd 0000:00:1d.7: cache line size of 4 is not supported
[    0.896588] ehci_hcd 0000:00:1d.7: irq 23, io mem 0xfdfff000
[    0.903074] uhci_hcd: USB Universal Host Controller Interface driver
[    0.908079] ehci_hcd 0000:00:1d.7: USB 2.0 started, EHCI 1.00
[    0.908136] usb usb1: New USB device found, idVendor=1d6b, idProduct=0002
[    0.908139] usb usb1: New USB device strings: Mfr=3, Product=2, SerialNumber=1
[    0.908142] usb usb1: Product: EHCI Host Controller
[    0.908144] usb usb1: Manufacturer: Linux 3.4-9-rtai-686-pae ehci_hcd
[    0.908146] usb usb1: SerialNumber: 0000:00:1d.7
[    0.908262] hub 1-0:1.0: USB hub found
[    0.908267] hub 1-0:1.0: 8 ports detected
[    0.908372] ata_piix 0000:00:1f.2: version 2.13
[    0.908400] ata_piix 0000:00:1f.2: MAP [ IDE IDE P1 P3 ]
[    0.908445] ata_piix 0000:00:1f.2: setting latency timer to 64
[    0.912752] scsi0 : ata_piix
[    0.913263] scsi1 : ata_piix
[    0.913870] ata1: PATA max UDMA/100 cmd 0x1f0 ctl 0x3f6 bmdma 0xf800 irq 14
[    0.913873] ata2: SATA max UDMA/133 cmd 0x170 ctl 0x376 bmdma 0xf808 irq 15
[    0.913958] uhci_hcd 0000:00:1d.0: setting latency timer to 64
[    0.913962] uhci_hcd 0000:00:1d.0: UHCI Host Controller
[    0.913974] uhci_hcd 0000:00:1d.0: new USB bus registered, assigned bus number 2
[    0.914000] uhci_hcd 0000:00:1d.0: irq 23, io base 0x0000fe00
[    0.914038] usb usb2: New USB device found, idVendor=1d6b, idProduct=0001
[    0.914041] usb usb2: New USB device strings: Mfr=3, Product=2, SerialNumber=1
[    0.914044] usb usb2: Product: UHCI Host Controller
[    0.914046] usb usb2: Manufacturer: Linux 3.4-9-rtai-686-pae uhci_hcd
[    0.914048] usb usb2: SerialNumber: 0000:00:1d.0
[    0.914151] hub 2-0:1.0: USB hub found
[    0.914156] hub 2-0:1.0: 2 ports detected
[    0.914231] uhci_hcd 0000:00:1d.1: setting latency timer to 64
[    0.914235] uhci_hcd 0000:00:1d.1: UHCI Host Controller
[    0.914242] uhci_hcd 0000:00:1d.1: new USB bus registered, assigned bus number 3
[    0.914279] uhci_hcd 0000:00:1d.1: irq 19, io base 0x0000fd00
[    0.914311] usb usb3: New USB device found, idVendor=1d6b, idProduct=0001
[    0.914313] usb usb3: New USB device strings: Mfr=3, Product=2, SerialNumber=1
[    0.914316] usb usb3: Product: UHCI Host Controller
[    0.914318] usb usb3: Manufacturer: Linux 3.4-9-rtai-686-pae uhci_hcd
[    0.914320] usb usb3: SerialNumber: 0000:00:1d.1
[    0.914415] hub 3-0:1.0: USB hub found
[    0.914419] hub 3-0:1.0: 2 ports detected
[    0.914497] uhci_hcd 0000:00:1d.2: setting latency timer to 64
[    0.914500] uhci_hcd 0000:00:1d.2: UHCI Host Controller
[    0.914508] uhci_hcd 0000:00:1d.2: new USB bus registered, assigned bus number 4
[    0.914540] uhci_hcd 0000:00:1d.2: irq 18, io base 0x0000fc00
[    0.914571] usb usb4: New USB device found, idVendor=1d6b, idProduct=0001
[    0.914573] usb usb4: New USB device strings: Mfr=3, Product=2, SerialNumber=1
[    0.914576] usb usb4: Product: UHCI Host Controller
[    0.914578] usb usb4: Manufacturer: Linux 3.4-9-rtai-686-pae uhci_hcd
[    0.914580] usb usb4: SerialNumber: 0000:00:1d.2
[    0.914670] hub 4-0:1.0: USB hub found
[    0.914674] hub 4-0:1.0: 2 ports detected
[    0.914740] uhci_hcd 0000:00:1d.3: setting latency timer to 64
[    0.914744] uhci_hcd 0000:00:1d.3: UHCI Host Controller
[    0.914752] uhci_hcd 0000:00:1d.3: new USB bus registered, assigned bus number 5
[    0.914782] uhci_hcd 0000:00:1d.3: irq 16, io base 0x0000fb00
[    0.914817] usb usb5: New USB device found, idVendor=1d6b, idProduct=0001
[    0.914819] usb usb5: New USB device strings: Mfr=3, Product=2, SerialNumber=1
[    0.914821] usb usb5: Product: UHCI Host Controller
[    0.914824] usb usb5: Manufacturer: Linux 3.4-9-rtai-686-pae uhci_hcd
[    0.914826] usb usb5: SerialNumber: 0000:00:1d.3
[    0.914915] hub 5-0:1.0: USB hub found
[    0.914919] hub 5-0:1.0: 2 ports detected
[    0.928962] microcode: CPU0 updated to revision 0xa0b, date = 2010-09-28
[    0.930045] microcode: CPU1 sig=0x1067a, pf=0x1, revision=0xa07
[    0.936222] microcode: CPU1 updated to revision 0xa0b, date = 2010-09-28
[    0.937354] microcode: Microcode Update Driver: v2.00 <tigran@aivazian.fsnet.co.uk>, Peter Oruba
[    0.992377] atl1c 0000:02:00.0: version 1.0.1.0-NAPI
[    1.131899] ata2.00: ATA-7: ST3160811AS, 3.AAE, max UDMA/133
[    1.131906] ata2.00: 312581808 sectors, multi 16: LBA48 NCQ (depth 0/32)
[    1.206854] ata2.00: configured for UDMA/133
[    1.207042] scsi 1:0:0:0: Direct-Access     ATA      ST3160811AS      3.AA PQ: 0 ANSI: 5
[    1.211280] sd 1:0:0:0: [sda] 312581808 512-byte logical blocks: (160 GB/149 GiB)
[    1.211334] sd 1:0:0:0: [sda] Write Protect is off
[    1.211337] sd 1:0:0:0: [sda] Mode Sense: 00 3a 00 00
[    1.211360] sd 1:0:0:0: [sda] Write cache: enabled, read cache: enabled, doesn't support DPO or FUA
[    1.220038] usb 1-5: new high-speed USB device number 2 using ehci_hcd
[    1.282848]  sda: sda1 sda2 < sda5 >
[    1.283240] sd 1:0:0:0: [sda] Attached SCSI disk
[    1.284756] sd 1:0:0:0: Attached scsi generic sg0 type 0
[    1.353523] usb 1-5: New USB device found, idVendor=1221, idProduct=3234
[    1.353531] usb 1-5: New USB device strings: Mfr=1, Product=2, SerialNumber=3
[    1.353536] usb 1-5: Product: Flash Disk
[    1.353540] usb 1-5: Manufacturer: USB 2.0
[    1.353544] usb 1-5: SerialNumber: 1000000000000580
[    1.355870] Initializing USB Mass Storage driver...
[    1.355960] scsi2 : usb-storage 1-5:1.0
[    1.356056] usbcore: registered new interface driver usb-storage
[    1.356058] USB Mass Storage support registered.
[    1.428023] Refined TSC clocksource calibration: 2599.999 MHz.
[    1.428029] Switching to clocksource tsc
[    1.704026] usb 5-1: new low-speed USB device number 2 using uhci_hcd
[    1.872832] usb 5-1: New USB device found, idVendor=1bcf, idProduct=0005
[    1.872839] usb 5-1: New USB device strings: Mfr=0, Product=2, SerialNumber=0
[    1.872845] usb 5-1: Product: USB Optical Mouse
[    1.896388] input: USB Optical Mouse as /devices/pci0000:00/0000:00:1d.3/usb5/5-1/5-1:1.0/input/input1
[    1.896466] generic-usb 0003:1BCF:0005.0001: input,hidraw0: USB HID v1.10 Mouse [USB Optical Mouse] on usb-0000:00:1d.3-1/input0
[    1.896484] usbcore: registered new interface driver usbhid
[    1.896486] usbhid: USB HID core driver
[    2.116021] usb 5-2: new low-speed USB device number 3 using uhci_hcd
[    2.295829] usb 5-2: New USB device found, idVendor=046d, idProduct=c21a
[    2.295836] usb 5-2: New USB device strings: Mfr=1, Product=2, SerialNumber=0
[    2.295841] usb 5-2: Product: Logitech(R) Precision(TM) Gamepad
[    2.295845] usb 5-2: Manufacturer: Logitech
[    2.316927] input: Logitech Logitech(R) Precision(TM) Gamepad as /devices/pci0000:00/0000:00:1d.3/usb5/5-2/5-2:1.0/input/input2
[    2.317019] generic-usb 0003:046D:C21A.0002: input,hidraw1: USB HID v1.10 Joystick [Logitech Logitech(R) Precision(TM) Gamepad] on usb-0000:00:1d.3-2/input0
[    2.356685] scsi 2:0:0:0: Direct-Access     USB 2.0  Flash Disk       2.50 PQ: 0 ANSI: 2
[    2.357179] sd 2:0:0:0: Attached scsi generic sg1 type 0
[    2.358392] sd 2:0:0:0: [sdb] 4144128 512-byte logical blocks: (2.12 GB/1.97 GiB)
[    2.358896] sd 2:0:0:0: [sdb] Write Protect is off
[    2.358899] sd 2:0:0:0: [sdb] Mode Sense: 0b 00 00 08
[    2.359412] sd 2:0:0:0: [sdb] No Caching mode page present
[    2.359461] sd 2:0:0:0: [sdb] Assuming drive cache: write through
[    2.362155] sd 2:0:0:0: [sdb] No Caching mode page present
[    2.362206] sd 2:0:0:0: [sdb] Assuming drive cache: write through
[    2.362975]  sdb: sdb1
[    2.365311] sd 2:0:0:0: [sdb] No Caching mode page present
[    2.365350] sd 2:0:0:0: [sdb] Assuming drive cache: write through
[    2.365393] sd 2:0:0:0: [sdb] Attached SCSI removable disk
[    6.661671] PM: Starting manual resume from disk
[    6.661675] PM: Hibernation image partition 8:5 present
[    6.661677] PM: Looking for hibernation image.
[    6.661870] PM: Image not found (code -22)
[    6.661875] PM: Hibernation image not present or could not be loaded.
[    6.713767] EXT4-fs (sda1): mounted filesystem with ordered data mode. Opts: (null)
[    8.698053] udevd[350]: starting version 175
[    8.984260] input: Power Button as /devices/LNXSYSTM:00/LNXSYBUS:00/PNP0C0C:00/input/input3
[    8.984266] ACPI: Power Button [PWRB]
[    8.984335] input: Power Button as /devices/LNXSYSTM:00/LNXPWRBN:00/input/input4
[    8.984338] ACPI: Power Button [PWRF]
[    9.460504] parport_pc 00:08: reported by Plug and Play ACPI
[    9.460551] parport0: PC-style at 0x378, irq 7 [PCSPP,TRISTATE]
[    9.530190] intel_rng: FWH not detected
[    9.539856] iTCO_vendor_support: vendor-support=0
[    9.540536] iTCO_wdt: Intel TCO WatchDog Timer Driver v1.07
[    9.540608] iTCO_wdt: Found a ICH7 or ICH7R TCO device (Version=2, TCOBASE=0x0460)
[    9.540855] iTCO_wdt: initialized. heartbeat=30 sec (nowayout=0)
[    9.546256] leds_ss4200: no LED devices found
[    9.813280] [drm] Initialized drm 1.1.0 20060810
[    9.977351] input: HDA Digital PCBeep as /devices/pci0000:00/0000:00:1b.0/input/input5
[    9.983036] input: HDA Intel Line as /devices/pci0000:00/0000:00:1b.0/sound/card0/input6
[    9.983102] input: HDA Intel Front Mic as /devices/pci0000:00/0000:00:1b.0/sound/card0/input7
[    9.983165] input: HDA Intel Rear Mic as /devices/pci0000:00/0000:00:1b.0/sound/card0/input8
[    9.983228] input: HDA Intel Front Headphone as /devices/pci0000:00/0000:00:1b.0/sound/card0/input9
[    9.983289] input: HDA Intel Line Out as /devices/pci0000:00/0000:00:1b.0/sound/card0/input10
[    9.984368] i915 0000:00:02.0: setting latency timer to 64
[    9.999265] [drm] Supports vblank timestamp caching Rev 1 (10.10.2010).
[    9.999268] [drm] Driver supports precise vblank timestamp query.
[    9.999307] vgaarb: device changed decodes: PCI:0000:00:02.0,olddecodes=io+mem,decodes=io+mem:owns=io+mem
[   10.015077] [drm] initialized overlay support
[   10.064388] fbcon: inteldrmfb (fb0) is primary device
[   10.111804] Console: switching to colour frame buffer device 210x65
[   10.118005] fb0: inteldrmfb frame buffer device
[   10.118007] drm: registered panic notifier
[   10.118053] [drm] Initialized i915 1.6.0 20080730 for 0000:00:02.0 on minor 0
[   12.108372] Adding 4170748k swap on /dev/sda5.  Priority:-1 extents:1 across:4170748k 
[   12.120130] EXT4-fs (sda1): re-mounted. Opts: (null)
[   12.360322] EXT4-fs (sda1): re-mounted. Opts: errors=remount-ro
[   12.552216] loop: module loaded
[   13.631316] RPC: Registered named UNIX socket transport module.
[   13.631320] RPC: Registered udp transport module.
[   13.631321] RPC: Registered tcp transport module.
[   13.631323] RPC: Registered tcp NFSv4.1 backchannel transport module.
[   13.658947] FS-Cache: Loaded
[   13.688053] NFS: Registering the id_resolver key type
[   13.688083] FS-Cache: Netfs 'nfs' registered for caching
[   13.699283] Installing knfsd (copyright (C) 1996 okir@monad.swb.de).
[   15.780786] input: ACPI Virtual Keyboard Device as /devices/virtual/input/input11
[   16.971460] Bluetooth: Core ver 2.16
[   16.971477] NET: Registered protocol family 31
[   16.971479] Bluetooth: HCI device and connection manager initialized
[   16.971481] Bluetooth: HCI socket layer initialized
[   16.971483] Bluetooth: L2CAP socket layer initialized
[   16.971487] Bluetooth: SCO socket layer initialized
[   17.005938] Bluetooth: RFCOMM TTY layer initialized
[   17.005943] Bluetooth: RFCOMM socket layer initialized
[   17.005945] Bluetooth: RFCOMM ver 1.11
[   17.245189] Bluetooth: BNEP (Ethernet Emulation) ver 1.3
[   17.245193] Bluetooth: BNEP filters: protocol multicast
[   18.733880] lp0: using parport0 (interrupt-driven).
[   18.913701] atl1c 0000:02:00.0: Unable to allocate MSI interrupt Error: -1
[   18.913859] atl1c 0000:02:00.0: atl1c: eth0 NIC Link is Up<100 Mbps Full Duplex>
[   19.047316] ppdev: user-space parallel port driver
[   62.313840] I-pipe: head domain RTAI registered.
[   62.313844] RTAI[hal]: compiled with gcc version 4.7.2 (Debian 4.7.2-5) .
[   62.313873] RTAI[hal]: mounted (IPIPE-NOTHREADS, IMMEDIATE (INTERNAL IRQs DISPATCHED), ISOL_CPUS_MASK: 0).
[   62.313876] SYSINFO: CPUs 2, LINUX APIC IRQ 2312, TIM_FREQ 12499048, CLK_FREQ 2600194000, CPU_FREQ 2600194000
[   62.313879] RTAI_APIC_TIMER_IPI: RTAI DEFINED 2314, VECTOR 2314; LINUX_APIC_TIMER_IPI: RTAI DEFINED 2312, VECTOR 2312
[   62.313881] TIMER NAME: lapic; VARIOUSLY FOUND APIC FREQs: 12499048, 12499048, 10172250
[   62.351565] RTAI[malloc]: global heap size = 2097152 bytes, <BSD>.
[   62.351594] , <uses LINUX SYSCALLs>, kstacks pool size = 524288 bytes.
[   62.351598] RTAI[sched]: hard timer type/freq = APIC/12499048(Hz); default timing: oneshot; linear timed lists.
[   62.351601] RTAI[sched]: Linux timer freq = 250 (Hz), TimeBase freq = 2600194000 hz.
[   62.351603] RTAI[sched]: timer setup = 999 ns, resched latency = 2944 ns.
[   62.368134] RTAI[math]: loaded.
[   62.693390] config string '0 out'
[   83.787097] RTAI[math]: unloaded.
[   83.788536] SCHED releases registered named ALIEN PEDV$D
[   83.791442] RTAI[malloc]: unloaded.
[   83.888036] RTAI[sched]: unloaded (forced hard/soft/hard transitions: traps 0, syscalls 0).
[   83.889654] I-pipe: head domain RTAI unregistered.
[   83.889688] RTAI[hal]: unmounted.
[  154.184246] I-pipe: head domain RTAI registered.
[  154.184251] RTAI[hal]: compiled with gcc version 4.7.2 (Debian 4.7.2-5) .
[  154.184281] RTAI[hal]: mounted (IPIPE-NOTHREADS, IMMEDIATE (INTERNAL IRQs DISPATCHED), ISOL_CPUS_MASK: 0).
[  154.184284] SYSINFO: CPUs 2, LINUX APIC IRQ 2312, TIM_FREQ 12499048, CLK_FREQ 2600194000, CPU_FREQ 2600194000
[  154.184286] RTAI_APIC_TIMER_IPI: RTAI DEFINED 2314, VECTOR 2314; LINUX_APIC_TIMER_IPI: RTAI DEFINED 2312, VECTOR 2312
[  154.184289] TIMER NAME: lapic; VARIOUSLY FOUND APIC FREQs: 12499048, 12499048, 12463250
[  154.192446] RTAI[malloc]: global heap size = 2097152 bytes, <BSD>.
[  154.192475] , <uses LINUX SYSCALLs>, kstacks pool size = 524288 bytes.
[  154.192479] RTAI[sched]: hard timer type/freq = APIC/12499048(Hz); default timing: oneshot; linear timed lists.
[  154.192482] RTAI[sched]: Linux timer freq = 250 (Hz), TimeBase freq = 2600194000 hz.
[  154.192484] RTAI[sched]: timer setup = 999 ns, resched latency = 2944 ns.
[  154.197537] RTAI[math]: loaded.
[  154.348709] config string '0 out'
[  160.657093] RTAI[math]: unloaded.
[  160.658662] SCHED releases registered named ALIEN PEDV$D
[  160.662885] RTAI[malloc]: unloaded.
[  160.760022] RTAI[sched]: unloaded (forced hard/soft/hard transitions: traps 0, syscalls 0).
[  160.761667] I-pipe: head domain RTAI unregistered.
[  160.761703] RTAI[hal]: unmounted.
[  262.122108] I-pipe: head domain RTAI registered.
[  262.122113] RTAI[hal]: compiled with gcc version 4.7.2 (Debian 4.7.2-5) .
[  262.122140] RTAI[hal]: mounted (IPIPE-NOTHREADS, IMMEDIATE (INTERNAL IRQs DISPATCHED), ISOL_CPUS_MASK: 0).
[  262.122143] SYSINFO: CPUs 2, LINUX APIC IRQ 2312, TIM_FREQ 12499048, CLK_FREQ 2600194000, CPU_FREQ 2600194000
[  262.122145] RTAI_APIC_TIMER_IPI: RTAI DEFINED 2314, VECTOR 2314; LINUX_APIC_TIMER_IPI: RTAI DEFINED 2312, VECTOR 2312
[  262.122148] TIMER NAME: lapic; VARIOUSLY FOUND APIC FREQs: 12499048, 12499048, 9016250
[  262.130182] RTAI[malloc]: global heap size = 2097152 bytes, <BSD>.
[  262.130212] , <uses LINUX SYSCALLs>, kstacks pool size = 524288 bytes.
[  262.130216] RTAI[sched]: hard timer type/freq = APIC/12499048(Hz); default timing: oneshot; linear timed lists.
[  262.130219] RTAI[sched]: Linux timer freq = 250 (Hz), TimeBase freq = 2600194000 hz.
[  262.130222] RTAI[sched]: timer setup = 999 ns, resched latency = 2944 ns.
[  262.138224] RTAI[math]: loaded.
[  262.288902] config string '0 out'
[  272.930496] RTAI[math]: unloaded.
[  272.932068] SCHED releases registered named ALIEN PEDV$D
[  272.936597] RTAI[malloc]: unloaded.
[  273.036023] RTAI[sched]: unloaded (forced hard/soft/hard transitions: traps 0, syscalls 0).
[  273.037727] I-pipe: head domain RTAI unregistered.
[  273.037764] RTAI[hal]: unmounted.
[  794.121715] I-pipe: head domain RTAI registered.
[  794.121720] RTAI[hal]: compiled with gcc version 4.7.2 (Debian 4.7.2-5) .
[  794.121749] RTAI[hal]: mounted (IPIPE-NOTHREADS, IMMEDIATE (INTERNAL IRQs DISPATCHED), ISOL_CPUS_MASK: 0).
[  794.121753] SYSINFO: CPUs 2, LINUX APIC IRQ 2312, TIM_FREQ 12499048, CLK_FREQ 2600194000, CPU_FREQ 2600194000
[  794.121755] RTAI_APIC_TIMER_IPI: RTAI DEFINED 2314, VECTOR 2314; LINUX_APIC_TIMER_IPI: RTAI DEFINED 2312, VECTOR 2312
[  794.121758] TIMER NAME: lapic; VARIOUSLY FOUND APIC FREQs: 12499048, 12499048, 12198250
[  794.128353] RTAI[malloc]: global heap size = 2097152 bytes, <BSD>.
[  794.128382] , <uses LINUX SYSCALLs>, kstacks pool size = 524288 bytes.
[  794.128386] RTAI[sched]: hard timer type/freq = APIC/12499048(Hz); default timing: oneshot; linear timed lists.
[  794.128389] RTAI[sched]: Linux timer freq = 250 (Hz), TimeBase freq = 2600194000 hz.
[  794.128391] RTAI[sched]: timer setup = 999 ns, resched latency = 2944 ns.
[  794.136741] RTAI[math]: loaded.
[  794.288068] config string '0 out'
[  797.529863] RTAI[math]: unloaded.
[  797.531438] SCHED releases registered named ALIEN PEDV$D
[  797.536527] RTAI[malloc]: unloaded.
[  797.636025] RTAI[sched]: unloaded (forced hard/soft/hard transitions: traps 0, syscalls 0).
[  797.637656] I-pipe: head domain RTAI unregistered.
[  797.637694] RTAI[hal]: unmounted.
[  881.281245] I-pipe: head domain RTAI registered.
[  881.281250] RTAI[hal]: compiled with gcc version 4.7.2 (Debian 4.7.2-5) .
[  881.281277] RTAI[hal]: mounted (IPIPE-NOTHREADS, IMMEDIATE (INTERNAL IRQs DISPATCHED), ISOL_CPUS_MASK: 0).
[  881.281280] SYSINFO: CPUs 2, LINUX APIC IRQ 2312, TIM_FREQ 12499048, CLK_FREQ 2600194000, CPU_FREQ 2600194000
[  881.281283] RTAI_APIC_TIMER_IPI: RTAI DEFINED 2314, VECTOR 2314; LINUX_APIC_TIMER_IPI: RTAI DEFINED 2312, VECTOR 2312
[  881.281285] TIMER NAME: lapic; VARIOUSLY FOUND APIC FREQs: 12499048, 12499048, 12472000
[  881.287918] RTAI[malloc]: global heap size = 2097152 bytes, <BSD>.
[  881.287949] , <uses LINUX SYSCALLs>, kstacks pool size = 524288 bytes.
[  881.287953] RTAI[sched]: hard timer type/freq = APIC/12499048(Hz); default timing: oneshot; linear timed lists.
[  881.287956] RTAI[sched]: Linux timer freq = 250 (Hz), TimeBase freq = 2600194000 hz.
[  881.287958] RTAI[sched]: timer setup = 999 ns, resched latency = 2944 ns.
[  881.292410] RTAI[math]: loaded.
[  881.442566] config string '0 out'
[  884.626556] RTAI[math]: unloaded.
[  884.628062] SCHED releases registered named ALIEN PEDV$D
[  884.632958] RTAI[malloc]: unloaded.
[  884.732022] RTAI[sched]: unloaded (forced hard/soft/hard transitions: traps 0, syscalls 0).
[  884.733687] I-pipe: head domain RTAI unregistered.
[  884.733721] RTAI[hal]: unmounted.
[  970.385230] I-pipe: head domain RTAI registered.
[  970.385236] RTAI[hal]: compiled with gcc version 4.7.2 (Debian 4.7.2-5) .
[  970.385263] RTAI[hal]: mounted (IPIPE-NOTHREADS, IMMEDIATE (INTERNAL IRQs DISPATCHED), ISOL_CPUS_MASK: 0).
[  970.385266] SYSINFO: CPUs 2, LINUX APIC IRQ 2312, TIM_FREQ 12499048, CLK_FREQ 2600194000, CPU_FREQ 2600194000
[  970.385268] RTAI_APIC_TIMER_IPI: RTAI DEFINED 2314, VECTOR 2314; LINUX_APIC_TIMER_IPI: RTAI DEFINED 2312, VECTOR 2312
[  970.385271] TIMER NAME: lapic; VARIOUSLY FOUND APIC FREQs: 12499048, 12499048, 12478250
[  970.392284] RTAI[malloc]: global heap size = 2097152 bytes, <BSD>.
[  970.392312] , <uses LINUX SYSCALLs>, kstacks pool size = 524288 bytes.
[  970.392316] RTAI[sched]: hard timer type/freq = APIC/12499048(Hz); default timing: oneshot; linear timed lists.
[  970.392319] RTAI[sched]: Linux timer freq = 250 (Hz), TimeBase freq = 2600194000 hz.
[  970.392321] RTAI[sched]: timer setup = 999 ns, resched latency = 2944 ns.
[  970.398541] RTAI[math]: loaded.
[  970.550933] config string '0 out'
[  973.763487] RTAI[math]: unloaded.
[  973.765044] SCHED releases registered named ALIEN PEDV$D
[  973.769601] RTAI[malloc]: unloaded.
[  973.868033] RTAI[sched]: unloaded (forced hard/soft/hard transitions: traps 0, syscalls 0).
[  973.869726] I-pipe: head domain RTAI unregistered.
[  973.869761] RTAI[hal]: unmounted.
[ 1190.791001] I-pipe: head domain RTAI registered.
[ 1190.791006] RTAI[hal]: compiled with gcc version 4.7.2 (Debian 4.7.2-5) .
[ 1190.791035] RTAI[hal]: mounted (IPIPE-NOTHREADS, IMMEDIATE (INTERNAL IRQs DISPATCHED), ISOL_CPUS_MASK: 0).
[ 1190.791038] SYSINFO: CPUs 2, LINUX APIC IRQ 2312, TIM_FREQ 12499048, CLK_FREQ 2600194000, CPU_FREQ 2600194000
[ 1190.791041] RTAI_APIC_TIMER_IPI: RTAI DEFINED 2314, VECTOR 2314; LINUX_APIC_TIMER_IPI: RTAI DEFINED 2312, VECTOR 2312
[ 1190.791044] TIMER NAME: lapic; VARIOUSLY FOUND APIC FREQs: 12499048, 12499048, 12049000
[ 1190.797542] RTAI[malloc]: global heap size = 2097152 bytes, <BSD>.
[ 1190.797572] , <uses LINUX SYSCALLs>, kstacks pool size = 524288 bytes.
[ 1190.797576] RTAI[sched]: hard timer type/freq = APIC/12499048(Hz); default timing: oneshot; linear timed lists.
[ 1190.797579] RTAI[sched]: Linux timer freq = 250 (Hz), TimeBase freq = 2600194000 hz.
[ 1190.797581] RTAI[sched]: timer setup = 999 ns, resched latency = 2944 ns.
[ 1190.801743] RTAI[math]: loaded.
[ 1190.951317] config string '0 out'
[ 1229.935939] RTAI[math]: unloaded.
[ 1229.938996] SCHED releases registered named ALIEN PEDV$D
[ 1229.943735] RTAI[malloc]: unloaded.
[ 1230.040032] RTAI[sched]: unloaded (forced hard/soft/hard transitions: traps 0, syscalls 0).
[ 1230.041913] I-pipe: head domain RTAI unregistered.
[ 1230.041948] RTAI[hal]: unmounted.
[ 1233.849040] I-pipe: head domain RTAI registered.
[ 1233.849045] RTAI[hal]: compiled with gcc version 4.7.2 (Debian 4.7.2-5) .
[ 1233.849074] RTAI[hal]: mounted (IPIPE-NOTHREADS, IMMEDIATE (INTERNAL IRQs DISPATCHED), ISOL_CPUS_MASK: 0).
[ 1233.849078] SYSINFO: CPUs 2, LINUX APIC IRQ 2312, TIM_FREQ 12499048, CLK_FREQ 2600194000, CPU_FREQ 2600194000
[ 1233.849080] RTAI_APIC_TIMER_IPI: RTAI DEFINED 2314, VECTOR 2314; LINUX_APIC_TIMER_IPI: RTAI DEFINED 2312, VECTOR 2312
[ 1233.849083] TIMER NAME: lapic; VARIOUSLY FOUND APIC FREQs: 12499048, 12499048, 12470250
[ 1233.855713] RTAI[malloc]: global heap size = 2097152 bytes, <BSD>.
[ 1233.855746] , <uses LINUX SYSCALLs>, kstacks pool size = 524288 bytes.
[ 1233.855750] RTAI[sched]: hard timer type/freq = APIC/12499048(Hz); default timing: oneshot; linear timed lists.
[ 1233.855753] RTAI[sched]: Linux timer freq = 250 (Hz), TimeBase freq = 2600194000 hz.
[ 1233.855755] RTAI[sched]: timer setup = 999 ns, resched latency = 2944 ns.
[ 1233.860116] RTAI[math]: loaded.
[ 1234.010251] config string '0 out'
[ 1237.156086] RTAI[math]: unloaded.
[ 1237.157601] SCHED releases registered named ALIEN PEDV$D
[ 1237.161171] RTAI[malloc]: unloaded.
[ 1237.260017] RTAI[sched]: unloaded (forced hard/soft/hard transitions: traps 0, syscalls 0).
[ 1237.261690] I-pipe: head domain RTAI unregistered.
[ 1237.261725] RTAI[hal]: unmounted.
[ 1305.119393] I-pipe: head domain RTAI registered.
[ 1305.119398] RTAI[hal]: compiled with gcc version 4.7.2 (Debian 4.7.2-5) .
[ 1305.119427] RTAI[hal]: mounted (IPIPE-NOTHREADS, IMMEDIATE (INTERNAL IRQs DISPATCHED), ISOL_CPUS_MASK: 0).
[ 1305.119430] SYSINFO: CPUs 2, LINUX APIC IRQ 2312, TIM_FREQ 12499048, CLK_FREQ 2600194000, CPU_FREQ 2600194000
[ 1305.119432] RTAI_APIC_TIMER_IPI: RTAI DEFINED 2314, VECTOR 2314; LINUX_APIC_TIMER_IPI: RTAI DEFINED 2312, VECTOR 2312
[ 1305.119436] TIMER NAME: lapic; VARIOUSLY FOUND APIC FREQs: 12499048, 12499048, 10983000
[ 1305.127441] RTAI[malloc]: global heap size = 2097152 bytes, <BSD>.
[ 1305.127470] , <uses LINUX SYSCALLs>, kstacks pool size = 524288 bytes.
[ 1305.127474] RTAI[sched]: hard timer type/freq = APIC/12499048(Hz); default timing: oneshot; linear timed lists.
[ 1305.127477] RTAI[sched]: Linux timer freq = 250 (Hz), TimeBase freq = 2600194000 hz.
[ 1305.127479] RTAI[sched]: timer setup = 999 ns, resched latency = 2944 ns.
[ 1305.131748] RTAI[math]: loaded.
[ 1305.283579] config string '0 out'
[ 1308.467347] RTAI[math]: unloaded.
[ 1308.468774] SCHED releases registered named ALIEN PEDV$D
[ 1308.473226] RTAI[malloc]: unloaded.
[ 1308.572022] RTAI[sched]: unloaded (forced hard/soft/hard transitions: traps 0, syscalls 0).
[ 1308.573698] I-pipe: head domain RTAI unregistered.
[ 1308.573734] RTAI[hal]: unmounted.
[ 1319.329430] I-pipe: head domain RTAI registered.
[ 1319.329435] RTAI[hal]: compiled with gcc version 4.7.2 (Debian 4.7.2-5) .
[ 1319.329464] RTAI[hal]: mounted (IPIPE-NOTHREADS, IMMEDIATE (INTERNAL IRQs DISPATCHED), ISOL_CPUS_MASK: 0).
[ 1319.329468] SYSINFO: CPUs 2, LINUX APIC IRQ 2312, TIM_FREQ 12499048, CLK_FREQ 2600194000, CPU_FREQ 2600194000
[ 1319.329470] RTAI_APIC_TIMER_IPI: RTAI DEFINED 2314, VECTOR 2314; LINUX_APIC_TIMER_IPI: RTAI DEFINED 2312, VECTOR 2312
[ 1319.329473] TIMER NAME: lapic; VARIOUSLY FOUND APIC FREQs: 12499048, 12499048, 12477000
[ 1319.336153] RTAI[malloc]: global heap size = 2097152 bytes, <BSD>.
[ 1319.336183] , <uses LINUX SYSCALLs>, kstacks pool size = 524288 bytes.
[ 1319.336187] RTAI[sched]: hard timer type/freq = APIC/12499048(Hz); default timing: oneshot; linear timed lists.
[ 1319.336191] RTAI[sched]: Linux timer freq = 250 (Hz), TimeBase freq = 2600194000 hz.
[ 1319.336193] RTAI[sched]: timer setup = 999 ns, resched latency = 2944 ns.
[ 1319.340458] RTAI[math]: loaded.
[ 1319.490209] config string '0 out'
[ 1322.645287] RTAI[math]: unloaded.
[ 1322.646882] SCHED releases registered named ALIEN PEDV$D
[ 1322.650167] RTAI[malloc]: unloaded.
[ 1322.748019] RTAI[sched]: unloaded (forced hard/soft/hard transitions: traps 0, syscalls 0).
[ 1322.749698] I-pipe: head domain RTAI unregistered.
[ 1322.749732] RTAI[hal]: unmounted.
[ 1334.313077] I-pipe: head domain RTAI registered.
[ 1334.313082] RTAI[hal]: compiled with gcc version 4.7.2 (Debian 4.7.2-5) .
[ 1334.313111] RTAI[hal]: mounted (IPIPE-NOTHREADS, IMMEDIATE (INTERNAL IRQs DISPATCHED), ISOL_CPUS_MASK: 0).
[ 1334.313114] SYSINFO: CPUs 2, LINUX APIC IRQ 2312, TIM_FREQ 12499048, CLK_FREQ 2600194000, CPU_FREQ 2600194000
[ 1334.313117] RTAI_APIC_TIMER_IPI: RTAI DEFINED 2314, VECTOR 2314; LINUX_APIC_TIMER_IPI: RTAI DEFINED 2312, VECTOR 2312
[ 1334.313120] TIMER NAME: lapic; VARIOUSLY FOUND APIC FREQs: 12499048, 12499048, 12468250
[ 1334.319631] RTAI[malloc]: global heap size = 2097152 bytes, <BSD>.
[ 1334.319660] , <uses LINUX SYSCALLs>, kstacks pool size = 524288 bytes.
[ 1334.319664] RTAI[sched]: hard timer type/freq = APIC/12499048(Hz); default timing: oneshot; linear timed lists.
[ 1334.319667] RTAI[sched]: Linux timer freq = 250 (Hz), TimeBase freq = 2600194000 hz.
[ 1334.319669] RTAI[sched]: timer setup = 999 ns, resched latency = 2944 ns.
[ 1334.324681] RTAI[math]: loaded.
[ 1334.474438] config string '0 out'
[ 1337.678382] RTAI[math]: unloaded.
[ 1337.679902] SCHED releases registered named ALIEN PEDV$D
[ 1337.684270] RTAI[malloc]: unloaded.
[ 1337.784021] RTAI[sched]: unloaded (forced hard/soft/hard transitions: traps 0, syscalls 0).
[ 1337.785630] I-pipe: head domain RTAI unregistered.
[ 1337.785668] RTAI[hal]: unmounted.
[ 1384.121236] I-pipe: head domain RTAI registered.
[ 1384.121242] RTAI[hal]: compiled with gcc version 4.7.2 (Debian 4.7.2-5) .
[ 1384.121270] RTAI[hal]: mounted (IPIPE-NOTHREADS, IMMEDIATE (INTERNAL IRQs DISPATCHED), ISOL_CPUS_MASK: 0).
[ 1384.121273] SYSINFO: CPUs 2, LINUX APIC IRQ 2312, TIM_FREQ 12499048, CLK_FREQ 2600194000, CPU_FREQ 2600194000
[ 1384.121276] RTAI_APIC_TIMER_IPI: RTAI DEFINED 2314, VECTOR 2314; LINUX_APIC_TIMER_IPI: RTAI DEFINED 2312, VECTOR 2312
[ 1384.121279] TIMER NAME: lapic; VARIOUSLY FOUND APIC FREQs: 12499048, 12499048, 12474250
[ 1384.127922] RTAI[malloc]: global heap size = 2097152 bytes, <BSD>.
[ 1384.127952] , <uses LINUX SYSCALLs>, kstacks pool size = 524288 bytes.
[ 1384.127956] RTAI[sched]: hard timer type/freq = APIC/12499048(Hz); default timing: oneshot; linear timed lists.
[ 1384.127959] RTAI[sched]: Linux timer freq = 250 (Hz), TimeBase freq = 2600194000 hz.
[ 1384.127961] RTAI[sched]: timer setup = 999 ns, resched latency = 2944 ns.
[ 1384.133141] RTAI[math]: loaded.
[ 1384.287342] config string '0 out'
[ 1387.507295] RTAI[math]: unloaded.
[ 1387.509343] SCHED releases registered named ALIEN PEDV$D
[ 1387.513306] RTAI[malloc]: unloaded.
[ 1387.612027] RTAI[sched]: unloaded (forced hard/soft/hard transitions: traps 0, syscalls 0).
[ 1387.613745] I-pipe: head domain RTAI unregistered.
[ 1387.613783] RTAI[hal]: unmounted.
[ 1665.640967] I-pipe: head domain RTAI registered.
[ 1665.640972] RTAI[hal]: compiled with gcc version 4.7.2 (Debian 4.7.2-5) .
[ 1665.641001] RTAI[hal]: mounted (IPIPE-NOTHREADS, IMMEDIATE (INTERNAL IRQs DISPATCHED), ISOL_CPUS_MASK: 0).
[ 1665.641004] SYSINFO: CPUs 2, LINUX APIC IRQ 2312, TIM_FREQ 12499048, CLK_FREQ 2600194000, CPU_FREQ 2600194000
[ 1665.641006] RTAI_APIC_TIMER_IPI: RTAI DEFINED 2314, VECTOR 2314; LINUX_APIC_TIMER_IPI: RTAI DEFINED 2312, VECTOR 2312
[ 1665.641009] TIMER NAME: lapic; VARIOUSLY FOUND APIC FREQs: 12499048, 12499048, 12467000
[ 1665.647692] RTAI[malloc]: global heap size = 2097152 bytes, <BSD>.
[ 1665.647722] , <uses LINUX SYSCALLs>, kstacks pool size = 524288 bytes.
[ 1665.647726] RTAI[sched]: hard timer type/freq = APIC/12499048(Hz); default timing: oneshot; linear timed lists.
[ 1665.647729] RTAI[sched]: Linux timer freq = 250 (Hz), TimeBase freq = 2600194000 hz.
[ 1665.647731] RTAI[sched]: timer setup = 999 ns, resched latency = 2944 ns.
[ 1665.653094] RTAI[math]: loaded.
[ 1781.109278] RTAI[math]: unloaded.
[ 1781.110681] SCHED releases registered named ALIEN PEDV$D
[ 1781.114839] RTAI[malloc]: unloaded.
[ 1781.212018] RTAI[sched]: unloaded (forced hard/soft/hard transitions: traps 0, syscalls 0).
[ 1781.213703] I-pipe: head domain RTAI unregistered.
[ 1781.213738] RTAI[hal]: unmounted.
[ 1791.857628] I-pipe: head domain RTAI registered.
[ 1791.857633] RTAI[hal]: compiled with gcc version 4.7.2 (Debian 4.7.2-5) .
[ 1791.857661] RTAI[hal]: mounted (IPIPE-NOTHREADS, IMMEDIATE (INTERNAL IRQs DISPATCHED), ISOL_CPUS_MASK: 0).
[ 1791.857664] SYSINFO: CPUs 2, LINUX APIC IRQ 2312, TIM_FREQ 12499048, CLK_FREQ 2600194000, CPU_FREQ 2600194000
[ 1791.857666] RTAI_APIC_TIMER_IPI: RTAI DEFINED 2314, VECTOR 2314; LINUX_APIC_TIMER_IPI: RTAI DEFINED 2312, VECTOR 2312
[ 1791.857669] TIMER NAME: lapic; VARIOUSLY FOUND APIC FREQs: 12499048, 12499048, 12477750
[ 1791.864390] RTAI[malloc]: global heap size = 2097152 bytes, <BSD>.
[ 1791.864420] , <uses LINUX SYSCALLs>, kstacks pool size = 524288 bytes.
[ 1791.864424] RTAI[sched]: hard timer type/freq = APIC/12499048(Hz); default timing: oneshot; linear timed lists.
[ 1791.864427] RTAI[sched]: Linux timer freq = 250 (Hz), TimeBase freq = 2600194000 hz.
[ 1791.864429] RTAI[sched]: timer setup = 999 ns, resched latency = 2944 ns.
[ 1791.870788] RTAI[math]: loaded.
[ 1792.020945] config string '0 out'
[ 2809.954397] RTAI[math]: unloaded.
[ 2809.956613] SCHED releases registered named ALIEN PEDV$D
[ 2809.958828] RTAI[malloc]: unloaded.
[ 2810.056025] RTAI[sched]: unloaded (forced hard/soft/hard transitions: traps 0, syscalls 0).
[ 2810.057796] I-pipe: head domain RTAI unregistered.
[ 2810.057833] RTAI[hal]: unmounted.
[ 2819.473313] I-pipe: head domain RTAI registered.
[ 2819.473318] RTAI[hal]: compiled with gcc version 4.7.2 (Debian 4.7.2-5) .
[ 2819.473345] RTAI[hal]: mounted (IPIPE-NOTHREADS, IMMEDIATE (INTERNAL IRQs DISPATCHED), ISOL_CPUS_MASK: 0).
[ 2819.473348] SYSINFO: CPUs 2, LINUX APIC IRQ 2312, TIM_FREQ 12499048, CLK_FREQ 2600194000, CPU_FREQ 2600194000
[ 2819.473351] RTAI_APIC_TIMER_IPI: RTAI DEFINED 2314, VECTOR 2314; LINUX_APIC_TIMER_IPI: RTAI DEFINED 2312, VECTOR 2312
[ 2819.473354] TIMER NAME: lapic; VARIOUSLY FOUND APIC FREQs: 12499048, 12499048, 12476250
[ 2819.480050] RTAI[malloc]: global heap size = 2097152 bytes, <BSD>.
[ 2819.480078] , <uses LINUX SYSCALLs>, kstacks pool size = 524288 bytes.
[ 2819.480082] RTAI[sched]: hard timer type/freq = APIC/12499048(Hz); default timing: oneshot; linear timed lists.
[ 2819.480086] RTAI[sched]: Linux timer freq = 250 (Hz), TimeBase freq = 2600194000 hz.
[ 2819.480088] RTAI[sched]: timer setup = 999 ns, resched latency = 2944 ns.
[ 2819.486793] RTAI[math]: loaded.
[ 2819.637956] config string '0 out'
[ 2822.832788] RTAI[math]: unloaded.
[ 2822.834376] SCHED releases registered named ALIEN PEDV$D
[ 2822.837584] RTAI[malloc]: unloaded.
[ 2822.936017] RTAI[sched]: unloaded (forced hard/soft/hard transitions: traps 0, syscalls 0).
[ 2822.937637] I-pipe: head domain RTAI unregistered.
[ 2822.937671] RTAI[hal]: unmounted.
[ 3158.985646] I-pipe: head domain RTAI registered.
[ 3158.985652] RTAI[hal]: compiled with gcc version 4.7.2 (Debian 4.7.2-5) .
[ 3158.985680] RTAI[hal]: mounted (IPIPE-NOTHREADS, IMMEDIATE (INTERNAL IRQs DISPATCHED), ISOL_CPUS_MASK: 0).
[ 3158.985683] SYSINFO: CPUs 2, LINUX APIC IRQ 2312, TIM_FREQ 12499048, CLK_FREQ 2600194000, CPU_FREQ 2600194000
[ 3158.985686] RTAI_APIC_TIMER_IPI: RTAI DEFINED 2314, VECTOR 2314; LINUX_APIC_TIMER_IPI: RTAI DEFINED 2312, VECTOR 2312
[ 3158.985689] TIMER NAME: lapic; VARIOUSLY FOUND APIC FREQs: 12499048, 12499048, 5682750
[ 3158.992418] RTAI[malloc]: global heap size = 2097152 bytes, <BSD>.
[ 3158.992449] , <uses LINUX SYSCALLs>, kstacks pool size = 524288 bytes.
[ 3158.992453] RTAI[sched]: hard timer type/freq = APIC/12499048(Hz); default timing: oneshot; linear timed lists.
[ 3158.992457] RTAI[sched]: Linux timer freq = 250 (Hz), TimeBase freq = 2600194000 hz.
[ 3158.992459] RTAI[sched]: timer setup = 999 ns, resched latency = 2944 ns.
[ 3158.997328] RTAI[math]: loaded.
[ 3159.152556] config string '0 out'
[ 3162.310743] RTAI[math]: unloaded.
[ 3162.312259] SCHED releases registered named ALIEN PEDV$D
[ 3162.314593] RTAI[malloc]: unloaded.
[ 3162.412025] RTAI[sched]: unloaded (forced hard/soft/hard transitions: traps 0, syscalls 0).
[ 3162.413720] I-pipe: head domain RTAI unregistered.
[ 3162.413755] RTAI[hal]: unmounted.
[ 3171.513616] I-pipe: head domain RTAI registered.
[ 3171.513622] RTAI[hal]: compiled with gcc version 4.7.2 (Debian 4.7.2-5) .
[ 3171.513651] RTAI[hal]: mounted (IPIPE-NOTHREADS, IMMEDIATE (INTERNAL IRQs DISPATCHED), ISOL_CPUS_MASK: 0).
[ 3171.513655] SYSINFO: CPUs 2, LINUX APIC IRQ 2312, TIM_FREQ 12499048, CLK_FREQ 2600194000, CPU_FREQ 2600194000
[ 3171.513657] RTAI_APIC_TIMER_IPI: RTAI DEFINED 2314, VECTOR 2314; LINUX_APIC_TIMER_IPI: RTAI DEFINED 2312, VECTOR 2312
[ 3171.513660] TIMER NAME: lapic; VARIOUSLY FOUND APIC FREQs: 12499048, 12499048, 12479750
[ 3171.520382] RTAI[malloc]: global heap size = 2097152 bytes, <BSD>.
[ 3171.520412] , <uses LINUX SYSCALLs>, kstacks pool size = 524288 bytes.
[ 3171.520416] RTAI[sched]: hard timer type/freq = APIC/12499048(Hz); default timing: oneshot; linear timed lists.
[ 3171.520419] RTAI[sched]: Linux timer freq = 250 (Hz), TimeBase freq = 2600194000 hz.
[ 3171.520421] RTAI[sched]: timer setup = 999 ns, resched latency = 2944 ns.
[ 3171.526058] RTAI[math]: loaded.
[ 3171.677434] config string '0 out'
[ 3777.440152] spurious APIC interrupt on CPU#0, should never happen.
[ 3777.443331] RTAI[math]: unloaded.
[ 3777.444866] SCHED releases registered named ALIEN PEDV$D
[ 3777.449163] RTAI[malloc]: unloaded.
[ 3777.548038] RTAI[sched]: unloaded (forced hard/soft/hard transitions: traps 0, syscalls 0).
[ 3777.549716] I-pipe: head domain RTAI unregistered.
[ 3777.549753] RTAI[hal]: unmounted.
[ 3780.369468] I-pipe: head domain RTAI registered.
[ 3780.369473] RTAI[hal]: compiled with gcc version 4.7.2 (Debian 4.7.2-5) .
[ 3780.369509] RTAI[hal]: mounted (IPIPE-NOTHREADS, IMMEDIATE (INTERNAL IRQs DISPATCHED), ISOL_CPUS_MASK: 0).
[ 3780.369512] SYSINFO: CPUs 2, LINUX APIC IRQ 2312, TIM_FREQ 12499048, CLK_FREQ 2600194000, CPU_FREQ 2600194000
[ 3780.369515] RTAI_APIC_TIMER_IPI: RTAI DEFINED 2314, VECTOR 2314; LINUX_APIC_TIMER_IPI: RTAI DEFINED 2312, VECTOR 2312
[ 3780.369518] TIMER NAME: lapic; VARIOUSLY FOUND APIC FREQs: 12499048, 12499048, 12480250
[ 3780.376209] RTAI[malloc]: global heap size = 2097152 bytes, <BSD>.
[ 3780.376237] , <uses LINUX SYSCALLs>, kstacks pool size = 524288 bytes.
[ 3780.376241] RTAI[sched]: hard timer type/freq = APIC/12499048(Hz); default timing: oneshot; linear timed lists.
[ 3780.376244] RTAI[sched]: Linux timer freq = 250 (Hz), TimeBase freq = 2600194000 hz.
[ 3780.376246] RTAI[sched]: timer setup = 999 ns, resched latency = 2944 ns.
[ 3780.380394] RTAI[math]: loaded.
[ 3780.530298] config string '0 out'
[ 3783.717406] RTAI[math]: unloaded.
[ 3783.720318] SCHED releases registered named ALIEN PEDV$D
[ 3783.724818] RTAI[malloc]: unloaded.
[ 3783.824027] RTAI[sched]: unloaded (forced hard/soft/hard transitions: traps 0, syscalls 0).
[ 3783.825801] I-pipe: head domain RTAI unregistered.
[ 3783.825836] RTAI[hal]: unmounted.
[ 3959.280752] I-pipe: head domain RTAI registered.
[ 3959.280757] RTAI[hal]: compiled with gcc version 4.7.2 (Debian 4.7.2-5) .
[ 3959.280786] RTAI[hal]: mounted (IPIPE-NOTHREADS, IMMEDIATE (INTERNAL IRQs DISPATCHED), ISOL_CPUS_MASK: 0).
[ 3959.280790] SYSINFO: CPUs 2, LINUX APIC IRQ 2312, TIM_FREQ 12499048, CLK_FREQ 2600194000, CPU_FREQ 2600194000
[ 3959.280792] RTAI_APIC_TIMER_IPI: RTAI DEFINED 2314, VECTOR 2314; LINUX_APIC_TIMER_IPI: RTAI DEFINED 2312, VECTOR 2312
[ 3959.280795] TIMER NAME: lapic; VARIOUSLY FOUND APIC FREQs: 12499048, 12499048, 12455250
[ 3959.287294] RTAI[malloc]: global heap size = 2097152 bytes, <BSD>.
[ 3959.287325] , <uses LINUX SYSCALLs>, kstacks pool size = 524288 bytes.
[ 3959.287329] RTAI[sched]: hard timer type/freq = APIC/12499048(Hz); default timing: oneshot; linear timed lists.
[ 3959.287332] RTAI[sched]: Linux timer freq = 250 (Hz), TimeBase freq = 2600194000 hz.
[ 3959.287334] RTAI[sched]: timer setup = 999 ns, resched latency = 2944 ns.
[ 3959.292371] RTAI[math]: loaded.
[ 3959.443301] config string '0 out'
[ 3962.732294] RTAI[math]: unloaded.
[ 3962.733892] SCHED releases registered named ALIEN PEDV$D
[ 3962.739046] RTAI[malloc]: unloaded.
[ 3962.836033] RTAI[sched]: unloaded (forced hard/soft/hard transitions: traps 0, syscalls 0).
[ 3962.837821] I-pipe: head domain RTAI unregistered.
[ 3962.837855] RTAI[hal]: unmounted.
[ 3994.044325] I-pipe: head domain RTAI registered.
[ 3994.044331] RTAI[hal]: compiled with gcc version 4.7.2 (Debian 4.7.2-5) .
[ 3994.044359] RTAI[hal]: mounted (IPIPE-NOTHREADS, IMMEDIATE (INTERNAL IRQs DISPATCHED), ISOL_CPUS_MASK: 0).
[ 3994.044362] SYSINFO: CPUs 2, LINUX APIC IRQ 2312, TIM_FREQ 12499048, CLK_FREQ 2600194000, CPU_FREQ 2600194000
[ 3994.044365] RTAI_APIC_TIMER_IPI: RTAI DEFINED 2314, VECTOR 2314; LINUX_APIC_TIMER_IPI: RTAI DEFINED 2312, VECTOR 2312
[ 3994.044368] TIMER NAME: lapic; VARIOUSLY FOUND APIC FREQs: 12499048, 12499048, 12468750
[ 3994.052419] RTAI[malloc]: global heap size = 2097152 bytes, <BSD>.
[ 3994.052448] , <uses LINUX SYSCALLs>, kstacks pool size = 524288 bytes.
[ 3994.052452] RTAI[sched]: hard timer type/freq = APIC/12499048(Hz); default timing: oneshot; linear timed lists.
[ 3994.052455] RTAI[sched]: Linux timer freq = 250 (Hz), TimeBase freq = 2600194000 hz.
[ 3994.052457] RTAI[sched]: timer setup = 999 ns, resched latency = 2944 ns.
[ 3994.057798] RTAI[math]: loaded.
[ 3994.210728] config string '0 out'
[ 4001.764177] RTAI[math]: unloaded.
[ 4001.765624] SCHED releases registered named ALIEN PEDV$D
[ 4001.771579] RTAI[malloc]: unloaded.
[ 4001.868033] RTAI[sched]: unloaded (forced hard/soft/hard transitions: traps 0, syscalls 0).
[ 4001.869713] I-pipe: head domain RTAI unregistered.
[ 4001.869746] RTAI[hal]: unmounted.
[ 4035.200759] I-pipe: head domain RTAI registered.
[ 4035.200765] RTAI[hal]: compiled with gcc version 4.7.2 (Debian 4.7.2-5) .
[ 4035.200794] RTAI[hal]: mounted (IPIPE-NOTHREADS, IMMEDIATE (INTERNAL IRQs DISPATCHED), ISOL_CPUS_MASK: 0).
[ 4035.200797] SYSINFO: CPUs 2, LINUX APIC IRQ 2312, TIM_FREQ 12499048, CLK_FREQ 2600194000, CPU_FREQ 2600194000
[ 4035.200800] RTAI_APIC_TIMER_IPI: RTAI DEFINED 2314, VECTOR 2314; LINUX_APIC_TIMER_IPI: RTAI DEFINED 2312, VECTOR 2312
[ 4035.200802] TIMER NAME: lapic; VARIOUSLY FOUND APIC FREQs: 12499048, 12499048, 12473250
[ 4035.207316] RTAI[malloc]: global heap size = 2097152 bytes, <BSD>.
[ 4035.207346] , <uses LINUX SYSCALLs>, kstacks pool size = 524288 bytes.
[ 4035.207350] RTAI[sched]: hard timer type/freq = APIC/12499048(Hz); default timing: oneshot; linear timed lists.
[ 4035.207353] RTAI[sched]: Linux timer freq = 250 (Hz), TimeBase freq = 2600194000 hz.
[ 4035.207355] RTAI[sched]: timer setup = 999 ns, resched latency = 2944 ns.
[ 4035.216932] RTAI[math]: loaded.
[ 4035.368184] config string '0 out'
[ 4037.764772] RTAI[math]: unloaded.
[ 4037.766195] SCHED releases registered named ALIEN PEDV$D
[ 4037.768685] RTAI[malloc]: unloaded.
[ 4037.868032] RTAI[sched]: unloaded (forced hard/soft/hard transitions: traps 0, syscalls 0).
[ 4037.869717] I-pipe: head domain RTAI unregistered.
[ 4037.869754] RTAI[hal]: unmounted.
[ 4086.720504] I-pipe: head domain RTAI registered.
[ 4086.720509] RTAI[hal]: compiled with gcc version 4.7.2 (Debian 4.7.2-5) .
[ 4086.720538] RTAI[hal]: mounted (IPIPE-NOTHREADS, IMMEDIATE (INTERNAL IRQs DISPATCHED), ISOL_CPUS_MASK: 0).
[ 4086.720541] SYSINFO: CPUs 2, LINUX APIC IRQ 2312, TIM_FREQ 12499048, CLK_FREQ 2600194000, CPU_FREQ 2600194000
[ 4086.720544] RTAI_APIC_TIMER_IPI: RTAI DEFINED 2314, VECTOR 2314; LINUX_APIC_TIMER_IPI: RTAI DEFINED 2312, VECTOR 2312
[ 4086.720547] TIMER NAME: lapic; VARIOUSLY FOUND APIC FREQs: 12499048, 12499048, 12458750
[ 4086.728562] RTAI[malloc]: global heap size = 2097152 bytes, <BSD>.
[ 4086.728591] , <uses LINUX SYSCALLs>, kstacks pool size = 524288 bytes.
[ 4086.728595] RTAI[sched]: hard timer type/freq = APIC/12499048(Hz); default timing: oneshot; linear timed lists.
[ 4086.728598] RTAI[sched]: Linux timer freq = 250 (Hz), TimeBase freq = 2600194000 hz.
[ 4086.728600] RTAI[sched]: timer setup = 999 ns, resched latency = 2944 ns.
[ 4086.732930] RTAI[math]: loaded.
[ 4086.883280] config string '0 out'
[ 4278.496718] RTAI[math]: unloaded.
[ 4278.498141] SCHED releases registered named ALIEN PEDV$D
[ 4278.500961] RTAI[malloc]: unloaded.
[ 4278.600028] RTAI[sched]: unloaded (forced hard/soft/hard transitions: traps 0, syscalls 0).
[ 4278.601795] I-pipe: head domain RTAI unregistered.
[ 4278.601828] RTAI[hal]: unmounted.
[ 4385.194404] I-pipe: head domain RTAI registered.
[ 4385.194410] RTAI[hal]: compiled with gcc version 4.7.2 (Debian 4.7.2-5) .
[ 4385.194438] RTAI[hal]: mounted (IPIPE-NOTHREADS, IMMEDIATE (INTERNAL IRQs DISPATCHED), ISOL_CPUS_MASK: 0).
[ 4385.194441] SYSINFO: CPUs 2, LINUX APIC IRQ 2312, TIM_FREQ 12499048, CLK_FREQ 2600194000, CPU_FREQ 2600194000
[ 4385.194444] RTAI_APIC_TIMER_IPI: RTAI DEFINED 2314, VECTOR 2314; LINUX_APIC_TIMER_IPI: RTAI DEFINED 2312, VECTOR 2312
[ 4385.194447] TIMER NAME: lapic; VARIOUSLY FOUND APIC FREQs: 12499048, 12499048, 11571250
[ 4385.202584] RTAI[malloc]: global heap size = 2097152 bytes, <BSD>.
[ 4385.202613] , <uses LINUX SYSCALLs>, kstacks pool size = 524288 bytes.
[ 4385.202617] RTAI[sched]: hard timer type/freq = APIC/12499048(Hz); default timing: oneshot; linear timed lists.
[ 4385.202620] RTAI[sched]: Linux timer freq = 250 (Hz), TimeBase freq = 2600194000 hz.
[ 4385.202622] RTAI[sched]: timer setup = 999 ns, resched latency = 2944 ns.
[ 4385.211590] RTAI[math]: loaded.
[ 4385.361749] config string '0 out'
[ 4387.717059] RTAI[math]: unloaded.
[ 4387.718570] SCHED releases registered named ALIEN PEDV$D
[ 4387.723631] RTAI[malloc]: unloaded.
[ 4387.820021] RTAI[sched]: unloaded (forced hard/soft/hard transitions: traps 0, syscalls 0).
[ 4387.821712] I-pipe: head domain RTAI unregistered.
[ 4387.821750] RTAI[hal]: unmounted.
[ 4535.962382] I-pipe: head domain RTAI registered.
[ 4535.962388] RTAI[hal]: compiled with gcc version 4.7.2 (Debian 4.7.2-5) .
[ 4535.962417] RTAI[hal]: mounted (IPIPE-NOTHREADS, IMMEDIATE (INTERNAL IRQs DISPATCHED), ISOL_CPUS_MASK: 0).
[ 4535.962420] SYSINFO: CPUs 2, LINUX APIC IRQ 2312, TIM_FREQ 12499048, CLK_FREQ 2600194000, CPU_FREQ 2600194000
[ 4535.962423] RTAI_APIC_TIMER_IPI: RTAI DEFINED 2314, VECTOR 2314; LINUX_APIC_TIMER_IPI: RTAI DEFINED 2312, VECTOR 2312
[ 4535.962425] TIMER NAME: lapic; VARIOUSLY FOUND APIC FREQs: 12499048, 12499048, 11156000
[ 4535.969077] RTAI[malloc]: global heap size = 2097152 bytes, <BSD>.
[ 4535.969105] , <uses LINUX SYSCALLs>, kstacks pool size = 524288 bytes.
[ 4535.969109] RTAI[sched]: hard timer type/freq = APIC/12499048(Hz); default timing: oneshot; linear timed lists.
[ 4535.969112] RTAI[sched]: Linux timer freq = 250 (Hz), TimeBase freq = 2600194000 hz.
[ 4535.969114] RTAI[sched]: timer setup = 999 ns, resched latency = 2944 ns.
[ 4535.974531] RTAI[math]: loaded.
[ 4536.124740] config string '0 out'
[ 4538.499794] RTAI[math]: unloaded.
[ 4538.501946] SCHED releases registered named ALIEN PEDV$D
[ 4538.509238] RTAI[malloc]: unloaded.
[ 4538.608054] RTAI[sched]: unloaded (forced hard/soft/hard transitions: traps 0, syscalls 0).
[ 4538.610546] I-pipe: head domain RTAI unregistered.
[ 4538.610580] RTAI[hal]: unmounted.
[ 4556.552327] I-pipe: head domain RTAI registered.
[ 4556.552332] RTAI[hal]: compiled with gcc version 4.7.2 (Debian 4.7.2-5) .
[ 4556.552360] RTAI[hal]: mounted (IPIPE-NOTHREADS, IMMEDIATE (INTERNAL IRQs DISPATCHED), ISOL_CPUS_MASK: 0).
[ 4556.552363] SYSINFO: CPUs 2, LINUX APIC IRQ 2312, TIM_FREQ 12499048, CLK_FREQ 2600194000, CPU_FREQ 2600194000
[ 4556.552366] RTAI_APIC_TIMER_IPI: RTAI DEFINED 2314, VECTOR 2314; LINUX_APIC_TIMER_IPI: RTAI DEFINED 2312, VECTOR 2312
[ 4556.552369] TIMER NAME: lapic; VARIOUSLY FOUND APIC FREQs: 12499048, 12499048, 12458000
[ 4556.559061] RTAI[malloc]: global heap size = 2097152 bytes, <BSD>.
[ 4556.559091] , <uses LINUX SYSCALLs>, kstacks pool size = 524288 bytes.
[ 4556.559095] RTAI[sched]: hard timer type/freq = APIC/12499048(Hz); default timing: oneshot; linear timed lists.
[ 4556.559098] RTAI[sched]: Linux timer freq = 250 (Hz), TimeBase freq = 2600194000 hz.
[ 4556.559100] RTAI[sched]: timer setup = 999 ns, resched latency = 2944 ns.
[ 4556.563271] RTAI[math]: loaded.
[ 4556.714516] config string '0 out'
[ 4559.088801] RTAI[math]: unloaded.
[ 4559.090300] SCHED releases registered named ALIEN PEDV$D
[ 4559.094902] RTAI[malloc]: unloaded.
[ 4559.192032] RTAI[sched]: unloaded (forced hard/soft/hard transitions: traps 0, syscalls 0).
[ 4559.193731] I-pipe: head domain RTAI unregistered.
[ 4559.193767] RTAI[hal]: unmounted.
[ 4599.872635] I-pipe: head domain RTAI registered.
[ 4599.872640] RTAI[hal]: compiled with gcc version 4.7.2 (Debian 4.7.2-5) .
[ 4599.872669] RTAI[hal]: mounted (IPIPE-NOTHREADS, IMMEDIATE (INTERNAL IRQs DISPATCHED), ISOL_CPUS_MASK: 0).
[ 4599.872672] SYSINFO: CPUs 2, LINUX APIC IRQ 2312, TIM_FREQ 12499048, CLK_FREQ 2600194000, CPU_FREQ 2600194000
[ 4599.872674] RTAI_APIC_TIMER_IPI: RTAI DEFINED 2314, VECTOR 2314; LINUX_APIC_TIMER_IPI: RTAI DEFINED 2312, VECTOR 2312
[ 4599.872677] TIMER NAME: lapic; VARIOUSLY FOUND APIC FREQs: 12499048, 12499048, 12459750
[ 4599.879196] RTAI[malloc]: global heap size = 2097152 bytes, <BSD>.
[ 4599.879225] , <uses LINUX SYSCALLs>, kstacks pool size = 524288 bytes.
[ 4599.879230] RTAI[sched]: hard timer type/freq = APIC/12499048(Hz); default timing: oneshot; linear timed lists.
[ 4599.879233] RTAI[sched]: Linux timer freq = 250 (Hz), TimeBase freq = 2600194000 hz.
[ 4599.879235] RTAI[sched]: timer setup = 999 ns, resched latency = 2944 ns.
[ 4599.883409] RTAI[math]: loaded.
[ 4600.035209] config string '0 out'
[ 4688.550747] RTAI[math]: unloaded.
[ 4688.553722] SCHED releases registered named ALIEN PEDV$D
[ 4688.557273] RTAI[malloc]: unloaded.
[ 4688.656024] RTAI[sched]: unloaded (forced hard/soft/hard transitions: traps 0, syscalls 0).
[ 4688.657691] I-pipe: head domain RTAI unregistered.
[ 4688.657724] RTAI[hal]: unmounted.
[ 4690.444061] I-pipe: head domain RTAI registered.
[ 4690.444066] RTAI[hal]: compiled with gcc version 4.7.2 (Debian 4.7.2-5) .
[ 4690.444093] RTAI[hal]: mounted (IPIPE-NOTHREADS, IMMEDIATE (INTERNAL IRQs DISPATCHED), ISOL_CPUS_MASK: 0).
[ 4690.444097] SYSINFO: CPUs 2, LINUX APIC IRQ 2312, TIM_FREQ 12499048, CLK_FREQ 2600194000, CPU_FREQ 2600194000
[ 4690.444099] RTAI_APIC_TIMER_IPI: RTAI DEFINED 2314, VECTOR 2314; LINUX_APIC_TIMER_IPI: RTAI DEFINED 2312, VECTOR 2312
[ 4690.444102] TIMER NAME: lapic; VARIOUSLY FOUND APIC FREQs: 12499048, 12499048, 12469250
[ 4690.450770] RTAI[malloc]: global heap size = 2097152 bytes, <BSD>.
[ 4690.450800] , <uses LINUX SYSCALLs>, kstacks pool size = 524288 bytes.
[ 4690.450804] RTAI[sched]: hard timer type/freq = APIC/12499048(Hz); default timing: oneshot; linear timed lists.
[ 4690.450807] RTAI[sched]: Linux timer freq = 250 (Hz), TimeBase freq = 2600194000 hz.
[ 4690.450809] RTAI[sched]: timer setup = 999 ns, resched latency = 2944 ns.
[ 4690.462601] RTAI[math]: loaded.
[ 4690.513844] config string '0 out'
[ 4715.388573] RTAI[math]: unloaded.
[ 4715.390154] SCHED releases registered named ALIEN PEDV$D
[ 4715.397251] RTAI[malloc]: unloaded.
[ 4715.496031] RTAI[sched]: unloaded (forced hard/soft/hard transitions: traps 0, syscalls 0).
[ 4715.497736] I-pipe: head domain RTAI unregistered.
[ 4715.497770] RTAI[hal]: unmounted.
[ 4763.432794] I-pipe: head domain RTAI registered.
[ 4763.432800] RTAI[hal]: compiled with gcc version 4.7.2 (Debian 4.7.2-5) .
[ 4763.432828] RTAI[hal]: mounted (IPIPE-NOTHREADS, IMMEDIATE (INTERNAL IRQs DISPATCHED), ISOL_CPUS_MASK: 0).
[ 4763.432832] SYSINFO: CPUs 2, LINUX APIC IRQ 2312, TIM_FREQ 12499048, CLK_FREQ 2600194000, CPU_FREQ 2600194000
[ 4763.432834] RTAI_APIC_TIMER_IPI: RTAI DEFINED 2314, VECTOR 2314; LINUX_APIC_TIMER_IPI: RTAI DEFINED 2312, VECTOR 2312
[ 4763.432837] TIMER NAME: lapic; VARIOUSLY FOUND APIC FREQs: 12499048, 12499048, 5893000
[ 4763.439365] RTAI[malloc]: global heap size = 2097152 bytes, <BSD>.
[ 4763.439394] , <uses LINUX SYSCALLs>, kstacks pool size = 524288 bytes.
[ 4763.439398] RTAI[sched]: hard timer type/freq = APIC/12499048(Hz); default timing: oneshot; linear timed lists.
[ 4763.439401] RTAI[sched]: Linux timer freq = 250 (Hz), TimeBase freq = 2600194000 hz.
[ 4763.439403] RTAI[sched]: timer setup = 999 ns, resched latency = 2944 ns.
[ 4763.449347] RTAI[math]: loaded.
[ 4763.601004] config string '0 out'
[ 4765.990506] RTAI[math]: unloaded.
[ 4765.992142] SCHED releases registered named ALIEN PEDV$D
[ 4765.996707] RTAI[malloc]: unloaded.
[ 4766.096029] RTAI[sched]: unloaded (forced hard/soft/hard transitions: traps 0, syscalls 0).
[ 4766.097717] I-pipe: head domain RTAI unregistered.
[ 4766.097753] RTAI[hal]: unmounted.
[ 4848.657572] I-pipe: head domain RTAI registered.
[ 4848.657577] RTAI[hal]: compiled with gcc version 4.7.2 (Debian 4.7.2-5) .
[ 4848.657607] RTAI[hal]: mounted (IPIPE-NOTHREADS, IMMEDIATE (INTERNAL IRQs DISPATCHED), ISOL_CPUS_MASK: 0).
[ 4848.657610] SYSINFO: CPUs 2, LINUX APIC IRQ 2312, TIM_FREQ 12499048, CLK_FREQ 2600194000, CPU_FREQ 2600194000
[ 4848.657613] RTAI_APIC_TIMER_IPI: RTAI DEFINED 2314, VECTOR 2314; LINUX_APIC_TIMER_IPI: RTAI DEFINED 2312, VECTOR 2312
[ 4848.657616] TIMER NAME: lapic; VARIOUSLY FOUND APIC FREQs: 12499048, 12499048, 12474250
[ 4848.665650] RTAI[malloc]: global heap size = 2097152 bytes, <BSD>.
[ 4848.665679] , <uses LINUX SYSCALLs>, kstacks pool size = 524288 bytes.
[ 4848.665683] RTAI[sched]: hard timer type/freq = APIC/12499048(Hz); default timing: oneshot; linear timed lists.
[ 4848.665686] RTAI[sched]: Linux timer freq = 250 (Hz), TimeBase freq = 2600194000 hz.
[ 4848.665689] RTAI[sched]: timer setup = 999 ns, resched latency = 2944 ns.
[ 4848.670012] RTAI[math]: loaded.
[ 4848.821352] config string '0 out'
[ 4851.198298] spurious APIC interrupt on CPU#0, should never happen.
[ 4851.201208] RTAI[math]: unloaded.
[ 4851.202957] SCHED releases registered named ALIEN PEDV$D
[ 4851.205617] RTAI[malloc]: unloaded.
[ 4851.304025] RTAI[sched]: unloaded (forced hard/soft/hard transitions: traps 0, syscalls 0).
[ 4851.305703] I-pipe: head domain RTAI unregistered.
[ 4851.305737] RTAI[hal]: unmounted.
[ 4871.576799] I-pipe: head domain RTAI registered.
[ 4871.576804] RTAI[hal]: compiled with gcc version 4.7.2 (Debian 4.7.2-5) .
[ 4871.576832] RTAI[hal]: mounted (IPIPE-NOTHREADS, IMMEDIATE (INTERNAL IRQs DISPATCHED), ISOL_CPUS_MASK: 0).
[ 4871.576835] SYSINFO: CPUs 2, LINUX APIC IRQ 2312, TIM_FREQ 12499048, CLK_FREQ 2600194000, CPU_FREQ 2600194000
[ 4871.576838] RTAI_APIC_TIMER_IPI: RTAI DEFINED 2314, VECTOR 2314; LINUX_APIC_TIMER_IPI: RTAI DEFINED 2312, VECTOR 2312
[ 4871.576841] TIMER NAME: lapic; VARIOUSLY FOUND APIC FREQs: 12499048, 12499048, 12458000
[ 4871.583494] RTAI[malloc]: global heap size = 2097152 bytes, <BSD>.
[ 4871.583533] , <uses LINUX SYSCALLs>, kstacks pool size = 524288 bytes.
[ 4871.583537] RTAI[sched]: hard timer type/freq = APIC/12499048(Hz); default timing: oneshot; linear timed lists.
[ 4871.583540] RTAI[sched]: Linux timer freq = 250 (Hz), TimeBase freq = 2600194000 hz.
[ 4871.583543] RTAI[sched]: timer setup = 999 ns, resched latency = 2944 ns.
[ 4871.591925] RTAI[math]: loaded.
[ 4871.642753] config string '0 out'
[ 4874.020948] RTAI[math]: unloaded.
[ 4874.022462] SCHED releases registered named ALIEN PEDV$D
[ 4874.026353] RTAI[malloc]: unloaded.
[ 4874.124024] RTAI[sched]: unloaded (forced hard/soft/hard transitions: traps 0, syscalls 0).
[ 4874.125720] I-pipe: head domain RTAI unregistered.
[ 4874.125758] RTAI[hal]: unmounted.
[ 4922.985166] I-pipe: head domain RTAI registered.
[ 4922.985172] RTAI[hal]: compiled with gcc version 4.7.2 (Debian 4.7.2-5) .
[ 4922.985201] RTAI[hal]: mounted (IPIPE-NOTHREADS, IMMEDIATE (INTERNAL IRQs DISPATCHED), ISOL_CPUS_MASK: 0).
[ 4922.985204] SYSINFO: CPUs 2, LINUX APIC IRQ 2312, TIM_FREQ 12499048, CLK_FREQ 2600194000, CPU_FREQ 2600194000
[ 4922.985206] RTAI_APIC_TIMER_IPI: RTAI DEFINED 2314, VECTOR 2314; LINUX_APIC_TIMER_IPI: RTAI DEFINED 2312, VECTOR 2312
[ 4922.985210] TIMER NAME: lapic; VARIOUSLY FOUND APIC FREQs: 12499048, 12499048, 11567250
[ 4922.991724] RTAI[malloc]: global heap size = 2097152 bytes, <BSD>.
[ 4922.991754] , <uses LINUX SYSCALLs>, kstacks pool size = 524288 bytes.
[ 4922.991758] RTAI[sched]: hard timer type/freq = APIC/12499048(Hz); default timing: oneshot; linear timed lists.
[ 4922.991761] RTAI[sched]: Linux timer freq = 250 (Hz), TimeBase freq = 2600194000 hz.
[ 4922.991763] RTAI[sched]: timer setup = 999 ns, resched latency = 2944 ns.
[ 4923.001906] RTAI[math]: loaded.
[ 4923.152469] config string '0 out'
[ 4925.514274] RTAI[math]: unloaded.
[ 4925.515774] SCHED releases registered named ALIEN PEDV$D
[ 4925.520717] RTAI[malloc]: unloaded.
[ 4925.620024] RTAI[sched]: unloaded (forced hard/soft/hard transitions: traps 0, syscalls 0).
[ 4925.621711] I-pipe: head domain RTAI unregistered.
[ 4925.621748] RTAI[hal]: unmounted.
[ 4944.874592] I-pipe: head domain RTAI registered.
[ 4944.874598] RTAI[hal]: compiled with gcc version 4.7.2 (Debian 4.7.2-5) .
[ 4944.874628] RTAI[hal]: mounted (IPIPE-NOTHREADS, IMMEDIATE (INTERNAL IRQs DISPATCHED), ISOL_CPUS_MASK: 0).
[ 4944.874631] SYSINFO: CPUs 2, LINUX APIC IRQ 2312, TIM_FREQ 12499048, CLK_FREQ 2600194000, CPU_FREQ 2600194000
[ 4944.874634] RTAI_APIC_TIMER_IPI: RTAI DEFINED 2314, VECTOR 2314; LINUX_APIC_TIMER_IPI: RTAI DEFINED 2312, VECTOR 2312
[ 4944.874637] TIMER NAME: lapic; VARIOUSLY FOUND APIC FREQs: 12499048, 12499048, 10968250
[ 4944.881300] RTAI[malloc]: global heap size = 2097152 bytes, <BSD>.
[ 4944.881329] , <uses LINUX SYSCALLs>, kstacks pool size = 524288 bytes.
[ 4944.881333] RTAI[sched]: hard timer type/freq = APIC/12499048(Hz); default timing: oneshot; linear timed lists.
[ 4944.881336] RTAI[sched]: Linux timer freq = 250 (Hz), TimeBase freq = 2600194000 hz.
[ 4944.881338] RTAI[sched]: timer setup = 999 ns, resched latency = 2944 ns.
[ 4944.890015] RTAI[math]: loaded.
[ 4945.040915] config string '0 out'
[ 5002.268083] RTAI[math]: unloaded.
[ 5002.271022] SCHED releases registered named ALIEN PEDV$D
[ 5002.277068] RTAI[malloc]: unloaded.
[ 5002.376026] RTAI[sched]: unloaded (forced hard/soft/hard transitions: traps 0, syscalls 0).
[ 5002.377723] I-pipe: head domain RTAI unregistered.
[ 5002.377759] RTAI[hal]: unmounted.
[ 5003.753113] I-pipe: head domain RTAI registered.
[ 5003.753118] RTAI[hal]: compiled with gcc version 4.7.2 (Debian 4.7.2-5) .
[ 5003.753146] RTAI[hal]: mounted (IPIPE-NOTHREADS, IMMEDIATE (INTERNAL IRQs DISPATCHED), ISOL_CPUS_MASK: 0).
[ 5003.753150] SYSINFO: CPUs 2, LINUX APIC IRQ 2312, TIM_FREQ 12499048, CLK_FREQ 2600194000, CPU_FREQ 2600194000
[ 5003.753152] RTAI_APIC_TIMER_IPI: RTAI DEFINED 2314, VECTOR 2314; LINUX_APIC_TIMER_IPI: RTAI DEFINED 2312, VECTOR 2312
[ 5003.753155] TIMER NAME: lapic; VARIOUSLY FOUND APIC FREQs: 12499048, 12499048, 12475500
[ 5003.759925] RTAI[malloc]: global heap size = 2097152 bytes, <BSD>.
[ 5003.759956] , <uses LINUX SYSCALLs>, kstacks pool size = 524288 bytes.
[ 5003.759960] RTAI[sched]: hard timer type/freq = APIC/12499048(Hz); default timing: oneshot; linear timed lists.
[ 5003.759963] RTAI[sched]: Linux timer freq = 250 (Hz), TimeBase freq = 2600194000 hz.
[ 5003.759965] RTAI[sched]: timer setup = 999 ns, resched latency = 2944 ns.
[ 5003.765620] RTAI[math]: loaded.
[ 5003.916972] config string '0 out'
[ 5006.288863] RTAI[math]: unloaded.
[ 5006.290380] SCHED releases registered named ALIEN PEDV$D
[ 5006.293669] RTAI[malloc]: unloaded.
[ 5006.392034] RTAI[sched]: unloaded (forced hard/soft/hard transitions: traps 0, syscalls 0).
[ 5006.393703] I-pipe: head domain RTAI unregistered.
[ 5006.393740] RTAI[hal]: unmounted.
[ 5036.570088] I-pipe: head domain RTAI registered.
[ 5036.570094] RTAI[hal]: compiled with gcc version 4.7.2 (Debian 4.7.2-5) .
[ 5036.570123] RTAI[hal]: mounted (IPIPE-NOTHREADS, IMMEDIATE (INTERNAL IRQs DISPATCHED), ISOL_CPUS_MASK: 0).
[ 5036.570126] SYSINFO: CPUs 2, LINUX APIC IRQ 2312, TIM_FREQ 12499048, CLK_FREQ 2600194000, CPU_FREQ 2600194000
[ 5036.570129] RTAI_APIC_TIMER_IPI: RTAI DEFINED 2314, VECTOR 2314; LINUX_APIC_TIMER_IPI: RTAI DEFINED 2312, VECTOR 2312
[ 5036.570132] TIMER NAME: lapic; VARIOUSLY FOUND APIC FREQs: 12499048, 12499048, 11607500
[ 5036.578164] RTAI[malloc]: global heap size = 2097152 bytes, <BSD>.
[ 5036.578194] , <uses LINUX SYSCALLs>, kstacks pool size = 524288 bytes.
[ 5036.578198] RTAI[sched]: hard timer type/freq = APIC/12499048(Hz); default timing: oneshot; linear timed lists.
[ 5036.578201] RTAI[sched]: Linux timer freq = 250 (Hz), TimeBase freq = 2600194000 hz.
[ 5036.578203] RTAI[sched]: timer setup = 999 ns, resched latency = 2944 ns.
[ 5036.582493] RTAI[math]: loaded.
[ 5036.732772] config string '0 out'
[ 5281.424845] RTAI[math]: unloaded.
[ 5281.426380] SCHED releases registered named ALIEN PEDV$D
[ 5281.431700] RTAI[malloc]: unloaded.
[ 5281.528030] RTAI[sched]: unloaded (forced hard/soft/hard transitions: traps 0, syscalls 0).
[ 5281.529722] I-pipe: head domain RTAI unregistered.
[ 5281.529760] RTAI[hal]: unmounted.
[ 5305.305276] I-pipe: head domain RTAI registered.
[ 5305.305281] RTAI[hal]: compiled with gcc version 4.7.2 (Debian 4.7.2-5) .
[ 5305.305311] RTAI[hal]: mounted (IPIPE-NOTHREADS, IMMEDIATE (INTERNAL IRQs DISPATCHED), ISOL_CPUS_MASK: 0).
[ 5305.305314] SYSINFO: CPUs 2, LINUX APIC IRQ 2312, TIM_FREQ 12499048, CLK_FREQ 2600194000, CPU_FREQ 2600194000
[ 5305.305317] RTAI_APIC_TIMER_IPI: RTAI DEFINED 2314, VECTOR 2314; LINUX_APIC_TIMER_IPI: RTAI DEFINED 2312, VECTOR 2312
[ 5305.305319] TIMER NAME: lapic; VARIOUSLY FOUND APIC FREQs: 12499048, 12499048, 12477750
[ 5305.311898] RTAI[malloc]: global heap size = 2097152 bytes, <BSD>.
[ 5305.311929] , <uses LINUX SYSCALLs>, kstacks pool size = 524288 bytes.
[ 5305.311933] RTAI[sched]: hard timer type/freq = APIC/12499048(Hz); default timing: oneshot; linear timed lists.
[ 5305.311936] RTAI[sched]: Linux timer freq = 250 (Hz), TimeBase freq = 2600194000 hz.
[ 5305.311938] RTAI[sched]: timer setup = 999 ns, resched latency = 2944 ns.
[ 5305.316855] RTAI[math]: loaded.
[ 5305.467871] config string '0 out'
[ 5308.686171] RTAI[math]: unloaded.
[ 5308.687827] SCHED releases registered named ALIEN PEDV$D
[ 5308.692589] RTAI[malloc]: unloaded.
[ 5308.792027] RTAI[sched]: unloaded (forced hard/soft/hard transitions: traps 0, syscalls 0).
[ 5308.793725] I-pipe: head domain RTAI unregistered.
[ 5308.793760] RTAI[hal]: unmounted.
[ 5334.193211] I-pipe: head domain RTAI registered.
[ 5334.193216] RTAI[hal]: compiled with gcc version 4.7.2 (Debian 4.7.2-5) .
[ 5334.193245] RTAI[hal]: mounted (IPIPE-NOTHREADS, IMMEDIATE (INTERNAL IRQs DISPATCHED), ISOL_CPUS_MASK: 0).
[ 5334.193248] SYSINFO: CPUs 2, LINUX APIC IRQ 2312, TIM_FREQ 12499048, CLK_FREQ 2600194000, CPU_FREQ 2600194000
[ 5334.193251] RTAI_APIC_TIMER_IPI: RTAI DEFINED 2314, VECTOR 2314; LINUX_APIC_TIMER_IPI: RTAI DEFINED 2312, VECTOR 2312
[ 5334.193254] TIMER NAME: lapic; VARIOUSLY FOUND APIC FREQs: 12499048, 12499048, 12478500
[ 5334.201483] RTAI[malloc]: global heap size = 2097152 bytes, <BSD>.
[ 5334.201514] , <uses LINUX SYSCALLs>, kstacks pool size = 524288 bytes.
[ 5334.201518] RTAI[sched]: hard timer type/freq = APIC/12499048(Hz); default timing: oneshot; linear timed lists.
[ 5334.201521] RTAI[sched]: Linux timer freq = 250 (Hz), TimeBase freq = 2600194000 hz.
[ 5334.201524] RTAI[sched]: timer setup = 999 ns, resched latency = 2944 ns.
[ 5334.205774] RTAI[math]: loaded.
[ 5334.356884] config string '0 out'
[ 5377.570041] RTAI[math]: unloaded.
[ 5377.573576] SCHED releases registered named ALIEN PEDV$D
[ 5377.580145] RTAI[malloc]: unloaded.
[ 5377.680033] RTAI[sched]: unloaded (forced hard/soft/hard transitions: traps 0, syscalls 0).
[ 5377.681726] I-pipe: head domain RTAI unregistered.
[ 5377.681763] RTAI[hal]: unmounted.
[ 6048.353516] I-pipe: head domain RTAI registered.
[ 6048.353521] RTAI[hal]: compiled with gcc version 4.7.2 (Debian 4.7.2-5) .
[ 6048.353550] RTAI[hal]: mounted (IPIPE-NOTHREADS, IMMEDIATE (INTERNAL IRQs DISPATCHED), ISOL_CPUS_MASK: 0).
[ 6048.353553] SYSINFO: CPUs 2, LINUX APIC IRQ 2312, TIM_FREQ 12499048, CLK_FREQ 2600194000, CPU_FREQ 2600194000
[ 6048.353556] RTAI_APIC_TIMER_IPI: RTAI DEFINED 2314, VECTOR 2314; LINUX_APIC_TIMER_IPI: RTAI DEFINED 2312, VECTOR 2312
[ 6048.353559] TIMER NAME: lapic; VARIOUSLY FOUND APIC FREQs: 12499048, 12499048, 12478250
[ 6048.361573] RTAI[malloc]: global heap size = 2097152 bytes, <BSD>.
[ 6048.361603] , <uses LINUX SYSCALLs>, kstacks pool size = 524288 bytes.
[ 6048.361607] RTAI[sched]: hard timer type/freq = APIC/12499048(Hz); default timing: oneshot; linear timed lists.
[ 6048.361610] RTAI[sched]: Linux timer freq = 250 (Hz), TimeBase freq = 2600194000 hz.
[ 6048.361612] RTAI[sched]: timer setup = 999 ns, resched latency = 2944 ns.
[ 6048.369775] RTAI[math]: loaded.
[ 6048.520300] config string '0 out'
[ 6055.386301] RTAI[math]: unloaded.
[ 6055.387821] SCHED releases registered named ALIEN PEDV$D
[ 6055.392281] RTAI[malloc]: unloaded.
[ 6055.492026] RTAI[sched]: unloaded (forced hard/soft/hard transitions: traps 0, syscalls 0).
[ 6055.493733] I-pipe: head domain RTAI unregistered.
[ 6055.493770] RTAI[hal]: unmounted.
[ 6189.633806] I-pipe: head domain RTAI registered.
[ 6189.633812] RTAI[hal]: compiled with gcc version 4.7.2 (Debian 4.7.2-5) .
[ 6189.633842] RTAI[hal]: mounted (IPIPE-NOTHREADS, IMMEDIATE (INTERNAL IRQs DISPATCHED), ISOL_CPUS_MASK: 0).
[ 6189.633845] SYSINFO: CPUs 2, LINUX APIC IRQ 2312, TIM_FREQ 12499048, CLK_FREQ 2600194000, CPU_FREQ 2600194000
[ 6189.633848] RTAI_APIC_TIMER_IPI: RTAI DEFINED 2314, VECTOR 2314; LINUX_APIC_TIMER_IPI: RTAI DEFINED 2312, VECTOR 2312
[ 6189.633850] TIMER NAME: lapic; VARIOUSLY FOUND APIC FREQs: 12499048, 12499048, 11938000
[ 6189.640423] RTAI[malloc]: global heap size = 2097152 bytes, <BSD>.
[ 6189.640451] , <uses LINUX SYSCALLs>, kstacks pool size = 524288 bytes.
[ 6189.640456] RTAI[sched]: hard timer type/freq = APIC/12499048(Hz); default timing: oneshot; linear timed lists.
[ 6189.640459] RTAI[sched]: Linux timer freq = 250 (Hz), TimeBase freq = 2600194000 hz.
[ 6189.640461] RTAI[sched]: timer setup = 999 ns, resched latency = 2944 ns.
[ 6189.649369] RTAI[math]: loaded.
[ 6189.799885] config string '0 out'
[ 6192.189107] RTAI[math]: unloaded.
[ 6192.190632] SCHED releases registered named ALIEN PEDV$D
[ 6192.195115] RTAI[malloc]: unloaded.
[ 6192.292022] RTAI[sched]: unloaded (forced hard/soft/hard transitions: traps 0, syscalls 0).
[ 6192.293696] I-pipe: head domain RTAI unregistered.
[ 6192.293733] RTAI[hal]: unmounted.
[ 6323.819382] I-pipe: head domain RTAI registered.
[ 6323.819387] RTAI[hal]: compiled with gcc version 4.7.2 (Debian 4.7.2-5) .
[ 6323.819415] RTAI[hal]: mounted (IPIPE-NOTHREADS, IMMEDIATE (INTERNAL IRQs DISPATCHED), ISOL_CPUS_MASK: 0).
[ 6323.819418] SYSINFO: CPUs 2, LINUX APIC IRQ 2312, TIM_FREQ 12499048, CLK_FREQ 2600194000, CPU_FREQ 2600194000
[ 6323.819421] RTAI_APIC_TIMER_IPI: RTAI DEFINED 2314, VECTOR 2314; LINUX_APIC_TIMER_IPI: RTAI DEFINED 2312, VECTOR 2312
[ 6323.819424] TIMER NAME: lapic; VARIOUSLY FOUND APIC FREQs: 12499048, 12499048, 10401500
[ 6323.827581] RTAI[malloc]: global heap size = 2097152 bytes, <BSD>.
[ 6323.827612] , <uses LINUX SYSCALLs>, kstacks pool size = 524288 bytes.
[ 6323.827616] RTAI[sched]: hard timer type/freq = APIC/12499048(Hz); default timing: oneshot; linear timed lists.
[ 6323.827620] RTAI[sched]: Linux timer freq = 250 (Hz), TimeBase freq = 2600194000 hz.
[ 6323.827622] RTAI[sched]: timer setup = 999 ns, resched latency = 2944 ns.
[ 6323.833829] RTAI[math]: loaded.
[ 6323.983957] config string '0 out'
[ 6529.063593] RTAI[math]: unloaded.
[ 6529.066516] SCHED releases registered named ALIEN PEDV$D
[ 6529.071729] RTAI[malloc]: unloaded.
[ 6529.168023] RTAI[sched]: unloaded (forced hard/soft/hard transitions: traps 0, syscalls 0).
[ 6529.169713] I-pipe: head domain RTAI unregistered.
[ 6529.169748] RTAI[hal]: unmounted.
[ 6530.464982] I-pipe: head domain RTAI registered.
[ 6530.464988] RTAI[hal]: compiled with gcc version 4.7.2 (Debian 4.7.2-5) .
[ 6530.465017] RTAI[hal]: mounted (IPIPE-NOTHREADS, IMMEDIATE (INTERNAL IRQs DISPATCHED), ISOL_CPUS_MASK: 0).
[ 6530.465020] SYSINFO: CPUs 2, LINUX APIC IRQ 2312, TIM_FREQ 12499048, CLK_FREQ 2600194000, CPU_FREQ 2600194000
[ 6530.465022] RTAI_APIC_TIMER_IPI: RTAI DEFINED 2314, VECTOR 2314; LINUX_APIC_TIMER_IPI: RTAI DEFINED 2312, VECTOR 2312
[ 6530.465025] TIMER NAME: lapic; VARIOUSLY FOUND APIC FREQs: 12499048, 12499048, 12467000
[ 6530.471660] RTAI[malloc]: global heap size = 2097152 bytes, <BSD>.
[ 6530.471692] , <uses LINUX SYSCALLs>, kstacks pool size = 524288 bytes.
[ 6530.471696] RTAI[sched]: hard timer type/freq = APIC/12499048(Hz); default timing: oneshot; linear timed lists.
[ 6530.471699] RTAI[sched]: Linux timer freq = 250 (Hz), TimeBase freq = 2600194000 hz.
[ 6530.471701] RTAI[sched]: timer setup = 999 ns, resched latency = 2944 ns.
[ 6530.475968] RTAI[math]: loaded.
[ 6530.625799] config string '0 out'
[ 6585.856099] RTAI[math]: unloaded.
[ 6585.857598] SCHED releases registered named ALIEN PEDV$D
[ 6585.861765] RTAI[malloc]: unloaded.
[ 6585.960018] RTAI[sched]: unloaded (forced hard/soft/hard transitions: traps 0, syscalls 0).
[ 6585.961708] I-pipe: head domain RTAI unregistered.
[ 6585.961743] RTAI[hal]: unmounted.
[ 6587.249633] I-pipe: head domain RTAI registered.
[ 6587.249638] RTAI[hal]: compiled with gcc version 4.7.2 (Debian 4.7.2-5) .
[ 6587.249666] RTAI[hal]: mounted (IPIPE-NOTHREADS, IMMEDIATE (INTERNAL IRQs DISPATCHED), ISOL_CPUS_MASK: 0).
[ 6587.249669] SYSINFO: CPUs 2, LINUX APIC IRQ 2312, TIM_FREQ 12499048, CLK_FREQ 2600194000, CPU_FREQ 2600194000
[ 6587.249671] RTAI_APIC_TIMER_IPI: RTAI DEFINED 2314, VECTOR 2314; LINUX_APIC_TIMER_IPI: RTAI DEFINED 2312, VECTOR 2312
[ 6587.249674] TIMER NAME: lapic; VARIOUSLY FOUND APIC FREQs: 12499048, 12499048, 12479750
[ 6587.256243] RTAI[malloc]: global heap size = 2097152 bytes, <BSD>.
[ 6587.256272] , <uses LINUX SYSCALLs>, kstacks pool size = 524288 bytes.
[ 6587.256276] RTAI[sched]: hard timer type/freq = APIC/12499048(Hz); default timing: oneshot; linear timed lists.
[ 6587.256279] RTAI[sched]: Linux timer freq = 250 (Hz), TimeBase freq = 2600194000 hz.
[ 6587.256281] RTAI[sched]: timer setup = 999 ns, resched latency = 2944 ns.
[ 6587.261167] RTAI[math]: loaded.
[ 6587.410772] config string '0 out'
[ 6674.293665] RTAI[math]: unloaded.
[ 6674.295183] SCHED releases registered named ALIEN PEDV$D
[ 6674.299818] RTAI[malloc]: unloaded.
[ 6674.396029] RTAI[sched]: unloaded (forced hard/soft/hard transitions: traps 0, syscalls 0).
[ 6674.397723] I-pipe: head domain RTAI unregistered.
[ 6674.397757] RTAI[hal]: unmounted.
[ 6682.073034] I-pipe: head domain RTAI registered.
[ 6682.073039] RTAI[hal]: compiled with gcc version 4.7.2 (Debian 4.7.2-5) .
[ 6682.073068] RTAI[hal]: mounted (IPIPE-NOTHREADS, IMMEDIATE (INTERNAL IRQs DISPATCHED), ISOL_CPUS_MASK: 0).
[ 6682.073071] SYSINFO: CPUs 2, LINUX APIC IRQ 2312, TIM_FREQ 12499048, CLK_FREQ 2600194000, CPU_FREQ 2600194000
[ 6682.073074] RTAI_APIC_TIMER_IPI: RTAI DEFINED 2314, VECTOR 2314; LINUX_APIC_TIMER_IPI: RTAI DEFINED 2312, VECTOR 2312
[ 6682.073077] TIMER NAME: lapic; VARIOUSLY FOUND APIC FREQs: 12499048, 12499048, 12469500
[ 6682.079827] RTAI[malloc]: global heap size = 2097152 bytes, <BSD>.
[ 6682.079860] , <uses LINUX SYSCALLs>, kstacks pool size = 524288 bytes.
[ 6682.079864] RTAI[sched]: hard timer type/freq = APIC/12499048(Hz); default timing: oneshot; linear timed lists.
[ 6682.079867] RTAI[sched]: Linux timer freq = 250 (Hz), TimeBase freq = 2600194000 hz.
[ 6682.079869] RTAI[sched]: timer setup = 999 ns, resched latency = 2944 ns.
[ 6682.087313] RTAI[math]: loaded.
[ 6682.237527] config string '0 out'
[ 6777.693774] RTAI[math]: unloaded.
[ 6777.696637] SCHED releases registered named ALIEN PEDV$D
[ 6777.700045] RTAI[malloc]: unloaded.
[ 6777.800023] RTAI[sched]: unloaded (forced hard/soft/hard transitions: traps 0, syscalls 0).
[ 6777.801718] I-pipe: head domain RTAI unregistered.
[ 6777.801754] RTAI[hal]: unmounted.
[ 6779.117935] I-pipe: head domain RTAI registered.
[ 6779.117940] RTAI[hal]: compiled with gcc version 4.7.2 (Debian 4.7.2-5) .
[ 6779.117969] RTAI[hal]: mounted (IPIPE-NOTHREADS, IMMEDIATE (INTERNAL IRQs DISPATCHED), ISOL_CPUS_MASK: 0).
[ 6779.117972] SYSINFO: CPUs 2, LINUX APIC IRQ 2312, TIM_FREQ 12499048, CLK_FREQ 2600194000, CPU_FREQ 2600194000
[ 6779.117975] RTAI_APIC_TIMER_IPI: RTAI DEFINED 2314, VECTOR 2314; LINUX_APIC_TIMER_IPI: RTAI DEFINED 2312, VECTOR 2312
[ 6779.117978] TIMER NAME: lapic; VARIOUSLY FOUND APIC FREQs: 12499048, 12499048, 9954500
[ 6779.124561] RTAI[malloc]: global heap size = 2097152 bytes, <BSD>.
[ 6779.124592] , <uses LINUX SYSCALLs>, kstacks pool size = 524288 bytes.
[ 6779.124596] RTAI[sched]: hard timer type/freq = APIC/12499048(Hz); default timing: oneshot; linear timed lists.
[ 6779.124599] RTAI[sched]: Linux timer freq = 250 (Hz), TimeBase freq = 2600194000 hz.
[ 6779.124601] RTAI[sched]: timer setup = 999 ns, resched latency = 2944 ns.
[ 6779.134226] RTAI[math]: loaded.
[ 6779.284771] config string '0 out'
[ 7056.282137] RTAI[math]: unloaded.
[ 7056.283640] SCHED releases registered named ALIEN PEDV$D
[ 7056.288995] RTAI[malloc]: unloaded.
[ 7056.388028] RTAI[sched]: unloaded (forced hard/soft/hard transitions: traps 0, syscalls 0).
[ 7056.389730] I-pipe: head domain RTAI unregistered.
[ 7056.389765] RTAI[hal]: unmounted.
[ 7089.905777] I-pipe: head domain RTAI registered.
[ 7089.905782] RTAI[hal]: compiled with gcc version 4.7.2 (Debian 4.7.2-5) .
[ 7089.905812] RTAI[hal]: mounted (IPIPE-NOTHREADS, IMMEDIATE (INTERNAL IRQs DISPATCHED), ISOL_CPUS_MASK: 0).
[ 7089.905815] SYSINFO: CPUs 2, LINUX APIC IRQ 2312, TIM_FREQ 12499048, CLK_FREQ 2600194000, CPU_FREQ 2600194000
[ 7089.905818] RTAI_APIC_TIMER_IPI: RTAI DEFINED 2314, VECTOR 2314; LINUX_APIC_TIMER_IPI: RTAI DEFINED 2312, VECTOR 2312
[ 7089.905820] TIMER NAME: lapic; VARIOUSLY FOUND APIC FREQs: 12499048, 12499048, 11995500
[ 7089.913862] RTAI[malloc]: global heap size = 2097152 bytes, <BSD>.
[ 7089.913892] , <uses LINUX SYSCALLs>, kstacks pool size = 524288 bytes.
[ 7089.913896] RTAI[sched]: hard timer type/freq = APIC/12499048(Hz); default timing: oneshot; linear timed lists.
[ 7089.913900] RTAI[sched]: Linux timer freq = 250 (Hz), TimeBase freq = 2600194000 hz.
[ 7089.913902] RTAI[sched]: timer setup = 999 ns, resched latency = 2944 ns.
[ 7089.920208] RTAI[math]: loaded.
[ 7090.071832] config string '0 out'
[ 7092.508255] RTAI[math]: unloaded.
[ 7092.510247] SCHED releases registered named ALIEN PEDV$D
[ 7092.514656] RTAI[malloc]: unloaded.
[ 7092.612025] RTAI[sched]: unloaded (forced hard/soft/hard transitions: traps 0, syscalls 0).
[ 7092.613710] I-pipe: head domain RTAI unregistered.
[ 7092.613747] RTAI[hal]: unmounted.
[ 7177.460797] I-pipe: head domain RTAI registered.
[ 7177.460802] RTAI[hal]: compiled with gcc version 4.7.2 (Debian 4.7.2-5) .
[ 7177.460831] RTAI[hal]: mounted (IPIPE-NOTHREADS, IMMEDIATE (INTERNAL IRQs DISPATCHED), ISOL_CPUS_MASK: 0).
[ 7177.460834] SYSINFO: CPUs 2, LINUX APIC IRQ 2312, TIM_FREQ 12499048, CLK_FREQ 2600194000, CPU_FREQ 2600194000
[ 7177.460836] RTAI_APIC_TIMER_IPI: RTAI DEFINED 2314, VECTOR 2314; LINUX_APIC_TIMER_IPI: RTAI DEFINED 2312, VECTOR 2312
[ 7177.460839] TIMER NAME: lapic; VARIOUSLY FOUND APIC FREQs: 12499048, 12499048, 12362500
[ 7177.468932] RTAI[malloc]: global heap size = 2097152 bytes, <BSD>.
[ 7177.468961] , <uses LINUX SYSCALLs>, kstacks pool size = 524288 bytes.
[ 7177.468965] RTAI[sched]: hard timer type/freq = APIC/12499048(Hz); default timing: oneshot; linear timed lists.
[ 7177.468968] RTAI[sched]: Linux timer freq = 250 (Hz), TimeBase freq = 2600194000 hz.
[ 7177.468970] RTAI[sched]: timer setup = 999 ns, resched latency = 2944 ns.
[ 7177.473258] RTAI[math]: loaded.
[ 7177.624118] config string '0 out'
[ 7180.034690] RTAI[math]: unloaded.
[ 7180.036625] SCHED releases registered named ALIEN PEDV$D
[ 7180.041596] RTAI[malloc]: unloaded.
[ 7180.140035] RTAI[sched]: unloaded (forced hard/soft/hard transitions: traps 0, syscalls 0).
[ 7180.141724] I-pipe: head domain RTAI unregistered.
[ 7180.141760] RTAI[hal]: unmounted.
[ 7183.634177] I-pipe: head domain RTAI registered.
[ 7183.634182] RTAI[hal]: compiled with gcc version 4.7.2 (Debian 4.7.2-5) .
[ 7183.634210] RTAI[hal]: mounted (IPIPE-NOTHREADS, IMMEDIATE (INTERNAL IRQs DISPATCHED), ISOL_CPUS_MASK: 0).
[ 7183.634214] SYSINFO: CPUs 2, LINUX APIC IRQ 2312, TIM_FREQ 12499048, CLK_FREQ 2600194000, CPU_FREQ 2600194000
[ 7183.634216] RTAI_APIC_TIMER_IPI: RTAI DEFINED 2314, VECTOR 2314; LINUX_APIC_TIMER_IPI: RTAI DEFINED 2312, VECTOR 2312
[ 7183.634219] TIMER NAME: lapic; VARIOUSLY FOUND APIC FREQs: 12499048, 12499048, 11191500
[ 7183.640869] RTAI[malloc]: global heap size = 2097152 bytes, <BSD>.
[ 7183.640896] , <uses LINUX SYSCALLs>, kstacks pool size = 524288 bytes.
[ 7183.640900] RTAI[sched]: hard timer type/freq = APIC/12499048(Hz); default timing: oneshot; linear timed lists.
[ 7183.640903] RTAI[sched]: Linux timer freq = 250 (Hz), TimeBase freq = 2600194000 hz.
[ 7183.640905] RTAI[sched]: timer setup = 999 ns, resched latency = 2944 ns.
[ 7183.646005] RTAI[math]: loaded.
[ 7183.796626] config string '0 out'
[ 7488.118188] RTAI[math]: unloaded.
[ 7488.120968] SCHED releases registered named ALIEN PEDV$D
[ 7488.127114] RTAI[malloc]: unloaded.
[ 7488.224028] RTAI[sched]: unloaded (forced hard/soft/hard transitions: traps 0, syscalls 0).
[ 7488.225715] I-pipe: head domain RTAI unregistered.
[ 7488.225750] RTAI[hal]: unmounted.
[ 7489.746303] I-pipe: head domain RTAI registered.
[ 7489.746309] RTAI[hal]: compiled with gcc version 4.7.2 (Debian 4.7.2-5) .
[ 7489.746338] RTAI[hal]: mounted (IPIPE-NOTHREADS, IMMEDIATE (INTERNAL IRQs DISPATCHED), ISOL_CPUS_MASK: 0).
[ 7489.746341] SYSINFO: CPUs 2, LINUX APIC IRQ 2312, TIM_FREQ 12499048, CLK_FREQ 2600194000, CPU_FREQ 2600194000
[ 7489.746344] RTAI_APIC_TIMER_IPI: RTAI DEFINED 2314, VECTOR 2314; LINUX_APIC_TIMER_IPI: RTAI DEFINED 2312, VECTOR 2312
[ 7489.746347] TIMER NAME: lapic; VARIOUSLY FOUND APIC FREQs: 12499048, 12499048, 11840250
[ 7489.753065] RTAI[malloc]: global heap size = 2097152 bytes, <BSD>.
[ 7489.753095] , <uses LINUX SYSCALLs>, kstacks pool size = 524288 bytes.
[ 7489.753099] RTAI[sched]: hard timer type/freq = APIC/12499048(Hz); default timing: oneshot; linear timed lists.
[ 7489.753102] RTAI[sched]: Linux timer freq = 250 (Hz), TimeBase freq = 2600194000 hz.
[ 7489.753104] RTAI[sched]: timer setup = 999 ns, resched latency = 2944 ns.
[ 7489.758045] RTAI[math]: loaded.
[ 7489.908226] config string '0 out'
[ 7492.324918] RTAI[math]: unloaded.
[ 7492.326362] SCHED releases registered named ALIEN PEDV$D
[ 7492.329650] RTAI[malloc]: unloaded.
[ 7492.428032] RTAI[sched]: unloaded (forced hard/soft/hard transitions: traps 0, syscalls 0).
[ 7492.429698] I-pipe: head domain RTAI unregistered.
[ 7492.429732] RTAI[hal]: unmounted.


пишет

Код: Выделить всё

Debug file information:
.
./jpad.hal:4: Pin 'input.0.btn-base4' does not exist
14338
хотя его видно в HAL Config и если запускать с одной строчкой стартует, в Test HAL command отправляю вторую строчку пины прописываются, на нажитие кнопки на джостике откликается. :wik: Подскажите куда копать?
nkp
Мастер
Сообщения: 8340
Зарегистрирован: 28 ноя 2011, 00:25
Репутация: 1589
Контактная информация:

Re: EMC2 LinuxCNC и Joystick

Сообщение nkp »

в postgui пробовал?
Аватара пользователя
al_us
Почётный участник
Почётный участник
Сообщения: 553
Зарегистрирован: 24 июн 2015, 09:27
Репутация: 115
Настоящее имя: Алексей
Контактная информация:

Re: EMC2 LinuxCNC и Joystick

Сообщение al_us »

да в первую очередь так попробовал в postgui - source jpad.hal, потом из файла перетащил строки, потом в основной hal перенес...
получается стартовать только с одной строчкой.
nkp
Мастер
Сообщения: 8340
Зарегистрирован: 28 ноя 2011, 00:25
Репутация: 1589
Контактная информация:

Re: EMC2 LinuxCNC и Joystick

Сообщение nkp »

Код: Выделить всё

loadusr  -W hal_input  -KRAL +Logitech Logitech(R) Precision(TM) Gamepad
Аватара пользователя
al_us
Почётный участник
Почётный участник
Сообщения: 553
Зарегистрирован: 24 июн 2015, 09:27
Репутация: 115
Настоящее имя: Алексей
Контактная информация:

Re: EMC2 LinuxCNC и Joystick

Сообщение al_us »

:cheesy: ура!
vko
Кандидат
Сообщения: 65
Зарегистрирован: 11 май 2015, 21:34
Репутация: 3
Настоящее имя: Василий
Откуда: Лобня
Контактная информация:

Re: EMC2 LinuxCNC и Joystick

Сообщение vko »

Добрый день, не могу додумать как реализовать подключение джойстика (Джойстик 4D R400B) (потенциометра) к linuxCNC. На каждую ось на центральный контакт подается питание, с боковых контактов снимается напряжение. В центральном положении сопротивление 5 кОм на левом и правом контакте относительно центрального. При изменении положения джойстика с одной стороны идет уменьшение сопротивления, с другой сопротивление возрастает (диапазон изменений от 2 до 10 кОм).
Плата подключения mesa 7i77. Есть 4 аналоговых входа. Хотелось бы на каждую ось задействовать только один вход. Я вижу это так: один сигнал подключаю к аналоговому входу и назначаю его на halui.jog.<n>.analog <= hm2_5i25.0.7i77.0.0.analogin0
И вот тут я не могу додумать как реализовать, то что бы при наличии напряжения допустим от 7 до 9 вольт он двигался в одну сторону с соответствующей скоростью (и чем ниже напряжение, тем больше скорость) и в другую сторону при наличии напряжения допустим от 10 до 12 вольт, но тут скорость должна изменяться при возрастании напряжения. В данном случае надо с базового сигнала вычитать определенное значение и подключать его на halui.jog.<n>.analog с определенном масштабированием. Вот как это сделать я недопонимаю. Помогите пожалуйста!!!
Аватара пользователя
antoxa-kylibin
Мастер
Сообщения: 786
Зарегистрирован: 22 июн 2017, 13:18
Репутация: 107
Настоящее имя: Антон
Откуда: г. Воронеж
Контактная информация:

Re: EMC2 LinuxCNC и Joystick

Сообщение antoxa-kylibin »

Народ, подскажите кто в теме...Можно ли использовать 2 джостика сразу? Смысл в том чтобы задействовать в 2 раза больше кнопок.
Аватара пользователя
Serg
Мастер
Сообщения: 21923
Зарегистрирован: 17 апр 2012, 14:58
Репутация: 5183
Заслуга: c781c134843e0c1a3de9
Настоящее имя: Сергей
Откуда: Москва
Контактная информация:

Re: EMC2 LinuxCNC и Joystick

Сообщение Serg »

vko писал(а): И вот тут я не могу додумать как реализовать
sum2, comp, ...
antoxa-kylibin писал(а): Можно ли использовать 2 джостика сразу? Смысл в том чтобы задействовать в 2 раза больше кнопок.
Можно все джойстики мира использовать. :)
Я не Христос, рыбу не раздаю, но могу научить, как сделать удочку...
Аватара пользователя
antoxa-kylibin
Мастер
Сообщения: 786
Зарегистрирован: 22 июн 2017, 13:18
Репутация: 107
Настоящее имя: Антон
Откуда: г. Воронеж
Контактная информация:

Re: EMC2 LinuxCNC и Joystick

Сообщение antoxa-kylibin »

Ну все джойстики мира это слишком)... Ещё вопрос на эту же тему. Lcnc понимает под джойстиком любой gamepad? В системе есть какой то набор драйверов для таких типов устройств? На сколько я понял, пакет joystick позволяет системе видеть джойстики и его кнопки, которые на уровне hal можно связать с нужными действиями EMC или кнопками интерфейса например gmoccapy. Верно мыслю?
Аватара пользователя
Serg
Мастер
Сообщения: 21923
Зарегистрирован: 17 апр 2012, 14:58
Репутация: 5183
Заслуга: c781c134843e0c1a3de9
Настоящее имя: Сергей
Откуда: Москва
Контактная информация:

Re: EMC2 LinuxCNC и Joystick

Сообщение Serg »

Я не Христос, рыбу не раздаю, но могу научить, как сделать удочку...
Ответить

Вернуться в «LinuxCNC»