Ввод в эксплуатацию ЧПУ системы на основе контроллера Kflop.
- ukr-sasha
- Мастер
- Сообщения: 3401
- Зарегистрирован: 21 мар 2011, 07:47
- Репутация: 2181
- Настоящее имя: Украинец Александр Григорьевич
- Откуда: Киев, Украина
- Контактная информация:
Re: Ввод в эксплуатацию ЧПУ системы на основе контроллера Kf
Схему давайте.
- dmitro
- Новичок
- Сообщения: 2
- Зарегистрирован: 14 июл 2015, 14:45
- Репутация: 0
- Настоящее имя: Dmytro
- Откуда: Київ
- Контактная информация:
Re: Ввод в эксплуатацию ЧПУ системы на основе контроллера Kf
Не вдаваясь в детали и специфику KFLOPа, все вході должні біть к чему-то подтянуті, в вашем случае скорее всего к земле, єто так сказать "правило хорошего тона". Резистор 100к вам поможет....Kflop показывает, что при появлении сигнала на IO0 сигнал имеется так же на IO1, IO4 -- IO5, IO6 -- IO7. ... Где может быть проблема?
...любительская технология это частный случай совершенного владения онанизмом (С)
-
fangelion
- Новичок
- Сообщения: 8
- Зарегистрирован: 23 июл 2015, 08:18
- Репутация: 0
- Настоящее имя: Игорь
- Контактная информация:
Re: Ввод в эксплуатацию ЧПУ системы на основе контроллера Kf
Я когда увидел как скачут сигналы, то заставил электронщика это сделать, правда повесили туда не 100К, а всего 1К, чего волне хватает.dmitro писал(а):Не вдаваясь в детали и специфику KFLOPа, все вході должні біть к чему-то подтянуті, в вашем случае скорее всего к земле, єто так сказать "правило хорошего тона". Резистор 100к вам поможет....Kflop показывает, что при появлении сигнала на IO0 сигнал имеется так же на IO1, IO4 -- IO5, IO6 -- IO7. ... Где может быть проблема?
- Сергей Саныч
- Мастер
- Сообщения: 9116
- Зарегистрирован: 30 май 2012, 14:20
- Репутация: 2858
- Откуда: Тюмень
- Контактная информация:
Re: Ввод в эксплуатацию ЧПУ системы на основе контроллера Kf
Пожалуй, даже лучше.fangelion писал(а):повесили туда не 100К, а всего 1К, чего волне хватает
Чудес не бывает. Бывают фокусы.
-
fangelion
- Новичок
- Сообщения: 8
- Зарегистрирован: 23 июл 2015, 08:18
- Репутация: 0
- Настоящее имя: Игорь
- Контактная информация:
Re: Ввод в эксплуатацию ЧПУ системы на основе контроллера Kf
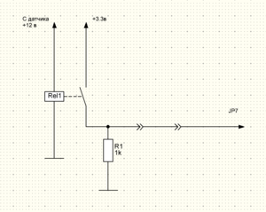
Вот так для одного датчика выглядит цепьukr-sasha писал(а):Схему давайте.
- ukr-sasha
- Мастер
- Сообщения: 3401
- Зарегистрирован: 21 мар 2011, 07:47
- Репутация: 2181
- Настоящее имя: Украинец Александр Григорьевич
- Откуда: Киев, Украина
- Контактная информация:
Re: Ввод в эксплуатацию ЧПУ системы на основе контроллера Kf
Попробуйте пины обозначить, как вход:
и т.д.
Код: Выделить всё
SetBitDirection(7,0);- Serg
- Мастер
- Сообщения: 21923
- Зарегистрирован: 17 апр 2012, 14:58
- Репутация: 5183
- Заслуга: c781c134843e0c1a3de9
- Настоящее имя: Сергей
- Откуда: Москва
- Контактная информация:
Re: Ввод в эксплуатацию ЧПУ системы на основе контроллера Kf
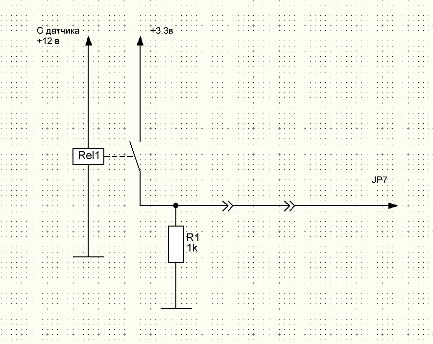
а почему-бы не так?fangelion писал(а):Вот так для одного датчика выглядит цепь
Я не Христос, рыбу не раздаю, но могу научить, как сделать удочку...
-
fangelion
- Новичок
- Сообщения: 8
- Зарегистрирован: 23 июл 2015, 08:18
- Репутация: 0
- Настоящее имя: Игорь
- Контактная информация:
Re: Ввод в эксплуатацию ЧПУ системы на основе контроллера Kf
Не помогает. Все равно от одного сигнала два IO срабатываютukr-sasha писал(а):Попробуйте пины обозначить, как вход:и т.д.Код: Выделить всё
SetBitDirection(7,0);
-
fangelion
- Новичок
- Сообщения: 8
- Зарегистрирован: 23 июл 2015, 08:18
- Репутация: 0
- Настоящее имя: Игорь
- Контактная информация:
Re: Ввод в эксплуатацию ЧПУ системы на основе контроллера Kf
Через реле получаем развязаный вход. Что бы не попало на датчик, все равно не попадет на контакты платы.UAVpilot писал(а):а почему-бы не так?fangelion писал(а):Вот так для одного датчика выглядит цепь
- Serg
- Мастер
- Сообщения: 21923
- Зарегистрирован: 17 апр 2012, 14:58
- Репутация: 5183
- Заслуга: c781c134843e0c1a3de9
- Настоящее имя: Сергей
- Откуда: Москва
- Контактная информация:
Re: Ввод в эксплуатацию ЧПУ системы на основе контроллера Kf
А если что-то попадёт на контакты реле или на питание Kflop?.. 
Я не Христос, рыбу не раздаю, но могу научить, как сделать удочку...
-
fangelion
- Новичок
- Сообщения: 8
- Зарегистрирован: 23 июл 2015, 08:18
- Репутация: 0
- Настоящее имя: Игорь
- Контактная информация:
Re: Ввод в эксплуатацию ЧПУ системы на основе контроллера Kf
а нефик это что-то пускать в шкаф. А вот датчики наруже, там всякое может бытьUAVpilot писал(а):А если что-то попадёт на контакты реле или на питание Kflop?..
- Serg
- Мастер
- Сообщения: 21923
- Зарегистрирован: 17 апр 2012, 14:58
- Репутация: 5183
- Заслуга: c781c134843e0c1a3de9
- Настоящее имя: Сергей
- Откуда: Москва
- Контактная информация:
Re: Ввод в эксплуатацию ЧПУ системы на основе контроллера Kf
А с питанием шкафа?.. А со шнурком к мыши?..

Я не Христос, рыбу не раздаю, но могу научить, как сделать удочку...
- ukr-sasha
- Мастер
- Сообщения: 3401
- Зарегистрирован: 21 мар 2011, 07:47
- Репутация: 2181
- Настоящее имя: Украинец Александр Григорьевич
- Откуда: Киев, Украина
- Контактная информация:
Re: Ввод в эксплуатацию ЧПУ системы на основе контроллера Kf
А если отсоединить кросс плату, и на входы подавать напрямую 3,3В? Чтобы плату исключить из подозреваемых.fangelion писал(а):Не помогает. Все равно от одного сигнала два IO срабатывают
-
fangelion
- Новичок
- Сообщения: 8
- Зарегистрирован: 23 июл 2015, 08:18
- Репутация: 0
- Настоящее имя: Игорь
- Контактная информация:
Re: Ввод в эксплуатацию ЧПУ системы на основе контроллера Kf
Исключали. не помогало.ukr-sasha писал(а):А если отсоединить кросс плату, и на входы подавать напрямую 3,3В? Чтобы плату исключить из подозреваемых.fangelion писал(а):Не помогает. Все равно от одного сигнала два IO срабатывают
- ukr-sasha
- Мастер
- Сообщения: 3401
- Зарегистрирован: 21 мар 2011, 07:47
- Репутация: 2181
- Настоящее имя: Украинец Александр Григорьевич
- Откуда: Киев, Украина
- Контактная информация:
Re: Ввод в эксплуатацию ЧПУ системы на основе контроллера Kf
Какие либо файлы настроек в кфлоп перед этим загружаются?
Попробуйте после включения контроллера эти пины активировать и смотреть в Digital I/O.
Попробуйте после включения контроллера эти пины активировать и смотреть в Digital I/O.
- AlexNikov
- Мастер
- Сообщения: 1212
- Зарегистрирован: 05 янв 2014, 20:09
- Репутация: 721
- Настоящее имя: Алексей
- Откуда: Томск
- Контактная информация:
Re: Ввод в эксплуатацию ЧПУ системы на основе контроллера Kf
Доброго дня. Возник вопрос. Подключаю к K-FLOP драйвера Leadshine AM882. При использовании файла "InitStepDir3Axis.с" оси не двигаются, в KMotionCNC циферки "бегут" при нажатии на стрелки. В Digital I/O галки после запуска стоят на битах 8-13 (на Output и State), при смене направления галки с 9,11,13 пропадают в поле State (это DIR и по идее это верно). На драйвере микрошаг 1/64, управление по заднему фронту (SW8 в положении OFF)
В файле управления K-STEP подсмотрел строчку "FPGA(STEP_PULSE_LENGTH_ADD) = 63 + 0x80;" - изменение полярности я так понимаю импульсов и их длительности. В хелпе нашел описание, но там несколько по другому выглядит код - "FPGA(STEP_PULSE_LENGTH_ADD)=32 + 0x80;" - что именно изменяет "63" и "32" мне не понятно...
Итог - при загрузки в контроллер файла инициализации со строчкой "FPGA(STEP_PULSE_LENGTH_ADD) = 63 + 0x80;" физически оси поехали. Но возникли две проблемы:
1. Стал непонятен алгоритм расчета параметра Vel (рассчитав кол-во импульсов/сек по рекомендации Саши - (1200 об/мин * 200 шаг/об * 64) / 60 = 256000, Vel=256000) оси на G0 едут очень медленно.
2. При включении питания одновременно на драйверах и на K-FLOP после загрузки контроллера ОСИ медленно начинают уезжать (как вариант решения сделал включение питания драйверов после загрузки контроллера - оси после включения больше не уезжают), хотелось бы понять природу явления или включение драйверов после загрузки контроллера это и есть верное решение?
Схема подключения на данный момент (12В питает реле для включения подачи питания драйверов): Файл инициализации:
Ощущение что делаю что-то не верно...ткните носом...
Шкаф управления малость переделал, выглядит так (при тестировании частотник выключен, работают БП драйверов и 2 БП К-ФЛОПА). Получилось конечно все в притирку и это расстраивает, но буду прикручивать дополнительное принудительное охлаждение:
В файле управления K-STEP подсмотрел строчку "FPGA(STEP_PULSE_LENGTH_ADD) = 63 + 0x80;" - изменение полярности я так понимаю импульсов и их длительности. В хелпе нашел описание, но там несколько по другому выглядит код - "FPGA(STEP_PULSE_LENGTH_ADD)=32 + 0x80;" - что именно изменяет "63" и "32" мне не понятно...
Итог - при загрузки в контроллер файла инициализации со строчкой "FPGA(STEP_PULSE_LENGTH_ADD) = 63 + 0x80;" физически оси поехали. Но возникли две проблемы:
1. Стал непонятен алгоритм расчета параметра Vel (рассчитав кол-во импульсов/сек по рекомендации Саши - (1200 об/мин * 200 шаг/об * 64) / 60 = 256000, Vel=256000) оси на G0 едут очень медленно.
2. При включении питания одновременно на драйверах и на K-FLOP после загрузки контроллера ОСИ медленно начинают уезжать (как вариант решения сделал включение питания драйверов после загрузки контроллера - оси после включения больше не уезжают), хотелось бы понять природу явления или включение драйверов после загрузки контроллера это и есть верное решение?
Схема подключения на данный момент (12В питает реле для включения подачи питания драйверов): Файл инициализации:
Код: Выделить всё
#include "KMotionDef.h"
// Defines axis 0, 1, 2 as simple step dir outputs
// enables them
// sets them as an xyz coordinate system for GCode
int main()
{
FPGA(STEP_PULSE_LENGTH_ADD) = 63 + 0x80;
ch0->InputMode=NO_INPUT_MODE;
ch0->OutputMode=STEP_DIR_MODE;
ch0->Vel=256000;
ch0->Accel=512000;
ch0->Jerk=4e+006;
ch0->P=0;
ch0->I=0.01;
ch0->D=0;
ch0->FFAccel=0;
ch0->FFVel=0;
ch0->MaxI=200;
ch0->MaxErr=1e+006;
ch0->MaxOutput=200;
ch0->DeadBandGain=1;
ch0->DeadBandRange=0;
ch0->InputChan0=0;
ch0->InputChan1=0;
ch0->OutputChan0=8;
ch0->OutputChan1=0;
ch0->MasterAxis=-1;
ch0->LimitSwitchOptions=0x100;
ch0->LimitSwitchNegBit=0;
ch0->LimitSwitchPosBit=0;
ch0->SoftLimitPos=1e+009;
ch0->SoftLimitNeg=-1e+009;
ch0->InputGain0=1;
ch0->InputGain1=1;
ch0->InputOffset0=0;
ch0->InputOffset1=0;
ch0->OutputGain=1;
ch0->OutputOffset=0;
ch0->SlaveGain=1;
ch0->BacklashMode=BACKLASH_OFF;
ch0->BacklashAmount=0;
ch0->BacklashRate=0;
ch0->invDistPerCycle=1;
ch0->Lead=0;
ch0->MaxFollowingError=1000000000;
ch0->StepperAmplitude=20;
ch0->iir[0].B0=1;
ch0->iir[0].B1=0;
ch0->iir[0].B2=0;
ch0->iir[0].A1=0;
ch0->iir[0].A2=0;
ch0->iir[1].B0=1;
ch0->iir[1].B1=0;
ch0->iir[1].B2=0;
ch0->iir[1].A1=0;
ch0->iir[1].A2=0;
ch0->iir[2].B0=0.000769;
ch0->iir[2].B1=0.001538;
ch0->iir[2].B2=0.000769;
ch0->iir[2].A1=1.92081;
ch0->iir[2].A2=-0.923885;
EnableAxisDest(0,ch0->Dest);
ch1->InputMode=NO_INPUT_MODE;
ch1->OutputMode=STEP_DIR_MODE;
ch1->Vel=256000;
ch1->Accel=512000;
ch1->Jerk=4e+006;
ch1->P=0;
ch1->I=0.01;
ch1->D=0;
ch1->FFAccel=0;
ch1->FFVel=0;
ch1->MaxI=200;
ch1->MaxErr=1e+006;
ch1->MaxOutput=200;
ch1->DeadBandGain=1;
ch1->DeadBandRange=0;
ch1->InputChan0=1;
ch1->InputChan1=0;
ch1->OutputChan0=9;
ch1->OutputChan1=0;
ch1->MasterAxis=-1;
ch1->LimitSwitchOptions=0x100;
ch1->LimitSwitchNegBit=0;
ch1->LimitSwitchPosBit=0;
ch1->SoftLimitPos=1e+009;
ch1->SoftLimitNeg=-1e+009;
ch1->InputGain0=1;
ch1->InputGain1=1;
ch1->InputOffset0=0;
ch1->InputOffset1=0;
ch1->OutputGain=1;
ch1->OutputOffset=0;
ch1->SlaveGain=1;
ch1->BacklashMode=BACKLASH_OFF;
ch1->BacklashAmount=0;
ch1->BacklashRate=0;
ch1->invDistPerCycle=1;
ch1->Lead=0;
ch1->MaxFollowingError=1000000000;
ch1->StepperAmplitude=20;
ch1->iir[0].B0=1;
ch1->iir[0].B1=0;
ch1->iir[0].B2=0;
ch1->iir[0].A1=0;
ch1->iir[0].A2=0;
ch1->iir[1].B0=1;
ch1->iir[1].B1=0;
ch1->iir[1].B2=0;
ch1->iir[1].A1=0;
ch1->iir[1].A2=0;
ch1->iir[2].B0=0.000769;
ch1->iir[2].B1=0.001538;
ch1->iir[2].B2=0.000769;
ch1->iir[2].A1=1.92081;
ch1->iir[2].A2=-0.923885;
EnableAxisDest(1,ch1->Dest);
ch2->InputMode=NO_INPUT_MODE;
ch2->OutputMode=STEP_DIR_MODE;
ch2->Vel=25600;
ch2->Accel=512000;
ch2->Jerk=4e+006;
ch2->P=0;
ch2->I=0.01;
ch2->D=0;
ch2->FFAccel=0;
ch2->FFVel=0;
ch2->MaxI=200;
ch2->MaxErr=1e+006;
ch2->MaxOutput=200;
ch2->DeadBandGain=1;
ch2->DeadBandRange=0;
ch2->InputChan0=2;
ch2->InputChan1=0;
ch2->OutputChan0=10;
ch2->OutputChan1=0;
ch2->MasterAxis=-1;
ch2->LimitSwitchOptions=0x100;
ch2->LimitSwitchNegBit=0;
ch2->LimitSwitchPosBit=0;
ch2->SoftLimitPos=1e+009;
ch2->SoftLimitNeg=-1e+009;
ch2->InputGain0=1;
ch2->InputGain1=1;
ch2->InputOffset0=0;
ch2->InputOffset1=0;
ch2->OutputGain=-1;
ch2->OutputOffset=0;
ch2->SlaveGain=1;
ch2->BacklashMode=BACKLASH_OFF;
ch2->BacklashAmount=0;
ch2->BacklashRate=0;
ch2->invDistPerCycle=1;
ch2->Lead=0;
ch2->MaxFollowingError=1000000000;
ch2->StepperAmplitude=20;
ch2->iir[0].B0=1;
ch2->iir[0].B1=0;
ch2->iir[0].B2=0;
ch2->iir[0].A1=0;
ch2->iir[0].A2=0;
ch2->iir[1].B0=1;
ch2->iir[1].B1=0;
ch2->iir[1].B2=0;
ch2->iir[1].A1=0;
ch2->iir[1].A2=0;
ch2->iir[2].B0=0.000769;
ch2->iir[2].B1=0.001538;
ch2->iir[2].B2=0.000769;
ch2->iir[2].A1=1.92081;
ch2->iir[2].A2=-0.923885;
EnableAxisDest(2,ch2->Dest);
DefineCoordSystem(0,1,2,-1);
SetBitDirection(1,1);
SetBit(1);
return 0;
}
Шкаф управления малость переделал, выглядит так (при тестировании частотник выключен, работают БП драйверов и 2 БП К-ФЛОПА). Получилось конечно все в притирку и это расстраивает, но буду прикручивать дополнительное принудительное охлаждение:
- alexg-nn
- Мастер
- Сообщения: 793
- Зарегистрирован: 08 фев 2015, 12:45
- Репутация: 127
- Настоящее имя: Алексей
- Откуда: Нижний Новгород
- Контактная информация:
Re: Ввод в эксплуатацию ЧПУ системы на основе контроллера Kf
А вода в шкафу управления - это вообще не опасно?
- AlexNikov
- Мастер
- Сообщения: 1212
- Зарегистрирован: 05 янв 2014, 20:09
- Репутация: 721
- Настоящее имя: Алексей
- Откуда: Томск
- Контактная информация:
Re: Ввод в эксплуатацию ЧПУ системы на основе контроллера Kf
В системе дистиллированная вода, меняю раз в пару месяцев. Но да это не лучший вариант. Постарался оградить электронику, но все равно это не безопасно. Продумываю как полностью изолировать отдел с водой от электроники в габаритах шкафа.alexg-nn писал(а):А вода в шкафу управления - это вообще не опасно?
- ukr-sasha
- Мастер
- Сообщения: 3401
- Зарегистрирован: 21 мар 2011, 07:47
- Репутация: 2181
- Настоящее имя: Украинец Александр Григорьевич
- Откуда: Киев, Украина
- Контактная информация:
Re: Ввод в эксплуатацию ЧПУ системы на основе контроллера Kf
Как работало до этого?AlexNikov писал(а):Доброго дня. Возник вопрос.
- AlexNikov
- Мастер
- Сообщения: 1212
- Зарегистрирован: 05 янв 2014, 20:09
- Репутация: 721
- Настоящее имя: Алексей
- Откуда: Томск
- Контактная информация:
Re: Ввод в эксплуатацию ЧПУ системы на основе контроллера Kf
До этого работал K-FLOP + K-STEP. Делал тестовый запуск K-FLOP с Ледшайнами, но файл инициализации был от K-STEPа (на тот момент проверил только то, что ШД вращаются)ukr-sasha писал(а):Как работало до этого?AlexNikov писал(а):Доброго дня. Возник вопрос.