МС 12-250, 4-х осевой с автосменой.Реконструкция
-
kravc
- Кандидат
- Сообщения: 98
- Зарегистрирован: 17 май 2016, 09:41
- Репутация: 29
- Откуда: Ростов-на-Дону
- Контактная информация:
Re: МС 12-250, 4-х осевой с автосменой.Реконструкция
По воздуху у меня все штатно, кроме замены лопнувшего маслосепаратора и установки нового лубрикатора.
Я сейчас восстанавливаю узел смены инструмента, все разбираю сперва крупноузлово, а потом каждый узел до винтика. В редукторах советское кристаллизованное гуано, названное смазкой по какому-то недоразумению, все под замену. Обратите на это внимание, с такой смазкой червяки (там стоят шикарные червячные колеса!!!) будут закусывать всегда. А ещё разобрал вал руки (это нечто, он идёт без разрывов через весь корпус узла манипулятора) там будут муфточки, которые соединяют вал с системой поворота. Они снимаются маслом. Только маслом, никаких съёмников там быть не может, придется найти насос и изготовить штуцер, чтоб загнать туда давление. Я знатно тогда с ним корячился. Затею с индуктосинами пока отложил, когда-нибудь я с ними разберусь, надо немножко ускорить процесс
- elephant007
- Мастер
- Сообщения: 857
- Зарегистрирован: 18 ноя 2012, 13:12
- Репутация: 332
- Откуда: Сибирь, Томск
- Контактная информация:
Re: МС 12-250, 4-х осевой с автосменой.Реконструкция
Завели маслостанцию. Приятно удивлен, что все работает. Методом тыка в электроклапана разжали-зажали инструмент, зажали шпиндель от проворота, подергали коробку (коробка прикольно управляется!). На 30 атмосферах в магистрали начинает работать гидроподпор стола. Нужно делать какой-то стендик, чтобы не отверткой в клапана тыкать, а кнопочками... и тренироваться дальше.
- elephant007
- Мастер
- Сообщения: 857
- Зарегистрирован: 18 ноя 2012, 13:12
- Репутация: 332
- Откуда: Сибирь, Томск
- Контактная информация:
Re: МС 12-250, 4-х осевой с автосменой.Реконструкция
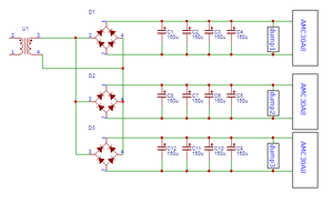
Собрал как-бы выпрямитель для питания АМС30А8. Почти начал подключать моторы, но решил прочитать тему на ЧипМейкере про модификацию этих самых АМС-ов. Дести писал про необходимость установки дамперов параллельно с питанием приводов. У него фигурируют напряжения АС 180 В, у меня 85 В. Они вообще нужны при таком раскладе?
Нарисовал в ИзиЕДА платку, подобрал рассыпуху, получается около 10 тыщ на три дампера, плюс в остатке 12 плат. Палец тянется оплатить...
Нарисовал в ИзиЕДА платку, подобрал рассыпуху, получается около 10 тыщ на три дампера, плюс в остатке 12 плат. Палец тянется оплатить...
-
Duhas
- Мастер
- Сообщения: 1961
- Зарегистрирован: 10 окт 2015, 23:25
- Репутация: 285
- Настоящее имя: Андрей
- Откуда: Красноярск
- Контактная информация:
Re: МС 12-250, 4-х осевой с автосменой.Реконструкция
ну в целом необходимость в "дамперах" исходит из напряжения ваших конденсаторов в звене постоянного тока и планируемой динамике. в целом лишним не будет.
однако зачем вам их 3? звено постоянного тока ж общее?
однако зачем вам их 3? звено постоянного тока ж общее?
- elephant007
- Мастер
- Сообщения: 857
- Зарегистрирован: 18 ноя 2012, 13:12
- Репутация: 332
- Откуда: Сибирь, Томск
- Контактная информация:
Re: МС 12-250, 4-х осевой с автосменой.Реконструкция
в выпрямителях стоят по три конденсатора в параллель 150мкФ 250В. Три - потому что драйвера же три. По рекомендуемой АМС-ом схеме включения... Ну и китайцы по одной не делают, минимум 5...
-
anton_cnc_
- Новичок
- Сообщения: 27
- Зарегистрирован: 17 июн 2017, 15:41
- Репутация: 0
- Настоящее имя: anton
- Контактная информация:
Re: МС 12-250, 4-х осевой с автосменой.Реконструкция
Добрый день вопрос тот же по тому же станку а нужны дамперы там вообще....
-
anton_cnc_
- Новичок
- Сообщения: 27
- Зарегистрирован: 17 июн 2017, 15:41
- Репутация: 0
- Настоящее имя: anton
- Контактная информация:
Re: МС 12-250, 4-х осевой с автосменой.Реконструкция
У меня блок питания родной от станка но он по по паспорту выдает 110в на упс6
-
Duhas
- Мастер
- Сообщения: 1961
- Зарегистрирован: 10 окт 2015, 23:25
- Репутация: 285
- Настоящее имя: Андрей
- Откуда: Красноярск
- Контактная информация:
Re: МС 12-250, 4-х осевой с автосменой.Реконструкция
три потому что три - попахивает шаманством ))) ну или если вы из ставите прямо на клеммник драйвера. на счет платы - я бы делал на макетке, там мелкого монтажа минимум, а силовуху в любом случае пропаять получше не помешает.elephant007 писал(а): ↑05 апр 2021, 14:19 в выпрямителях стоят по три конденсатора в параллель 150мкФ 250В. Три - потому что драйвера же три. По рекомендуемой АМС-ом схеме включения... Ну и китайцы по одной не делают, минимум 5...
- Serg
- Мастер
- Сообщения: 21923
- Зарегистрирован: 17 апр 2012, 14:58
- Репутация: 5183
- Заслуга: c781c134843e0c1a3de9
- Настоящее имя: Сергей
- Откуда: Москва
- Контактная информация:
Re: МС 12-250, 4-х осевой с автосменой.Реконструкция
Это чтоб в три раза больше была вероятность выхода конденсатора из строя, да ещё и с КЗ при этом.
Я не Христос, рыбу не раздаю, но могу научить, как сделать удочку...
- elephant007
- Мастер
- Сообщения: 857
- Зарегистрирован: 18 ноя 2012, 13:12
- Репутация: 332
- Откуда: Сибирь, Томск
- Контактная информация:
Re: МС 12-250, 4-х осевой с автосменой.Реконструкция
Вообще-то в схеме есть предохранитель аж на 3 А. Конденсаторы на 200 В, рабочее напряжение 85. Чего им взрываться-то?
- Serg
- Мастер
- Сообщения: 21923
- Зарегистрирован: 17 апр 2012, 14:58
- Репутация: 5183
- Заслуга: c781c134843e0c1a3de9
- Настоящее имя: Сергей
- Откуда: Москва
- Контактная информация:
Re: МС 12-250, 4-х осевой с автосменой.Реконструкция
Что-то не видно в схеме предохранителя... 
И даже в такой схеме если замкнёт любой конденсатор, то велика вероятность, что будут обесточены всё три драйвера. Т.е. нет смысла в трёх отдельных выпрямителях и трёх дамперах...
А конденсаторы взрываются не только от повышенного напряжения, но и от собственных дефектов. Вот только позавчера менял сдохший 2200x16v (Matsushita), работавший в цепи 5В всего года 3...
И даже в такой схеме если замкнёт любой конденсатор, то велика вероятность, что будут обесточены всё три драйвера. Т.е. нет смысла в трёх отдельных выпрямителях и трёх дамперах...
А конденсаторы взрываются не только от повышенного напряжения, но и от собственных дефектов. Вот только позавчера менял сдохший 2200x16v (Matsushita), работавший в цепи 5В всего года 3...
Я не Христос, рыбу не раздаю, но могу научить, как сделать удочку...
- elephant007
- Мастер
- Сообщения: 857
- Зарегистрирован: 18 ноя 2012, 13:12
- Репутация: 332
- Откуда: Сибирь, Томск
- Контактная информация:
Re: МС 12-250, 4-х осевой с автосменой.Реконструкция
предохранитель сокрыт в дампере. последовательно с нагрузочным резистором.
Электролиты тут вообще кругом. В АМСе, в блоках питания, в дамперах. Получается - неизбежное зло?
Сейчас на станке прикручен диодный мост на ток 50А вообще без электролитов, пробовать использовать его вместе с единственным дампером?
- Sakhalin_Cat
- Мастер
- Сообщения: 631
- Зарегистрирован: 20 авг 2012, 12:49
- Репутация: 340
- Настоящее имя: Рогозин Константин Владимирович
- Откуда: Южно-Сахалинск
- Контактная информация:
Re: МС 12-250, 4-х осевой с автосменой.Реконструкция
Конденсатор после моста поставьте тысяч на 5-10мкф, он кроме фильтрующей функции выполняет функцию "батарейки" при резких нагрузках. То-есть когда вы резко и с большим ускорением начинаете двигать ось, драйвер начинает резко потреблять энергию вот чтобы не-было резкой просадки напряжения и ставится конденсатор. Конденсатор является этаким запасником энергии для резкого увеличения нагрузки. По хорошему емкость конденсатора можно посчитать зная суммарный максимальный потребляемый ток всеми драйверами в режиме страгивания или подобрать опытным путем при помощи осциллографа по просадке напряжения при резком старте. Но по сути, чем больше емкость тем лучше.elephant007 писал(а): ↑ Сейчас на станке прикручен диодный мост на ток 50А вообще без электролитов, пробовать использовать его вместе с единственным дампером?
- Serg
- Мастер
- Сообщения: 21923
- Зарегистрирован: 17 апр 2012, 14:58
- Репутация: 5183
- Заслуга: c781c134843e0c1a3de9
- Настоящее имя: Сергей
- Откуда: Москва
- Контактная информация:
Re: МС 12-250, 4-х осевой с автосменой.Реконструкция
Конденсаторы одного типа нет смысла подключть кучкой параллельно. Конденсаторов много, но они каждый в своей цепи или каждый со своими свойствами.elephant007 писал(а): ↑ Электролиты тут вообще кругом. В АМСе, в блоках питания, в дамперах. Получается - неизбежное зло?
Да. Одно питание на всех лучше хотя-бы тем, что "лишняя" энергия может не только переводится в тепло дампером, но и помогать другим драйверам.elephant007 писал(а): ↑ Сейчас на станке прикручен диодный мост на ток 50А вообще без электролитов, пробовать использовать его вместе с единственным дампером?
Я не Христос, рыбу не раздаю, но могу научить, как сделать удочку...
-
Duhas
- Мастер
- Сообщения: 1961
- Зарегистрирован: 10 окт 2015, 23:25
- Репутация: 285
- Настоящее имя: Андрей
- Откуда: Красноярск
- Контактная информация:
Re: МС 12-250, 4-х осевой с автосменой.Реконструкция
а сколько внутрях АМСа емкости? если будет 3 дампера со своими емкостями у каждого усилителя - будет хорошо..elephant007 писал(а): ↑07 апр 2021, 16:12предохранитель сокрыт в дампере. последовательно с нагрузочным резистором.
Электролиты тут вообще кругом. В АМСе, в блоках питания, в дамперах. Получается - неизбежное зло?
Сейчас на станке прикручен диодный мост на ток 50А вообще без электролитов, пробовать использовать его вместе с единственным дампером?
предохранитель в дампере интересная штука ) сгорает он, дампер перестает работать и сгорает все остальное ? ) если его там оставлять я бы его мониторил и рвал естоп при перегорании
- Serg
- Мастер
- Сообщения: 21923
- Зарегистрирован: 17 апр 2012, 14:58
- Репутация: 5183
- Заслуга: c781c134843e0c1a3de9
- Настоящее имя: Сергей
- Откуда: Москва
- Контактная информация:
Re: МС 12-250, 4-х осевой с автосменой.Реконструкция
3 дампера-то зачем?..
Я не Христос, рыбу не раздаю, но могу научить, как сделать удочку...
-
Duhas
- Мастер
- Сообщения: 1961
- Зарегистрирован: 10 окт 2015, 23:25
- Репутация: 285
- Настоящее имя: Андрей
- Откуда: Красноярск
- Контактная информация:
Re: МС 12-250, 4-х осевой с автосменой.Реконструкция
ну было такое желание у человека.. а так емкостя будут "лишние"
- elephant007
- Мастер
- Сообщения: 857
- Зарегистрирован: 18 ноя 2012, 13:12
- Репутация: 332
- Откуда: Сибирь, Томск
- Контактная информация:
Re: МС 12-250, 4-х осевой с автосменой.Реконструкция
он стоит последовательно с нагрузочным резистором. если сгорит - полевики дампера просто не будут подключать нагрузку в момент овервольтажа.
у АМСа есть ноги, на которых появляется сигнал, что привод в ошибке. их буду мониторить.
также есть ноги, на которые можно подать сигнал Enable.(по умолчанию Enable)
Последний раз редактировалось elephant007 07 апр 2021, 18:16, всего редактировалось 1 раз.
-
Duhas
- Мастер
- Сообщения: 1961
- Зарегистрирован: 10 окт 2015, 23:25
- Репутация: 285
- Настоящее имя: Андрей
- Откуда: Красноярск
- Контактная информация:
Re: МС 12-250, 4-х осевой с автосменой.Реконструкция
и я о том же, а перенапряжение убивает или емкости, или ключи, или все сразу. а если не убивает то зачем дампер ? )elephant007 писал(а): ↑07 апр 2021, 18:13он стоит последовательно с нагрузочным резистором. если сгорит - полевики дампера просто не будут подключать нагрузку в момент овервольтажа.
- elephant007
- Мастер
- Сообщения: 857
- Зарегистрирован: 18 ноя 2012, 13:12
- Репутация: 332
- Откуда: Сибирь, Томск
- Контактная информация:
Re: МС 12-250, 4-х осевой с автосменой.Реконструкция
Это факап. Вундерваффе против этого я придумать не могу. Пытаюсь изобразить по методичке АМС...
От массового вымирания спасет только заведомо выбранное напряжение на конденсаторах. Полевикам пофиг, они далеко стоят внутри схемы.
к Примеру питание в моем случае 85 В, конденсаторы на 200. Неужели движки накрутят столько?