Восстановление токарного 16К20Т1 ЧПУ
-
nkp
- Мастер
- Сообщения: 8340
- Зарегистрирован: 28 ноя 2011, 00:25
- Репутация: 1589
- Контактная информация:
Re: Восстановление токарного 16К20Т1 ЧПУ
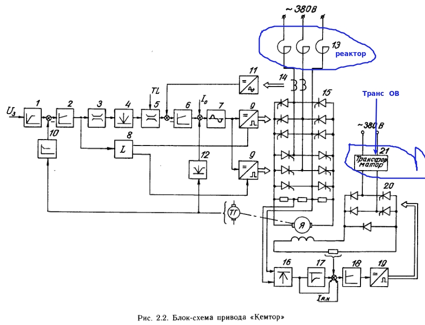
на входе силы стоит реактор ...
дросселя в классическом понимании(в цепи якоря) нет...
дросселя в классическом понимании(в цепи якоря) нет...
-
nkp
- Мастер
- Сообщения: 8340
- Зарегистрирован: 28 ноя 2011, 00:25
- Репутация: 1589
- Контактная информация:
Re: Восстановление токарного 16К20Т1 ЧПУ
если это мне - то выше и положил...)))Lexxa писал(а):положил бы мануал сюда
Последний раз редактировалось nkp 17 авг 2013, 23:11, всего редактировалось 1 раз.
- Lexxa
- Мастер
- Сообщения: 2703
- Зарегистрирован: 16 дек 2011, 16:48
- Репутация: 319
- Настоящее имя: Алексей
- Откуда: ryazan
- Контактная информация:
Re: Восстановление токарного 16К20Т1 ЧПУ
nkp, ты кусок мануала положил. огрызок буквально))nkp писал(а):если это мне - то выше и положил...)))Lexxa писал(а):положил бы мануал сюда
-
aftaev
- Зачётный участник

- Сообщения: 34042
- Зарегистрирован: 04 апр 2010, 19:22
- Репутация: 6194
- Откуда: Казахстан.
- Контактная информация:
Re: Восстановление токарного 16К20Т1 ЧПУ
пАчему?K@RLSON писал(а):ИМХО дросселя нужны тиристорным как правило. Из-за частоты в 50Гц.
Дилетанту сложные вещи кажутся очень простыми, и только профессионал понимает насколько сложна самая простая вещь
Кто хочет - ищет возможности, кто не хочет - ищет оправдание.
Найди работу по душе и тебе не придется работать.
Кто хочет - ищет возможности, кто не хочет - ищет оправдание.
Найди работу по душе и тебе не придется работать.
-
aftaev
- Зачётный участник

- Сообщения: 34042
- Зарегистрирован: 04 апр 2010, 19:22
- Репутация: 6194
- Откуда: Казахстан.
- Контактная информация:
Re: Восстановление токарного 16К20Т1 ЧПУ
сегодня только наткнулся на эти мануалы. Контроллеры ArtTech 660евриков стоитLexxa писал(а):обновил пост выше - добавил мануалы
Дилетанту сложные вещи кажутся очень простыми, и только профессионал понимает насколько сложна самая простая вещь
Кто хочет - ищет возможности, кто не хочет - ищет оправдание.
Найди работу по душе и тебе не придется работать.
Кто хочет - ищет возможности, кто не хочет - ищет оправдание.
Найди работу по душе и тебе не придется работать.
-
aftaev
- Зачётный участник

- Сообщения: 34042
- Зарегистрирован: 04 апр 2010, 19:22
- Репутация: 6194
- Откуда: Казахстан.
- Контактная информация:
Re: Восстановление токарного 16К20Т1 ЧПУ
Вот така хреновина продается http://www.ebay.com/itm/ALLEN-BRADLEY-1 ... 51b09a2d8a
на привод шпинделя не пойдет, а на оси непонятно
на привод шпинделя не пойдет, а на оси непонятно
Дилетанту сложные вещи кажутся очень простыми, и только профессионал понимает насколько сложна самая простая вещь
Кто хочет - ищет возможности, кто не хочет - ищет оправдание.
Найди работу по душе и тебе не придется работать.
Кто хочет - ищет возможности, кто не хочет - ищет оправдание.
Найди работу по душе и тебе не придется работать.
- Lexxa
- Мастер
- Сообщения: 2703
- Зарегистрирован: 16 дек 2011, 16:48
- Репутация: 319
- Настоящее имя: Алексей
- Откуда: ryazan
- Контактная информация:
Re: Восстановление токарного 16К20Т1 ЧПУ
да, контроллеры дорогие, поэтому и говорю оставлять КЕМх,
nkp, в том мануале на 11 странице дроссель.
nkp, в том мануале на 11 странице дроссель.
- Lexxa
- Мастер
- Сообщения: 2703
- Зарегистрирован: 16 дек 2011, 16:48
- Репутация: 319
- Настоящее имя: Алексей
- Откуда: ryazan
- Контактная информация:
Re: Восстановление токарного 16К20Т1 ЧПУ
aftaev, вообще говоря у тебя салянка получается какая-то
станки разные и привода на них разные, никак нельзя одинаковые ставить, хотябы одной фирмы?
станки разные и привода на них разные, никак нельзя одинаковые ставить, хотябы одной фирмы?
-
nkp
- Мастер
- Сообщения: 8340
- Зарегистрирован: 28 ноя 2011, 00:25
- Репутация: 1589
- Контактная информация:
Re: Восстановление токарного 16К20Т1 ЧПУ
Lexxa писал(а):nkp, в том мануале на 11 странице дроссель.
- Lexxa
- Мастер
- Сообщения: 2703
- Зарегистрирован: 16 дек 2011, 16:48
- Репутация: 319
- Настоящее имя: Алексей
- Откуда: ryazan
- Контактная информация:
Re: Восстановление токарного 16К20Т1 ЧПУ
upd: 31 страница по нумерации в книге (плохо пропечатоно)
- Вложения
-
- Кемтор. Электропривод. Техническое описание и инструкция по эксплуатации.pdf
- (1.82 МБ) 2466 скачиваний
-
aftaev
- Зачётный участник

- Сообщения: 34042
- Зарегистрирован: 04 апр 2010, 19:22
- Репутация: 6194
- Откуда: Казахстан.
- Контактная информация:
Re: Восстановление токарного 16К20Т1 ЧПУ
На станке нет: трансформатора, дросселя и одного мотора оси(продольной). На форумах вычитал что контроллер управлния осями сдвоенный, и без вторго мотора он не будет работать.Lexxa писал(а):никак нельзя одинаковые ставить, хотябы одной фирмы?
Было бы замечательно найти транс, дроссель запустить на родных моторах. На не достающую ось купить какую нибудь современную серву.
Дилетанту сложные вещи кажутся очень простыми, и только профессионал понимает насколько сложна самая простая вещь
Кто хочет - ищет возможности, кто не хочет - ищет оправдание.
Найди работу по душе и тебе не придется работать.
Кто хочет - ищет возможности, кто не хочет - ищет оправдание.
Найди работу по душе и тебе не придется работать.
-
nkp
- Мастер
- Сообщения: 8340
- Зарегистрирован: 28 ноя 2011, 00:25
- Репутация: 1589
- Контактная информация:
Re: Восстановление токарного 16К20Т1 ЧПУ
все равно не нашел кроме входного реактора ничего ...
ткни - где про него точно написано...
ткни - где про него точно написано...
-
aftaev
- Зачётный участник

- Сообщения: 34042
- Зарегистрирован: 04 апр 2010, 19:22
- Репутация: 6194
- Откуда: Казахстан.
- Контактная информация:
Re: Восстановление токарного 16К20Т1 ЧПУ
фото бы живого реактораnkp писал(а):все равно не нашел кроме входного реактора ничего ...
Дилетанту сложные вещи кажутся очень простыми, и только профессионал понимает насколько сложна самая простая вещь
Кто хочет - ищет возможности, кто не хочет - ищет оправдание.
Найди работу по душе и тебе не придется работать.
Кто хочет - ищет возможности, кто не хочет - ищет оправдание.
Найди работу по душе и тебе не придется работать.
- Lexxa
- Мастер
- Сообщения: 2703
- Зарегистрирован: 16 дек 2011, 16:48
- Репутация: 319
- Настоящее имя: Алексей
- Откуда: ryazan
- Контактная информация:
Re: Восстановление токарного 16К20Т1 ЧПУ
Да - привод подач на 2 оси, работать без второго двигла не будет.aftaev писал(а):На станке нет: трансформатора, дросселя и одного мотора оси(продольной). На форумах вычитал что контроллер управлния осями сдвоенный, и без вторго мотора он не будет работать.Lexxa писал(а):никак нельзя одинаковые ставить, хотябы одной фирмы?
Было бы замечательно найти транс, дроссель запустить на родных моторах. На не достающую ось купить какую нибудь современную серву.
по поводу дросселя http://www.ngpedia.ru/id205980p1.html
-
nkp
- Мастер
- Сообщения: 8340
- Зарегистрирован: 28 ноя 2011, 00:25
- Репутация: 1589
- Контактная информация:
Re: Восстановление токарного 16К20Т1 ЧПУ
а что мешает второй привод отключить ?Lexxa писал(а):Да - привод подач на 2 оси, работать без второго двигла не будет.
по схеме помнится -это два совершенно отдельных привода в одном корпусе
общие у них только силовой транс и двойной дроссель...
мне кажеться это возможно ...
- Lexxa
- Мастер
- Сообщения: 2703
- Зарегистрирован: 16 дек 2011, 16:48
- Репутация: 319
- Настоящее имя: Алексей
- Откуда: ryazan
- Контактная информация:
Re: Восстановление токарного 16К20Т1 ЧПУ
nkp, конечно можно) на плате "логика" защиту только надо отключать
-
nkp
- Мастер
- Сообщения: 8340
- Зарегистрирован: 28 ноя 2011, 00:25
- Репутация: 1589
- Контактная информация:
Re: Восстановление токарного 16К20Т1 ЧПУ
что конкретно за защита ?Lexxa писал(а):защиту только надо отключать
вот aftaev точно уж отключать надо...
- Lexxa
- Мастер
- Сообщения: 2703
- Зарегистрирован: 16 дек 2011, 16:48
- Репутация: 319
- Настоящее имя: Алексей
- Откуда: ryazan
- Контактная информация:
Re: Восстановление токарного 16К20Т1 ЧПУ
в болгарских приводах есть 4 основных платы
1 - регуляторы
2 - логика
3 - фазовое управление
4 - питание
На конкретно этом приводе регуляторы и логика объеденены на одной плате. плата с трансами не в счет,
На приводе подач (кемток) есть плата логики так вот на ней есть куча защит,
aftaev, как называется станция привода? шильдик на ящике всем должен быть, семм 13/21-15?
1 - регуляторы
2 - логика
3 - фазовое управление
4 - питание
На конкретно этом приводе регуляторы и логика объеденены на одной плате. плата с трансами не в счет,
На приводе подач (кемток) есть плата логики так вот на ней есть куча защит,
aftaev, как называется станция привода? шильдик на ящике всем должен быть, семм 13/21-15?
- Lexxa
- Мастер
- Сообщения: 2703
- Зарегистрирован: 16 дек 2011, 16:48
- Репутация: 319
- Настоящее имя: Алексей
- Откуда: ryazan
- Контактная информация:
Re: Восстановление токарного 16К20Т1 ЧПУ
По дросселям и трансам
транс возбуждения 4kVA 380-240-18 - 14 кг - 1шт
транс силовой 9,3 kVA 3х380-3х320-3х32 - 40 кг - 1шт
дроссель коммутирующий РК-05410 - 8,5 кг - 1 шт
дроссель уравнивающий 30255ТМ РУ-30225ТМ - 5 кг - 1 шт
транс возбуждения 4kVA 380-240-18 - 14 кг - 1шт
транс силовой 9,3 kVA 3х380-3х320-3х32 - 40 кг - 1шт
дроссель коммутирующий РК-05410 - 8,5 кг - 1 шт
дроссель уравнивающий 30255ТМ РУ-30225ТМ - 5 кг - 1 шт