ЧПУ пульты

Контроллеры, драйверы, датчики, управляющие устройства.
Impartial
Мастер
Сообщения: 953
Зарегистрирован: 23 фев 2011, 01:50
Репутация: 36
Контактная информация:

Re: ЧПУ пульты

Сообщение Impartial »

А какая разница что там? Ну убери оттуда эту ось.
aftaev
Зачётный участник
Зачётный участник
Сообщения: 34042
Зарегистрирован: 04 апр 2010, 19:22
Репутация: 6194
Откуда: Казахстан.
Контактная информация:

Re: ЧПУ пульты

Сообщение aftaev »

пример под uCos будет работать?
Дилетанту сложные вещи кажутся очень простыми, и только профессионал понимает насколько сложна самая простая вещь
Кто хочет - ищет возможности, кто не хочет - ищет оправдание.
Найди работу по душе и тебе не придется работать.
Impartial
Мастер
Сообщения: 953
Зарегистрирован: 23 фев 2011, 01:50
Репутация: 36
Контактная информация:

Re: ЧПУ пульты

Сообщение Impartial »

Да, будет. Надо только учесть, что система зависнет на дергании пинами. Работу можно увидеть только осцилографом. Вот тут и проявятся все прелести ОС.
Этот девайс идеально подходит для создания пульта. Выкладывай где нибудь его схему и исходники uCos. Подумаем как с минимальными затратами его реализовать.
aftaev
Зачётный участник
Зачётный участник
Сообщения: 34042
Зарегистрирован: 04 апр 2010, 19:22
Репутация: 6194
Откуда: Казахстан.
Контактная информация:

Re: ЧПУ пульты

Сообщение aftaev »

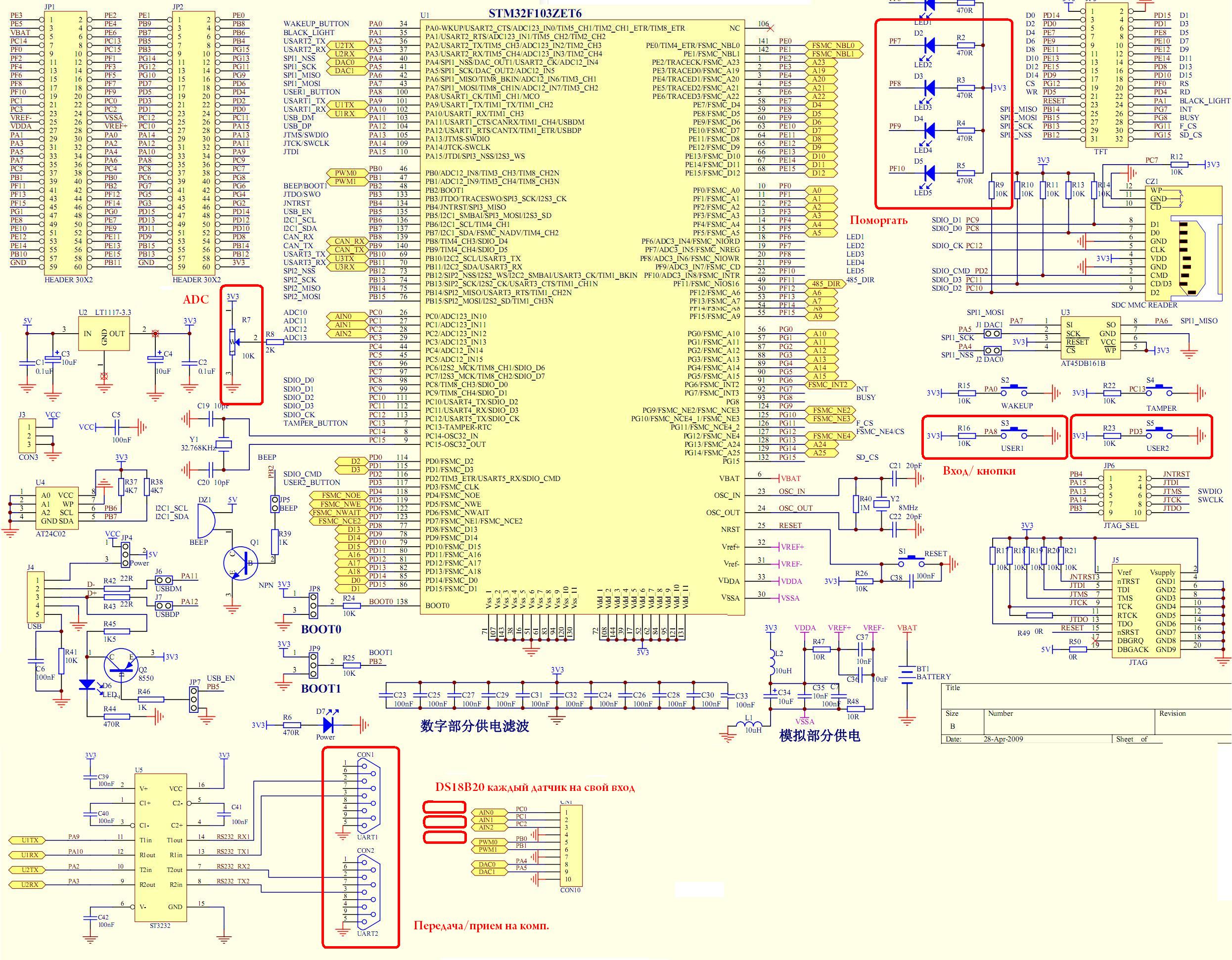
Что на CD есть:
СД.JPG (2817 просмотров) <a class='original' href='./download/file.php?id=3858&mode=view' target=_blank>Загрузить оригинал (141.01 КБ)</a>
Схема. Есть на плате еще память. В схеме не показана. Если надо добавлю.
Схема.JPG (2817 просмотров) <a class='original' href='./download/file.php?id=3860&mode=view' target=_blank>Загрузить оригинал (853.48 КБ)</a>
Дилетанту сложные вещи кажутся очень простыми, и только профессионал понимает насколько сложна самая простая вещь
Кто хочет - ищет возможности, кто не хочет - ищет оправдание.
Найди работу по душе и тебе не придется работать.
aftaev
Зачётный участник
Зачётный участник
Сообщения: 34042
Зарегистрирован: 04 апр 2010, 19:22
Репутация: 6194
Откуда: Казахстан.
Контактная информация:

Re: ЧПУ пульты

Сообщение aftaev »

Impartial писал(а):Да, будет. Надо только учесть, что система зависнет на дергании пинами.
У меня в демки светодиоды с частотой 1гц переключаются, и не вешается :)
Дилетанту сложные вещи кажутся очень простыми, и только профессионал понимает насколько сложна самая простая вещь
Кто хочет - ищет возможности, кто не хочет - ищет оправдание.
Найди работу по душе и тебе не придется работать.
Impartial
Мастер
Сообщения: 953
Зарегистрирован: 23 фев 2011, 01:50
Репутация: 36
Контактная информация:

Re: ЧПУ пульты

Сообщение Impartial »

Я написал в примере так, что будет вешаться.
На этой плате можно и ЕМС запустить.
Сейчас посмотрю куда можно энкодер подцепить.
С ЕМС можно общаться по RS232. Кнопки на экране через тачскрин.
Можно использовать энкодер от мышки с колесиком, механический.
Impartial
Мастер
Сообщения: 953
Зарегистрирован: 23 фев 2011, 01:50
Репутация: 36
Контактная информация:

Re: ЧПУ пульты

Сообщение Impartial »

Энкодер на пины 34,35. Там аппаратно на таймере 2 получится. Интересно как они все развели. Пинов много а использовать почти нечего.
aftaev
Зачётный участник
Зачётный участник
Сообщения: 34042
Зарегистрирован: 04 апр 2010, 19:22
Репутация: 6194
Откуда: Казахстан.
Контактная информация:

Re: ЧПУ пульты

Сообщение aftaev »

Зачем таймер. Посадить на PC0-PC2 или PB0-PB1 или PA4-PA5 они на клемы выведны и паять не нужно :)
Дилетанту сложные вещи кажутся очень простыми, и только профессионал понимает насколько сложна самая простая вещь
Кто хочет - ищет возможности, кто не хочет - ищет оправдание.
Найди работу по душе и тебе не придется работать.
Impartial
Мастер
Сообщения: 953
Зарегистрирован: 23 фев 2011, 01:50
Репутация: 36
Контактная информация:

Re: ЧПУ пульты

Сообщение Impartial »

А РС6,7 96,97 пин куда разведены? На них тоже можно. Без таймера обрабатывать квадратурный энкодер - лишние проблемы. В таймерах там уже все предусмотрено, включая защиты от дребезга. Работать с портами напрямую не очень хорошая идея. Это не AVR. Обращение к портам подвешивает процессор на время обращения. Процессор то работает на 72мгц а порты с такой частотой работать не могут, да и с длинными проводами - нехорошо.
А ты предлагаешь в цикле или по прерываниям следить за энкодером. На мой взгляд этого нельзя делать.
aftaev
Зачётный участник
Зачётный участник
Сообщения: 34042
Зарегистрирован: 04 апр 2010, 19:22
Репутация: 6194
Откуда: Казахстан.
Контактная информация:

Re: ЧПУ пульты

Сообщение aftaev »

Impartial писал(а):А РС6,7 96,97 пин куда разведены?
По схеме никуда свободны.
Impartial писал(а):Работать с портами напрямую не очень хорошая идея.
Хочу светдиодом поморгать для изучения и только:)
PF6 как переключать в 0 и в 1 ?
Дилетанту сложные вещи кажутся очень простыми, и только профессионал понимает насколько сложна самая простая вещь
Кто хочет - ищет возможности, кто не хочет - ищет оправдание.
Найди работу по душе и тебе не придется работать.
Impartial
Мастер
Сообщения: 953
Зарегистрирован: 23 фев 2011, 01:50
Репутация: 36
Контактная информация:

Re: ЧПУ пульты

Сообщение Impartial »

В "0" GPIOF->ODR &= ~GPIO_ODR_ODR6;
В "1" GPIOF->ODR |= GPIO_ODR_ODR6;
aftaev
Зачётный участник
Зачётный участник
Сообщения: 34042
Зарегистрирован: 04 апр 2010, 19:22
Репутация: 6194
Откуда: Казахстан.
Контактная информация:

Re: ЧПУ пульты

Сообщение aftaev »

Что символы означают:
Impartial писал(а): &
Дилетанту сложные вещи кажутся очень простыми, и только профессионал понимает насколько сложна самая простая вещь
Кто хочет - ищет возможности, кто не хочет - ищет оправдание.
Найди работу по душе и тебе не придется работать.
Impartial
Мастер
Сообщения: 953
Зарегистрирован: 23 фев 2011, 01:50
Репутация: 36
Контактная информация:

Re: ЧПУ пульты

Сообщение Impartial »

Логическое "И". Символ на клавише 7.
aftaev
Зачётный участник
Зачётный участник
Сообщения: 34042
Зарегистрирован: 04 апр 2010, 19:22
Репутация: 6194
Откуда: Казахстан.
Контактная информация:

Re: ЧПУ пульты

Сообщение aftaev »

Прописал в uCos
//поморгаем светодиодом
GPIOF->ODR &= ~GPIO_ODR_ODR6; // В "0"
GUIDEMO_Delay(500);

Keil изматюкался:
Source\uCGUI\uCGUIDemo\GUIDEMO_Intro.c(87): error: #20: identifier "GPIOF" is undefined
Source\uCGUI\uCGUIDemo\GUIDEMO_Intro.c(87): error: #20: identifier "GPIO_ODR_ODR6" is undefined
Дилетанту сложные вещи кажутся очень простыми, и только профессионал понимает насколько сложна самая простая вещь
Кто хочет - ищет возможности, кто не хочет - ищет оправдание.
Найди работу по душе и тебе не придется работать.
Аватара пользователя
Lexxa
Мастер
Сообщения: 2703
Зарегистрирован: 16 дек 2011, 16:48
Репутация: 319
Настоящее имя: Алексей
Откуда: ryazan
Контактная информация:

Re: ЧПУ пульты

Сообщение Lexxa »

:bender:
aftaev
Зачётный участник
Зачётный участник
Сообщения: 34042
Зарегистрирован: 04 апр 2010, 19:22
Репутация: 6194
Откуда: Казахстан.
Контактная информация:

Re: ЧПУ пульты

Сообщение aftaev »

Lexxa, я английский не есть понимать :)

Поковырялся. Светодиоды моргают если делать так:
GPIO_SetBits(GPIOF,GPIO_Pin_6|GPIO_Pin_8);
GPIO_ResetBits(GPIOF,GPIO_Pin_7 | GPIO_Pin_9);

Мож кому попадалось ПОЛНОЕ описание команд под Ucos-II
Дилетанту сложные вещи кажутся очень простыми, и только профессионал понимает насколько сложна самая простая вещь
Кто хочет - ищет возможности, кто не хочет - ищет оправдание.
Найди работу по душе и тебе не придется работать.
Аватара пользователя
Lexxa
Мастер
Сообщения: 2703
Зарегистрирован: 16 дек 2011, 16:48
Репутация: 319
Настоящее имя: Алексей
Откуда: ryazan
Контактная информация:

Re: ЧПУ пульты

Сообщение Lexxa »

а в мануале то нет?
там говорят: Может быть после того как обновили какие-то библиотеки часть функций переименовось
:bender:
aftaev
Зачётный участник
Зачётный участник
Сообщения: 34042
Зарегистрирован: 04 апр 2010, 19:22
Репутация: 6194
Откуда: Казахстан.
Контактная информация:

Re: ЧПУ пульты

Сообщение aftaev »

у меня ваще нет никакого полного мануала. В инете что находил начинались с 16 главы.
Дилетанту сложные вещи кажутся очень простыми, и только профессионал понимает насколько сложна самая простая вещь
Кто хочет - ищет возможности, кто не хочет - ищет оправдание.
Найди работу по душе и тебе не придется работать.
Аватара пользователя
Lexxa
Мастер
Сообщения: 2703
Зарегистрирован: 16 дек 2011, 16:48
Репутация: 319
Настоящее имя: Алексей
Откуда: ryazan
Контактная информация:

Re: ЧПУ пульты

Сообщение Lexxa »

:bender:
aftaev
Зачётный участник
Зачётный участник
Сообщения: 34042
Зарегистрирован: 04 апр 2010, 19:22
Репутация: 6194
Откуда: Казахстан.
Контактная информация:

Re: ЧПУ пульты

Сообщение aftaev »

Пульт 2 in 1. Идея пульта такая:
Чтобы пульт не только мог "общаться" с ЕМС иль подобными, но чтобы мог выдавать сигналы степ/дир.
Пульт.jpg (2768 просмотров) <a class='original' href='./download/file.php?id=3900&mode=view' target=_blank>Загрузить оригинал (29.5 КБ)</a>
Для чего это нужно. Часто хотят иметь простое ЧПУ без каких либо компов, ЕМС или Мач.

Работает примерно так: в настройках пульта задаем импульсы на 1мм. Сбрасываем оси в нули кнопкой на экране. Выбираем ось, например Х крутим штурвал, ось Х едит (выдается синал степ/дир) на экране показывает координаты осей.

Нужно прикрутить штурвал к плате и выдавать сигналы в порт :)
Дилетанту сложные вещи кажутся очень простыми, и только профессионал понимает насколько сложна самая простая вещь
Кто хочет - ищет возможности, кто не хочет - ищет оправдание.
Найди работу по душе и тебе не придется работать.
Ответить

Вернуться в «Электроника»