Тоесть тут получается алгоритм ближе к управлению коллекторными моторами - просто вращаем ротор для достижения нужной позиции, и тормозить нужно реверсом?AndyBig писал(а): Полный оборот - пробежать полным током по всем трем катушкам три раза.
Откуда выдрать бесколлекторный двигатель?
Re: Откуда выдрать бесколлекторный двигатель?
- AndyBig
- Мастер
- Сообщения: 3971
- Зарегистрирован: 07 мар 2014, 04:01
- Репутация: 1121
- Откуда: юг России
- Контактная информация:
Re: Откуда выдрать бесколлекторный двигатель?
Не совсем. В коллекторном мы подали напряжение и ждем пока якорь провернется на нужный угол. В бесколлекторных же вращением нужно целенаправленно управлять по определенным алгоритмам и даже без энкодера можно установить ротор в нужный угол, естественно с какой-то погрешностью
Тормозится такой двигатель остановкой вращения поля, то есть перестаем подавать ток на катушки поочередно, оставляем его на одной катушке. Это упрощенно, конечно.
Шаговый двигатель - это и есть разновидность бесколлекторного, тот же принцип работы и управления
Ну а в целом - да, вращаем ротор для достижения
Шаговый двигатель - это и есть разновидность бесколлекторного, тот же принцип работы и управления
Ну а в целом - да, вращаем ротор для достижения
- N1X
- Мастер
- Сообщения: 3653
- Зарегистрирован: 16 фев 2015, 21:19
- Репутация: 1646
- Настоящее имя: Владимир
- Откуда: Беларусь, Гомель
- Контактная информация:
Re: Откуда выдрать бесколлекторный двигатель?
И будет опа, он сорвется... Потому без энкодеров их и не пользуют... Если нагрузка всегда и при всех условиях известна, тогда да, можно описать нифиговую матмодель, поставить DSP и рулить по ней, но как правило нагрузка меняется, и без энкодера не обойтись...AndyBig писал(а):то есть перестаем подавать ток на катушки поочередно, оставляем его на одной катушке.
- AndyBig
- Мастер
- Сообщения: 3971
- Зарегистрирован: 07 мар 2014, 04:01
- Репутация: 1121
- Откуда: юг России
- Контактная информация:
Re: Откуда выдрать бесколлекторный двигатель?
Я же написал, что это упрощенно. На маленькой скорости не сорвется, а на большой, разумеется, предварительное замедление перед полной остановкой.N1X писал(а):И будет опа, он сорвется...
TB6560 - яркий бюджетный пример такой матмодели с DSPN1X писал(а):можно описать нифиговую матмодель, поставить DSP и рулить по ней
Почти все хоббийные станки обходятсяN1X писал(а): как правило нагрузка меняется, и без энкодера не обойтись...
- N1X
- Мастер
- Сообщения: 3653
- Зарегистрирован: 16 фев 2015, 21:19
- Репутация: 1646
- Настоящее имя: Владимир
- Откуда: Беларусь, Гомель
- Контактная информация:
Re: Откуда выдрать бесколлекторный двигатель?
Ну BLDC с шаговиком даже сильно упрощенно очень сложно сравнить...AndyBig писал(а):Почти все хоббийные станки обходятся
С другой стороны глупо спорить с тем, что приводилось для объяснения "на пальцах"
- AndyBig
- Мастер
- Сообщения: 3971
- Зарегистрирован: 07 мар 2014, 04:01
- Репутация: 1121
- Откуда: юг России
- Контактная информация:
Re: Откуда выдрать бесколлекторный двигатель?
Упрощенно - это оно и естьN1X писал(а):Ну BLDC с шаговиком даже сильно упрощенно очень сложно сравнить...
- N1X
- Мастер
- Сообщения: 3653
- Зарегистрирован: 16 фев 2015, 21:19
- Репутация: 1646
- Настоящее имя: Владимир
- Откуда: Беларусь, Гомель
- Контактная информация:
Re: Откуда выдрать бесколлекторный двигатель?
Есть. У BLDC честные полюса, а у шаговика суррогатныеAndyBig писал(а): Или есть какие-то принципиальные отличия между ними?
- exup
- Опытный
- Сообщения: 158
- Зарегистрирован: 22 дек 2012, 21:49
- Репутация: 59
- Настоящее имя: Алексей
- Откуда: Москва
- Контактная информация:
Re: Откуда выдрать бесколлекторный двигатель?
расширяя кругозор...
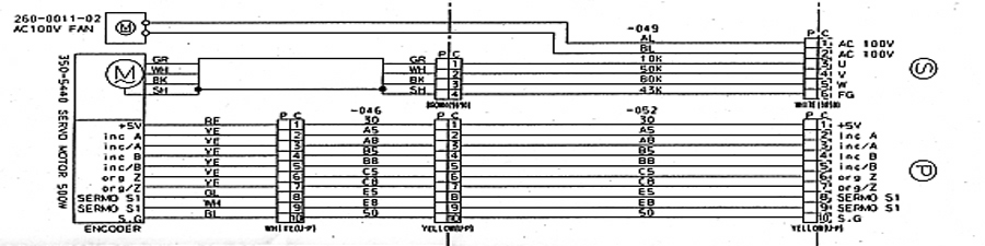
в руки попал вот такой образец
(фото с сети, у меня точно такой же, но с повреждённым энкодером. свои фото позже)
http://www.thegameroom.com/ebay/servomotor.jpg http://www.thegameroom.com/ebay/servoschematic.jpg http://www.ebay.ie/itm/500-Watt-Servo-M ... 58c7286ebc
с этой игрушкой ранее никогда не пересекался и реализация обратной связи несколько удивила...
энтузиасты уже во всём разобрались...
http://www.gamoover.net/Forums/index.php?topic=21154.16
в руки попал вот такой образец
(фото с сети, у меня точно такой же, но с повреждённым энкодером. свои фото позже)
http://www.thegameroom.com/ebay/servomotor.jpg http://www.thegameroom.com/ebay/servoschematic.jpg http://www.ebay.ie/itm/500-Watt-Servo-M ... 58c7286ebc
с этой игрушкой ранее никогда не пересекался и реализация обратной связи несколько удивила...
энтузиасты уже во всём разобрались...
http://www.gamoover.net/Forums/index.php?topic=21154.16
-
sas_75
- Мастер
- Сообщения: 463
- Зарегистрирован: 10 мар 2015, 11:03
- Репутация: 115
- Настоящее имя: Сергей
- Откуда: Владивосток
- Контактная информация:
Re: Откуда выдрать бесколлекторный двигатель?
"может такой подойдет, он в стиральных машинах используется."
"асинхронник превратить в синхронный мотор?"
Вообще-то это обычный коллектроный мотор с энкодером обратной связи для регулировки частоты вращения. Энкодером, конечно, я условно назвал датчик обратной связи. Наверное там будет пара импульсов на один оборот ротора.
"асинхронник превратить в синхронный мотор?"
Вообще-то это обычный коллектроный мотор с энкодером обратной связи для регулировки частоты вращения. Энкодером, конечно, я условно назвал датчик обратной связи. Наверное там будет пара импульсов на один оборот ротора.