А он и так "содействует" рекуперации. При условии, что дампер общий на несколько драйверов, а не индивидуальный на каждый. При этом включении обратный ток от одного драйвера будет просто подпитывать другие, уменьшая потребление от БП. И только в случае, если все драйверы выдают обратный ток (такое бывает при одновременном торможении осей), срабатывает дампер и гасит лишнюю энергию на резисторе, не давая появиться перенапряжению.torvn77 писал(а):Если понимать дампер так,то может лучше сделать на его основе систему рекуперации энергии?
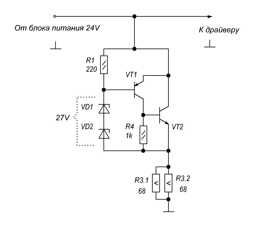
Собственно, вот небольшое "исследование".
А озабочиваться полноценной рекуперацией, ПМСМ, смысла нет, главное защититься от перенапряжения. Это как молния - энергия большая, а к делу не приставишь, можно только защититься.
